螺纹及螺纹紧固件
- 格式:ppt
- 大小:1.96 MB
- 文档页数:69
螺纹紧固件紧固通则螺纹紧固件是使用最普遍的一类万能紧固件,它由螺旋纹组成,并可以在机械设备上套装,是连接机械元件或分离两块零件的非常优秀的螺纹类工具。
为了保证螺纹紧固件的使用效果,必须根据正确的紧固技术通则进行正确使用。
一、螺纹紧固件紧固力度标准——螺纹紧固件的紧固力度一般以千牛为单位,其紧固力度要根据使用环境而定,有时也要考虑机械运动的变形程度,这样才能保证机械设备的运行可靠性。
二、连接螺纹紧固件——螺纹紧固件的连接要求,一般应将所有的螺纹紧固件紧固在一根轴上,而这根轴称为螺纹紧固件的轴端。
在连接之前,应对其螺纹及零件表面进行处理,以免螺纹松动,影响机械设备的安全性和可靠性。
三、扭矩确定——螺纹紧固件的紧固要求扭矩一般根据不同型号,大小,规格等考虑。
一般来说,螺纹紧固件的扭矩值不宜过大,以免造成损坏。
在实际安装过程中,应在紧固螺纹紧固件之后,将其旋紧到应用所需的紧固力度。
四、拧紧规则—螺纹紧固件拧紧的序列和步骤很重要,一般要求按照各个拧紧点的距离由小到大的顺序依次拧紧,以确保其紧固步骤,正确拧紧后才能确保螺纹紧固件的使用效果。
五、紧固位置配合—螺纹紧固件的紧固位置要与配合件或零件的轴心位置一致,以确保其使用的可靠性和安全性。
六、安装使用说明—安装时,应充分遵守其相关装卸说明,有时会根据应用环境而进行改变,以确保安全可靠使用。
以上就是螺纹紧固件的正确紧固使用通则,如此使用可确保螺纹紧固件的安全可靠性,提高其使用效率。
此外,应根据实际情况选择合适的螺纹紧固件进行使用,不同型号不同规格的螺纹紧固件有不同的作用,应结合实际情况进行灵活选择。
常用螺纹紧固件的种类及标记一、种类常用的螺纹紧固件有螺栓、双头螺柱、螺钉、螺母和垫圈等,如下图所示。
二、螺纹紧固件的规定标记标准的螺纹紧固件,都有规定的标记,标记的内容有:名称、标准编号、螺纹规格×公称长度。
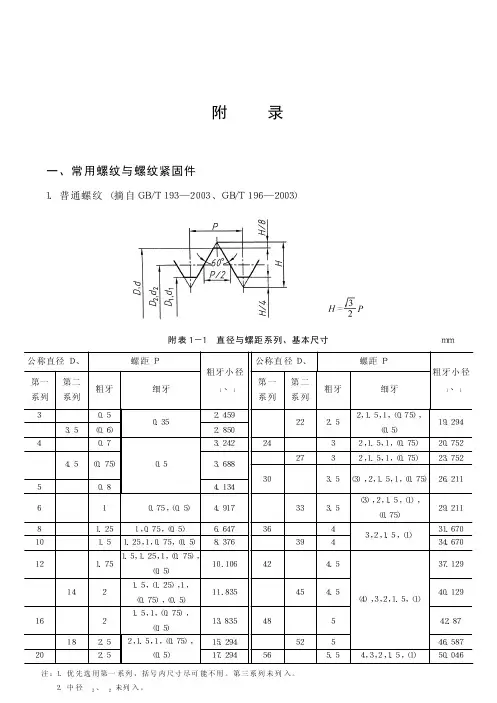
举例如下:螺纹性能的双头螺1985 M5×20级的开槽圆级的开槽沉型六为了提高画图速度,螺纹联接件各部分的尺寸(除公称长度外)都可用d(或D)的一定比例画出,称为比例画法(也称简化画法)。
画图时,螺纹联接件的公称长度l 仍由被联接零件的有关厚度决定。
各种常用螺纹联接件的比例画法,如下表所示。
常用螺纹紧固件的联接画法螺纹紧固件联接(装配图)一般采用剖视图表达,绘制和阅读这类图样时,不仅要注意螺纹紧固件的联接形式,还要了解装配图画法的基本规定。
一、两零件的接触表面之间只画一条线,不能在接触面上将轮廓线加粗;不接触的表面间,不论间隙大小,都应画成两条轮廓线。
二、同一金属零件在各剖视图、断面图中的剖面线方向、间隔应相同;相邻零件的剖面线方向应相反,或方向相同而间隔不同。
三、对于螺纹紧固件及轴、球等实心零件,当剖切平面通过其轴线时,这些零件按不剖绘制。
常用螺纹紧固件的联接画法一、螺栓联接螺栓联接一般用于两个被联接零件不太厚且允许加工成通孔的场合,通孔的直径略大于螺栓的螺纹规格,一般为1.1d。
装配时,先将螺栓插入两被联接零件的通孔,再放上垫圈,拧紧螺母,即完成了螺栓的联接。
(螺栓联接动画演示)1、螺纹联接件公称长度的确定由上图可看出,l的大小可按下式计算:l>δ1+δ2+h+m。
一般螺栓末端伸出螺母约0.3d。
假设 d=20,δ1=32,δ2=30,则l>δ1+δ2+h+m=32+30+0.15d+0.8d=81。
l值应比81约大0.3d,即87,在标准件公称长度l常用数列中可查出与其相近的数值为:l=90。
2、联接画法:根据机械制图国家标准规定,可采用简化画法,具体画图(用比例画法)步骤如下:a. 定出基准线;b. 画出螺栓的两个视图(螺栓为标准件不剖),螺纹小径可暂不画;c. 画出被联接两板(要剖,孔径为1.1d);d. 画出垫圈(不剖)的三视图);e. 画出螺母(不剖)的三视图,在俯视图中应画螺栓;f. 画出剖开处的剖面线(注意剖面线的方向、间隔),补全螺母的截交线,全面检查,描深。
螺纹紧固件的种类及标记通过螺纹起紧固作用的零件称为螺纹紧固件。
经常使用的螺纹紧固件有螺栓、双头螺柱、螺钉、螺母及垫圈等,如图9-11所示。
六角头螺栓双头螺柱六角螺母六角开槽螺母内六角圆柱头螺钉开槽圆柱头螺钉开槽沉头螺钉紧定螺钉平垫圈弹簧垫圈圆螺母用止动垫圈圆螺母图9-11 螺纹紧固件螺纹紧固件的结构、尺寸均已标准化,在机械设计中不需要单独绘制它们的图样,能够依照设计要求从相应的国家标准中查出所需要的结构尺寸。
一、经常使用螺纹紧固件的种类(一)螺栓螺栓由螺栓头和螺栓杆两部份组成。
头部形状以六角形应用最多,经常使用品级为A 级和B级,同时又有全螺纹与部份螺纹及粗细杆之分。
决定螺栓规格的尺寸为螺栓公称直径d及螺栓长度l,选定一种螺栓后,其他部份尺寸可依照有关国家标准查得(见附表)。
(二)双头螺柱双头螺柱两头加工有螺纹,一端旋入被连接件的预制螺孔中,称为旋入端;另一端与螺母旋合,紧固另一个被连接件,称为紧固端。
在结构上分为A级和B级两种。
A级的要在规格前标注“A”,B级的可不标。
双头螺柱的旋入端长度b m与带螺孔的被连接零件的材料有关:(1)青铜、钢,取b m=d(2)铸铁,取b m=(3)铝合金,取b m=(4)非金属材料,取b m=2d决定双头螺柱规格的尺寸为螺柱直径d及紧固端长度l,选定一种双头螺柱后,其他部份尺寸可依照有关标准查得(见附表)。
(三)螺钉螺钉按利用性质可分为连接螺钉和紧定螺钉两种。
前者用于连接,依照头部形状不同有开槽圆柱头螺钉、开槽沉头螺钉、开槽盘头螺钉等。
后者要紧用于避免两相配零件之间发生相对运动,有开槽平端紧定螺钉、开槽锥端紧定螺钉、内六角平端紧定螺钉等。
决定螺钉规格的尺寸为螺钉直径d及长度l,其他部份尺寸可依照有关标准查得(见附表)。
(四)螺母螺母与螺栓或螺柱配合利用,起连接作用。
螺母的形式有六角形、圆形、方形等,以六角头螺母应用最普遍。
圆螺母经常使用于轴上零件的轴向固定。
六角头螺母有Ⅰ、Ⅱ及A、B、C型之分,还有粗细和厚薄之分。
螺纹紧固件的基本形式一、螺纹紧固件的定义螺纹紧固件是一种常用的连接元件,用于将两个或多个零部件固定在一起。
螺纹紧固件通常由螺栓和螺母两部分组成,通过螺纹结构实现紧固效果。
螺纹紧固件广泛应用于机械设备、汽车、航空航天等领域。
二、螺纹紧固件的分类螺纹紧固件可以根据不同的标准和用途进行分类。
常见的分类方式包括螺纹类型、规格标准、材料等。
2.1 螺纹类型螺纹紧固件的螺纹类型根据其形状可以分为内螺纹和外螺纹。
内螺纹通常用于螺母,外螺纹用于螺栓。
2.2 规格标准螺纹紧固件的规格标准有很多种,比较常见的有国际标准ISO、美国标准ANSI、德国标准DIN等。
不同的规格标准决定了螺纹的尺寸、公差和用途等。
2.3 材料螺纹紧固件的材料可以根据其性能要求进行选择。
常见的材料包括碳钢、合金钢、不锈钢等。
不同的材料具有不同的强度、耐腐蚀性和耐高温性能。
三、螺纹紧固件的基本形式螺纹紧固件的基本形式指的是螺栓和螺母的结构和组成部分。
3.1 螺栓螺栓是螺纹紧固件中的一种,它通常由螺纹、螺杆和头部组成。
3.1.1 螺纹螺栓的螺纹一般为外螺纹,通常采用三角形螺纹,常见的有M、UNC、UNF等。
3.1.2 螺杆螺杆是螺栓的一部分,是指螺纹的主要部分。
螺杆的长度决定了螺栓的使用范围。
3.1.3 头部螺栓的头部用于进行旋转操作,常见的头部形状有六角头、圆头、方头等。
3.2 螺母螺母是螺纹紧固件中的另一种,通常由螺纹和外形部分组成。
螺母的作用是与螺栓配合使用,通过螺纹结构实现紧固效果。
3.2.1 螺纹螺母的螺纹一般为内螺纹,与螺栓的螺纹相匹配。
3.2.2 外形部分螺母的外形部分通常为六角形,用于进行旋转操作。
四、螺纹紧固件的使用注意事项在使用螺纹紧固件时,需要注意以下几个方面。
4.1 选择合适的螺纹规格和材料根据实际需求,选择合适的螺纹规格和材料,确保螺纹紧固件能够承受工作条件下的载荷和环境。
4.2 正确安装和拧紧在安装螺纹紧固件时,需要使用适当的工具和方法进行安装,并按照规定的拧紧力矩进行拧紧,避免出现松动或过紧的情况。
螺纹和螺纹紧固件详细介绍以图解的形式详细介绍螺纹和螺纹紧固件§14、1螺纹和螺纹紧固件第1\7页本课主要内容:(螺纹、螺纹紧固件)螺纹(螺纹的形成及其要素、螺纹的规定画法、螺纹的分类、螺纹的标注)(一)螺纹的形成及其要素1.螺纹的形成螺纹为回转体表面上沿螺旋线所形成的、具有相同轴向剖面的连续凸起和沟槽。
螺纹在螺钉、螺栓、螺母和丝杠上起连接或传动作用。
在圆柱(或圆锥)外表面所形成的螺纹称为外螺纹;在圆柱(或圆锥)内表面所形成的螺纹称内螺纹。
如图所示。
形成螺纹的加工方法很多,如图14-2车床上车削内外螺纹的情况,也可用成型刀具(如板牙,丝图14-2螺纹加工方法锥)加工。
加工内螺纹孔时,先用钻头钻出光孔,再用在光孔内攻出螺纹。
车削螺纹时,由于刀具和工件的相对运动而形成圆柱螺旋线,动点的等速运动由车床的主轴带动工件的转动而实现;动点的沿圆柱素线方向的等速直线运动由刀尖的移动来实现。
螺纹的形成可看作一个平面图形沿圆柱螺旋线运动而形成。
2.螺纹的要素螺纹的要素包括牙型,公称直径,线数,螺距和导程,旋向五个要素。
1)螺纹的牙型是指通过螺纹轴线剖切面上的所得到的断面轮廓形状,螺纹的牙型标志着螺纹的特征。
常见的螺纹的牙型有三角形,梯形,锯齿形,矩形等。
2)螺纹的直径1)大径---是与外螺纹牙顶或内螺纹牙底相重合的假想的圆柱直径。
对内螺纹大径用D来表示;对外螺纹大径用d来表示。
2)小径---是与外螺纹牙底或内螺纹牙顶相重合的假想圆柱的直径。
对内螺纹小径用D1来表示;对外螺纹小径用d1来表示。
3)中径---是母线通过牙型上沟槽和凸起宽度相等处的假想圆柱的直径。
对内螺纹中径用D2来表示;对外螺纹中径用d2来表示。
4)公称直径---是螺纹的标准尺寸,指的是螺纹的大径。
以图解的形式详细介绍螺纹和螺纹紧固件5)顶径和底径---顶径是与内螺纹或外螺纹牙顶重合的假想圆柱的直径。
底径是与内螺纹或外螺纹牙底重合的假想圆柱的直径。
关于机械制图新旧国标中螺纹和螺纹紧固件示法的对照王新霍皖淮(苏州市技术监督情报所)国家标准《机械制图》系列标准中GB 4459.1-84《机械制图螺纹及螺纹紧固件表示法》是重要的基础标准,自1984年颁布以来,已被企业广泛采用,为统一螺纹和紧固件等的画法及注法起了重要作用。
GB 4459.1-84颁布实施后,我国又陆续发布了一些与该标准密切相关的国家标准,但GB 4459.1-84中给出的标注示例与这些螺纹标准中规定的螺纹不一致,给不少企业带来了标准之间协调的问题,也给贯标带来了不少困难。
1991年8月22日,全国技术制图标准化技术委员会为了配合标准清理整顿工作,在北京召开了对《机械制图》等17项国家标准的复审会议。
在这次会议上,各位专家根据实际情况提出尽快修订GB 4459.1-84的建议。
1993年原国家技术监督局下达了修订注标准的计划(),该项目按计划已于1994年年底完成,出台了GB/T 4459.1-1995《机械制图螺纹及螺纹紧固件表示法》。
GB/T 4459.1-1995《机械制图螺纹及螺纹紧固件表示法》规定了螺纹及螺纹紧固件的画法和标注,适用于机械工业产品图样及有关技术文件,其它图样和技术文件也可参照采用。
该标准等效采用ISO 6410-1993《技术制图—螺纹及连接件》。
螺纹和常用螺纹连接件是机械制图《标准件常用件及其规定画法》一章中的重要内容,为了便于广大专业人员尽快熟悉新标准,特将新旧国家标准中常用部分进行对比,以明示其主要差异。
一、新标准的适用范围新标准的适用范围由原来适用于“机械图样”扩大为适用于“机械工业产品图样及有关技术文件”。
二、螺纹画法在螺纹画法方面,补充了圆锥外螺纹与圆锥内螺纹的画法,见图1、图2。
在螺纹副的连续画法方面,补充了管螺纹(锥—锥配合和锥—柱配合)的画法,见图3、图4。
三、螺纹标注新标准按照有关螺纹标准更新了螺纹标注,并将有关标注及其示例列入了表1(略)。
紧固件螺纹介绍
紧固件螺纹是一种常用的连接方式,它通过螺纹的互锁作用来实现零件的牢固固定。
以下是对紧固件螺纹的介绍:
1. 定义:紧固件螺纹是一种具有螺旋形线条的凸起或凹槽,通常用于连接两个或多个零件,通过旋转使螺纹互锁,从而实现紧固效果。
2. 类型:常见的螺纹类型包括内螺纹(螺母螺纹)和外螺纹(螺栓螺纹)。
内螺纹位于孔内,外螺纹位于柱状零件上。
3. 螺距:螺纹的螺距是指相邻螺纹之间的距离。
螺距越大,螺纹每旋转一周时移动的距离就越大。
4. 角度:螺纹的角度是指螺纹线与轴线之间的夹角,常见的角度有60度和55度。
5. 标记:螺纹的标记通常采用国际通用的标记方法,如M表示公制螺纹,UNC表示美标粗牙螺纹,UNF表示美标细牙螺纹等。
6. 使用场景:紧固件螺纹广泛应用于机械、汽车、航空航天、建筑和电子等领域,用于连接、固定、拆卸和调整零件。
7. 螺纹制造方法:常见的螺纹制造方法包括切削法、滚压法和模锻法等。
切削法通过刀具切削工件来形成螺纹,滚压法通过滚轮挤压工件表面形成螺纹,模锻法通过模具将热变形的金属塑性变形成螺纹。
8. 注意事项:在使用紧固件螺纹时,需要注意正确选择螺纹类型、尺寸和材料,并进行适当的装配力和拧紧力控制,以确保连接的
牢固和可靠。
紧固件螺纹的基础知识《聊聊紧固件螺纹那些事儿》嘿,朋友们!今天咱来唠唠紧固件螺纹的基础知识,这可真是个有意思的东西呢!每次看到那些小小的螺纹,我就觉得特别神奇,就好像是大自然和人类智慧的完美结合。
别看它们小小个,作用可大着呢!你想啊,要是没有螺纹,那些螺丝啊、螺母啊什么的怎么能紧紧地固定在一起?那还不得散架啊!螺纹就像是它们之间的秘密“牵手”方式,让它们紧密相连,共同发挥作用。
就拿螺丝来说吧,它的螺纹就像是一个个小台阶,一圈圈地往上爬。
当我们把它旋进螺母里的时候,就好像是一个小勇士在攀登高峰,一步一个脚印,稳稳当当的。
而且哦,螺纹还有不同的规格和型号呢,这就像是每个人都有自己独特的性格和特点。
有时候我就在想,这设计螺纹的人可真是个天才!他们怎么就能想出这么巧妙的办法呢?真的是太神奇了!我感觉他们就像是微观世界里的建筑师,用一点点的螺纹搭建起了一个坚固的世界。
不过呢,和螺纹打交道也不是那么容易的。
有时候会遇到那种特别紧的螺丝,拧半天都拧不下来,可把我给急坏了!就像遇到了一个固执的家伙,死活不肯跟你合作。
还有的时候会不小心把螺纹给弄滑丝了,哎呀,那可真是懊恼啊,就好像是不小心把一个宝贝给弄坏了。
但是呢,这些小小的挫折并不能打消我对紧固件螺纹的喜爱。
每次成功地把两个东西用螺纹紧紧固定在一起的时候,我心里就有一种满满的成就感。
感觉自己就像是个小小的工程师,创造了属于自己的小奇迹。
所以啊,朋友们,可别小看了这些小小的紧固件螺纹。
它们虽然不起眼,但是却在我们的生活中发挥着巨大的作用。
下次当你再看到那些螺丝、螺母的时候,不妨多留意一下它们上面的螺纹,感受一下它们的神奇之处吧!说不定你也会和我一样,从此对它们产生浓厚的兴趣呢!哈哈!。