钢爬梯制安施工质量验收评定表
- 格式:doc
- 大小:49.00 KB
- 文档页数:1
钢结构安装工程质量评定表
项目概述
此工程质量评定表是用于评估钢结构安装工程的质量情况。
通
过对各项关键指标的评定,旨在提供一个客观的评估结果,以便认
真对待并纠正任何潜在的质量问题。
质量评定指标
以下是用于评估钢结构安装工程质量的指标:
1. 安装精度:测量实际安装位置与设计位置之间的差异,评估
安装的准确度和精度。
2. 拉杆连接:评估拉杆连接的牢固度和紧密程度。
3. 螺栓连接:评估螺栓连接的紧固力和牢固度。
4. 焊接质量:评估焊接连接的质量,包括焊缝的强度和外观质量。
5. 表面处理:评估钢结构表面的清洁度、防锈处理和涂层质量。
评定标准
通过以下评定标准对每项指标进行评分:
- 优秀:符合相关规范和标准,达到或超出预期质量要求。
- 良好:基本符合要求,少量细微问题,不影响结构安全和使用功能。
- 合格:符合最低标准要求,但存在一些问题需要改进。
- 不合格:严重违反规范和标准要求,存在很多重要问题需要立即解决。
使用说明
1. 钢结构安装工程质量评定表应由专业评估人员在实地检查后填写。
2. 对于每个指标,评估人员应根据实际情况选择相应的评定标准。
3. 填写表格时应详细记录评估结果和发现的异常情况,并进行适当的解释和备注。
4. 填写完毕后,评估人员应对评定结果进行综合评估,并给出总体评分。
结论
钢结构安装工程质量评定表提供了一种标准化的评估方法,可以帮助确保钢结构安装工程的质量,并及时发现和解决潜在的质量问题。
评定结果应以客观、准确、全面的态度对待,并根据评分结果采取相应的纠正措施。
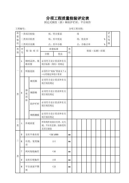
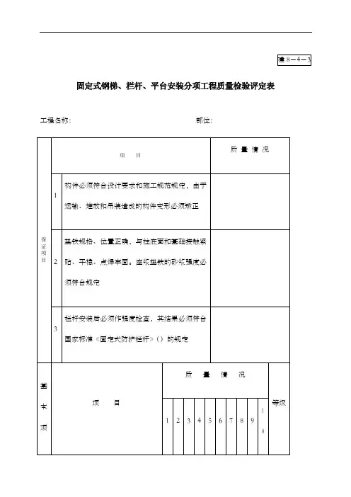
钢梯道安装检验批质量验收记录一、项目概述钢梯道是一种常见的设施,在许多建筑物和公共场所中广泛应用。
为了确保钢梯道的质量和安全性,本次施工过程进行了检验批质量验收,以确保其符合相关标准和要求。
二、验收人员本次钢梯道安装检验批质量验收工作由以下人员参与:1. 项目负责人:XXX2. 施工队负责人:XXX3. 监理人员:XXX4. 验收人员:XXX三、检验批质量验收内容1. 钢梯道的外观检验:包括表面是否平整、无明显变形、无划伤等。
2. 钢梯道的安装检验:包括螺栓连接是否牢固、梯级间距是否一致、扶手高度是否符合规定等。
3. 钢梯道的防腐处理检验:包括涂层是否均匀、密实,是否符合防腐要求。
4. 钢梯道的安全性检验:包括扶手是否稳固、防滑措施是否有效等。
四、检验结果经过详细的检验,钢梯道安装的质量达到预期目标,未出现明显质量问题。
具体检验结果如下:1. 钢梯道的外观检验:表面平整,无明显变形和划伤。
2. 钢梯道的安装检验:螺栓连接牢固,梯级间距一致,扶手高度符合规定。
3. 钢梯道的防腐处理检验:涂层均匀、密实,符合防腐要求。
4. 钢梯道的安全性检验:扶手稳固,防滑措施有效。
五、存在的问题和改进措施在钢梯道安装检验中,未发现明显的质量问题,但在实施过程中还是存在一些细微问题和需要改进的地方:1. 部分连接螺栓未完全紧固:这可能是由于工人操作不规范或疏忽导致的。
确保施工人员操作细致认真,严格按照安装要求进行操作。
2. 部分涂层存在小面积脱落:这可能是由于施工工艺不当或者材料质量有问题导致的。
在后续维护中,要加强对涂层的定期检查和维护,及时修补脱落的涂层。
3. 部分梯级间距不够一致:这可能是由于施工时的测量不准确导致的。
在今后的工作中,要加强准确测量,确保梯级间距一致。
4. 部分扶手高度超出规定范围:这可能是由于设计和施工方之间的沟通不畅所致。
今后在设计和施工前要加强沟通,确保各项指标符合规定要求。
六、总结本次钢梯道安装检验批质量验收工作得出了满意的结果,验收人员均认为钢梯道的质量符合相关标准和要求。