钢结构质量检验记录表
- 格式:doc
- 大小:279.50 KB
- 文档页数:13
钢结构(钢构件焊接)分项工程检验批质量验收记录
二.钢结构(焊钉焊接)分项工程检验批质量验收记录
三.钢结构(普通紧固件连接)分项工程检验批质量验收记录
四.钢结构(高强度螺栓连接)分项工程检验批质量验收记录
五.钢结构(零件及部件加工)分项工程检验批质量验收记录
六.钢结构(构件组装)分项工程检验批质量验收记录
七.钢结构(预拼装)分项工程检验批质量验收记录
八.钢结构(单层结构安装)分项工程检验批质量验收记录
九.钢结构(多层结构安装)分项工程检验批质量验收记录
十.钢结构(网架结构安装)分项工程检验批质量验收记录
十一钢结构(压型金属板)分项工程检验批质量验收记录
十二钢结构(防腐涂料涂装)分项工程检验批质量验收记录
十三钢结构(防火涂料涂装)分项工程检验批质量验收记录。
附录J 钢结构分项工程检验批质量验收记录表J.0.1 钢结构(钢构件焊接)分项工程检验批质量验收应按表J.0.1进行记录。
表J 钢结构(钢构件焊接)分项工程检验批质量验收记录J 钢结构(焊钉焊接)分项工程检验批质量验收应按表J.0.2进行记录。
表J 钢结构(焊钉焊接)分项工程检验批质量验收记录J 钢结构(普通紧固件连接)分项工程检验批质量验收应按表J.O.3进行记录。
表J 钢结构(普通紧固件连接)分项工程检验批质量验收记录J 钢结构(高强度螺栓连接)分项工程检验批质量验收应按表J.0.4进行记录。
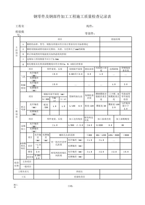
表J 钢结构(高强度螺栓连接)分项工程检验批质量验收记录J.0.5 钢结构(零件及部件加工)分项工程检验批质量验收应按表J.O.5进行记录。
表J 钢结构(零件及部件加工)分项工程检验批质量验收记录J钢结构(构件组装)分项工程检验批质量验收应按表J.O.6进行记录。
表J 钢结构(构件组装)分项工程检验批质量验收记录J 钢结构(预拼装)分项工程检验批质量验收应按表J.0.7进行记录。
表J 钢结构(预拼装)分项工程检验批质量验收记录J钢结构(单层结构安装)分项工程检验批质量验收应按表J.0.8进行记录。
表J 钢结构(单层结构安装)分项工程检验批质量验收记录J 钢结构(多层及高层结构安装)分项工程检验批质量验收应按表J.0.9进行记录。
表J 钢结构(多层及高层结构安装)分项工程检验批质量验收记录J 钢结构(网架结构安装)分项工程检验批质量验收应按表J.O.10进行记录。
表J 钢结构(网架结构安装)分项工程检验批质量验收记录J 钢结构(压型金属板)分项工程检验批质量验收应按表J.O.11进行记录。
表J 钢结构(压型金属板)分项工程检验批质量验收记录表J 钢结构(防腐涂料涂装)分项工程检验批质量验收记录表J 钢结构(防火涂料涂装)分项工程检验批质量验收记录。
钢结构工程检验批质量验收记录表全套钢结构焊接工程检验批质量验收记录工程名称:XXX环境集烟系统综合处理项目总包单:XXX分包单:XXX检验部位:45万方钢结构平台监理:项目经理施工单位检查记录:1.焊材与母材必须相互匹配,并按要求烘焙存放。
按照施工质量验收规范规定,焊条、焊丝、焊剂、电渣焊熔嘴等焊材与母材的匹配应符合行业标准81规定。
同时,焊接材料应按产品说明书及焊接工艺文件的规定进行烘焙和存放。
2.焊工必须考试合格并取得合格证书。
持证焊工必须在其考试合格项目及其认可范围内施焊。
3.施工单位对首次采用的钢材、焊接材料、焊接方法,焊后热处理等应进行焊接工艺评定,并应根据评定报告确定焊接工艺。
4.设计要求全焊透的一、二级焊缝应采用超声波探伤进行内部缺陷检验。
不能对缺陷作出判断时,采用射线探伤。
5.T型、十字、角接接头要求熔透的对接和角对接组合焊缝设计有疲劳验算要求的吊车梁或类似构件的腹板与上翼缘连接焊缝应为≥t/40~4mm4.6.焊缝表面不得有裂纹、焊瘤等缺陷。
一、二级焊缝不得有表面气孔、夹渣、弧坑裂纹、电弧擦伤等缺陷。
且一级焊缝不得有咬边、未焊满、根部收缩等缺陷。
焊缝表面无裂纹、气孔、夹渣、焊瘤等缺陷。
焊工有焊工证,符合设计以及规范要求。
7.对于需要进行焊前预热或焊后热处理的焊缝,其预热或后热温度应符合国家现行标准的规定或通过工艺试验确定。
预热区在焊道两侧,每侧宽度均应大于焊件厚度的1.5倍,且不小于100mm。
后热处理应在焊后立即进行,保温时间应根据板厚按每25mm板厚1h确定。
8.焊缝凹形的角焊缝,焊缝金属与母材间应平缓过渡。
加工成凹形的角焊缝,不得在其表面留下切痕。
9.焊缝感观应达到:外形均匀成型好,焊道与焊道、焊道与基础金属间过渡平滑,焊渣和飞溅物基本清除干净。
10.二、三级焊缝外观质量标准应符合规范规定。
三级对接焊缝应按二级焊缝标准进行外观质量检验。
以上记录符合执行企业标准名称及编号《钢结构工程施工质量验收规范》GB-2001的要求。
钢结构工程检验批质量验收记录表旁站监理方案本文介绍了钢结构零部件加工工程的检验批质量验收记录表,以及钢构件组装工程检验批质量验收记录表。
其中,钢结构天桥和吊车梁(桁架)是本文中需要进行验收的两个部位。
钢结构零部件加工工程检验批质量验收记录表中,需要检验的内容包括材料品种、规格、钢材复验、切面质量、矫正和成型、边缘加工和制孔等方面。
具体的验收标准和规定在表格中有详细说明。
钢构件组装工程检验批质量验收记录表中,需要检验的内容包括焊接H型钢接缝、焊接H型钢精度、焊接组装精度、顶紧接触面、轴线交点错位、焊缝坡口精度、铣平面保护和外形尺寸等方面。
同样,具体的验收标准和规定在表格中有详细说明。
在进行验收时,需要由专业工长(施工员)进行检查评定,并由施工单位进行检查评定记录。
如果符合验收标准和规定,则为合格,否则为不合格。
最后,本文提供了监理(建设)单位验收结论的空白表格,需要由专业监理工程师进行填写,并由建设单位项目专业技术负责人进行签字确认。
总之,本文提供了一份完整的钢结构零部件加工工程和钢构件组装工程的验收记录表格,有助于确保工程质量的合格性。
项目经理XXX加强分包项目经理施工执行标准名称及编号为《钢结构工程施工质量验收规范》(GB-2001)。
其中,多层板叠螺栓孔第9.2.1条规定施工单位检查评定记录监理(建设)单位验收记录通过率应达标。
经检查,主控项目符合要求,一般项目抽样检查均符合设计及规范要求。
针对涂料性能第4.9.1条,涂装基层验收、涂层厚度、涂料质量、表面质量、附着力测试、标志等方面的验收,施工单位检查评定记录应符合设计标准要求。
经检验,涂层符合要求,无结皮、结块、误涂、漏涂,标志清晰。
施工班组长表示主控项目检验合格,一般项目抽样检验符合设计及规范要求。
针对钢结构防火涂料涂装工程的验收,施工单位检查评定记录应符合《钢结构工程施工质量验收规范》(GB-2001)的规定。
涂层表面质量的验收应符合第14.3.6条。
钢结构(钢构件焊接)分项工程检验批质量验收记录(GB50205-2001)表J.O.1编号:010901/020401□□□
钢结构(焊钉焊接)分项工程检验批质量验收记录
(GB50205-2001)表J.O.2编号:010902/020402□□□
钢结构(普通紧固件连接)分项工程检验批质量验收记录(GB50205-2001)表J.O.3编号:010903/020403□□□
钢结构(高强度螺栓连接)分项工程检验批质量验收记录(GB50205-2001)表J.O.4编号:010904/020404□□□
钢结构(零件及部件加工)分项工程检验批质量验收记录(GB50205-2001)表J.0.5 编号:010905/020405□□□
010905/020405□□□接上表
钢结构(构件组装)分项工程检验批质量验收记录(GB50205-2001)表J.0.6 编号:020406
钢结构(预拼装)分项工程检验批质量验收记录
(GB50205-2001)表J.O.7编号:020407□□□
钢结构(单层结构安装)分项工程检验批质量验收记录(GB50205-2001)表J.0.8 编号:020408□□□
钢结构(多层及高层结构安装)分项工程检验批质量验收记录(GB50205-2001)表J.0.9 编号:020409□□□
钢结构(网架结构安装)分项工程检验批质量验收记录(GB50205-2001)表J.0.10 编号:020410
钢结构(压型金属板)分项工程检验批质量验收记录(GB50205-2001)表J.0.11 编号:020411
(GB50205-2001)表J.0.12 编号:020412□□□
(GB50205-2001)表J.0.13 编号:020413□□□。
钢结构质量检查资料表格(DOC 37页)钢结构质量检查资料表格施检表62磁粉探伤记录表……………………………………………施检表63 对焊接缝超声波探伤记录表………………………………………………………施检表64 主要焊缝施焊记录表………………………………………………………………施检表65 T型焊缝超声波探伤记录表………………………………………………………施检表66 高强度螺栓施拧扳手标定记录表…………………………………………………施检表67 高强度螺栓施工扭矩检查计算表…………………………………………………施检表69 高强度螺栓检查表(一)…………………………………………………………施检表70 高强度螺栓检查表(二)…………………………………………………………施检表71 高强度螺栓栓接面抗滑仪系数检查………………………………………………施检表72 高强度螺栓终拧扭矩检查表………………………………………………………土建检表8.9.1-3钢箱梁制作质量检验报告单……………………………………………………土建检表8.9.2钢梁防护涂装质量检验报告单…………………………………………………土建检表8.9.3 钢梁安装质量检验报告单……总评表 3 分部工程质量检验评定表…………………………………………………总评附表工程质量检验评定汇总表土建评表8.11.14 钢箱梁段制作质量检验评定表土建评表8.11.16 钢加劲梁安装质量检验评定表土建评表8.12.3 钢桥面板上防水粘结层质量检验评定表土建评表8.12.4 钢桥面板上沥青混凝土铺装质量检验评定表监土建检表8.9.1-3 钢箱梁制作质量检验报告单监土建检表8.9.2 钢梁防护涂装质量检验报告单监土建检表8.9.3 钢梁安装质量检验报告单监土建检表8.12.3 钢桥面板上防水粘结层质量检验报告单监土建评表8.9.1-3 钢箱梁制作质量检验评定表监土建评表8.9.2 钢梁防护涂装质量检验评定表监土建评表8.9.3 钢梁安装质量检验评定表监土建评表8.10.5 钢箱梁段制作质量检验评定表监土建评表8.11.14 钢箱梁段制作质量检验评定表监土建评表8.12.3 钢桥面板上防水粘结层质量检验评定表监土建评表8.12.4 钢桥面板上沥青混凝土铺装质量检验评定表施检表62磁粉探伤记录表第页共页项目施工合同分项工监理公路产品名称工单号仪器型号探测范围表面状态验收标准磁化方法磁粉间距(mm)磁悬液浓度磁化方向磁化种类试片型号电流种类磁化电流(A)磁悬液种类杆件编号探伤人员日期缺陷总数缺陷最大长度(mm)复探人员日期探伤结论自检意见监理意见检测计算复核技术主办项目主管检测日期施检表63对焊接缝超声波探伤记录表项目施工合同分项工监理公路产品名称工单号执行标准母板厚度坡口形式余高仪器型号探头规格标准试块灵敏度耦合剂表面耦合补偿探伤范围初探结果探伤人员:年月日复探结果探伤人员:年月日探伤结论自检意见监理意见检测计算复核技术主办项目主管检测日期施检表64主要焊缝施焊记录表项目施工合同分项工监理公路材质杆号数焊接方接头环境温相对温焊道序号预热温度(℃)层间温度(℃)焊接材料电流(A)电压(V)车速(m/h)条速(m/h)焊缝外观质量接头简图: 焊工及钢印号:专检:年月日年月日自检意见监理意见检测计算复核技术主办项目主管检测日期施检表65T型焊缝超声波探伤记录表项目施工合同分项工监理公路产品名称工单号执行标准现板厚度盖板厚度坡口形成仪器型号探头规格标准试块灵敏度耦合剂表面耦合补偿探伤范围杆号初探结果初探日期探伤人员复探结果探伤人员:年月日结论自检意见监理意见检测计算复核技术主办项目主管检测日期施检表66高强度螺栓施拧扳手标定记录表项目施工合同分项工监理公路桩号及部位扳手种类扳手编号标定误差节点位置螺栓批号螺栓规格标定时间温度(℃)结论自检意见监理意见检测计算复核技术主办项目主管检测日期施检表67高强度螺栓施工扭矩检查计算表项目施工合同分项工监理公路桩号及部位批号及规格平均扭矩系数标准偏差施工扭矩TO(N·m)检查扭矩Tch(N·m)检查合格扭矩范围自检意见监理意见检测计算复核技术主办项目主管检测日期施检表69 高强度螺栓检查表(一)项目 施工 合同 分项工 监理 公路 规格检验标准批号对比证书值 复验值 证书值 复验值 证书值 复验值 螺 母 硬 度H V 12345678判定垫 圈 硬 度H V12345678判定自检意见监理意见检测计算复核技术主办项目主管检测日期施检表70高强度螺栓检查表(二)项目名称施工单位合同段分项工程名称监理单位公路等级规格检验标准批号对比证书值复验值证书值复验值证书值复验值扭矩系数K 1 2 3 4 5 6 7 8 K 平均判定螺栓楔负载1 2 3 4 5 6(k N) 7 8判定螺母保证载荷(k N) 1 2 3 4 5 6 7 8判定自检意见监理意见检测计算复核技术主办项目主管检测日期施检表71高强度螺栓栓接面抗滑仪系数检查第页共页项目名称施工单位合同段分项工程名称监理单位公路等级报告日期报告日期代表接口号螺栓轴力(kN)抗滑移动系数标准值判定试验单位自检意见监理意见检测计算复核技术主办项目主管检测日期第页共页施检表72 高强度螺栓终拧扭矩检查表项目名称施工单位合同段分项工程名称监理单位公路等级节点部位栓批号规格扭矩系数平均值K螺栓总套数抽检套数终拧扭矩M(N.m)检查扭矩Mch(N.m)螺栓批号抽检螺栓检查扭矩值(N.m)判定合格率(%)螺栓批号抽检螺栓检查扭矩值(N.m)判定合格率(%)规格编号规格编号终拧时间: 年月日检查时间: 年月日终拧时环境温度: ℃检查时环境温度: ℃自检意见监理意见检测计算复核技术主办项目主管检测日期土建检表8.9.1-3 钢箱梁制作质量检验报告单第页共页项目名称桩号及部位合同段施工日期施工单位监理单位公路等级检测日期项次检测项目单位规定值或允许偏差检测值1△梁高hh≤2m mmh>2m mm2 跨度L mm3 全长mm 4△腹板中心距mm5 盖板宽度mm6 横断面对角线差mm7 旁弯mm8 拱度mm9 腹板平面度mm10 扭曲mm11△连接焊缝尺寸焊缝探伤高强螺栓扭矩外观检查自检意见签名:日期:监理意见签名:日期:检测:复核:施工员:质检负责人:技术主办:项目主管:日期:土建检表8.9.2 钢梁防护涂装质量检验报告单第页共页项目名称桩号及部位合同段施工日期施工单位监理单位公路等级检测日期项次检测项目单位规定值或允许偏差检测值1△除锈清洁度2△粗糙度外表面μm内表面μm3 总干膜厚度μm4 附着力M Pa外观检查自检意见签名:日期:监理意见签名:日期:检测:复核:施工员:质检负责人:技术主办:项目主管:日期:土建检表8.9.3 钢梁安装质量检验报告单第页共页项目名称桩号及部位合同段施工日期施工单位监理单位公路等级检测日期项次检测项目单位规定值或允许偏差检测值1 轴线偏位钢梁中线mm两孔相邻横梁中线相对偏位mm2 梁底高程墩台处梁底mm两孔相邻横梁相对高差m m3△连接焊缝尺寸焊缝探伤高强螺栓扭矩外观检查自检意见签名:日期:监理意见签名:日期:检测:复核:施工员:质检负责人:技术主办:项目主管:日期:总评表3 分部工程质量检验评定表单位工程名称:所属建设工程:路线名称:工程地点、桩号:施工单位:监理单位:施工单位分项工程合同段工程名称质量评定公路实得分权值加权得分等级等级监理意见:合计质量等加权平均分级评定意见总评表附工程质量检验评定汇总表工程名称质量评定备注实得分权值加权得分等级合计加权平均质量等级分统计:复核:技术主办:项目主管:年月日土建评表 钢箱梁段制作质量检验评定表项目名称 监理单位 公路等级 桩号及部位 施工单位 合同段 项 次 检 测 项 目 规定值或 允许偏差 检 测 结 果 质 量 评 定 检测数 合格数 合格率(%) 权值 加权得分 1 梁长(mm) 2 梁段桥面板四角高差(mm) 13 风嘴直线度偏差(mm) 1 4△ 端口尺寸 宽度(mm) 1 中心高(mm)1 边高(mm) 1 横断面对角线差(mm) 15 吊点位置 吊点中心距桥中心线距离偏差(mm) 1 同一梁段两侧吊点相对高差(mm) 1 相邻梁段吊点中心距偏差(mm) 1 同一梁段两侧吊点中心连接线与桥轴线垂直度误差(′)16△ 梁段匹配性 纵桥向中心线偏差(mm) 2 顶、底、腹板对接间隙(mm) 2 顶、底、腹板对接错边(mm) 1 7△ 焊缝 焊缝尺寸 2 探伤3 加权平均得分合 计外 观 鉴 定 减 分质量保证资料减 分监理意见及签名工程质量等级评分 得分: 等级:统计: 复核: 技术主办: 项目主管: 日期:土建评表钢加劲梁安装质量检验评定表项目名称 监理单位 公路等级 桩号及部位 施工单位 合同段 项 次 检 测 项 目 规定值或 检 测 结 果 质 量 评 定允许偏差检测数合格数合格率(%)权值加权得分1 吊点偏位 12 同一梁段两侧对称吊点处梁顶高差(mm)13△相邻节段匹配高差(mm) 24△连接焊缝尺寸 2焊缝探伤3 高强螺栓扭矩567加权平均得分合计外观鉴定减分质量保证资料减分监理意见及签名工程质量等级评分得分:等级:统计:复核:技术主办:项目主管:日期:土建评表 钢桥面板上防水粘结层质量检验评定表项目名称 监理单位 公路等级 桩号及部位 施工单位 合同段 项 次 检 测 项 目 规定值或 允许偏差 检 测 结 果 质 量 评 定 检测数 合格数 合格率(%) 权值 加权得分 1 钢桥面板清洁度 1 2△粘结层厚度(mm) 2 3△ 粘结层与钢板底漆间结合力(MPa)3 4△ 防水层厚度(mm) 256 7 8 9加权平均得分合计外观鉴定减分质量保证资料减分监理意见及签名工程质量等级评分得分:等级:统计:复核:技术主办:项目主管:日期:土建评表钢桥面板上沥青混凝土铺装质量检验评定表项目名称 监理单位 公路等级 桩号及部位 施工单位 合同段 项 次 检 测 项 目 规定值或 允许偏差 检 测 结 果 质 量 评 定 检测数 合格数 合格率(%) 权值 加权得分 1△压实度 3 2△ 平 整 度 高速、一级 公IRI(m/k m) 2 ơ(mm) 其他 公路 IRI(m/k m) ơ(mm) 最大间隙h(mm)3△平均厚度(mm) 3 4 抗滑构造深度(mm)1 5 横坡(%)16加权平均得分合计外观鉴定减分质量保证资料减分监理意见及签名工程质量等级评分得分:等级:统计:复核:技术主办:项目主管:日期:监土建检表8.9.1-3 钢箱梁制作质量检验报告单(监理抽检)第页共页项目名称桩号及部位合同段施工日期施工单位监理单位公路等级检测日期项次检测项目单位规定值或允许偏差检测值1△梁高hh≤2m m mh>2m m m2 跨度L m m3 全长m m4△腹板中心距m m5 盖板宽度m m。
钢结构制作(安装)焊接工程检验批质量验收记录表GB50205-2001(Ⅰ)02040焊钉(栓钉)焊接工程检验批质量验收记录表GB50205-2001(Ⅱ)通紧固件连接工程检验批质量验收记录表GB50205-2001(Ⅰ)010902 02040高强度螺栓连接工程检验批质量验收记录表GB50205-2001(Ⅱ)说明:1、主控项目:①用普通紧固连接。
②高强度大六角头螺栓连接副扭矩系数。
扭剪型高强度螺栓连接副预拉力。
符合本规附录B 的规定。
按附录B 检验。
检查复验报告。
③钢结构制作和安装单位应按本规附录B 的规定分别进行高强度螺栓连接磨擦面的抗滑移系数试验和复验,现场处理的构件摩擦面应单独进行摩擦面抗滑移系数试验,其结果应符合设计要求。
按附录B 检验。
检查摩擦面抗滑移系数试验报告和复验报告。
④高强度大六角头螺栓连接副终拧完成1h 后,48h 应进行终拧扭矩检查,检查结果应符合本规附录B 的规定。
扭剪型高强度螺栓连接副终拧后,除因构造原因无法使用专用板手终拧掉梅花头者外,未在终拧中拧掉梅花头的螺栓数不应大于该节点螺栓数的5%。
对所有梅花头未拧掉的扭剪型高强度螺栓连接副应采用扭矩或转角法进行终拧并作标记。
并按前述规定进行终拧扭矩检查。
观察检查及本规附录B 进行检验。
2.一般项目:①高强度螺栓连接副进场检查,检查包装箱上批号、规格、数量及生产日期。
核查螺栓、螺母、垫圈外观表面的涂油保护,没有生锈和沾染脏物,螺纹没损伤。
观察检查。
②建筑结构安全等级为一级,跨度40m 及以上的螺栓球节点钢网架结构,其连接高强度螺栓进行表面硬度试验。
8.8级的高强度螺栓其硬度应为HRC21~29;10.9级高强度螺栓其硬度应为HRC32~36,且不得有裂纹或损伤。
用硬度计、10倍放大镜或磁粉探伤。
③高强度螺栓连接副的施拧顺序和初拧、复拧扭矩符合设计要求和《钢结构高强度螺栓连接的设计施工及验收规程》JGJ82的规定。
检查扭矩扳手标定记录和螺栓施工记录。
全套钢结构检测原始记录表格技术表格(23张)钢⽹架焊接质量⽆损检验检测原始记录⼯程名称报告编号探伤⾯焊接⽅法试块探伤时机扫描⽐例表⾯补偿探伤⽅法仪器探伤⽐例检验规程验收标准耦合剂焊缝种类探伤灵敏度质量等级探伤部位⽰意图:探伤结果及返修情况构件名称抽样数量焊缝编号检验长度mm焊缝总长mm评定级别评定结果备注返修合格检验员UT级审核UT级报告⽇期年⽉⽇杆件焊缝锥头涂层厚度检测原始记录检验:审核:年⽉⽇⾼强度⼤六⾓螺栓检测原始记录检验:审核:年⽉⽇扭剪型⾼强螺栓检测原始记录检验:审核:年⽉⽇紧固件机械性能检测原始记录检验:审核:年⽉⽇粗⽛螺纹螺母检测原始记录检验:审核:年⽉⽇六⾓头螺栓检测原始记录检验:审核:年⽉⽇钢⽹架螺栓球节点⾼强螺栓检测原始记录检验:审核:年⽉⽇钢⽹架螺栓球节点检测原始记录检验:审核:年⽉⽇钢⽹架焊接空⼼球节点检测原始记录检验:审核:年⽉⽇钢筋焊接件检测原始记录检验:审核:年⽉⽇焊接接头及焊接试样检测原始记录检验:审核:年⽉⽇构件摩擦⾯检测原始记录检验:审核:年⽉⽇焊接球及螺栓球加⼯质量检测原始记录检验:审核:年⽉⽇钢⽹架杆件尺⼨检测原始记录检验:审核:年⽉⽇钢⽹架⽀承⾯检测原始记录检验:审核:年⽉⽇总拼及安装质量检测原始记录检验:审核:年⽉⽇钢柱垂直度检测原始记录检验:审核:年⽉⽇节点承载⼒检测原始记录检验:审核:年⽉⽇。
钢结构检查验收记录表项目信息- 项目名称:____________- 执行单位:____________- 施工单位:____________- 监理单位:____________- 检查人员:____________- 日期:____________钢结构检查结果根据对钢结构进行检查,以下为检查结果:1. 钢材质量- 钢材牌号:____________- 表面质量:____________- 重量和尺寸:____________- 规格是否符合要求:____________- 抗震性能:____________2. 焊接质量- 焊接工艺:____________- 焊缝外观质量:____________- 焊缝尺寸和位置:____________- 焊缝断裂风险:____________3. 连接件和配件- 连接件的质量:____________- 配件的安装质量:____________- 连接件和配件的尺寸:____________ - 连接件和配件的材质:____________4. 表面处理- 环境腐蚀等级:____________- 表面涂层质量:____________- 防腐措施是否完善:____________5. 安全防护- 高空作业防护措施:____________ - 防滑措施:____________- 脚手架和防护网是否设置:____________结论根据以上检查结果,结论如下:- 钢结构质量符合要求:____________- 钢结构质量不符合要求,需要修正的问题:____________验收意见- 验收意见:____________- 验收人员:____________- 日期:____________以上为钢结构检查验收记录表。
钢结构(钢构件焊接)分项工程检验批质量验收记录
二.钢结构(焊钉焊接)分项工程检验批质量验收记录
三.钢结构(普通紧固件连接)分项工程检验批质量验收记录
四.钢结构(高强度螺栓连接)分项工程检验批质量验收记录
五.钢结构(零件及部件加工)分项工程检验批质量验收记录
八.钢结构(单层结构安装)分项工程检验批质量验收记录
九.钢结构(多层结构安装)分项工程检验批质量验收记录
十.钢结构(网架结构安装)分项工程检验批质量验收记录
十一钢结构(压型金属板)分项工程检验批质量验收记录。