最新钢结构工程检验批质量验收记录表全套
- 格式:docx
- 大小:43.74 KB
- 文档页数:12
全套钢结构验收资料表格
钢结构基本信息
•项目名称:
•项目地点:
•验收时间:
•结构系统:
•设计单位:
•施工单位:
•验收单位:
材料验收情况
钢材
•钢材型号规格:
•生产厂家:
•出厂证明:
•质保书:
•连接部件:
焊接材料
•焊接材料规格:
•焊接材料批号:
•焊接工艺评定书:
•焊接质量检测报告:
图纸和设计文件
•结构图纸:
•构配件图纸:
•钢结构设计说明书:
•设计变更记录:
•验收结构图纸:
焊接质量资料
•焊口焊缝检查记录:
•焊工技能合格证:
•非破坏性检测报告:
•热处理记录:
钢结构安装验收情况
•安装方案设计:
•质量验收记录:
•安全施工记录:
•吊装方案:
•验收复核表:
结构整体验收情况
•结构表面质量检测报告:
•结构水平检查报告:
•结构垂直度检查报告:
•结构稳定性验收报告:
总结与结论
钢结构验收合格,符合设计要求,可以投入使用。
GB 50202-2001钢结构零件及部件加工工程检验批质量验收记录GB 50202-2001(Ⅰ )(主控项目)精品文档钢结构零件及部件加工工程检验批质量验收记录GB50205-2001(Ⅰ )(一般项目)工程名称大冶有色金属责任公司环境集烟系统综合处理项目检验部位45 万方钢结构平台 9.6m 平台总包单位湖南株洲三特环保股份有限公司项目经理分包单位山东省显通安装工程有限公司分包项目经理监理(建单位验收意见1 气割允许偏差(mm)零件宽度,长度± 3.0 14 1 3 2 1切割面平面度0.05t 且≤ 2.0 1 1 1 1 1 1割纹深度0.3 1 0.3 0.3 0.3 0.3 0.3局部缺口深度 1.0 1.0 1.0 1.0 1.0 1.0 1.0 机械剪切允许偏差(mm)边缘缺棱 1.0 1.0 1.0 1.0 1.0 1.0 1.0 型钢端部垂直度 2.0 2.0 2.0 3 2.0 2.0 2.0零件宽度,长度± 3.0 1 2 3 3 2 22 矫正后的钢材表面,不应有明显的凹面或损伤,划痕深度不得大于0.5mm ,且不应大于该钢材厚度负允许偏差的 1/2矫正后的钢材表面,无明显的凹面或损伤,划痕深度小于 0.01mm3 冷矫正和冷弯曲的最小曲率半径和最大弯曲矢高应符合表 7.3.4 规定符合设计要求以及施工规范4钢材矫正后允许偏差(mm)钢板的局部t≤14 1.5 1.5 1.5 1.5 1.7 1.5 1.5平面度t>14 1.0 1.0 1.0 1.0 1.0 1.0 3型钢弯曲矢高1/1000 且≤ 5.0 1 2 3 5 1 2角钢肢的垂直度b/100, 双肢栓接角钢的角度≤ 90 °双肢栓接角钢的角度 87°~89 °槽钢翼缘对腹板的垂直度b/80 1 2 3 5 2 1 工字钢, H 型钢翼缘对腹板的垂直度b/100 且≤ 2.0 1 1.1 1.2 1.1 1.1 15 边缘加工允许偏差(mm)零件宽度,长度± 1.0 符合设计要求以及施工规范加工边直线度1/3000 且≤ 2.0 1 1.7 1.1 2.1 0.5 1.4 相邻两边夹角±6ˊ符合设计要求以及施工规范加工面垂直度0.025t, 且≤ 0.5 0.6 0.2 0.2 0.4 0.1 0.4 加工面表面粗糙度Ra50 符合设计要求以及施工规范6 螺栓孔孔距允许偏差(mm)螺栓孔孔距≤500501~12001201~3000 >3000 50 1~ 1200同一组内任意两孔间距离±1.0 ±1.5 - -8250 60 30 60 80 相邻两组的端孔间距离±1.5 ±2.0 ±2.5 ±3.0 31 29 30 31 30 30施工单位检查记录施工质量验收规范的规定般项目施工单位检查评定结果主控项目:符合设计要求以及施工规范符合设计要求以及施工规范施工班组长:专业施工员:专职质检员:监理(建设)单位验收专业监理工程师:(建设单位项目专业技术负责人)多层及高层钢结构安装工程检验批质量验收记录GB50202-2001(安装和校正)(Ⅰ)29 7 1281-H/1000,且≥-30.0工程名称 大冶有色金属责任公司环境集烟系统综合处理项目检验部位 45 万方钢结构平台 9.6m 平台总包单位 湖南株洲三特环保股份有限公司 项目经理分包单位山东省显通安装工程有限公司分包项目经理监理 (建设) 施工单位检查记录单位 验收 意见多层及高层钢结构安装工程检验批质量验收记录GB50202-2001 (安装和校正) (Ⅱ)施工质量验收规范规定 钢吊 车梁 或直 接承 受动 力荷 载的 类似 允许 偏差 (mm ) 两端支 座中心 位移梁的跨中垂直度△ 侧向弯曲矢高垂直上拱矢高 安装在钢柱上,对牛腿中心 安装在混凝土柱上,对定 位轴线 吊车梁支座加劲板中心与柱子承压 加劲板中心偏移△ 1 同跨间内同一 横截面吊车梁顶面高差△支座处 其它处 同跨间内同一横截面下挂式吊车梁 底面高差△同列相邻两柱间吊车梁顶面高差△相邻两吊车 梁接头 部位△中心错位 上承式顶面高差 下承式底面高差同跨间任一截面的吊车梁中心跨距△ 轨道中心对吊车梁腹板轴线的偏移△h/500 L/1500且≤10.010.0 5.0 5.0 t/2 10.0 15.0 10.0 L/1500且≤10.09.6 9.6 1 9.6 1 9.6 5 13 4 1137.03 1102 444 476.04 1符合设计要求以及施工规范 108 17 1墙架 檩条 次要 构件 安装允许 偏差 (钢m 平m ) 台钢 梯和 防护 栏杆 安装 允许 偏差 (mm )墙架立柱中心线对定位轴线偏移 垂直度弯曲矢高 抗风桁架的垂直度檩条,墙梁间距 檩条的弯曲矢高 墙梁的弯曲矢高 平台高度 平台梁水平度 平台支柱垂直度 承重平台梁侧向弯曲 承重平台梁垂直度 直梯垂直度 栏杆高度栏杆立柱间距3.0 1.0 1.0 ±10.0 t/210.0H/1000且≤10.0H/1000且≤15.0h/250且, ≤15.0±5.0 L/750且, ≤12.0 L/750且, ≤10.0 ±15.0 L/1000且, ≤20.0 H/1000且≤15.0 L/1000且, ≤10.0 h/250且, ≤15.0 L/1000且, ≤15.0 现场焊缝组对间隙的允 许偏差( mm )无垫板间隙 有垫板间隙±15.0 ±15.0 +3.0 , 0.0 +3.0 ,-2.0无无 无 无 无 无无 5无无无无 无 无 7 19 4 2 11 1214 10 1 -14 5 3 326 4 11 5 5 1024211741.1 15 0112 9 12 4 9 9 11 9 3 19.6 1 5.01 29 1 2 1 12 13 1.1 12 51主控项目:符合设计要求以及施工规范 一般项目:符合设计要求以及施工规范 施工 单位 检查 符合设计要求以及施工规范 施工班组长: 专业施工员: 监理 (建设)单位 专业监理工程师:钢结构高强度螺栓连接工程检验批质量验收记录GB50202-2001。
钢结构工程检验批质量验收记录表
施工测量放线报验单工程名称:贡山县丹当公园修复(二期)工程
土方开挖工程检验批质量验收记录表TJ4.1.1
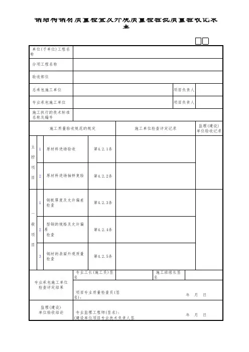
钢结构零件及部件加工工程检验批质量验收记录
GB50202-2001
钢结构零件及部件加工工程检验批质量验收记录
GB 50205-2001
钢结构防火涂料涂装工程检验批质量验收记录
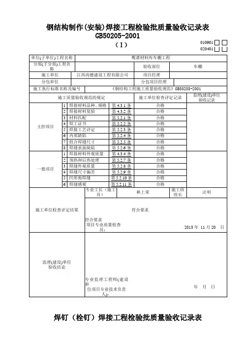
钢结构制作(安装)焊接检验批质量验收记录
钢构件(钢梯、平台及栏杆)安装检验批质量验收记录表
T
防腐涂料涂装检验批质量验收记录表
技术交底记录GJ1.4
注:本记录一式两份,一份交接受交底人,一份存档。
结构工程质量控制资料核查表GJ1.7
钢结构工程观感质量检查记录GJ1.9
焊缝检查记录GJ2.3.1(通用表)(强制性条文检查通用表)。
钢结构(钢构件焊接)分项工程检验批验收记录附表
钢结构(
高强度螺栓连接
普通紧固件连接
)分项工程检验批验收记录附表
钢结构(零件及部件加工)分项工程检验批验收记录附表(一)
钢结构(零件及部件加工)分项工程检验批验收记录附表(二)
钢结构(零件及部件加工)分项工程检验批验收记录附表(二)
钢结构(构件组装)分项工程检验批验收记录附表(一)
钢结构(构件组装)分项工程检验批验收记录附表(二)
钢结构(构件组装)分项工程检验批验收记录附表(三)
钢结构(构件组装)分项工程检验批验收记录附表(四)
钢结构(构件组装)分项工程检验批验收记录附表(五)
钢结构(构件组装)分项工程检验批验收记录附表(六)
钢结构(构件组装)分项工程检验批验收记录附表(七)
钢结构(预拼装)分项工程检验批质量验收记录附表
钢结构(单层结构安装)分项工程检验批质量验收记录附表(一)
钢结构(单层结构安装)分项工程检验批质量验收记录附表(二)
钢结构(单层构件安装)分项工程检验批质量验收记录附表(三)
钢结构(多层及高层结构安装)分项工程检验批质量验收记录附表(一)
钢结构(
防火涂料涂装
防腐涂料涂装
)分项工程检验批质量验收记录。
钢结构工程检验批质量验收记录1. 项目信息
2. 验收内容
3. 验收结果
本次钢结构工程检验批质量验收结果如下:
- 合格项:[填写合格项数目]
- 不合格项:[填写不合格项数目]
4. 重要说明
- 若存在不合格项,请详细列出不合格的具体项目,并填写备
注说明。
- 如需进行修复或改进,应在验收记录中注明,并设定合理的
整改期限。
- 验收结果及整改情况应及时通知相关责任方。
- 本验收记录需妥善保管,作为工程质量文件的重要组成部分。
5. 验收人员签字
质量管理员:_______________
验收人员1: _______________
验收人员2: _______________ 日期:____________________。
钢结构制作(安装)焊接工程检验批质量验收记录表GB50205-2001(Ⅰ)焊钉(栓钉)焊接工程检验批质量验收记录表通紧固件连接工程检验批质量验收记录表(Ⅰ)高强度螺栓连接工程检验批质量验收记录表本规范附录B的规定。
按附录B检验。
检查复验报告。
③钢结构制作和安装单位应按本规范附录B的规定分别进行高强度螺栓连接磨擦面的抗滑移系数试验和复验,现场处理的构件摩擦面应单独进行摩擦面抗滑移系数试验,其结果应符合设计要求。
按附录B检验。
检查摩擦面抗滑移系数试验报告和复验报告。
④高强度大六角头螺栓连接副终拧完成1h后,48h内应进行终拧扭矩检查,检查结果应符合本规范附录B的规定。
扭剪型高强度螺栓连接副终拧后,除因构造原因无法使用专用板手终拧掉梅花头者外,未在终拧中拧掉梅花头的螺栓数不应大于该节点螺栓数的5%。
对所有梅花头未拧掉的扭剪型高强度螺栓连接副应采用扭矩或转角法进行终拧并作标记。
并按前述规定进行终拧扭矩检查。
观察检查及本规范附录B进行检验。
2.一般项目:①高强度螺栓连接副进场检查,检查包装箱上批号、规格、数量及生产日期。
核查螺栓、螺母、垫圈外观表面的涂油保护,没有生锈和沾染脏物,螺纹没损伤。
观察检查。
②建筑结构安全等级为一级,跨度40m及以上的螺栓球节点钢网架结构,其连接高强度螺栓进行表面硬度试验。
8.8级的高强度螺栓其硬度应为HRC21~29;10.9级高强度螺栓其硬度应为HRC32~36,且不得有裂纹或损伤。
用硬度计、10倍放大镜或磁粉探伤。
③高强度螺栓连接副的施拧顺序和初拧、复拧扭矩符合设计要求和《钢结构高强度螺栓连接的设计施工及验收规程》JGJ82的规定。
检查扭矩扳手标定记录和螺栓施工记录。
④高强度螺栓连接副终拧后,螺栓丝扣外露应为2~3扣,其中允许有10%的螺栓丝扣外露1扣或4扣。
观察检查。
⑤高强度螺栓连接磨擦面应保持干燥、整洁,不应有飞边、毛刺、焊接飞溅物、焊疤、氧化铁皮、污垢等,除设计要求外摩擦面不应涂漆。
3.7 钢结构工程234235236焊钉(栓钉)焊接工程检验批质量验收记录表237普通紧固件连接工程检验批质量验收记录表238高强度螺栓连接工程检验批质量验收记录表239钢结构零、部件加工工程检验批质量验收记录表240钢结构零、部件加工工程检验批质量验收记录表241钢网架制作工程检验批质量验收记录表242钢网架制作工程检验批质量验收记录表243钢构件(单层钢柱)组装工程检验批质量验收记录表表3.7.7 编号:244245表3.7.7(续) 编号:246表3.7.8 编号:247表3.7.8(续) 编号:248钢构件(钢梁)组装工程检验批质量验收记录表表3.7.9 编号:249钢构件(钢梁)组装工程检验批质量验收记录表表3.7.9(续) 编号:250钢构件(屋架、桁架)组装工程检验批质量验收记录表表3.7.10 编号:251钢构件(屋架、桁架)组装工程检验批质量验收记录表表3.7.10(续) 编号:252253钢构件(钢管构件)组装工程检验批质量验收记录表表3.7.11 编号:254255钢构件(墙架、檩条、支撑系统)组装工程检验批质量验收记录表表3.7.12 编号:256钢构件(墙架、檩条、支撑系统)组装工程检验批质量验收记录表表3.7.12(续) 编号:257钢构件(钢梯、平台及栏杆)组装工程检验批质量验收记录表表3.7.13 编号:258259钢构件预拼装工程检验批质量验收记录表表3.7.14 编号:260钢构件(单层)安装工程检验批质量验收记录表261钢构件(多层及高层)安装工程检验批质量验收记录表表3.7.16 编号:262钢构件(吊车梁、单轨及轨道)安装工程检验批质量验收记录表钢构件(吊车梁、单轨及轨道)安装工程检验批质量验收记录表264265钢构件(墙架、檩条)安装工程检验批质量验收记录表266钢构件(钢梯、平台及栏杆)安装工程检验批质量验收记录表267268钢网架安装工程检验批质量验收记录表269钢网架安装工程检验批质量验收记录表270271压型金属板工程检验批质量验收记录表272压型金属板工程检验批质量验收记录表273274防腐涂料涂装工程检验批质量验收记录表表3.7.22 编号:275276防火涂料涂装工程检验批质量验收记录表表3.7.23 编号:277。
GB 50202-2001
钢结构零件及部件加工工程检验批质量验收记录
GB 50202-2001
(I )(主控项目)
钢结构零件及部件加工工程检验批质量验收记录
GB50205-2001
工程名称大冶有色金属责任公司环境集烟系统综合处理项目检验部位45万方钢结构平台9.6m平台
总包单位湖南株洲三特环保股份有限公司项目经理
分包单位山东省显通安装工程有限公司分包项目经理监理
(建执行企业标准名称及编号《钢结构工程施工质量验收规范》GB50202-2001
单位
验收
意见
1气割允许
偏差
(mm)
零件宽度,长度± 3.011321
切割面平面度0.05t 且<2.01
A
11111割纹深度0.3A0. 30.30.30.30. 3局部缺口深度 1.0 1.0 1.0 1.0 1.0 1.0 1.0机械剪切
允许偏差
(mm)
边缘缺棱 1.0 1.0 1.0 1.0 1.0 1.0 1.0型钢端部垂直度 2.0 2.0 2.0A 2.0 2.0 2.0
零件宽度,长度± 3.0123322
2矫正后的钢材表面,不应有明显的凹面或损伤,划痕深度
不得大于0.5mm,且不应大于该钢材厚度负允许偏差的
1 / 2
矫正后的钢材表面,无明显的凹面或损
伤,划痕深度小于0.01mm
3
冷矫正和冷弯曲的最小曲率半径和最大弯曲矢咼应符合表734规定符合设计要求以及施工规范
4钢材矫
正后允
许偏
差
(mm)
钢冈板的局部t <14 1.5 1.5 1.5 1.5 1.5 1.5
平面度t >14 1.0 1.0 1.0 1.0 1.0 1.0釦
型钢弯曲矢咼1/1000 且<5.012312
角钢肢的垂直度
b/100,双肢栓接角钢的角度<
90 °
双肢栓接角钢的角度87 ° ~89 °
槽钢翼缘对腹板的垂直度
b/80123
A
21工字钢,H型钢翼缘对腹
板的垂直度
b/100 且<2.0
1 1.1 1 .
2 1.1 1.11
5边缘加
工允许
偏差
(mm)
零件宽度,长度± 1.0符合设计要求以及施工规范
加工边直线度1/3000 且<2.01 1.7 1.10.5 1.4相邻两边夹角± 6 / A符合设计要求以及施工规范
加工面垂直度0.025t,且<0.50.20.20.40.10.4加工面表面粗糙度Ra50符合设计要求以及施工规范
6螺栓孔
孔距允
许偏
差
(mm)
螺栓孔孔距<500
501〜
1200
1201 〜
3000
>3000501〜1200同一组内任意两
孔间距离
± 1.0± 1.5--50
60
30
6080相邻两组的端孔
间距离
± 1.5± 2.0± 2.5± 3.0312930313030
施工单位检查记录施工质量验收规范的规定
般项目:符合设计要求以及施工规范
般项目
施工单位检查评定结果
主控项目:符合设计要求以及施工规范符
合设计要求以及施工规范施工班组长:专业
施工员:专职质检员:
监理
健设)
单位
验收
评定
专业监理工程师:
(建设单位项目专业技术负责人)
多层及高层钢结构安装工程检验批质量验收记录
GB50202-2001
(安装和校正)(I)
-H/1000 且>-30.0
多层及高层钢结构安装工程检验批质量验收记录
GB50202-2001
工程名称 大冶有色金属责任公司环境集烟系统综合处 理项目
检验部位
45万方钢结构平台 9.6m 平台
总包单位 湖南株洲三特环保股份有限公司 项目经理
分包单位
山东省显通安装工程有限公司
分包项目经理
监理 (建设) 执行企业标准名称及编号 《钢结构工程施工质量验收规范》
GB50202-2001
施工质量验收规范规定 施工单位检查记录
单位 验收 意见
钢吊 车梁 或直 接承 受动 力荷 载的 类似 允许 偏差
(mm )
两端支 座中心 位移
梁的跨中垂直度厶 侧向弯曲矢高 垂直上拱矢高
安装在钢柱上,对牛腿中心 安装在混凝土柱上,对定 位轴线
吊车梁支座加劲板中心与柱子承压 加劲板中心偏移厶1 同跨间内同一 横截面吊车梁
顶面高差厶
支座处 其它处
同跨间内同一横截面下挂式吊车梁 底面高差厶
同列相邻两柱间吊车梁顶面高差△ 相邻两吊车 梁接头 部位△
中心错位 上承式顶面高差 下
承式底面高差
同跨间任一截面的吊车梁中心跨距△
轨道中心对吊车梁腹板轴线的偏移△
h/500 L/1500且<10.0
10.0 —
5.0 5.0 t/2 10.0 15.0 10.0 L/1500且W 10.0 9.6
9.6 1 9.6 1 9.6 5
7.0
3 T~ 10
2 4 6.0
4 T"
符合设计要求以及施工规范
10 墙架 檩条 次要 构件 安
装 允许 偏差 钢平) 台钢 梯和 防护 栏杆 安装 允许 偏差 mm )
墙架
立柱
中心线对定位轴线偏移 垂直度
弯曲矢高 抗风桁架的垂直度
檩条,墙梁间距
檩条的弯曲矢高 墙梁的弯曲矢高 平台高度 平台梁水平度 平台支柱垂直度 承重平台梁侧向弯曲 承重平台梁垂直度 直梯垂直度 栏杆高度
栏杆立柱间距 3.0
1.0 — 1.0 — ± 10.0 t/2
10.0
H/1000且<10.0 H/1000且<15.0 h/250且 <15.0
± 5.0 L/750且 <12.0
L/750且 <10.0 ± 15.0
L/1000
且 <20.0 H/1000且<15.0 L/1000且 <10.0 h/250且 <15.0 L/1000且 <15.0
无垫板间隙 有垫板间隙 ± 15.0 ± 15.0 +3.0 , 0.0 +3.0 , -2.0 无 无 无. 无
无 无 无 无
无 无 无 无 无
7 19 4 2 11 12
14 10 1 -1 4
5 3 3 2
6 4 11 5 5
10
1.1 15 0
1
12 9 12 4 9 9 11
9 3 1
9.6 1
5.0
1
可
9 1 2 1 12 13 1.1 12 5
1
主控项目:符合设计要求以及施工规范 一般项目:符合设计要求以及施工规范
施工 单位 检杳 符合设计要求以及施工规范 施工班组长: 专业施工员:
监理 健设) 单位 专业监理工程师:
2
1 现场焊缝组对间隙的允
许偏差(mm )
钢结构高强度螺栓连接工程检验批质量验收记录
GB50202-2001。