GAP管理记录表格
- 格式:doc
- 大小:840.50 KB
- 文档页数:55
中药材gap管理
中药材GAP管理是指中药材生产质量管理规范,是一套对中药材种植、采收、加工、包装、运输等环节进行规范管理的体系。
其目的是保证中药材的质量安全,提高中药材的质量和疗效。
1. 种植环节:GAP要求中药材的种植环境应符合国家相关规定,不得使用有害的农药和化肥,对病虫害的防治也应采用绿色、环保的方法。
同时,对种植的品种、密度、行距等也有严格的规定。
2. 采收环节:GAP规定中药材的采收应在药材成熟时进行,采收方法应避免对药材造成损伤。
同时,对采收后的处理也有严格的要求,如清洗、晾晒等。
3. 加工环节:GAP要求中药材的加工过程应保持清洁卫生,不得使用有害的添加剂。
对加工设备、工艺等也有严格的规定。
4. 包装和运输环节:GAP规定中药材的包装应能保护药材不受损伤,运输过程中应避免药材受潮、受热、受污染。
5. 质量检测环节:GAP要求对中药材进行定期的质量检测,包括有效成分的含量、重金属的含量、农药残留量等。
通过实施GAP管理,可以有效地保证中药材的质量,提高中药材的市场竞争力,同时也有利于保护我国的中药材资源。
良好农业规范(GAP)自查报告
GB/T20014.2 良好农业规范第二部分农场基础控制点与符合性
4 要求
4.1 记录保存和内审
4.2.3有害生物控制
4.4员工健康、安全和福利
4.4.2员工培训
4.4.4员工福利
4.5垃圾和污染物的管理、回收与再利用4.
5.1优化能源
4.5.2垃圾和污染物的标识
4.5.3垃圾和污染物处理计划
4.6环境保护
4.6.1农事活动对环境的影响
4.6.3非生产区
GB/T20014.6 良好农业规范第六部分畜禽基础控制点与符合性规范4 要求
4.4饲料和饮水
4.6用药
GB/T20014.9 良好农业规范第九部分生猪控制点与符合性规范4 要求
4.1场址、设施、设备
4.8生猪健康
4.12死亡和濒死生猪
4.13调查
作为养殖场废弃物的一部分,包装药物的容器和包装材料应进行合理的处理,避免造成新的污染,作到无公害生产。
目前我国养殖场尚未建立官方的收集系统,这就要求各养殖场根据所在地的实际情况,合理进行规划处理。
在控制对场内污染的同时也要避免养殖场对周围环境的污染。
G LOBAL G.A.P 记录汇编(果蔬部分)V3.0-2内部检查CPCC不符合列表检查员签字:责任人签字:农场风险评估报告(样本)农场名称: XXX 农场地址:XXX作物名称:XXX 评估人:评估日期:土壤结 构类型 及成分果子理 化指标 不合格有毒 成分 引起 果子 污染严 重B较 低科学检 测,依据 指标进行 科学管理 和处理生长缓慢不严 重D低结论:风险可控。
附件:灌溉水检测报告、土壤检测报告。
基地考察记录。
GAP 基地编码一览表农事活动记录基地名称:品种:地块名称:面积:农药使用清单作物品种:编制日期:批准人:农药使用申请表农场名称:作物品种:农药使用一览表农场名称:作物品种:地块编号:地块面积:注:操作人员要记录全部的操作人信息,可以是姓名或者编号。
用量按国际计量单位,可以是KG,L,ML 等。
作物田间观察记录农场名称:作物品种:地块名称:作物面积:肥料使用记录农场名称:作物名称:地块编号:作物面积:注:用量使用国际计量单位:kg,l,ml 等。
操作人员要记录全部人员,可以是姓名或编号。
灌溉水风险评估报告( )农场名称:地块名称:地址:作物名称:1、水源来源:2、灌溉水质检测数据(见检测报告)3. 分析表单评估人:评估日期:审核人:审核日期:有机肥风险评估报告(样本)农场名称:xzxxx 地址:xxxx地块名称:xxxx 一、有机肥来源说明:1、枯枝落叶。
2、家畜禽粪(鸡粪30%、羊粪40%、猪粪30%)农户自己家里喂养产生二、有机肥制作说明肥料收集(农家家畜禽粪)----放入沤制区(发酵)------密封腐熟有机肥------腐熟后浮出腐熟区--------施用三、有机肥检测报告(重金属、农残、致病菌)四、分析表单:评估人:评估日期:审核人:审核日期:喷药设施一览表施肥机械一览表采收人员卫生检查记录农场名称:作物名称:日期:负责人:采收器具、运输车辆、生产设备清洗消毒记录基地名称:原料采收记录农场名称:作物名称(品种):。
紧急事故处理规程一、目的和范围:公司建立突发事故和紧急事件处理程序目的是为了保护我们的员工、客户和消费者的生命安全,避免不必要的刑事和民事责任,避免不必要的财务以及公众关系被曝光。
本程序有助于公司管理层阶层,对紧急事件、突发事故做出迅速和正确的反应。
通过完整的程序,面对不确定的情况,你将能够迅速做出决定,将责任降到最低点,从而保护公司的良好公众形象。
什么是“紧急事件”?一次紧急事件可以是发源于公司内部(例如工厂火灾,劳工纠纷,员工健康与安全事件,或者产品投诉),也可以是来源于外部事件或环境(例如轰炸,消费者因病投诉,生产破坏,飓风,雷雨或自然灾祸)。
总之,紧急事件可以包括任何与产品,设备或员工相关的事件,或者是由外部环境潜在因素引发的:●曝光消费者、员工或公众而造成的伤害或损失●导致公司、员工、或者公司产品(或为客户加工的产品)遇到法律问题●不必要的公开●负面的公众观念等任何紧急事件中都必须谨记:●优先做到1)保护人民生命安全2)保护企业的资产3)保护客户品牌4)不中断生产运营●保持平静●使用通常感觉●每一次紧急事件都是不同的●手册仅提供形势反应的范本,不同事件应采取不同的行动方案可以用不同的顺序采取行动,亦可同时采取多种行动---绝对保持灵活性二、内容:紧急事件和突发事故处理程序1.紧急事件通报程序2.紧急事件处理小组3.紧急事件指挥中心4.紧急事件联系电话5.对外传媒6.紧急事件中的特殊职责7.紧急事件撤离处理程序8.员工紧急事件中的行动9.紧急事件类型及相应的处理方法10.事故中的设备资料11.应急系统的维护12.紧急事件提示牌三、细则1.紧急事件通报程序●最先发现紧急事件的员工必须第一时间通知他的主管领导●该主管必须立刻通知负有相关职责的管理委员会成员或其他任意一位管理委员会成员●该成员依次通知所有成员,全面启动紧急事件管理委员会。
●所有的管理委员会成员应当尽可能快的在指挥中心聚集。
●由紧急事件管理委员会在第一时间形成对紧急事件的处理决议。
GAP管理和农场质量控制系统GAP Management & Farm Quality Control System上海景鲜蔬菜专业种植合作社[ 仅供内部使用,未经允许禁止外传]2010-01-27GAP综合管理规程1.范围本规程适用于农产品从种子到消费者的全过程。
从种子、场地、化肥、农药、农事操作,以及收获、检测直到消费者手上。
2.目标按照GAP(Good Agricultural Practice)要求生产,确保使所生产的农产品符合无公害要求,建立从农户到最终消费者的产品质量追溯体系,增强消费者信心。
3.GAP关键控制措施:质量策略、生产管理、农药管理、病虫害综合防治。
3.1.质量策略3.1.1.记录的保留种植者必须维持每日的有效、可追溯的记录,以证实所有的生产活动遵循文件中概述的GAP要求,适当的记录应当保存一年以上的时间。
3.1.2.管理机构系统(见“4.管理机构及责任”)3.1.3.农田种植规划制作一份农场土壤分布图,用以计划轮作,制定种植方案。
为每一块田地建立一个记录体系,以提供一份有关庄稼,以及在那些场所进行的农艺活动的持久记录。
对每一田块应当建立一套鉴定和衡量体系,如病虫害的鉴定及肥料使用效果的衡量等。
3.1.4.培训所有参与生产的操作人员和管理人员都要接受培训,并做记录。
3.2.生产管理3.2.1.场地3.2.1.1.环境检测:在进行农业生产前,要测定环境质量,以确定是否适合无公害农业生产。
环境质量标准必须符合《无公害蔬菜产地环境要求》(GB/T18407.1-2001)的规定,测量记录应当保留。
检测内容包括:❑农田灌溉水质检测❑农田土壤环境质量检测❑农田大气环境质量检测3.2.1.2.土壤消毒:根据作物在当地病虫害发生特点,选用合适的土壤处理剂。
但要注意所使用产品的安全间隔期。
由植保员在《GAP农场操作纪录》中填写土壤处理记录。
表格编号:GAP-G-1。
3.2.1.3.基础设施:3.2.1.3.1.符合无公害生产的排灌设施。
记录控制程序1 目的对记录进行控制和管理,提供种植安全、质量管理体系有效运行及产品满足规定要求的证据,实现可追溯,并为采取纠正和预防措施提供依据。
2 范围适用于本公司种植基地GAP管理体系运行产生的所有相关记录。
3 职责3.1 办公室负责记录表格式的控制,负责记录档案的统一管理。
3.2各部门负责本职责范围内的记录日常整理,归档和保管,并按年度集中交办公室档案室统一保管。
3.3 基地GAP管理小组成员负责GAP监控记录、纠偏行动记录、GAP 测量设备校准记录的审核。
4 控制要求4.1 记录图表的产生4.1.1 根据种植基地GAP管理体系运行要求设置必要的记录图表,本公司目前在用的记录图表名称见“有效记录图表清单”。
4.1.2 GAP监控记录表格的内容设计应包含如下信息:表头、企业名称、日期和时间、产品描述、关键限值、观察和测量结果、监控人员、审核人员、审核日期等。
4.1.3 记录图表增加或格式发生变化时,办公室应变更清单,并通知相关部门执行,同时收回原作废表单。
4.2 记录的范围:包括内部审核、管理评审记录、人员培训记录;GAP监控记录、各种检验报告、不合格品处理记录等质量体系所有相关记录;同时包括供方提供的记录。
4.3 记录的填写要求4.3.1填写记录的人员应按文件的规定要求认真填写记录,并确保记录的真实、准确完整。
4.3.2填写记录时要求字迹清晰、可辨,并注明记录日期。
4.4 记录的形式:记录一般用书面的形式,也可以用硬拷贝、电子媒体等。
4.5 记录的收集和归档4.5.1 各部门于每月对本部门的记录进行收集、整理、归档,并进行标识和分类。
其中GAP 记录、GAP监控记录及检验记录、纠偏行动记录等由办公室实施隔日收集、经基地GAP管理小组审核后,办公室每天进行整理、归档。
4.5.2 每年4月份,生产科、技术科、各基地、总务部、销售科、等分别负责收集、归档上一年度本部门的种植基地GAP管理体系运行的所有记录,并进行统一的标识和编目后,交办公室档案室统一归档,集中保存。
附件1GAP认证与标准化试点企业验收记录表试点企业:验收时间:年月日验收提示(1)请用蓝黑色或黑色笔,以正楷体书写。
也可用计算机打印(若使用计算机打印,请不要改变原设定的字号);(2)本检查表中“括号”内容,是为验收检查人员检查重点所作的提示。
(3)本检查表中的“事实描述”,要求尽可能详细记录事实情况,以便于判别,切忌简单、模糊;鉴于情况复杂,有些栏目没有设立“事实描述”,可根据需要加注。
(4)抽查确认核对的档案,应当在“事实描述”中登记档案号码、或者文件标题,以便追溯。
(一)企业概况企业名称:企业地址:法人代表(姓名、职务):GAP认证与标准化试点工作的负责人(姓名、职务):联系电话:GAP认证与标准化试点基地/农户、产品品种、产品数量、产地面积清单(附清单复印件或电子文档资料):(二)检查验收(抽查1-3个生产/地块/加工基地,以核查GAP认证与标准化试点的实际情况)2.1生产基地/农户的名称及编号:地址:责任人(姓名、职务):2.2 企业获证状况(适用时):一级认证:□二级认证:□选项一认证:□选项二认证:□2.3 实施的标准依据ChinaGAP国家标准GB/T20014.2, :□《良好农业规范认证实施规则》(CNCA-N-004:2007):□依据其他标准或规范:□(具体的标准名称)2.4认证机构名称:(适用时)请说明机构名称和认证产品品种等:事实描述:2.5 企业咨询情况(核查企业的咨询服务合同)(适用时)咨询机构名称:咨询人员(姓名、职务):2.6企业对基地的哪些环境因素要求进行过取样、检测(核查2-4份检测报告)生产用水:□;环境空气:□;土壤条件:□;其他:□事实描述(如:相应环境检测结果是否符合ChinaGAP国家标准)2.7 是否对产品进行过检测:是□否□检测依据的标准:检测机构名称是否有GB/T15481资质:是□否□检测结果(核查2—4份检测报告):事实描述:2.8 是否制定了GAP生产管理文件:是□否□2.9 GAP生产管理文件是否包括以下内容:生产基地/加工、储藏场所位置图:□GAP标准中要求的风险评估报告:□质量管理体系文件(适用于农业生产经营者组织):□GAP生产规程/程序:□生产/加工记录:□事实描述:2.10 生产/加工管理记录情况(抽查2—6份的田间土、肥、水的管理记录,病虫草害防治记录,产量记录或加工记录等,重点查看植保产品使用记录,最后一次施药的时间和采收时间是否符合安全间隔期)事实描述:2.11作物种植2.11.1 种子、种苗或繁殖材料(核查有关记录,了解种子等繁殖材料是否是抗性或耐性的品种)事实描述:2.11.2 作物栽培:(抽查1—3个地块)事实描述:2.11.3 土肥管理和病虫害防治(抽查1—4个地块的2009年度记录,重点调查肥料种类、来源[自产或外购]、病虫害发生与防治情况)事实描述:2.11.4企业的其他情况描述事实描述:2.12 畜禽养殖2.12.1种源引入(抽查2-4批次,查看引入[购入]种用畜禽来源是否来自国家批准的种畜禽养殖场,异地引进种用畜禽及其精液、胚胎是否到当地动物防疫监督部门办理检疫审批手续并经检疫合格)事实描述:2.12.2饲料和饲料添加剂(查看2-6份记录,核查饲料的种类、来源、是否遵守《饲料和饲料添加剂管理条例》、GB13078的要求)事实描述:2.12.3疾病发生与治疗(查看2009年春季1-2个养殖周期的记录,核查家禽家畜的疾病发生情况及治疗记录,病害名称、用药时间、次数、停药期[最后一次用药至销售间的时间])事实描述:2.12.4饲养条件(查看2-3个饲养现场,家禽家畜是否能自由出入及适当的活动场所)事实描述:2.13水产养殖:2.13.1水质情况(是否符合GB11607,且淡水养殖用水是否符合NY 5051要求,海水养殖用水是否符合NY 5052要求,核对检测报告或认证机构证明等)事实描述:2.13.2投入品的管理(渔苗、渔药、化学品、渔用饲料等投入品的使用记录)事实描述:2.13.3是否建立了从养殖成品到苗种的可追溯体系是□否□事实描述:2.13.4水产养殖管理(查看养殖计划、渔苗放养、转移管理、卫生管理、病害防治、病死养殖动物处理、药残控制、收获、冰的卫生、包装和运输、动物福利、灾害防治等文件和记录)事实描述:2.14 GAP产品和非GAP产品的存放(现场查看):存放在不同的专库:□在同一库内存放,采取了有效的隔离措施:□在同一库内存放,但没有有效的隔离措施:□事实描述:(三)试点验收组对试点企业企业的综合评价(对企业GAP生产管理状况做出评价,并对存在问题提出整改建议)试点验收组组成员签字(手签):签字时间:年月日。
培训主题《中华人民共和国药品管理法》及实施条例基础知识培训时间2013年8月25 授课地点会议室培训方式面授培训人总经理培训对象公司员工序号姓名序号姓名序号姓名1 25 492 26 503 27 514 28 525 29 536 30 547 31 558 32 569 33 5710 34 5811 35 5912 36 6013 37 6114 38 6215 39 6316 40 6417 41 6518 42 6619 43 6720 44 6821 45 6922 46 7023 47 71培训主题毒性药材知识介绍培训时间2013年9月11日授课地点会议室培训方式面授培训人采购经理培训对象公司员工序号姓名序号姓名序号姓名1 25 492 26 503 27 514 28 525 29 536 30 547 31 558 32 569 33 5710 34 5811 35 5912 36 6013 37 6114 38 6215 39 6316 40 6417 41 6518 42 6619 43 6720 44 6821 45 6922 46 7023 47 71培训主题白芍GAP基地应急事故处理及高温预防培训时间2013年9月24日授课地点大周村白芍GAP基地培训方式面授培训人药材种植部负责人培训对象白芍GAP基地管理人员、种植人员序号姓名序号姓名序号姓名1 25 492 26 503 27 514 28 525 29 536 30 547 31 558 32 569 33 5710 34 5811 35 5912 36 6013 37 6114 38 6215 39 6316 40 6417 41 6518 42 6619 43 6720 44 6821 45 6922 46 7023 47 71培训主题中药材GAP种植中的施肥技术培训时间2013年10月5日授课地点大周村白芍GAP基地培训方式面授培训人GAP生产负责人培训对象白芍GAP基地管理人员、种植人员序号姓名序号姓名序号姓名1 25 492 26 503 27 514 28 525 29 536 30 547 31 558 32 569 33 5710 34 5811 35 5912 36 6013 37 6114 38 6215 39 6316 40 6417 41 6518 42 6619 43 6720 44 6821 45 6922 46 7023 47 71培训主题白芍GAP规范化种植技术培训时间2013年11月3日授课地点大周村白芍GAP基地培训方式面授培训人GAP生产负责人培训对象白芍GAP基地管理人员、种植人员序号姓名序号姓名序号姓名1 25 492 26 503 27 514 28 525 29 536 30 547 31 558 32 569 33 5710 34 5811 35 5912 36 6013 37 6114 38 6215 39 6316 40 6417 41 6518 42 6619 43 6720 44 6821 45 6922 46 7023 47 71培训主题白芍GAP田间管理技术培训时间2013年11月17日授课地点大周村白芍GAP基地培训方式面授培训人GAP生产负责人培训对象白芍GAP基地管理人员、种植人员序号姓名序号姓名序号姓名1 25 492 26 503 27 514 28 525 29 536 30 547 31 558 32 569 33 5710 34 5811 35 5912 36 6013 37 6114 38 6215 39 6316 40 6417 41 6518 42 6619 43 6720 44 6821 45 6922 46 7023 47 71培训主题白芍GAP基地病虫害防治技术培训时间2013年12月10日授课地点大周村白芍GAP基地培训方式面授培训人GAP生产负责人培训对象白芍GAP基地管理人员、种植人员序号姓名序号姓名序号姓名1 25 492 26 503 27 514 28 525 29 536 30 547 31 558 32 569 33 5710 34 5811 35 5912 36 6013 37 6114 38 6215 39 6316 40 6417 41 6518 42 6619 43 6720 44 6821 45 6922 46 7023 47 71培训主题内部审核程序培训时间2013年12月16日授课地点大周村白芍GAP基地培训方式面授培训人质检部长培训对象白芍GAP基地管理人员、种植人员序号姓名序号姓名序号姓名1 25 492 26 503 27 514 28 525 29 536 30 547 31 558 32 569 33 5710 34 5811 35 5912 36 6013 37 6114 38 6215 39 6316 40 6417 41 6518 42 6619 43 6720 44 6821 45 6922 46 7023 47 71培训主题基地员工健康、安全培训培训时间2014年3月2日授课地点大周村白芍GAP基地培训方式面授培训人总经理培训对象白芍GAP基地管理人员序号姓名序号姓名序号姓名1 25 492 26 503 27 514 28 525 29 536 30 547 31 558 32 569 33 5710 34 5811 35 5912 36 6013 37 6114 38 6215 39 6316 40 6417 41 6518 42 6619 43 6720 44 6821 45 6922 46 7023 47 71培训主题ChinaGAP认证标准条例认知培训时间2013年5月16日授课地点大周村白芍GAP基地培训方式面授培训人GAP生产负责人培训对象白芍GAP基地管理人员、种植人员序号姓名序号姓名序号姓名1 25 492 26 503 27 514 28 525 29 536 30 547 31 558 32 569 33 5710 34 5811 35 5912 36 6013 37 6114 38 6215 39 6316 40 6417 41 6518 42 6619 43 6720 44 6821 45 6922 46 7023 47 71培训签到表11培训主题ChinaGAP实施规程培训时间2014年3月11日授课地点大周村白芍GAP基地培训方式面授培训人GAP生产负责人培训对象白芍GAP基地管理人员、种植人员序号姓名序号姓名序号姓名1 25 492 26 503 27 514 28 525 29 536 30 547 31 558 32 569 33 5710 34 5811 35 5912 36 6013 37 6114 38 6215 39 6316 40 6417 41 6518 42 6619 43 6720 44 6821 45 6922 46 7023 47 71。
GAP体系相关记录表目录
文件发放登记表
有效文件和资料清单
部门受控文件清单
文件收到登记表
法律法规及相关标准清单
作废文件回收清单
文件和资料更改申请单
文件和资料更改申请单
文件和资料销毁申请单
文件销毁登记表
GAP体系记录清单
部门GAP记录清单
质量记录销毁记录
会议签到表
管理评审年度计划
管理评审年度计划
管理评审实施计划
管理评审实施计划
管理评审报告
年度培训计划
培训实施计划
资格鉴定书
资格鉴定书
培训记录表
职工健康检查登记表
职工登记表
设施验收单
设施管理卡
设施管理卡
设备台账
设施大修计划
设施大修记录
设施大修记录
设施使用部门:
设施维护管理记录
设施维护管理记录
基地农药机械管理表
采购单
采购单
供方评定记录表
合格供方名录
供方业绩评定表
监视和测量设备校准记录
监视和测量设备台账
监视和测量器具校准计划
植保产品清单
农药发放记录
农药出(入)库清单
防护服使用记录
喷雾器使用记录
基地农药施用记录
剩余药液、废液、药瓶、药袋处理记录表
基地灌水记录
肥料清单
肥料出(入)库清单。
(最新)良好农业规范GAP记录表格GAP体系相关记录表目录序号记录编号质量记录名称序号记录编号质量记录名称 001 DE-GAP-BG001 文件发放登记表 037 DE-GAP-BG037 植保产品清单 002 DE-GAP-BG002 有效文件和资料清单 038 DE-GAP-BG038 农药发放记录 003 DE-GAP-BG003 基地部受控文件清单 039 DE-GAP-BG039 农药出入库记录 004 DE-GAP-BG004 文件收到登记表040 DE-GAP-BG040 防护服发放记录 005 DE-GAP-BG005 法律法规及相关标准清单041 DE-GAP-BG041 喷雾器使用记录 006 DE-GAP-BG006 作废文件回收清单 042 DE-GAP-BG042 农药使用记录表 007 DE-GAP-BG007 文件和资料更改申请单 043 DE-GAP-BG043 剩余农药、废液、药瓶、药袋处理记录表 008 DE-GAP-BG008 文件和资料销毁申请单 044 DE-GAP-BG044 基地灌水记录 009 DE-GAP-BG009 文件销毁登记表 045 DE-GAP-BG045 肥料清单010 DE-GAP-BG010 GAP体系记录清单 046 DE-GAP-BG046 肥料出入库清单 011 DE-GAP-BG011 部门GAP记录清单 047 DE-GAP-BG047 肥料发放记录 012 DE-GAP-BG012 质量记录销毁记录 048 DE-GAP-BG048 基地肥料使用记录 013 DE-GAP-BG013 会议签到表 049 DE-GAP-BG049 农药化肥空包装袋回收记录 014 DE-GAP-BG014 管理评审年度计划 050 DE-GAP-BG050 种子处理记录 015 DE-GAP-BG015 管理评审实施计划 051 DE-GAP-BG051 繁殖材料处理记录 016 DE-GAP-BG016 管理评审报告 052 DE-GAP-BG052 基地环境保护计划表 017 DE-GAP-BG017 年度培训计划053 DE-GAP-BG053 基地安全日报表 018 DE-GAP-BG018 培训实施计划 054 DE-GAP-BG054 基地害虫控制监测表 019 DE-GAP-BG019 资格鉴定书 055 DE-GAP-BG055 病虫害种类调查表 020 DE-GAP-BG020 培训记录表 056 DE-GAP-BG056 垃圾处理记录 021 DE-GAP-BG021 职工健康检查登记表 057 DE-GAP-BG057 基地产品管理登记表 022 DE-GAP-BG022 职工登记表 058 DE-GAP-BG058 分包方基地登记表023 DE-GAP-BG023 设施验收单 059 DE-GAP-BG059 基地管理记录 024 DE-GAP-BG024 设施管理卡 060 DE-GAP-BG060 基地农资采购计划表 025 DE-GAP-BG025 设备台账 061 DE-GAP-BG061 主要客户一览表 026 DE-GAP-BG026 设施大修计划 062 DE-GAP-BG062 抱怨反馈记录表 027 DE-GAP-BG027 设施大修记录 063 DE-GAP-BG063 抱怨处理表 028 DE-GAP-BG028 设施维护管理记录 064 DE-GAP-BG064 顾客满意度调查表 029 DE-GAP-BG029 基地农药机械管理表 065 DE-GAP-BG065 年度GAP体系内审计划 030 DE-GAP-BG030 采购单 066 DE-GAP-BG066 GAP体系内部审核实施计划 031 DE-GAP-BG031 供方评定记录表 067 DE-GAP-BG067 不符合项报告032 DE-GAP-BG032 合格供方名录 068 DE-GAP-BG068 GAP体系内部审核报告 033 DE-GAP-BG033 供方业绩评定表 039 DE-GAP-BG069 应急准备和响应报告书 034 DE-GAP-BG034 监视和测量设备校准记录 040 DE-GAP-BG070 农场施药指导书 035 DE-GAP-BG035 监视和测量设备台账 041 DE-GAP-BG071 农场用肥指导书036 DE-GAP-BG036 监视和测量器具校准计划文件发放登记表文件名称文件编号版本数量发放时间发往部门发放编号收到人有效文件和资料清单修改状态文件编号文件名称版本数量备注1 2 3部门受控文件清单文件编号文件名称版本数量备注文件收到登记表日期文件名称文件编号发放编号保管人收回日期收回人法律法规及相关标准清单外来文件名称发布单位来源检索更新时间作废文件回收清单文件名称文件编号原发放编号原存放部门回收份数回收日期文件和资料更改申请单申请部门申请日期文件名称文件编号更改原因:更改方式: ? 手写 ? 换页 ? 其他:文件更改前的章节号及内容文件更改后的章节号及内容编制: 日期: 审批: 日期:文件和资料更改申请单申请部门申请日期文件名称文件编号更改原因:更改方式: ? 手写 ? 换页 ? 其他:文件更改前的章节号及内容文件更改后的章节号及内容编制: 日期: 审批: 日期:文件和资料销毁申请单申请部门申请日期销毁文件名称文件编号受控号范围销毁原因备注文件销毁登记表销毁文件资料名称文件编号受控号范围销毁时间销毁人GAP体系记录清单序号质量记录名称保存期保管部门备注部门GAP记录清单记录编号质量记录名称保存期保管部门备注质量记录销毁记录日期记录名称文件编号数量销毁人备注会议签到表会议名称会议时间应到人, 实到人记录人序号部门职务签名序号部门职务签名管理评审年度计划评审目的评审依据参加人员评审内容及时间安排编制时间审批时间管理评审年度计划评审目的评审依据参加人员评审内容及时间安排编制时间审批时间管理评审实施计划评审目的评审依据参加人员评审时间评审形式评审程序编制时间审批时间管理评审实施计划评审目的评审依据参加人员评审时间评审形式评审程序编制时间审批时间管理评审报告目的日期参加人员评审内容评审概况总体评价结论存在的主要问题及调整改进措施本报告附件批准人意见年度培训计划日期受培训部门参加培训人员培训内容考核方式备注培训实施计划培训班名称培训目的培训对象序号时间内容授课人地点时间办法考核人说明考核培训要求:按时参加不得缺席~特殊情况向部门负责人请假。
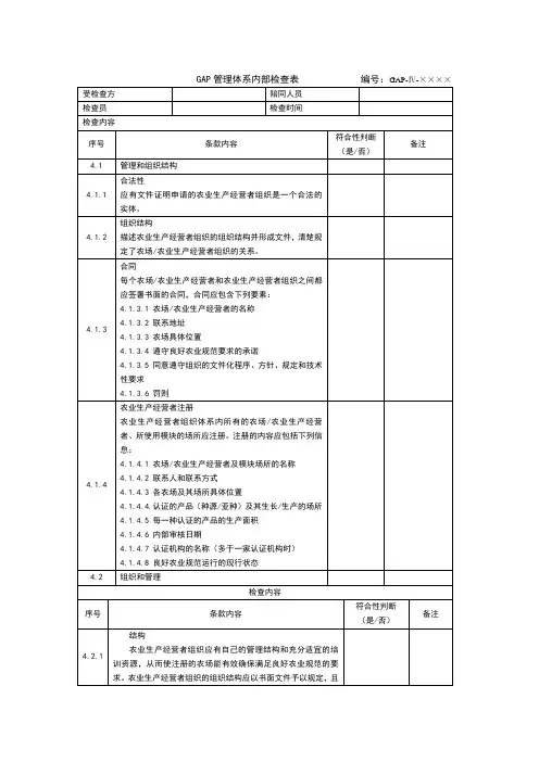
精品资料良好农业规范( GAP)认证质量管理体系检查表PMO单位名称(盖章):检查时间:检查人员:产品名称:检查范围(基地或农户):GAP 农业生产经营者组织(PMO )质量管理体系检查表1. 企业信息企业名称合同编号企业地址联系人农业生产经营者个数出口主要国家检查时间检查员申请类别□一级认证□二级认证认证产品:认证面积(亩):产量(吨):□大田作物□水果和蔬菜□茶叶检查类型□初次检查□监督检查□10%不通知检查□复评□扩项检查□其它GAP 检查范围产品序号作物名称种类种植面积(亩)是否有后续处理出口国家总面积:农业生产经营者列表在“ *”栏填写: A= 新加入; C= 有改变农业生产经营者注册号*业主名称地址种植产品名称种植面积(亩)如有需要可加附表。
在申请 GAP 认证区域内是否种植非GAP 产品□是□否产品名称:面积:销售区域:2.农业生产经营者组织质量管理体系检查表*本部分涉及的标准见《良好农业规范认证实施规则》附件 4 。
符合性:是:完全满足控制点的要求;否:没有满足控制点的要求;不适用:此条款不适用该农业生产经营者组织,需在备注栏填写不适用的理由。
条款控制点符合性备注2.1 管理和组织结构是否不适用2.1.1 合法性应有文件证明申请的农业生产经营者组织是一个合法的实体。
2.1.2 组织结构描述农业生产经营者组织的组织结构并形成文件,清楚规定了农场 / 农业生产经营者和农业生产经营者组织的关系2.1.3 合同每个农场 / 农业生产经营者和农业生产经营者组织之间都应签署书面的合同,合同应包含下列要素:(i)农场 / 农业生产经营者的名称(ii)联系地址(iii)农场具体位置(iv)遵守良好农业规范规定要求的承诺(v)同意遵守组织的文件化程序、方针、规定和技术性要求(vi)罚则2.1.4 农业生产经营者注册农业生产经营者组织体系内所有的农场/ 农业生产经营者、所有适用模块的场所应注册。
注册的内容应包括下列信息:(i) 农场 / 农业生产经营者及模块场所的名称(ii) 联系人和联系方式(iii) 各农场及其场所具体位置(iv) 认证的产品 (种源 / 亚种 )及其生长 / 生产的场所(v)每一种认证的产品的生产面积/ 畜禽数(vi) 内容审核日期(vii) 认证机构的名称(多于一家认证机构时)精品资料(viii) 良好农业规范运行的现行状态组织和管理 是 否 不适用 备注结构农业生产经营者组织应有自己的管理结构和充分适宜的培训资源从而使注册的农场能有效 确保满足良好农业规范的要求。
GAP大田作物/水果和蔬菜生产记录清单1、╳╳╳╳╳果园农事活动记录表格(整地,播种/种植,施肥,灌溉,修剪,打药,套袋,摘袋,采收,运输,包装,清洗,产品其他处理等)(全部适用)2、╳╳╳╳╳果园鼠害控制检查记录3、╳╳╳╳╳果园机械设备清洁、维修、保养、校准记录(施肥,打药,运输等用于GAP产品生产的机械设备)4、╳╳╳╳╳果园员工培训记录(包括农药和化肥的选择和使用,IPM,GAP标准,岗位工作内容,卫生标准操作规程,事故和紧急情况的处理规程,农场生产中员工健康安全保证方案,记录应包括培训证书复印件或参加培训人员的签到表)。
(全部适用)5、培训签到表6、╳╳╳╳╳果园员工健康、安全、福利问题讨论会会议记录表格7、╳╳╳╳╳果园GAP标准符合性问题抱怨记录表格8、╳╳╳╳╳果园室内╳╳育苗繁殖植物健康控制系统病虫害监控记录表格9、╳╳╳╳╳果园╳╳播种/种植记录表格10、╳╳╳╳╳果园繁殖材料处理记录表格11、╳╳╳╳╳果园土壤熏蒸记录12、╳╳╳╳╳果园基质消毒记录表格13、╳╳╳╳╳果园施肥记录表格14、╳╳╳╳╳果园灌溉记录表格15、╳╳╳╳╳果园植保产品使用记录表格16、╳╳╳╳╳果园植保产品剩余药液处理记录表格17、╳╳╳╳╳果园植保产品清洗药液处理记录表格18、╳╳╳╳╳果园收获物处理记录表格19、转基因产品种植、使用记录20、出入库记录(自加)21、销售记录(自加)1、╳╳╳╳╳果园农事活动记录表2、╳╳╳╳╳果园鼠害控制检查记录表3、╳╳╳╳╳果园机械设备清洁、维修、保养、校准记录表附:╳╳╳╳╳票据4、╳╳╳╳╳果园员工培训记录表附:1、╳╳╳╳╳果园╳╳╳课程培训签到表2、╳╳╳培训课程内容简介3、╳╳╳培训课程考试试卷4、╳╳╳培训证书5、培训人员签到表6、╳╳╳╳╳果园员工健康、安全、福利问题讨论会会议记录表附:培训人员签到表7、╳╳╳╳╳果园GAP标准符合性问题抱怨记录表8、╳╳╳╳╳果园室内╳╳育苗繁殖植物健康控制系统病虫害监控记录表格9、╳╳╳╳╳果园╳╳播种/种植记录表格10、╳╳╳╳╳果园繁殖材料处理记录表格11、╳╳╳╳╳果园土壤熏蒸记录12、╳╳╳╳╳果园基质消毒记录表格╳╳╳╳╳果园灌溉记录表格15、╳╳╳╳╳果园植保产品使用记录表格16、╳ ╳ ╳ ╳ ╳ 果园 植保产品剩余药液处理记录表格17、╳ ╳ ╳ ╳╳ 果园 植保产品清洗药液处理记录表格18、╳╳╳╳╳果园收获物处理记录表格。