常用机床及其参数
- 格式:doc
- 大小:1.05 MB
- 文档页数:10
机床参数无论是哪种型号的CNC系统都有大量的参数,少则儿百个,多则上千个,看起来眼花缭乱。
经过认真讨论,归纳起来又有肯定的共性可言,现供应其分类方式以做参考。
1、按参数的表示形式来划分,数控机床的参数可分为三类。
(1)状态型参数状态型参数是指每项参数的八位二进制数位中,每一位都表示了一种独立的状态或者是某种功能的有无。
例如FANUCO-TD系统的1号参数项中的各位所表示的就是状态型参数。
(2)比率型参数比率型参数是指某项参数设置的某几位所表示的数值都是某种参量的比例系数。
例如FANUCO—TD系统的512、513、514号参数项中每项的八位所表示就是比率型参数。
(3)真实值参数真实值参数是表示某项参数是直接表示系统某个参数的真实值。
这类参数的设定范围一般是规定好的,用户在使用时肯定要留意其所表示的范围,以免千百万设定参数的参数超出范围值。
例如FANUCO—TD系统的522、523、524、525号参数项中每项的八位所表示的就是比率参数。
2、按参数本身的性质可分为两类(1) 一般型参数凡是在CNC制造厂家供应的资料上有具体介绍参数均可视为一般型参数。
这类参数只要按着资料上的说明弄清含义,能正确、敏捷应用即可。
(2)隐秘级参数隐秘级参数是指数控系统的生产厂在各类公开发行的资料所供应的参数说明中,均有一些参数不做介绍,只是在随机床所附带的参数表中有初始的设定值,用户搞不清其具体的含义。
假如这类参数发生转变,用户将不知所措,必需请厂家专业人员进行维护和修理。
西门子840D主要参数意译西门子8 4 0 D的主要参数释义文字一、通道机床数据20000通道名称20050几何轴•通道轴的安排20060通道中的几何轴名称20070通道中机床轴号20220通道中的通道轴名称20220主导主轴的号20222主轴旋转的使能/使能取消20224轴运行的M运行(西门子模式)20225轴运行的M功能(外部模式)20226 T, M刀具地址代号转变20228在MMC上显示轴20220带面对轴功能的几何轴20228大事驱动程序调用的设置20229 Prog-Events 的属性20220 RESET复位时的基本功能设置20222 NC启动的基本功能设置20224方式转变中断了MDI20226带读限制的中断程序关闭20227带信号的中断程序关闭20228几何轴转变自动使能20220复位时刀具生效20221复位的预选刀具20222 RESET复位/启动和TC时刀具生效20223 RESET 时$P_USEKT 的预选值20224刀具夹持装置号20226 RESET复位时刀架生效20228换刀在搜寻中20220 RESET复位时刀沿生效20222有效总偏差复位20220用复位健使转换生效。
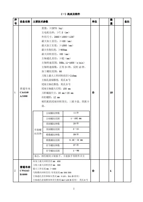
(一)机床及附件
重量:≥2070(kg)
主电机功率:≥7.5(kw)
外形尺寸:2668×1000×1267
最大加工直径:≥400(mm)
最大加工长度:≥1000(mm)
最大车削长度:≥900mm
最大回转直径:400(mm)
主轴通孔直径:≥52(mm)
主轴转速范围:50Hz,11-1600(r/min)
主轴转速级数:正传24种;反转12种。
加工螺纹范围:66
刀架上最大工件回转直径≥210mm
主轴孔前端锥度:莫氏6号
尾座主轴孔锥度:莫氏5号
尾座主轴最大行程:150 mm
刀杆截面尺寸:25 mm×25 mm
丝杠螺距:12 mm
相匹配的尾座回转顶尖、三抓卡盘、四抓卡盘。
车削螺纹范围公制螺纹种数44种
公制螺纹范围1-192 mm 英制螺纹种数20种
英制螺纹范围2-24
模数螺纹种数39种
模数螺纹范围0.25-48 mm 径节螺纹种数37种
径节螺纹范围1-96
备注:相匹配的刀架扳手、卡盘扳手等附件齐全
(三)焊机及附件
品牌/型号:INSIZE/英示/4831-20 精度:±1°
型号:4831-20
品牌:INSIZE/英示
规格:4831-20
测量范围:0-20mm
(四)数控仿真编程及附件
数控仿真编程室CAD/CAM(3个室:30人;30人;60人)
(五)刀具刀柄。
61125数控车床参数61125数控车床是一种常见的数控加工设备,它具有多种参数和特性。
首先,让我们从机床的基本参数开始:1. 加工直径,61125数控车床通常具有加工直径的参数,这是指它能够加工的工件的最大直径范围。
这个参数通常是车床的重要参考指标之一。
2. 加工长度,这个参数指的是数控车床能够加工的工件的最大长度范围,也是评价车床加工能力的重要参数之一。
3. 主轴转速,主轴转速是指数控车床主轴的旋转速度范围,通常以转/分或者r/min为单位。
主轴转速的范围将影响到车床的加工适用范围,比如对于不同材料的加工需要不同的转速。
4. 主轴孔径,主轴孔径是指数控车床主轴的孔径大小,这个参数将决定车床能够加工的材料直径范围。
5. 主电机功率,主电机功率是指数控车床主轴驱动电机的功率大小,通常以千瓦(kW)为单位。
主电机功率的大小将直接影响车床的加工能力和效率。
6. X、Z轴行程,X、Z轴行程是指数控车床在X、Z方向上的行程范围,它决定了车床能够加工的工件尺寸范围和加工精度。
7. 快进速度,快进速度是指数控车床在空转状态下X、Z轴的最大移动速度,它影响了车床的加工效率。
8. 定位精度,定位精度是指数控车床在加工过程中的定位精度,这个参数直接关系到加工零件的尺寸精度和加工质量。
此外,61125数控车床还可能具有其他特殊的参数和功能,比如自动换刀、刀具库容量、冷却系统等。
这些参数和功能将根据具体的车床型号和厂家而有所不同。
总的来说,61125数控车床作为一种常见的数控加工设备,具有多种参数和特性,用户在选购和使用时需要根据实际加工需求进行综合考虑。
机床参数普通车床数控车床说明:该系列机床品种规格齐全,可以实现轴类、盘类的内外表面,锥面、圆弧、螺纹、镗孔、铰孔加工,也可以实现非圆曲线加工。
立式数控车床X8126万能工具铣床说明:工具铣床主要用于模具和工具制造,配有立铣头、万能角度工作台和插头等多种附件,还可进行钻削、镗削和插削等加工。
X6325摇臂万能铣床X6332万能摇臂铣床ZX6350钻铣床ZX50C钻铣床主要结构特点:ZX50C钻铣床可实现立、卧铣两种加工功能;立式主轴套筒具有手动和微动两种进给;ZX50C钻铣床X、Y、Z三方向导轨副超音频淬火后磨削;ZX50C钻铣床工作台X Y、Z三方向机动进给。
ZX50C钻铣床主要技术参数ZX50CZX50C钻铣床钻孔最大直径(mm)50ZX50C钻铣床端铣最大宽度(mm)100ZX50C钻铣床立铣最大直径(mm)25ZX50C钻铣床镗孔最大直径(mm)120ZX50C钻铣床最大攻丝直径(mm)M16ZX50C钻铣床主轴端面至工作台距离(mm)38-430ZX50C钻铣床主轴转速范围(r.p.m)40-1400ZX50C钻铣床主轴行程(mm)120ZX50C钻铣床工作台尺寸(mm)900×240ZX50C钻铣床工作台行程(mm)500×250ZX50C钻铣床外型尺寸(mm)1100×970×1650ZX50C钻铣床电动机功率(kw)1.5/2.2ZX50C钻铣床净重/毛量(kg) 500/610T68卧式镗床机床用途:本机床是万能性的机床,适用于机器制造业的各种孔和平面的加工。
特别适用于加工黑色金属零件。
由于机床上具有平旋盘径向刀架,故能镗削尺寸较大的孔和平面。
本机床还可以单独的或借增加一定的工艺装备,在各种大、中型零件如变速箱、减速箱及曲轴箱体等进行精度较高的钻、镗、扩及铰孔等工作。
由于机床主轴的钢性较强,除使用平旋盘进行铣削外,还可以在主轴上安装铣刀来进行铣削。
沈阳一机CA6136系列普通车床(数控系统: FANUC 0i )参考价钱:35800.00元宝鸡机床厂CK7525系列数控车床 (数控系统: FANUC 0i )参考价钱:¥ 50000 .00技术规格床身上最大回转直径 mm φ360 床鞍上最大回转直径 mm φ210 马鞍槽内回转直径 mm 马鞍槽内有效利用长度mm 最大加工长度mm 650/850 主轴孔 mm φ53 主轴头型式 mm C6主轴正转 r/min 12级正37-1600 主轴反转 r/min 6级反102-1570横向进给种数 mm 40 纵向进给种数 mm 40 横向进给范围 mm 0.04-1.28 纵向进给范围mm0.05-1.6 螺纹种类公制英制 模数 径节 加工螺纹种数种1929 14 24 加工螺纹范围mm0.5-101 3/4-40 1/n"0.25-5 3 1/2-80 π/n"刀架横向行程 mm 200 小刀架行程 mm 120 尾台套筒外圆直径 mm 55 尾台套筒移动量 mm 140 主电机功率 kW 4 机床重量(净重/毛重) kg 1400/2450 机床外形尺寸(长×宽×高)mm 1992×1000×1170 2242×1000×1170 包装箱尺寸mm2300×1300×1595 2550×1300×1595汉川机床厂XK715D数控立式铣床(数控系统:FANUC 0i)参考价钱:¥ 180000 .00主要规格及技术参数宝鸡加工中心VMC850B(数控系统:FANUC 0i)参考价钱:¥ 260000 .00品牌/型号:宝鸡机床厂/VMC850B 重量:5000(kg)主电机功率:7.5(kw)界面语言:中文主轴转速范围:0-6000(rpm)定位精度:0.01刀具数量:16 三轴行程(X*Y*Z):800X500X550 动力类型:电动布局形式:立式作用对象:五金适用行业:通用产品类型:全新是否库存:是类型:立式加工中心详细信息主轴电机功率(连续kW 5.5/7.5/15min.过载)主轴最高转速r/min8000X轴左右行程mm800Y轴前后行程mm500Z轴上下行程mm550主轴端至工作台面距离mm105-655主轴中心至立柱导轨距离mm550X、Y 轴快速移动速度m/min16Z轴快速移动速度m/min12最大切削进给速度mm/min10000刀库容量pcs16/20/24最大刀具重量kg8定位精度mm±0.008重复定位精度mm±0.003气源流量L/min250气压Mpa0.6机床毛重kg5500机床净重kg5000外形尺寸(长×宽×高)mm2700X2300X2630沈阳一机vmc850b加工中心(数控系统:FANUC 0i)参考价钱:¥ 260000 .00。
1.机床主要技术参数:(1)尺寸参数:床身上最大回转直径:400mm刀架上的最大回转直径:200mm主轴通孔直径:40mm主轴前锥孔:莫式6号最大加工工件长度:1000mm(2)运动参数:根据工况,确定主轴最高转速有采用YT15硬质合金刀车削碳钢工件获得,主轴最低转速有采用W16Cr4V 高速钢刀车削铸铁件获得。
nmax= = 23.8r/min nmin= =1214r/min根据标准数列数值表,选择机床的最高转速为1180r/min,最低转速为26.5/min公比取1.41,转速级数Z=12。
(3)动力参数:电动机功率4KW 选用Y112M-4型电动机2.确定结构方案:(1)主轴传动系统采用V带、齿轮传动;(2)传动形式采用集中式传动;(3)主轴换向制动采用双向片式摩擦离合器和带式制动器;(4)变速系统采用多联滑移齿轮变速。
3.主传动系统运动设计:(1)拟订结构式:1)确定变速组传动副数目:实现12级主轴转速变化的传动系统可以写成多种传动副组合:A.12=3*4 B. 12=4*3 C。
12=3*2*2D.12=2*3*2 E。
12=2*2*3方案A、B可节省一根传动轴。
但是,其中一个传动组内有四个变速传动副,增大了该轴的轴向尺寸。
这种方案不宜采用。
根据传动副数目分配应“前多后少”的原则,方案C是可取的。
但是,由于主轴换向采用双向离合器结构,致使Ⅰ轴尺寸加大,此方案也不宜采用,而应选用方案D2)确定变速组扩大顺序:12=2*3*2的传动副组合,其传动组的扩大顺序又可以有以下6种形式:A.12=21*32*26 B。
12=21*34*22C.12 =23*31*26 D。
12=26*31*23E.22*34*21 F。
12=26*32*21根据级比指数非陪要“前疏后密”的原则,应选用第一种方案。
然而,对于所设计的机构,将会出现两个问题:①第一变速组采用降速传动(图1a)时,由于摩擦离合器径向结构尺寸限制,使得Ⅰ轴上的齿轮直径不能太小,Ⅱ轴上的齿轮则会成倍增大。
TND360数控车床的技术参数
(1)机床的主要技术规格
床身上最大工件回转直径 360mm
横滑板上回转直径 160mm 最大工件长度 800mm 刀架行程纵向 810mm
横向 205mm
主轴孔通过最大棒料直径 60mm
主电动机(直流)功率 27kW
主轴箱变速级数 2
极比 4.15 主轴转速(无级)?级 7,800r/min
级 800,3150r/min 最大进给速度 10m/min 刀架快速移动速度 10m/min 最大进给力纵向 800N
横向 5000N 转塔刀架刀具安装数 8
相邻刀位转位时间 1s
尾座套筒直径×行程85mm ×110mm
尾座套筒压紧力 90000N (2)机床数控系统TX,8的主要级数规格
控制轴数 2轴,联动2轴
插补方式直线/圆弧
直径最小增量 0.001mm 纵向最小增量 0.001mm 固定循环:纵车、端面、锥度等 11种
刀具补偿 36组
工件程序存储 8K/24K或32种零件程序
最大间隙补偿值?510μm
图形显示(CRT) 12英寸每帧80格×20行
程序格式可变符地址程序格式主轴控制可实现恒切削速度控制。
机床参数普通车床数控车床说明:该系列机床品种规格齐全,可以实现轴类、盘类的内外表面,锥面、圆弧、螺纹、镗孔、铰孔加工,也可以实现非圆曲线加工。
立式数控车床X8126万能工具铣床说明:工具铣床主要用于模具和工具制造,配有立铣头、万能角度工作台和插头等多种附件,还可进行钻削、镗削和插削等加工。
X6325摇臂万能铣床X6332万能摇臂铣床ZX6350钻铣床ZX50C钻铣床主要结构特点:ZX50C钻铣床可实现立、卧铣两种加工功能;立式主轴套筒具有手动和微动两种进给;ZX50C钻铣床X、Y、Z三方向导轨副超音频淬火后磨削;ZX50C钻铣床工作台X Y、Z三方向机动进给。
ZX50C钻铣床主要技术参数ZX50CZX50C钻铣床钻孔最大直径(mm)50ZX50C钻铣床端铣最大宽度(mm)100ZX50C钻铣床立铣最大直径(mm)25ZX50C钻铣床镗孔最大直径(mm)120ZX50C钻铣床最大攻丝直径(mm)M16ZX50C钻铣床主轴端面至工作台距离(mm)38-430ZX50C钻铣床主轴转速范围(r.p.m)40-1400ZX50C钻铣床主轴行程(mm)120ZX50C钻铣床工作台尺寸(mm)900×240ZX50C钻铣床工作台行程(mm)500×250ZX50C钻铣床外型尺寸(mm)1100×970×1650ZX50C钻铣床电动机功率(kw)1.5/2.2ZX50C钻铣床净重/毛量(kg) 500/610T68卧式镗床机床用途:本机床是万能性的机床,适用于机器制造业的各种孔和平面的加工。
特别适用于加工黑色金属零件。
由于机床上具有平旋盘径向刀架,故能镗削尺寸较大的孔和平面。
本机床还可以单独的或借增加一定的工艺装备,在各种大、中型零件如变速箱、减速箱及曲轴箱体等进行精度较高的钻、镗、扩及铰孔等工作。
由于机床主轴的钢性较强,除使用平旋盘进行铣削外,还可以在主轴上安装铣刀来进行铣削。
常用CNC机床钻孔攻丝切削参数1. 切削速度(Cutting Speed)切削速度指的是工件表面上一点在单位时间内被切除的长度。
对于钻孔操作来说,切削速度可以用来控制钻头进给速度,通常以每分钟一些距离(mm/min)或每转一些距离(mm/rev)表示。
切削速度的选择应根据工件材料和刀具的硬度来确定。
2. 进给量(Feed Rate)进给量指的是工件和刀具之间相对运动过程中,刀具在单位时间内沿工件轴向移动的距离。
对于钻孔操作来说,进给量决定了钻孔的深度和速度,通常以每分钟一些距离(mm/min)表示。
进给量的选择应根据工件材料、刀具类型和加工要求来确定。
3. 主轴转速(Spindle Speed)主轴转速指的是主轴每分钟旋转的圈数,通常以转/分钟(rpm)表示。
主轴转速的选择应根据刀具直径、材料硬度和加工要求等因素来确定。
较小的刀具直径可选择较高的主轴转速,而大直径刀具则需要较低的转速。
4. 切削深度(Depth of Cut)切削深度指的是刀具进入工件的深度。
对于钻孔操作来说,切削深度由工件材料和创allenge参数所限制。
在进行钻孔操作时,应确保切削深度不超过钻头长度的80%,以避免过度切削,造成负载过大和刀具损坏。
5. 降刀速度(Plunge Rate)降刀速度指的是刀具从工件表面向下进入工件的速度。
对于钻孔操作来说,降刀速度通常选择较低的数值,以避免切削过快而导致刀具容易折断。
6. 切削液(Cutting Fluid)切削液是进行钻孔、攻丝和切削等操作时必不可少的润滑剂。
切削液的使用可以减少摩擦、冷却刀具、切削表面以及清洁切屑等功能,从而提高加工质量和刀具寿命。
除了上述参数,还有一些与具体机床和刀具相关的参数也需要考虑,例如进给速度、切削角度、切削力等。
在选择这些参数时,需要根据具体的工件和加工要求来进行调整,以保证加工质量和生产效率。
总结起来,CNC机床钻孔、攻丝和切削参数的选择应考虑工件材料、刀具类型、加工要求等因素,并结合实际应用进行合理调整。
机床主要技术参数1.机床主要技术参数:(1)尺寸参数:床身上最大回转直径:400mm刀架上的最大回转直径:200mm主轴通孔直径:40mm主轴前锥孔:莫式6号最大加工工件长度:1000mm(2)运动参数:根据工况,确定主轴最高转速有采用YT15硬质合金刀车削碳钢工件获得,主轴最低转速有采用W16Cr4V 高速钢刀车削铸铁件获得。
nmax= = 23.8r/min nmin= =1214r/min根据标准数列数值表,选择机床的最高转速为1180r/min,最低转速为26.5/min公比取1.41,转速级数Z=12。
(3)动力参数:电动机功率4KW 选用Y112M-4型电动机2.确定结构方案:(1)主轴传动系统采用V带、齿轮传动;(2)传动形式采用集中式传动;(3)主轴换向制动采用双向片式摩擦离合器和带式制动器;(4)变速系统采用多联滑移齿轮变速。
3.主传动系统运动设计:(1)拟订结构式:1)确定变速组传动副数目:实现12级主轴转速变化的传动系统可以写成多种传动副组合:A.12=3*4 B. 12=4*3 C。
12=3*2*2D.12=2*3*2 E。
12=2*2*3方案A、B可节省一根传动轴。
但是,其中一个传动组内有四个变速传动副,增大了该轴的轴向尺寸。
这种方案不宜采用。
根据传动副数目分配应“前多后少”的原则,方案C是可取的。
但是,由于主轴换向采用双向离合器结构,致使Ⅰ轴尺寸加大,此方案也不宜采用,而应选用方案D2)确定变速组扩大顺序:12=2*3*2的传动副组合,其传动组的扩大顺序又可以有以下6种形式:A.12=21*32*26 B。
12=21*34*22C.12 =23*31*26 D。
12=26*31*23E.22*34*21 F。
12=26*32*21根据级比指数非陪要“前疏后密”的原则,应选用第一种方案。
然而,对于所设计的机构,将会出现两个问题:①第一变速组采用降速传动(图1a)时,由于摩擦离合器径向结构尺寸限制,使得Ⅰ轴上的齿轮直径不能太小,Ⅱ轴上的齿轮则会成倍增大。
B5032D插床万能回转头立式铣床产品信息型号:X5225规格:250*1120本机结构及参数,仅供参考,如有变动,解释权属厂家所有。
产品说明:·主轴三节头设计,并可在套筒内做进给运动,可实现轴线任意角度的组合和加工,特别适合于斜孔斜槽的加工。
· X、Y、Z三向机械式进给,并可快速移动,提高工作效率。
·结构合理,性能优越,可完成钻、镗及平面、斜面、沟槽铣削,配置相应附件,可铣削螺旋槽、圆弧面、齿条、齿轮、花键等。
万能回转头铣床产品信息型号:X6232规格:320*1320技术参数:工作台工作面尺寸:320*1320;T型槽数:3T型槽宽度:18mmT型槽间度:60mm工作台行程:纵*横*垂(手/机) 700/680*300/280*400/360主轴孔锥度: 7:24主轴序号: ISO No:40回转铣头回转角度: 任意角度回转铣头前后手动移动距离:480mm卧铣主轴中心线至工作台面距离:35-400mm(装刀杆支架时)卧铣主轴中心线至工作台面距离:0-795mm(不装刀杆支架时)立铣主轴端面至工作台面距离:10-360mm立铣主轴中心线至床身垂直导轨面距离:20-500mm床身垂直导轨面至工作台面中心距离:210-490mm主轴转数级数:12主轴转速范围:40-1950 r/min工作台进给量级数:9工作台纵横向进给范围:15-430mm/min工作台垂直进给量范围:5-143mm/min工作台纵横向快速移动量:3070mm/min工作台垂向快速移动量:1023mm/min主电动机功率:5.5kw主传动电动机转速:1440r/min进给电机功率:1.5kw进给电动机转速:1400r/min冷却泵电动机功率:0.085kw冷却泵电动机流量:20L/min外型尺寸:2000*2100*2300mm机床重量:3000kg(本机结构及参数,仅供参考,如有变动,解释权属厂家所有。
B5032D插床
加工范围B5032D
最大插销长度3200mm
工件最大加工尺寸(长×宽) 600×320mm
工件最大重量500kg
最大切削力7500N
滑枕每分钟往复次数20,32,50,80
滑枕垂直调整距离315mm
滑枕倾斜角度0-8°
刀头支承面至床身前壁间距离600mm
插刀最大尺寸(长×宽) 25×40mm
工作台直径630mm
工作台面至滑架下端间距离490mm
工作台最大纵向移动距离620mm
工作台最大横向移动距离56mm
工作台纵横机动进给范围0.08-1.21mm
工作台回转机动进给范围0.052°-0.783deg
主电动机功率4kw
主电动机转速960r.p.m
机床轮廓尺寸(长×宽×高) 2290×1525×2285mm 机床重量(约) 3500kg
万能回转头立式铣床
产品信息
型号:X5225
规格:250*1120
技术参数:工作台面积250x1120 mm
纵向行程560 mm
横向行程200 mm
垂向行程400 mm
主轴孔锥度ISO30(7:24)
主轴转速范围30-1600(12)
主电机功率 2.2 kw
滑枕行程350 mm
主轴套筒行程60 mm
铣头回转角度360°
进给速度范围5-300 mm/min
进给快速移动700-2000 mm/min
进给电机功率0.75 kw
本机结构及参数,仅供参考,如有变动,解释权属厂家所有。
产品说明:·主轴三节头设计,并可在套筒内做进给运动,可实现轴线任意角度的组合和加工,特别适合于斜孔斜槽的加工。
· X、Y、Z三向机械式进给,并可快速移动,提高工作效率。
·结构合理,性能优越,可完成钻、镗及平面、斜面、沟槽铣削,配置相应附件,可铣削螺旋槽、圆弧面、齿条、齿轮、花键等。
万能回转头铣床
产品信息
型号:X6232
规格:320*1320
技术参数:工作台工作面尺寸:320*1320;
T型槽数:3
T型槽宽度:18mm
T型槽间度:60mm
工作台行程:纵*横*垂(手/机) 700/680*300/280*400/360
主轴孔锥度: 7:24
主轴序号: ISO No:40
回转铣头回转角度: 任意角度
回转铣头前后手动移动距离:480mm
卧铣主轴中心线至工作台面距离:35-400mm(装刀杆支架时)
卧铣主轴中心线至工作台面距离:0-795mm(不装刀杆支架时)
立铣主轴端面至工作台面距离:10-360mm
立铣主轴中心线至床身垂直导轨面距离:20-500mm
床身垂直导轨面至工作台面中心距离:210-490mm
主轴转数级数:12
主轴转速范围:40-1950 r/min
工作台进给量级数:9
工作台纵横向进给范围:15-430mm/min
工作台垂直进给量范围:5-143mm/min
工作台纵横向快速移动量:3070mm/min
工作台垂向快速移动量:1023mm/min
主电动机功率:5.5kw
主传动电动机转速:1440r/min
进给电机功率:1.5kw
进给电动机转速:1400r/min
冷却泵电动机功率:0.085kw
冷却泵电动机流量:20L/min
外型尺寸:2000*2100*2300mm
机床重量:3000kg
(本机结构及参数,仅供参考,如有变动,解释权属厂家所有。
)
产品说明:1)主轴两节头设计,即可方便的实现立、卧铣转换及空间任意角度的组合,又使刚性比三节头有较大提高。
两节头上配置精密的定位销,确保立、卧铣转换的精确定位。
2)X、Y、Z三向机械进给,并可实现快速移动,提高工作效率。
3)结构设计合理,具极优的性价比。
配置分度头、回转太等可实现功能扩展。
(如铣斜面、螺旋槽、齿条、齿轮、花键等)
C6136A 大孔径
导轨面采用超音频淬火,周边磨削,具有精度高、耐磨性好等优点。
产品应用范围
本机床是一种适应性很强的普通车床,可以用于车削圆柱形、圆锥形的表面、端面
和内孔,以及多种公、英制螺纹,还可利用尾架钻空。
规格参数表
C 6136A 型普通车床(× 750mm × 1000mm × 1500mm )
主要技术参数( MAIN TECHNICAL SPECIFITION )
Y31系列立式滚齿机
Y31系列立式滚齿机。