机床的分类和型号
- 格式:ppt
- 大小:1002.00 KB
- 文档页数:18
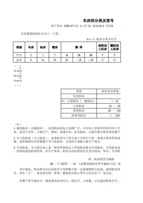
车床的分类及型号目前我国将机床分为十一大类。
表4—1 机床分类及代号(二)按机床工作精度分类1. 普通机床。
指的是普通级别的机床,包括:普通车床、钻床、镗床、铣床、刨插床等。
2. 精密机床。
主要包括:磨床、齿轮加工机床、螺纹加工机床和其他各种精密机床。
3. 高精度机床。
主要包括:坐标镗床、齿轮磨床、螺纹磨床、高精度滚齿机、高精度刻线机和其他高精度机床。
(三)按机床加工件大小和机床自身重量分类。
(四)按机床通用性分类1. 通用机床(万能机床)。
这类机床的加工范围广泛,可以加工多种零件的不同工序。
由于其通用性范围较广,它的结构往往比较复杂。
适用于单件、小批生产。
例如,普通车床、卧式镗床、万能升降台铣床等均属于通用机床。
2. 专门化机床(专门机床)。
这类机床专门用于加工不同尺寸的一类或几类零件的某一特定工序,如精密丝杠车床,凸轮轴车床,曲轴、连杆轴颈车床等都属于专门化机床,它适用于成批大量生产场合。
3. 专用机床。
专门用以加工某一种零件的特定工序的机床称为专用机床。
专用机床加工范围小,被加工零件稍有一点变动就不能适应。
结构较通用机床简单,但生产率高,机床自动化程度往往也比较高。
所以,专用机床一般在成批大量生产中选用。
四、机床的型号编制GB / T 15375 –94 《金属切削机床型号编制方法》是现行机床型号编制标准。
其中规定,机床型号由汉语拼音字母和数字按一定的规律组合而成。
通用机床的型号由基本和辅助部分组成,中间用“ / ”隔开,读作“之”。
基本部分统一管理,辅助部分纳入型号与否由生产厂家自定。
在整个型号规定中,最重要的是类代号、组代号、主参数,以及通用特性代号、结构特性代号。
(一)机床的类代号:表4—1(二)机床通用特性、结构特性代号1. 通用特性代号。
当某类型机床(除普通型外)还有某种通用特性时,则在类代号之后加通用特性代号予以区分。
表4—2 机床通用特性代号2. 结构特性代号。
对主参数值相同,而结构、性能不同的机床,在型号中增加结构特性代号予以区分,并用汉语拼音字母表示。
车床的分类及型号资产评估 2008-07-12 14:27:01 阅读1613 评论9 字号目前我国将机床分为十一大类。
表4—1 机床分类及代号 (二)按机床工作精度分类 1.普通机床。
指的是普通级别的机床,包括:普通车床、钻床、镗床、铣床、刨插床等。
2.精密机床。
主要包括:磨床、齿轮加工机床、螺纹加工机床和其他各种精密机床。
3.高精度机床。
主要包括:坐标镗床、齿轮磨床、螺纹磨床、高精度滚齿机、高精度刻线机和其他 (三)按机床加工件大小和机床自身重量分类。
(四)按机床通用性分类1.通用机床(万能机床)。
这类机床的加工范围广泛,可以加工多种零件的不同工序。
由杂。
适用于单件、小批生产。
例如,普通车床、卧式镗床、万能升降台铣床等均属于通用机床。
2.专门化机床(专门机床)。
这类机床专门用于加工不同尺寸的一类或几类零件的某一特轴、连杆轴颈车床等都属于专门化机床,它适用于成批大量生产场合。
3.专用机床。
专门用以加工某一种零件的特定工序的机床称为专用机床。
专用机床加工范。
结构较通用机床简单,但生产率高,机床自动化程度往往也比较高。
所以,专用机床一般在成批大量 四、机床的型号编制 GB / T 15375 – 94 《金属切削机床型号编制方法》是现其中规定,机床型号由汉语拼音字母和数字按一定的规律组合而成。
通用机床的型号开,读作“之”。
基本部分统一管理,辅助部分纳入型号与否由生产厂家自定。
在整个型号规定中,最重要的是类代号、组代号、主参数,以及通用特性代号、结构 (一)机床的类代号: (二)机床通用特性、结构特性代号1. 通用特性代号。
当某类型机床(除普通型外)还有某种通用特性时,则在类代号之后加通用特性代 表4—2 机床通用特性代号 2.结构特性代号。
对主参数值相同,而结构、性能不同的机床,在型号中增加结构特性代号予以区分,并用汉语拼音 结构特性代号用汉语拼音字母表示,如A、D、E、L、N、P、R、S、T、U、V、W、X、使用。
简述车床的型号及含义车床是目前工业生产和机械加工中常用的一种设备,用于加工各种螺纹、圆锥面、直径等工件。
车床按照功能、用途和结构形式的不同,可以分为各种不同类型的车床,每种车床都有自己的型号及相应的含义。
一、普通车床1、CW6163、CW6180、CW6194:这些车床的数码均表示机床的最大加工直径,例如CW6163即为1600mm加工直径的车床。
2、CW6263、CW6280、CW62100:这些车床主要用于加工重型工件,于此类车床的型号均表示机床床身的长度,例如CW6280即为机床床身长度为2800mm的车床。
3、CA6150、CA6250、CA6150B:这些车床是属于标准型卧式车床,其中各个数字的含义依次代表最大加工直径、最大加工长度、中心高度。
二、数控车床1、CK6136、CK6140、CK6150、CK6160:这些车床都是属于普通数控车床系列,各个数字的含义依次代表最大加工直径、最大加工长度、中心高度。
2、CK6130、CK6132、CK6150Z、CK6166Z:这些车床是数控车床系列中的高速车床,其中各个数字表示最大加工直径、最大加工长度、主轴转速。
3、CAK6130、CAK6150、CAK6166:这些车床属于普通数控车床系列中的卧式车床,其中各个数字表示最大加工直径、最大加工长度、中心高度。
三、多轴车床1、CXK250、CXK320、CXK400:这些车床为多轴车床,其中各个数字表示机床的最大加工长度。
2、CXK0632、CXK160、CXK180:这些车床也是表示多轴车床,各个数字分别表示机床的最大加工直径、最大加工长度、转轴个数。
总之,车床型号及相应含义的差异,是由于机床的结构、性能、功能等方面的不同,可以根据不同的加工任务和需求选择不同型号的车床。
普通机床的类别代号类别车床钻床镗床磨床齿轮加工机床螺纹加工机床铣床刨插床拉床特种加工机床锯床其他车床代号C Z T M 2M 3M Y S X B LD G Q读音车钻镗磨磨磨牙丝铣刨拉电割其机床型号应完整地表示出机床的名称、主要技术参数与性能。
目前我国机床型号是按GB/T 15375-1994 金属切削机床型号编制方法》编制的。
型号由基本部分和辅助部分组成,中间用“/” 隔开,读作“之”。
前者需统一管理,后者纳人型号与否由企业自定。
型号构成如下:由上述可知,机床型号是由汉语拼音字母和阿拉伯数字按一定的规律组合而成的。
例如:CM6132型精密卧式车床,型号中的字母和数字含义如下:(1)机床的类代号用大写的汉语拼音字母表示。
必要时,每类可分为若干分类。
机床的类代号,按其相对应的汉字字音读音。
机床的类和分类代号见下表(2)机床特性代号机床特性分为通用特性和结构特性。
1)通用特性代号用大写的汉语拼音字母表示,位于类代号之后。
例如 CK6140型车床。
K表示该车床具有程序控制特性,写在类别代号C之后。
通用特性代号有固定的含义,见下表。
2)结构特性它只在同类机床中起区分机床结构、性能不同的作用。
当型号中有通用特性代号时,结构特性代号排在通用特性代号之后,否则结构特性代号直接排在类代号之后。
例如 CA6140型卧式车床型号中的“A” 是结构特性代号,以区分与C6140型卧式车床主参数相同,但结构不同。
(3)机床的组、系代号每类机床划分为十个组,每个组又划分为十个系(系列),分别用一位阿拉伯数字表示,位于类代号或特性代号之后。
系代号位于组代号之后。
(4)机床的主参数代号机床主参数在机床型号中用折算值表示,位于组、系代号之后。
主参数等于主参数代号(折算值)除以折算系数。
例如卧式车床的主参数折算系数为1/10,所以CA6140型卧式车床的主参数为400mm。
常见机床的主参数名称及折算系数见下表。
机床名称主参数名称主要数折算系数卧式车床床身上最大回转直径1/10摇臂钻床最大钻孔直径1卧式坐标镗床工作台面宽度1/10外圆磨床最大磨削直径1/10立式升降台铣床工作台面宽度1/10卧式升降台铣床工作台面宽度1/10龙门刨床最大刨削宽度1/100牛头刨床最大刨削长度1/10(5)机床的重大改进顺序号当机床的结构、性能有更高的要求,并需按新产品重新设计、试制和鉴定时,按改进的先后顺序选用A、B、C、…等汉语拼音字母(但“I、O”两个字母不得选用),加在型号基本部分的尾部,以区别原机床型号。
车床的分类及型号目前我国将机床分为十一大类。
表4—1 机床分类及代号(二)按机床工作精度分类1.普通机床。
指的是普通级别的机床,包括:普通车床、钻床、镗床、铣床、刨插床等。
2.精密机床。
主要包括:磨床、齿轮加工机床、螺纹加工机床和其他各种精密机床。
3.高精度机床。
主要包括:坐标镗床、齿轮磨床、螺纹磨床、高精度滚齿机、高精度刻线机和其他高精度机床。
(三)按机床加工件大小和机床自身重量分类。
(四)按机床通用性分类1.通用机床(万能机床)。
这类机床的加工范围广泛,可以加工多种零件的不同工序。
由于其通用性范围较广,它的结构往往比较复杂。
适用于单件、小批生产。
例如,普通车床、卧式镗床、万能升降台铣床等均属于通用机床。
2.专门化机床(专门机床)。
这类机床专门用于加工不同尺寸的一类或几类零件的某一特定工序,如精密丝杠车床,凸轮轴车床,曲轴、连杆轴颈车床等都属于专门化机床,它适用于成批大量生产场合。
3.专用机床。
专门用以加工某一种零件的特定工序的机床称为专用机床。
专用机床加工范围小,被加工零件稍有一点变动就不能适应。
结构较通用机床简单,但生产率高,机床自动化程度往往也比较高。
所以,专用机床一般在成批大量生产中选用。
四、机床的型号编制GB / T 15375 – 94 《金属切削机床型号编制方法》是现行机床型号编制标准。
其中规定,机床型号由汉语拼音字母和数字按一定的规律组合而成。
通用机床的型号由基本和辅助部分组成,中间用“ / ”隔开,读作“之”。
基本部分统一管理,辅助部分纳入型号与否由生产厂家自定。
在整个型号规定中,最重要的是类代号、组代号、主参数,以及通用特性代号、结构特性代号。
(一)机床的类代号:表4—1(二)机床通用特性、结构特性代号1. 通用特性代号。
当某类型机床(除普通型外)还有某种通用特性时,则在类代号之后加通用特性代号予以区分。
表4—2 机床通用特性代号2.结构特性代号。
对主参数值相同,而结构、性能不同的机床,在型号中增加结构特性代号予以区分,并用汉语拼音字母表示。
机床分类及代号机床型号的编制GB/T15375-94是现行机床型号编制标准其中:(1)有“()”的代号或数字,当无内容时则不表示,若有内容则不带括号;(2)有“○”符号者,为大写的汉语拼音字母;(3)有“△”符号者,为阿拉伯数字;(4)有“”符号者,为大写的汉语拼音字母,或阿拉伯数字,或两者兼有之。
在整个型号规定中,最重要的是:类代号、组代号、主参数以及通用特性代号和结构特性代号。
(一)机床的类代号:见上表(二)特性代号:1.通用特性代号机床通用特性代号2.结构特性代号:对主参数相同,但结构、性能不同的机床,用结构特性代号予以区分,如A、D、E 等。
(三)机床的组系代号:同类机床因用途、性能、结构相近或有派生而分为若干组。
金属切削机床类、组划分表例如:C6落地及卧式车床C5立式车床,其中,C51单柱立式车床、C52双柱立式车床(四)机床主参数代号:反映机床加工性能的主要数据。
表4-4 常见机床主参数及折算系数其中,卧式镗床的主参数是主轴直径;拉床的主参数是额定拉力。
(五)机床型号举例CA6140 C车床(类代号)A结构特性代号6组代号(落地及卧式车床)1系代号(普通落地及卧式车床)主参数(最大加工件回转直径400mm)XKA5032A X铣床(类代号)K数控(通用特性代号)A(结构特性代号)50立式升降台铣床(组系代号)32工作台面宽度320mm(主参数)A第一次重大改进(重大改进序号)MGB1432 M磨床(类代号)G高精度(通用特性代号)B半自动(通用特性代号)14万能外圆磨床(组系代号)32最大磨削外径320mm(主参数)C2150×6C车床(类代号)21多轴棒料自动车床(组系代号)50最大棒料直径50mm(主参数)6轴数为6(第二主参数)。