热泵热水系统设计选型
- 格式:doc
- 大小:118.50 KB
- 文档页数:6
水源热泵系统设计一、水源热泵设备选型⒈一般情况下按空调冷负荷确定机组型号,对于热负荷高的地区要校核采暖负荷。
传统的系统——用较大的热负荷或冷负荷选择系统。
以出水温度35℃的制冷量或以出水温度18℃的制热量作为选择水源热泵机组的依据。
⒉无锅炉系统——用冷负荷选择水源热泵机组,房间的热损耗需用足够能量的电加热型加热器加以抵消。
⒊水系统进水温度选定原则:一般制冷为15~35℃,制热为10~32℃,国标规定制造商参数标定按制冷进出水温度30/35℃,热泵制热进出水温度20℃。
⒋水量及风量确定原则:一般每KW的水流量为0.19m3/h,风量为140~250m3/h。
⒌实际制冷量及制热量会因室内设计干、湿球温度的不同而有所变化,应根据室内设计干、湿球温度进行修正。
二、循环水系统设计水环系统通常有冷却塔、换热器、蓄热箱、辅助加热器、泵及相应管路组成。
水环水温控制范围一般为15~35℃,在此温度范围内,一般不需要开冷却塔或辅助加热器。
三、系统水流量设计水源热泵系统夏季需冷量的计算方法与其它系统相同。
根据需冷量和所需的冷却水温差,各台水源热泵装置的循环水量即可求出,在考虑到装置的同时使用系数,即可得到整个系统所要求的夏季总冷却循环水量。
一般来说,单一性质的建筑同时使用系数较高,综合性建筑则低一些。
另水源热泵装置的数量越多,同时使用系数越小,反之则越大。
同时使用系数可按以下原则来确定:⒈循环水量小于36 m3/h时,同时使用系数取0.85~0.9⒉循环水量为36~54 m3/h时,同时使用系数取0.85~0.85⒊循环水量大于54 m3/h时,同时使用系数取0.75~0.8以上原则中所提到的循环水量是指各装置所需水量的累计值,把此值乘以同时使用系数即可得到系统实际所需的总循环水量,并以此作为循环水泵、冷却塔的选型参数以及循环水总管径确定的依据。
四、系统形式水源热泵水路系统通常采用一次泵系统,运行简单、管理也比较方便。
空气源热泵设计选型与配置大全1.选择合适的热泵机型:根据需求确定热泵的制热能力、制冷能力和热水供应能力等参数。
通常,制热能力应能满足整个建筑物的供暖需求,制冷能力应能满足整个建筑物的制冷需求。
另外,还要考虑热水供应的需求,如家庭热水、游泳池热水等。
2.选择合适的热源温度:热泵的制热效果受到热源温度的影响。
一般来说,热源温度越高,制热效果越好。
但高热源温度会增加热泵的能耗,因此需要在制热效果和能耗之间进行权衡。
3.考虑周边环境条件:空气源热泵的性能也会受到周边环境条件的影响。
例如,在冷气候地区,热泵需要有较高的工作压力和供热温度,以满足低温条件下的供热需求。
另外,热泵的噪音也是一个需要考虑的因素,特别是在住宅区。
4.确定室内热水系统:根据热泵的热水供应能力,确定建筑物的热水系统的布置和容量。
例如,可以选择热水储存罐来存储热泵供应的热水,以满足高峰期的热水需求。
5.热泵的管道布置:在设计热泵系统时,需要合理布置热泵的管道系统,以减少能量损失。
管道的长度和直径要根据需要和热源的温度来确定。
另外,还需要考虑防冻措施,以防止冷气候地区的管道冻结。
6.考虑辅助能源:在一些情况下,热泵的制热效果可能不够理想,需要辅助能源来提高供暖效果。
例如,在极寒地区,可以考虑使用电辅助供暖器或地暖系统来增加热源温度。
7.安装和维护:在选型和配置之后,还要考虑热泵的安装和维护工作。
确保选择专业的安装人员进行安装,并进行定期的维护和清洁工作,以保证热泵系统的正常运行和高效性能。
综上所述,选择和配置空气源热泵需要考虑多个因素,包括热泵机型、热源温度、周边环境条件、室内热水系统、管道布置、辅助能源以及安装和维护等。
只有综合考虑这些因素,才能选型和配置出最合适的空气源热泵系统,实现高效、节能的供暖和热水供应。
空气能热泵热水系统的设计选型随着人们生活水平的提高,热水器在各个场所使用越来越广泛。
而选择中央热水工程方案首要考虑安全,同时要求管理方便、节能和环保。
空气源热泵热水机组没有燃烧,没有排放,没有易燃易爆触电等隐患,比各种锅炉、电热水器都安全。
又不像太阳能怕阴雨天和黑夜,能够全天侯工作。
机组自动运行可无人值守。
不仅初投资小,而且运行费用非常低,因此近年来空气能热水系统迅速发展。
空气源热泵热水设备是新一代的节能环保产品,符合当前建设节能社会的国策。
该系统采用热泵逆卡诺原理,从空气中的到大量免费热能,不但环保、安全、管理简单(全自动控制),而且不受天气影响全天候运行,是目前所有热水系统中综合经济性能最好的一种,可以节省可观的运行费用。
下面根据设计手册,和09版给排水技术措施对空气源热泵机组的设计选型做了单独整理。
一、热泵热水机组选用要求空气能热水机组热源是空气,其性能受环境影响较大,根据现有资料:1.环境温度低于-15℃时,大部分热水机阻不能正常启动。
这就要求热水机组使用区域要求适用地区冬季环境温度最低温度高于-15℃。
2.环境温度低于10℃时,热水机组制COP值开始衰减。
这意味着要满足用户要求,系统需要辅助热源。
这就加大了热水系统的能耗。
热水用水不经济。
由此可知空气源热泵热水机组适用于夏热冬暖地区。
根据我国气候条件,推荐在长江以南地区选用空气源热泵机组。
二、热水供水系统设计(一)计算参数1.热水用水定额2.冷水温度在计算热水系统的耗热量时,冷水温度应以当地最冷月平均水温资料确定。
无水温资料时,可按表6.2.1确定。
3.用水水温采用集中热水供应系统的住宅,配水点的水温不应低于45℃。
盥洗用、沐浴用和洗涤用的热水水温参见表6.2.3注意:集中热水供应系统中,在水加热设备和热水管道保温条件下,加热设备出口处与配水点的热水温度差,一般不大于10℃。
(二)热水量和耗热量的计算1.日耗热量和热水量的计算全日供热水的住宅、宿舍、别墅、招待所、培训中心、旅馆、宾馆、办公楼、医院住院部、养老院、幼儿园、托儿所(有住宿) 等建筑的集中热水供应系统的日耗热量、热水量可分别按下列公式计算:2.设计小时耗热量1 )全日集中热水供应的居住小区的设计小时耗热量按下列情况分别计算:a.当小区的公共建筑(如餐馆、娱乐设施等) 的最大用水时段与住宅的最大用水时段一致时,应按两者的设计小时耗热量叠加计算,设计小时耗热量计算见公式(6.4.2-1)b. 当小区内有与住宅的最大用水时段相同的公共建筑(如餐馆等) 和不相同的公共建筑(如办公用房等) ,则设计小时耗热量应为住宅与前者的设计小时耗热量加后者的平均小时耗热量计算。
珠海某大学学生宿舍热泵热水系统设计学院机械与车辆学院专业:姓名:指导老师:热能与动力工程学号:职称:110405021002教授中国·珠海二○一五年五月诚信承诺书本人郑重承诺:我所呈交的毕业论文《珠海某大学学生宿舍热泵热水系统设计》是在指导教师的指导下,独立开展研究取得的成果,文中引用他人的观点和材料,均在文后按顺序列出其参考文献,论文使用的数据真实可靠。
承诺人签名:日期:年月日珠海某大学学生宿舍热泵热水系统设计摘要在当代伴随着人们生活质量的提高,一系列的问题接踵而来。
生活水平的日益提高,人们逐渐对居住环境的要求也是越来越高。
与此同时人们对能源的需求量的增大逐渐成为一个话题,伴随着人们对能源需求的逐步增加,能源的供需质量与供需量的问题日益突出。
节能环保,以及人们对使用能源的要求,已成为当今社会迫切的问题。
当今社会的我们大量使用天然气、煤炭、石油等不可再生能源,同时在这些能源的使用时给我的环境也造成了严重的损坏,在人们对能源需求的日益增大的情况下,能源日渐枯竭,能源危机的问题也同样是人们必须严肃已待的。
在日常生活中消耗能源以换取我们必须的物质。
卫生热水就是我们日常生活中必不可缺的一项,随着生活水平的提高,人们对于日常所需也并不在那么吝啬。
随之而来的是人们对于卫生热水需求的增加,生活卫生热水的能耗也是日益加大。
那么如何降低热水系统的能耗,也成为人们日常生活中的不离口的问题,也是国家节能减排、环保的问题。
在科技日益发展的当今,更新换代的热水系统是通过将空气源热泵技术应用在其上,达到新一代热水系统的应用标准,空气源热泵热水系统将取代使用传统能源的热水系统。
更好的节能、环保等优势及其一身空气源热泵热水系统。
在追求实用的同时对能源的消耗也是干净清洁的能源,可以大大减小当代对传统能源需要的压力。
本设计《珠海某大学大学学生宿舍热泵热水系统》选取北京理工大学珠海学院第36栋宿舍楼进行设计。
通过根据舒适、实用、便于学校管理的原则,并且充分的考虑节能以及环保的要求,通过对各式多样的热水系统进行原则分析以及经济分析和节能环保分析,结合我校的第36栋学生宿舍的热水使用情况,本设计采用空气源热泵热水系统,以其进行我校的第36栋学生宿舍的空气源热泵热水系统的整个设计。
地暖循环水泵选型方法和实例计算地暖循环水泵是地暖系统中的核心设备,负责将水循环送至地暖管路,通过热交换将热量传递至室内。
选对合适的地暖循环水泵对地暖系统的性能和运行效果至关重要。
下面将介绍地暖循环水泵的选型方法,并结合实例进行计算。
1.地暖系统的总热负荷计算:根据地暖系统的设计面积、室内温度、地暖管路长度等因素,计算出地暖系统需要的总热负荷。
2.地暖管路的阻力计算:根据地暖管路的长度、直径、材质等参数,计算出地暖管路的阻力,并确定地暖系统的最大供水压力。
3.地暖循环水泵的性能参数:根据地暖系统的总热负荷和管路阻力,确定地暖循环水泵的流量和扬程要求。
一般来说,地暖循环水泵的流量应略大于地暖系统的总热负荷,加上一定的余量;扬程则应大于地暖管路的最大阻力。
4.地暖循环水泵的选择:根据地暖循环水泵的性能参数,选择合适的水泵型号。
一般来说,地暖循环水泵应具备较高的效率、低噪声、长寿命等特点。
下面结合一个实例进行地暖循环水泵的选型计算:假设一个地暖系统的设计面积为200平方米,室内温度为20℃,管路总长度为200米,管径为20mm,地暖系统的设计供水温度为40℃,回水温度为35℃。
根据地暖系统的设计参数,可以进行以下计算:1.地暖系统的总热负荷计算:2.地暖管路的阻力计算:地暖管路的阻力=管路长度×管路阻力系数=200米×0.1Pa/米=20Pa。
3.地暖循环水泵的性能参数:4.地暖循环水泵的选择:根据地暖循环水泵的性能参数,选择流量略大于1.05m³/h,扬程略大于31.5Pa的水泵型号。
需要注意的是,在实际选型过程中,还应考虑地暖循环水泵的品牌、效率、噪声、可靠性等因素,并与地暖系统的其他设备进行匹配,以确保地暖系统的正常运行。
总之,地暖循环水泵的选型方法主要包括总热负荷计算、管路阻力计算、水泵性能参数计算和水泵选择。
通过合理计算和选择,可以确保地暖系统的性能和运行效果。
浅谈宿舍热泵热水系统计算和设备选型摘要:本文通过某中学宿舍生活热水系统工程实例对集中热水供应系统设计涉及到的设计参数的选取、耗(供)热量计算和主要设备选型等问题进行阐述和探讨。
关键词:定时集中热水供应系统;空气源热泵;设计小时耗(供)热量;设备选型;建筑生活热水供应系统是现代生活必不可少的重要设施,也是耗能较大的设施之一。
学校学生宿舍管路设计较为复杂,且用水高峰时间较为集中,对集中热水供应系统设计要求更高。
现以一工程实例阐述宿舍集中热水供应系统的相关计算和主要设备选型。
(一)工程概况该项目为江门市骏凯豪庭中小学校(全日制学校),位于江门新会。
项目分别由中学综合楼、小学综合楼、教学楼、体育馆、幼儿园和配套公建组成。
其中中学综合楼和小学综合楼的宿舍采用集中热水供应系统。
因两栋建筑相距较远,且相对独立,故各自设置独立热水系统。
现以中学宿舍为例进行相关计算和设备选型(小学宿舍热水系统类同)。
中学综合楼首层为饭堂,2~4层为宿舍,共117间宿舍,每间宿舍10人,属III、IV类宿舍(最高日热水用水定额40~80L/人*日),总住宿人数1170人。
每间宿舍内有两个淋浴间(蹲位设于淋浴间内)、两个盥洗盆。
系统供应淋浴、盥洗用热水。
(二)系统选择通过对不同类型热水系统的能耗和投入成本对比分析,最终选用空气源热泵供热水方式。
因江门地区最冷月平均气温不彽于10℃,故不需设置辅助热源。
为使系统冷热水供水压力平衡、降低能耗,系统采用闭式承压保温水箱蓄热。
蓄热水箱及加热设备设于天面。
因最高日用热水量大于30m3,故在天面热水回水管上设置膨胀罐。
热水管网采用同程布置,确保用水点能及时出热水,避免造成不必要的浪费。
(三)空气源热泵的选型中学宿舍用水特别集中,主要集中在17:00~19:00、21:00~22:00两个时段,其中17:00~22:00热水用量占全天用水量的70%~80%以上,见下图:因宿舍用水具有很明显特点:用水时间集中,洗漱时间短、学生多、用水器具少、热水采用IC卡收费,故实际可视为定时供应热水。
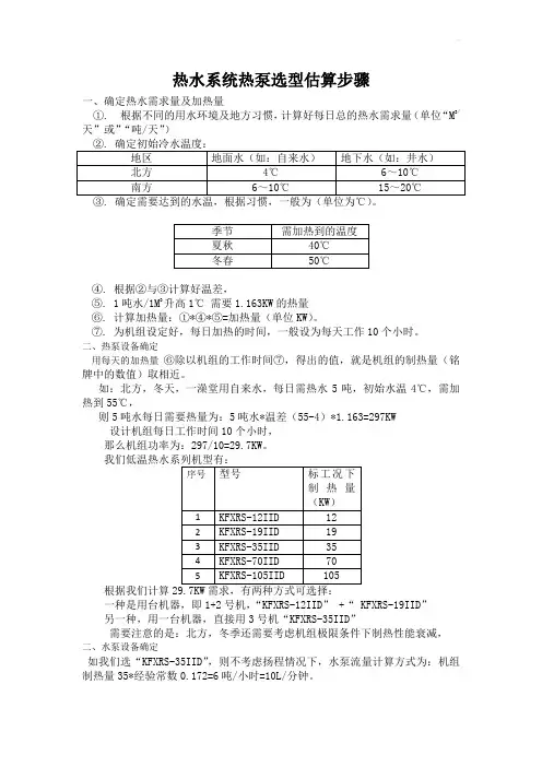
热水系统热泵选型估算步骤
一、确定热水需求量及加热量
①. 根据不同的用水环境及地方习惯,计算好每日总的热水需求量(单位“M3/天”或”“吨/天”)
④. 根据②与③计算好温差,
⑤. 1吨水/1M3升高1℃需要1.163KW的热量
⑥. 计算加热量:①*④*⑤=加热量(单位KW)。
⑦. 为机组设定好,每日加热的时间,一般设为每天工作10个小时。
二、热泵设备确定
用每天的加热量⑥除以机组的工作时间⑦,得出的值,就是机组的制热量(铭牌中的数值)取相近。
如:北方,冬天,一澡堂用自来水,每日需热水5吨,初始水温4℃,需加热到55℃,
则5吨水每日需要热量为:5吨水*温差(55-4)*1.163=297KW 设计机组每日工作时间10个小时,
那么机组功率为:297/10=29.7KW。
根据我们计算
一种是用台机器,即1+2号机,“KFXRS-12IID” +“ KFXRS-19IID”
另一种,用一台机器,直接用3号机“KFXRS-35IID”
需要注意的是:北方,冬季还需要考虑机组极限条件下制热性能衰减,二、水泵设备确定
如我们选“KFXRS-35IID”,则不考虑扬程情况下,水泵流量计算方式为:机组制热量35*经验常数0.172=6吨/小时=10L/分钟。
热泵热水系统方案书地址:联系电话:日期:传真:E-mail:网址:目录一、公司简介二、产品介绍三、工程概况四、方案设计五、热水系统特点及控制系统介绍六、工程预算表七、运行成本分析八、机组安装九、组织与施工十、工程验收与售后服务保障一、公司简介广东长菱空调冷气机制造有限公司位于闻名中外的中国家电之都——广东顺德,是一家专业研发空气能热泵热水器的国家高新技术企业。
公司从2001年开始生产热泵产品,并拥有强大的研发、制造、销售产品的实力。
目前已拥有自主研发的商用热泵热水机、家用热泵热水器两大类及多个系列的产品和几十项高新技术专利。
产品上市以来,因其优越的性价比、高度的稳定性、精良的工艺水平,备受商家与消费者推崇;特别是外置盘管水箱专利技术(国家专利编号:200620054459.0 200620062214.2),大大推动了整个热泵行业的发展。
广东长菱建立实施并通过了ISO9001质量管理体系、ISO14001环境管理体系国际标准的认证,并于2006年牵头制定了区域性联盟标准SD02-2006《空气源热泵热水器》,随后又承担《家用和类似用途热泵热水器》国家标准制定副组长单位。
作为国内首批进入热泵行业的长菱,依然坚持不断进行技术研发工作。
其最新研发的低温热泵机,在零下20度的环境中能够正常运行,同时在零下15度的环境中的COP值依然能超过2.0。
目前这种低温热泵已经广泛运用到中国长江以北区域。
长菱公司诚挚希望与广大关注环保、关注能源的有识之士通力合作,共同为建设资源节约型、环境友好型社会作出应有的贡献,为造福人类尽绵薄之力!公司部分荣誉:国家高新技术企业广东省名牌产品广东省著名商标全国工业产品生产许可证中国空气能热水器制造10强企业第二名中国空气能热水器制造十大著名名牌中国节能认证产品联合国注册供应商采用国际标准产品标志证书中国空气能热水器行业十佳品牌广东省重点新产品广东省高新技术产品广东省节能标志产品广东省自主创新产品《家用及类似用途热泵热水器》国家标准起草副组长单位ISO9001:2008,ISO14001:2004认证……长菱生产设备采用先进的进口配套设施,如日本AMADA数控冲床、数控折边机、激光切割机等等。
热水供应系统(以采用空气源热泵机组为例)
1、设备选型
根据《建筑给水排水设计规范》(GB50015)进行设备选型,相关参数按规范取值。
(1)空气源热泵设计小时供热量Qg按下式计算:
Qg=k1mqrC(tr-tl)ρr /T1
式中:
Qg—空气源热泵设计小时供热量(kJ/h);
qr—热水用水定额(L/人·d);
m—用水计算单位人数;
tr—热水温度,一般取60℃;
t1—冷水温度,一般取7℃;
T1—热泵机组设计工作时间(h/d);
k1—安全系数。
(2)热水供应系统设计小时耗热量按下式计算:
Qh=khmqrC(tr-tl)ρr /T
式中:
Qh—设计小时耗热量(kJ/h);
qr—热水用水定额(L/人·d);
m—用水计算单位人数;
tr—热水温度,一般取60℃;
t1—冷水温度,一般取7℃;
T—每日使用时间(h/d);
kh—小时变化系数。
热水系统选型数据计算汇总详见示例表4-43。
2、设备初选
根据示例表4-43中机组设计小时供热量选型项目热水系统设备,机组性能参数汇总情况见示例表4-44(以采用空气源热泵机组为例)。
空气源热泵热水系统方案空气源热泵热水系统是一种环保、节能的供暖热水系统,它利用空气中的热能来加热水,不仅可以满足家庭和商业热水的需求,还可以节约能源,减少碳排放。
本文将对空气源热泵热水系统的方案进行详细介绍,包括系统原理、设计要点、安装注意事项和运行维护等方面。
首先,空气源热泵热水系统的原理是利用空气中的热能通过热泵循环工作原理,将低温热能转换为高温热能,从而加热水。
其工作原理类似于制冷空调,但是在制冷空调的基础上增加了热水供暖功能。
通过这种方式,可以实现高效的热水供应,并且不会产生二氧化碳等温室气体,符合环保节能的要求。
其次,设计空气源热泵热水系统时需要考虑的要点有很多。
首先是系统的选型,需要根据实际用水量和使用环境来选择合适的热泵型号和容量。
其次是系统的布局和管道设计,要保证热泵和水箱的安装位置合理,管道布局合理,以提高系统的热效率。
另外,还需要考虑系统的辅助设备,如循环泵、水泵、水箱等的选择和配置。
在安装空气源热泵热水系统时,需要注意的事项也很多。
首先是要选择专业的安装团队,他们需要具备相关的资质和经验,保证安装质量。
其次是要根据设计要求进行安装,保证设备的安全性和稳定性。
另外,还需要对系统进行调试和检测,确保系统的正常运行。
最后,对于空气源热泵热水系统的运行维护也非常重要。
在系统运行过程中,需要定期对设备进行检查和维护,及时发现和解决问题,保证系统的正常运行。
另外,还需要做好系统的清洗和保养工作,延长设备的使用寿命,提高系统的运行效率。
综上所述,空气源热泵热水系统是一种环保、节能的供暖热水系统,其设计、安装和运行维护都需要重视。
只有在这些方面都做好的情况下,才能保证系统的正常运行和高效供热供水。
希望本文的介绍能够对大家有所帮助,谢谢阅读!。
空气能热泵热水器的应用及选型热水用量的确定2.1.热水用水定额法日用水量=最高日用水定额(L)×使用单位2.2.热水用水量根据生活用热水定额来确定,热水用水定额有两种:一种是根据建筑物的使用性质和内部卫器具的完善度程度来确定,其水温按60℃计算;二是根据建筑物使用性质和内部卫生器具的单位用水量来确定。
热水用水定额表3.3冷水的计算温度,应以当地最冷水平均水温资料确定。
当无水温资料时,可按表 3.5采用。
冷水计算温度表3.5加热热水所需热量应按下式计算:Q=CMΔT式中: Q ——需要的总热量(单位:大卡);M ——热水用水量(单位:吨);C —— 1000 kg/m3 ;ΔT——设计出水温度 - 冷水进水温度(℃);2.4、选型台数:台数=1.163Q/(q×t);q——单台空气源热泵制热能力KW;t——加热时间,一般取12小时;2.5、PHNIX直热式空气源产品型号三、应用案例3.1、工程概述本工程位于广东省广州,项目名称为广州体育学院宿舍空气源热泵热水系统工程,宿舍350人,每人用水50L,热泵、水箱等设备均放在楼顶层,用热水温度:55℃。
3.2、设计范围与原则1)、设计范围宿舍热水供应,热水水温55℃,本方案设计范围为屋面热泵主机、水箱、水泵等热水系统部分。
室内冷、热水管网及淋浴龙头不在本次设计范围内。
2)、设备选用原则考虑经济、节能、环保等要求,宜采用空气源热泵机组供应热水,保证用水温度及用水量,最大程度节能。
3.3、设计依据1)根据工程概述及要求;2)(建筑给排水设计手册);3)《给水排水设计基本术语标准》(GBJ125-89);4)《机电设备安装工程施工及验收规范》(TJ231);5)《电气装置安装工程低电器施工及验收规范》(GB50254);6)《自动化仪表安装工程质量检验评定标准》(GBJI31-90);7)(实用供热空调设计手册);8)(民用建筑空调设计技术措施);9)PHNIX空气源热泵机组的性能;10)国家现行的其他相关规范及措施。
热水系统设计一、热泵做方案需了解的信息
用水标准有特殊要求的请说明,否则按规范计算用水定额。
二、热泵选型参考数据
1、冷水计算温度表(表1)
2、广西省各类建筑物的热水定额表(表2)
3、广西2008年电费一览表(表3)
中央热水选型案例
一、工程概述
该建筑使用场所为酒店,共153间为标准客房,需要24小时提供生活55℃热水。
二、热负荷计算及机组选型
1、机组选型:
日用水量:30600 L/天
热量需求:Q=CM△T=1kcal/kg·℃×30600L/天×(55℃-15℃)=1224000Kcal (C=水的比热,M=用水量, △T=供应热水与自来水的温度差,冷水初始水温按冬季温度15℃考虑,热水出水水温为55℃)
在冬季环境温度10℃时,机组能满足系统负荷要求,加热时间一般为12~16小时。
则供水所需的总制热功率为:
P总= Q d÷860kcal/kw =1224000KcalKcal÷860kcal/kw
=1423kw
设定每天加热时间13小时,则
机组的制热功率为P
时= P
总
/T=1423kw /13=109kw
选择格力空气源热水热泵机组KFRS-36SM/AS(制热量36kw)3台即可满足要求.机组实际每天工作时间:
1423÷(36kw×3)=13.2小时
2、水箱选型:
配置2个8吨和1个5吨不锈钢保温水箱(按高峰期70%的用水量),内胆选用SUS304-2B不锈钢;50㎜聚氨脂发泡保温;外用彩钢板保温,可满足用水需求。
3、方案说明
水箱分为1个5吨加热水箱和2个8吨保温。
机组也分为加热机组和保温机组,2台用于加热,1台用于保温。
开始,加热水箱内补充进自来水,水满后机组启动开始加热。
当加热水箱内热水温度达到设定温度且保温水箱不再高水位时,放水电磁阀打开,热水流入储水箱。
之后,副水箱补充进自来水,重新开始加热。
这个过程,直至主水箱的热水到达预定水位,同时副水箱内热水温度到达设定温度为止,机组停机。
当储水箱的温度低于设定温度时,保温机组启动,加热至设定温度停机。
主机采用微电脑自动控制,可自动检测水箱温度,水箱温度达到设定值后自动停机,以最大限度节约能源。
机组配有完善的保护功能,适应各种恶劣的工作环境,无须专人值守,为业主节省人工费用。
4、水泵
热水循环泵,主要根据主机流量来确定水泵流量,放置于主机旁。
热水自动增压泵,因用水房间较多,故需要配备,具体根据房间的分布来定,以确保全部房间淋浴用水均启用时仍能维持正常流量。
但只有在客房用热水的时候,水泵才开始工作,无人用水则自动切断电源。
各种加热方式年运行费用对比
一、格力空气能热泵与传统热水器的比较
加热1吨热水的费用比较
1、年平均环境温度为20℃。
2、加热1000L热水。
3、热水由15℃加热到55℃,温升40℃。
4、整个加热过程所需热量为:1000L×40℃×1kcal/kg.℃=40000 kcal
二、费用计算
1、使用空气源热泵加热费用:
2400000kcal×70%
A=×0.9193元/度×365天=145662元/年
450%×860 kcal/kwh
2、使用燃油锅炉加热费用:
2400000kcal×70%
B=×7元/kg×365天=526029元/年
80%×10200 kcal/Kg
3、使用燃气锅炉加热费用:
2400000kcal×70%
C=×4.85元/ m³×365天=422446元/年80%×8800 kcal/m³
4、使用电锅炉加热费用:
2400000kcal×70%
D=×0.9193元/度×365天=689981元/年
95%×860 kcal/kwh。