JJG52-2013弹性元件式一般压力表、压力真空表和真空表检定规程的压力检定记录
- 格式:doc
- 大小:38.50 KB
- 文档页数:1
目的:建立弹性元件式一般压力表、压力真空表和真空表复检管理规定,确保弹性元件式一般压力表、压力真空表和真空表质量符合标准规定。
范围:适用于GMP有关弹性元件式一般压力表、压力真空表和真空表有效期/复验期的管理。
职责:仪表检定人员对此规定实施负责,质量管理部负责人监督检查。
程序:1.仪表检定人员严格按照JJG 52-2013 弹性元件式一般压力表、压力真空表和真空表检定规程实施检定。
2.JJG 52-2013 弹性元件式一般压力表、压力真空表和真空表检定规程如下:JJG 中华人民共和国国家计量检定规程JJG 52——2013弹性元件式一般压力表、压力真空表和真空表Elastic Element Pressure Gauges, Pressure-VacuumGauges and Vacuum Gauges for General Use2013-06-24发布 2013-12-24实施国家质量监督检验检疫总局发布2.1 范围本规程适用于弹性元件式一般压力表、压力真空表和真空表(以下简称压力表)的首次检定、后续检定和使用中检定。
2.2 引用文件本规程引用下列文件:JJF 1008-2008 压力计量名词术语及定义GB/T 1226-2010 一般压力表凡是注日期的引用文件,仅注日期的版本适用于基本规程;凡是不注日期的引用文件,其最新版本(包括所有的修改单)适用于本规程。
2.3术语和计量单位2.3.1 术语2.3.1.1 弹性元件式压力表(可统称:压力表)以弹性敏感元件为感压元件的测量压力的仪表。
【JJF 1008-2008 定义4.1】2.3.1.2 设定点偏差输出变量按规定的要求输出时,设定值与测得的实际值之差。
【JJF 1008-2008定义7.10】2.3.1.3 切换值位式控制仪表上行程(或下行程)中,输出从一种状态换到另一种状态时所测得的输入量。
【JJF1008-2008定义7.11】2.3.1.4 切换差同一设定点上、下行程切换值之差。
目的:建立弹性元件式一般压力表、压力真空表和真空表复检管理规定,确保弹性元件式一般压力表、压力真空表和真空表质量符合标准规定。
范围:适用于GMP有关弹性元件式一般压力表、压力真空表和真空表有效期/复验期的管理。
职责:仪表检定人员对此规定实施负责,质量管理部负责人监督检查。
程序:1.仪表检定人员严格按照JJG 52-2013 弹性元件式一般压力表、压力真空表和真空表检定规程实施检定。
2.JJG 52-2013 弹性元件式一般压力表、压力真空表和真空表检定规程如下:JJG 中华人民共和国国家计量检定规程JJG 52——2013弹性元件式一般压力表、压力真空表和真空表Elastic Element Pressure Gauges, Pressure-VacuumGauges and Vacuum Gauges for General Use2013-06-24发布 2013-12-24实施国家质量监督检验检疫总局发布2.1 范围本规程适用于弹性元件式一般压力表、压力真空表和真空表(以下简称压力表)的首次检定、后续检定和使用中检定。
2.2 引用文件本规程引用下列文件:JJF 1008-2008 压力计量名词术语及定义GB/T 1226-2010 一般压力表凡是注日期的引用文件,仅注日期的版本适用于基本规程;凡是不注日期的引用文件,其最新版本(包括所有的修改单)适用于本规程。
2.3术语和计量单位2.3.1 术语2.3.1.1 弹性元件式压力表(可统称:压力表)以弹性敏感元件为感压元件的测量压力的仪表。
【JJF 1008-2008 定义4.1】2.3.1.2 设定点偏差输出变量按规定的要求输出时,设定值与测得的实际值之差。
【JJF 1008-2008定义7.10】2.3.1.3 切换值位式控制仪表上行程(或下行程)中,输出从一种状态换到另一种状态时所测得的输入量。
【JJF1008-2008定义7.11】2.3.1.4 切换差同一设定点上、下行程切换值之差。
目的:建立弹性元件式一般压力表、压力真空表和真空表复检管理规定,确保弹性元件式一般压力表、压力真空表和真空表质量符合标准规定。
范围:适用于GMP有关弹性元件式一般压力表、压力真空表和真空表有效期/复验期的管理。
职责:仪表检定人员对此规定实施负责,质量管理部负责人监督检查。
程序:1.仪表检定人员严格按照JJG 52-2013 弹性元件式一般压力表、压力真空表和真空表检定规程实施检定。
2.JJG 52-2013 弹性元件式一般压力表、压力真空表和真空表检定规程如下:JJG 中华人民共和国国家计量检定规程JJG 52——2013弹性元件式一般压力表、压力真空表和真空表Elastic Element Pressure Gauges, Pressure-VacuumGauges and Vacuum Gauges for General Use2013-06-24发布 2013-12-24实施国家质量监督检验检疫总局发布2.1 范围本规程适用于弹性元件式一般压力表、压力真空表和真空表(以下简称压力表)的首次检定、后续检定和使用中检定。
2.2 引用文件本规程引用下列文件:JJF 1008-2008 压力计量名词术语及定义GB/T 1226-2010 一般压力表凡是注日期的引用文件,仅注日期的版本适用于基本规程;凡是不注日期的引用文件,其最新版本(包括所有的修改单)适用于本规程。
2.3术语和计量单位2.3.1 术语2.3.1.1 弹性元件式压力表(可统称:压力表)以弹性敏感元件为感压元件的测量压力的仪表。
【JJF 1008-2008 定义4.1】2.3.1.2 设定点偏差输出变量按规定的要求输出时,设定值与测得的实际值之差。
【JJF 1008-2008定义7.10】2.3.1.3 切换值位式控制仪表上行程(或下行程)中,输出从一种状态换到另一种状态时所测得的输入量。
【JJF1008-2008定义7.11】2.3.1.4 切换差同一设定点上、下行程切换值之差。
GMP-JJG 52弹性元件式一般压力表、压力真空表和真空表检定规定目的:建立弹性元件式一般压力表、压力真空表和真空表复检管理规定,确保弹性元件式一般压力表、压力真空表和真空表质量符合标准规定。
范围:适用于GMP有关弹性元件式一般压力表、压力真空表和真空表有效期/复验期的管理。
职责:仪表检定人员对此规定实施负责,质量管理部负责人监督检查。
程序:1. 仪表检定人员严格按照JJG 52-2013 弹性元件式一般压力表、压力真空表和真空表检定规程实施检定。
2. JJG 52-2013 弹性元件式一般压力表、压力真空表和真空表检定规程如下:JJG中华人民共和国国家计量检定规程JJG 52——2013弹性元件式一般压力表、压力真空表和真空表Elastic Element Pressure Gauges, Pressure-VacuumGauges and Vacuum Gauges for General Use2013-06-24发布2013-12-24实施国家质量监督检验检疫总局发布2.1 范围本规程适用于弹性元件式一般压力表、压力真空表和真空表(以下简称压力表)的首次检定、后续检定和使用中检定。
2.2 引用文件本规程引用下列文件:JJF 1008-2008 压力计量名词术语及定义GB/T 1226-2010 一般压力表凡是注日期的引用文件,仅注日期的版本适用于基本规程;凡是不注日期的引用文件,其最新版本(包括所有的修改单)适用于本规程。
2.3 术语和计量单位2.3.1 术语2.3.1.1 弹性元件式压力表(可统称:压力表)以弹性敏感元件为感压元件的测量压力的仪表。
【JJF 1008-2008 定义4.1】2.3.1.2 设定点偏差输出变量按规定的要求输出时,设定值与测得的实际值之差。
【JJF 1008-2008定义7.10】2.3.1.3 切换值位式控制仪表上行程(或下行程)中,输出从一种状态换到另一种状态时所测得的输入量。
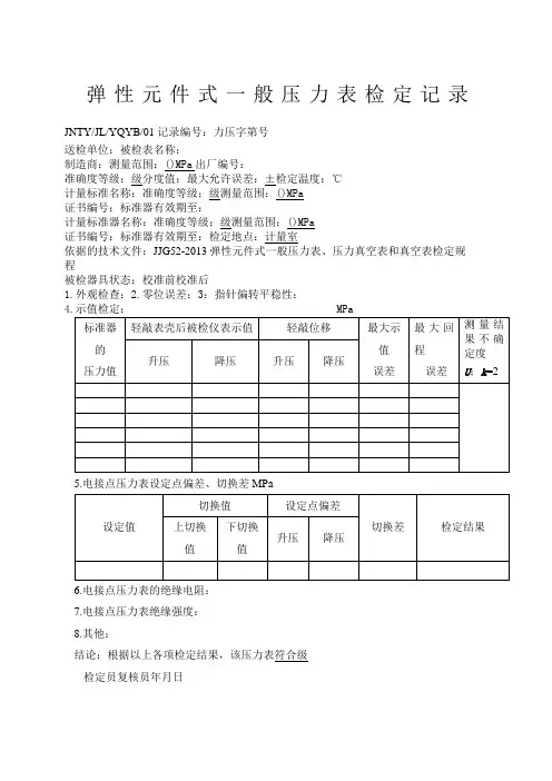
弹性元件式一般压力表检定记录
JNTY/JL/YQYB/01 记录编号:力压字第号
送检单位:被检表名称:
制造商:测量范围: ( )MPa 出厂编号:
准确度等级:级分度值:最大允许误差:±检定温度:℃计量标准名称:准确度等级:级测量范围: ( )MPa 证书编号:标准器有效期至:
计量标准器名称:准确度等级:级测量范围: ( )MPa 证书编号:标准器有效期至:检定地点:计量室
依据的技术文件:JJG52-2013弹性元件式一般压力表、压力真空表和真空表检定规程
被检器具状态:校准前校准后
1.外观检查:
2.零位误差: 3:指针偏转平稳性:
4.示值检定: MPa
5.电接点压力表设定点偏差、切换差MPa
6.电接点压力表的绝缘电阻:
7.电接点压力表绝缘强度:
8.其他:
结论:根据以上各项检定结果,该压力表符合级
检定员复核员年月日。
弹性元件式一般压力表检定记录
JNTY/JL/YQYB/01记录编号:力压字第号
送检单位:被检表名称:
制造商:测量范围:()MPa出厂编号:
准确度等级:级分度值:最大允许误差:±检定温度:℃
计量标准名称:准确度等级:级测量范围:()MPa
证书编号:标准器有效期至:
计量标准器名称:准确度等级:级测量范围:()MPa
证书编号:标准器有效期至:检定地点:计量室
依据的技术文件:JJG52-2013弹性元件式一般压力表、压力真空表和真空表检定规程
被检器具状态:校准前校准后
1.外观检查:
2.零位误差:3:指针偏转平稳性:
5.电接点压力表设定点偏差、切换差MPa
6.电接点压力表的绝缘电阻:
7.电接点压力表绝缘强度:
8.其他:
结论:根据以上各项检定结果,该压力表符合级
检定员复核员年月日。
弹性元件式一般压力表检定记录
JNTY/JL/YQYB/01记录编号:力压字第号
送检单位:被检表名称:
制造商:测量范围:()MPa出厂编号:
准确度等级:级分度值:最大允许误差:±检定温度:℃
计量标准名称:准确度等级:级测量范围:()MPa
证书编号:标准器有效期至:
计量标准器名称:准确度等级:级测量范围:()MPa
证书编号:标准器有效期至:检定地点:计量室
依据的技术文件:JJG52-2013弹性元件式一般压力表、压力真空表和真空表检定规程
被检器具状态:校准前校准后
1.外观检查:
2.零位误差:3:指针偏转平稳性:
4.示值检定:MPa
5.电接点压力表设定点偏差、切换差MPa
6.电接点压力表的绝缘电阻:
7.电接点压力表绝缘强度:
8.其他:
结论:根据以上各项检定结果,该压力表符合级检定员复核员年月日。
弹性元件式一般压力表的检定经验分析发布时间:2021-12-27T10:17:04.317Z 来源:《中国科技人才》2021年第22期作者:刘勇[导读] 弹性元件式一般压力表是计量领域最常见的计量器具,它的应用非常广泛。
广西壮族自治区桂林市恭城县计量检定测试所广西恭城【摘要】弹性元件式一般压力表是计量领域最常见的计量器具,它的应用非常广泛。
本文作者依据《JJG 52-2013 弹性元件式一般压力表、压力真空表和真空表检定规程》的有关规定,总结了弹性元件式一般压力表的检定经验分析,以便能对弹性元件式一般压力表更好地进行检定,对弹性元件式一般压力表的检定工作具有一定的参考意义。
【关键词】弹性元件式一般压力表;检定;经验1 概述弹性元件式一般压力表(以下简称压力表)是一种以弹性元素为敏感元件的压力测量仪表,其凭借准确性高、检测方便、操作简单的技术优势,在工业领域中的应用十分广泛。
同时,压力表属于国家强制检定的计量器具,国家市场监管总局要求压力表每半年进行一次计量检定。
压力表在实际计量检定和使用过程中,经常存在一些问题,从而对生产和生活造成一定的影响,为了有效保证压力表的工作和正常使用,提高安全性,需要定期对压力表进行计量检定,基于此,本文对压力表检定过程进行介绍,并从多个方面阐述了压力表检定中的细节,以便于更好地对压力表进行检定,提高压力表的检定水平。
2 弹性元件式一般压力表的检定经验分析严格按照检定规程进行检定检定人员要严格按照《JJG 52-2013 弹性元件式一般压力表、压力真空表和真空表检定规程》的要求进行检定,在各方面绝满足要求的前提下方可进行,决不能根据经验随意删减检定项目或者检定方法按照自己的经验来进行,检定过程中,标准表按照对线读数的方式进行检定,被检表按照估计读数的方式进行检定。
对于检定过程产生的误差,需要根据规范进行误差进行,并在误差检定操作后进行相关记录。
注意压力表的外观检查很多检定员都忽视压力表的外观检查,正确的做法是:在对压力表进行外观检查时,检定人员要对于检定的压力表的各部分零件装配进行仔细的检查,确保每个零件安装的牢靠,避免出现松动的问题,在对新的压力表进行检查的时候,还要对于压力表的表面覆盖的光洁面层进行仔细观察,一旦发现土层脱落现象,要及时的进行修复,避免影响压力机的美观性。
实用标准目的:建立弹性元件式一般压力表、压力真空表和真空表复检管理规定,确保弹性元件式一般压力表、压力真空表和真空表质量符合标准规定。
范围:适用于GMP有关弹性元件式一般压力表、压力真空表和真空表有效期/复验期的管理。
职责:仪表检定人员对此规定实施负责,质量管理部负责人监督检查。
程序:1.仪表检定人员严格按照JJG 52-2013 弹性元件式一般压力表、压力真空表和真空表检定规程实施检定。
2.JJG 52-2013 弹性元件式一般压力表、压力真空表和真空表检定规程如下:JJG 中华人民共和国国家计量检定规程JJG 52——2013弹性元件式一般压力表、压力真空表和真空表Elastic Element Pressure Gauges, Pressure-VacuumGauges and Vacuum Gauges for General Use文档大全2013-06-24发布 2013-12-24实施国家质量监督检验检疫总局发布2.1 范围本规程适用于弹性元件式一般压力表、压力真空表和真空表(以下简称压力表)的首次检定、后续检定和使用中检定。
2.2 引用文件本规程引用下列文件:JJF 1008-2008 压力计量名词术语及定义GB/T 1226-2010 一般压力表凡是注日期的引用文件,仅注日期的版本适用于基本规程;凡是不注日期的引用文件,其最新版本(包括所有的修改单)适用于本规程。
2.3术语和计量单位2.3.1 术语2.3.1.1 弹性元件式压力表(可统称:压力表)以弹性敏感元件为感压元件的测量压力的仪表。
【JJF 1008-2008 定义4.1】2.3.1.2 设定点偏差输出变量按规定的要求输出时,设定值与测得的实际值之差。
【JJF 1008-2008定义7.10】2.3.1.3 切换值位式控制仪表上行程(或下行程)中,输出从一种状态换到另一种状态时所测得的输入量。
【JJF1008-2008定义7.11】2.3.1.4 切换差同一设定点上、下行程切换值之差。
弹性元件式一般压力表检定记录
JNTY/JL/YQYB/01记录编号:力压字第号
送检单位:被检表名称:
制造商:测量范围:()MPa出厂编号:
准确度等级:级分度值:最大允许误差:土检定温度:C 计量标准名称:硏确度等级:级测量范围:—()MPa
证书编号:标准器有效期至:
计量标准器名称:准确度等级:级测量范围:()MPa
证书编号:标准器有效期至:检定地点:计量室
依据的技术文件:JJG52-2013弹性元件式一般压力表、压力真空表和真空表检定规程被检器具状态:校准前校准后
1.外观检查:
2.零位误差:3:指针偏转平稳性:
4.示值检定:MPa
5.电接点压力表设定点偏差、切换差MPa
6.电接点压力表的绝缘电阻:
7.电接点压力表绝缘强度:
8.其他:
结论:根据以上各项检定结果,该压力表符合级
检定员复核员年月日。
JJG52-2013弹性元件式⼀般压⼒表、压⼒真空表和真空表检定规程的压⼒检定记录
弹性元件式⼀般压⼒表检定记录
JNTY/JL/YQYB/01记录编号:⼒压字第号
送检单位:被检表名称:
制造商:测量范围:()MPa出⼚编号:
准确度等级:级分度值:最⼤允许误差:±检定温度:℃
计量标准名称:准确度等级:级测量范围:()MPa
证书编号:标准器有效期⾄:
计量标准器名称:准确度等级:级测量范围:()MPa
证书编号:标准器有效期⾄:检定地点:计量室
依据的技术⽂件:JJG52-2013弹性元件式⼀般压⼒表、压⼒真空表和真空表检定规程
被检器具状态:校准前校准后
1.外观检查:
2.零位误差:3:指针偏转平稳性:
4.⽰值检定:MPa
5.电接点压⼒表设定点偏差、切换差MPa
6.电接点压⼒表的绝缘电阻:
7.电接点压⼒表绝缘强度:
8.其他:
结论:根据以上各项检定结果,该压⼒表符合级检定员复核员年⽉⽇。
对JJG 52-2013《弹性元件式一般压力表、压力真空表和真空表检定规程》中耐压检定的探讨
辜卫国;杨敬磊
【期刊名称】《计量与测试技术》
【年(卷),期】2022(49)10
【摘要】弹性元件式压力表是将管道压力通过压力表弹性元件和传动机构在表盘上指示出现场压力的示值,广泛应用于生产企业、燃气管道。
涉及安全类的压力表属于强制检定仪表,在检定过程中,测量上限需耐压3min,而对于面大量广的压力表检定工作,很多人不解甚至觉得没有必要,本文将对此进行讨论。
【总页数】2页(P21-22)
【作者】辜卫国;杨敬磊
【作者单位】淮安市计量测试中心
【正文语种】中文
【中图分类】TB9
【相关文献】
1.检定弹簧管式一般压力表,压力真空表及真空表示值方法的探讨
2.JJG 52—2013《弹性元件式一般压力表、压力真空表和真空表》存在的问题探讨
3.浅析一般压力表、压力真空表和真空表检定依据的新旧规程对比
4.关于举办“JJG 913—2015《浮标式氧气吸入器》与JJG 926—2015《记录式压力表、压力真空表和真
空表》等6个国家计量检定新规程宣贯会”的通知5.压力表计量基础知识讲座第十讲弹性元件式一般压力表的检定(中)
因版权原因,仅展示原文概要,查看原文内容请购买。
JJG 52—2013《弹性元件式一般压力表、压力真空表和真空
表》存在的问题探讨
刘兰景;王蕾;王立新
【期刊名称】《铁道技术监督》
【年(卷),期】2017(045)002
【摘要】分析在实际压力表检定的工作中发现的JJG 52—2013《弹性元件式一般压力表、压力真空表和真空表》存在原始记录格式的不足、某项表述不够准确和内容的不完整等不足对实际工作的影响,提出如何改进和完善这些不足,为完善规程,更好地发挥规程对实际工作的指导作用提供参考.
【总页数】3页(P16-18)
【作者】刘兰景;王蕾;王立新
【作者单位】北京铁路局计量管理所石家庄计量站,河北石家庄 050000;北京铁路局计量管理所石家庄计量站,河北石家庄 050000;北京铁路局计量管理所石家庄计量站,河北石家庄 050000
【正文语种】中文
【中图分类】TB935
【相关文献】
1.检定弹簧管式一般压力表,压力真空表及真空表示值方法的探讨 [J], 许永根
2.弹性元件式精密压力表测量不确定度评定及CMC表示的探讨 [J], 薛战军;解岩
3.对弹性元件式一般压力表检定规程理解应用的探讨 [J], 魏群;陈海凌
4.弹性元件式一般压力表检定过程中几个问题的探讨 [J], 曹向宇
5.关于举办“JJG 913—2015《浮标式氧气吸入器》与JJG 926—2015《记录式压力表、压力真空表和真空表》等6个国家计量检定新规程宣贯会”的通知 [J],
因版权原因,仅展示原文概要,查看原文内容请购买。
一般压力表示值误差测量结果的不确定度评定1. 概述依据检定规定JJG52-2013《弹性元件式一般压力表、压力真空表和真空表》,弹性元件式一般压力表的检定一般是通过与精密压力表标准器直接比较测得。
由于标准表和被检表在同一连通管内,静压平衡压力相等,这样,被检表的示值误差根据被检表和标准表压力值相比较而测得。
本文以精密压力表的规格为YB-150 (0~1.6)MPa 、0.25级,被检一般压力表的规格为Y150 (0~1.6)MPa 、1.6级,最小分度值为0.02MPa 为例来进行评定。
2. 评定模型2.1 数学模型X N y P P =-式中 y —被检一般压力表的示值误差 单位:MPa X P —被检一般压力表的实际指示值 单位:MPa N P —精密压力表的示值 单位:MPa 2.2 灵敏系数11XyC P ¶==¶ 21NyC P ¶==-¶3. 不确定度来源3.1 被检一般压力表示值引起的标准不确定度分量:3.1.1 被检一般压力表示值测量重复性引起的不确定度分量 1.1u 3.1.2 被检一般压力表轻敲示值变动量引起的不确定度分量 1.2u 3.1.3 被检一般压力表示值估读引起的不确定度分量 1.3u 3.1.4 环境温度引起的不确定度分量 1.4u 3.1.5 数据修约引起的不确定度分量 1.5u3.2 精密压力表示值引起的标准不确定度分量2u 项,其主要由精密压力表的准确度引起的不确定度4. 标准不确定度分量的评定4.1 标准不确定度的A 类评定被检表示值测量重复性影响的不确定度分量 1.1u 的评定为了获得重复性测量的不确定度,对被检一般压力表在1MPa 点上进行10次重复测量(相同环境温度条件下),测得数据如下表:平均值 11ni i X X n ===å 1.008MPa单次测量标准差S =0.0027MPa实际测量取二次测量读数平均值,所以 1.1u =0.0019MPa 1.1u 的自由度 1.11101n n =-=-=94.2 标准不确定度的B 类评定4.2.1 被检一般压力表轻敲示值变动量引起的不确定度分量 1.2u 的评定一般压力表轻敲示值变动量是允许误差的1/2,误差分布遵从均匀分布,取包含因子K=3,所以()1.211 1.6%u ´==0.0046MPa 其估算值可靠性约25%,故自由度()21.2125%2n -=?84.2.2 被检一般压力表示值估读引起的不确定度分量 1.3u 的评定实际测量时,一般压力表的估读数为最小分度值的1/5,最小分度值为0.02MPa ,其估读为:0.004MPa ,误差分布遵从均匀分布,取包含因子K=3,所以1.3u =0.0023MPa 其估算值可靠性约25%,故自由度()21.3125%2n -=?84.2.3 环境温度引起的不确定度分量 1.4u 的评定依据检定规程,一般压力表的检定温度为(20±5)℃,温度影响所产生的最大误差为K t (t-20)P ,这里温度系数K t =0.0004/℃,P=1.6MPa ,Δt =2,误差分布遵从均匀分布,取包含因子K=3,所以1.4u 创=0.0007MPa其估算值可靠,故自由度 1.4n4.2.4 数据修约引起的不确定度分量 1.5u 的评定检定结果修约至被检一般压力表估读值(即分度值的1/5),其修约误差为估读值的1/2,误差分布遵从均匀分布,取包含因子K=3,所以1.5110.02u 创=0.0012 MPa其修约间隔可靠,故自由度 1.5n4.2.5 标准不确定度分量2u 项的评定精密压力表示值的最大允许误差为:±(0.25%×1.6)=±0.004MPa ,误差分布遵从正态分布,取包含因子k =2.58,所以20.0042.58u ==0.0016MPa 其估算可靠,故自由度 1.5n5. 合成标准不确定度的评定5.1 不确定度分量一览表5.2 合成标准不确定度的评定因被测一般压力表所引入的各不确定度分量i u 彼此独立,互不相关,由合成标准不确定度公式:()()221ncc i u y u y ==å,所以c u ===0.0058MPa 44444441.11.21.31.41.521.11.21.31.41.52c c u v u u u u u u νννννν=+++++=196. 扩展不确定度的评定6.1 c u 的有效自由度eff νc eff νν==19 以eff ν=19,置信概率P=0.95,查t 分布表得:K=2.096.2 扩展不确定度的U 的计算 U=K ·U C =2.09×0.0058=0.0121 MPa7. 测量不确定度报告1.6级弹性元件式一般压力表示值误差测量结果扩展不确定度为:U =0.0121MPa , e f f ν=19 P=0.95。
.
. 弹性元件式一般压力表检定记录
JNTY/JL/YQYB/01 记录编号:力压字第号
送检单位:被检表名称:
制造商:测量范围: ( )MPa 出厂编号:
准确度等级:级分度值:最大允许误差:±检定温度:℃计量标准名称:准确度等级:级测量范围: ( )MPa 证书编号:标准器有效期至:
计量标准器名称:准确度等级:级测量范围: ( )MPa 证书编号:标准器有效期至:检定地点:计量室
依据的技术文件:JJG52-2013弹性元件式一般压力表、压力真空表和真空表检定规程
被检器具状态:校准前校准后
1.外观检查:
2.零位误差: 3:指针偏转平稳性:
4.示值检定: MPa
5.电接点压力表设定点偏差、切换差MPa
6.电接点压力表的绝缘电阻:
7.电接点压力表绝缘强度:
8.其他:
结论:根据以上各项检定结果,该压力表符合级
检定员复核员年月日。