《铁路货运技术》第二次作业解析
- 格式:doc
- 大小:237.00 KB
- 文档页数:9
铁路货运组织作业答案作业一1、货运组织研究的内容(生产技术、经营治理)①运用现代科学治理方法,运用系统理论(子系统保证总系统)、提高整体效益,②建立稳固的、客观的规章制度(铁路内部、铁路与货主)并实施修订、完善;③合理选择、规划和布局运输、设备及其使用方法,④制定科学的作业方法、作业顺序,合理安排作业人力,研究物资特性,制定合理的运输条件。
⑤运用电子运算机处理货运信息、选择运输方案、制定运输打算、作业打算。
作业二1. 下列十种物资可否按零担办理,并简要说明理由。
(1)活牛(1头,重50kg/件)(2)冻肉(2箱,25kg/件)(3)硝化甘油炸药(1箱,50kg/件)(4)炭黑(5麻袋,50kg/件)(5)水泵(1箱,11kg/件,0.23m ×0.18m ×0.4m)(6)服装(265箱,35kg/件,0.85m×0。
65m×0.4m)(7)蜜蜂(70箱,30kg/件)(8)门吊桁架(1件,500kg/件,长32m)(9)小毛竹(1捆,20kg/件)(10)机床(1箱,3 000kg/件)解:①不能。
运输过程中有专门要求,不能与其他物资配装。
②不能。
需要冷藏运输。
③不能,规定先按整车办理的爆炸品。
④不能。
未经密封包装。
⑤能。
⑥能。
⑦不能。
⑧不能。
长度超过9 m2。
⑨能。
⑩不能。
重量超过2t。
2、物资运费运算的程序如何?物资的计费重量如何确定?运费如何运算?⑴计费程序:确定运价里程;确定物资适用的运价号;确定物资适用的运价率:确定物资的计费重量。
⑵计费重量的确定①整车:以吨位单位,吨以下四舍五入。
一样按货车标记载重运算,超过时按实重计。
②零担:以10kg为单位,不足进整。
③集装箱按箱计。
⑶计费:运费= 发到作业费+ 运行费;发到作业费= 发到基价×计费重量;运行费= 运行基价×计费重量×运价里程。
作业三1、图示物资的发送作业程序2、物资运单的作用有哪些?①物资运单既是托运人向承运人提出物资托运的申请,又是承运人承运物资、核收运费、填制货票的依据。
2016-2017第二学期《铁路货运技术》第二次作业一、填空题(2分)1.一车负重不使用游车时,货物突出端半宽等于或小于车辆半宽时,容许突出端梁300 mm;当货物突出端半宽大于车辆半宽时,容许突出端梁 200 mm。
2.铁路冷藏车分为加冰冷藏车、机械冷藏车和铁路冷藏集装箱三类。
3.引起易腐货物腐败的原因主要有:微生物的作用、呼吸作用和化学作用。
二、名词解释(5分)1.易腐货物:易腐货物指若按一般条件保管和运输极易受到外界气候的影响而损害其品质的货物。
2.集重装载:集重装载是指重量大于所装车辆负重面长度的最大容许载重量的货物。
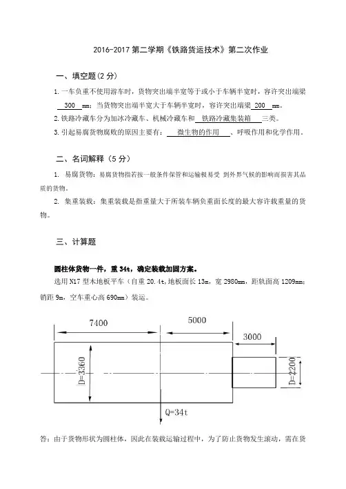
三、计算题圆柱体货物一件,重34t,确定装载加固方案。
选用N17型木地板平车(自重20.4t,地板面长13m,宽2980mm,距轨面高1209mm;销距9m,空车重心高690mm)装运。
答:由于货物形状为圆柱体,因此在装载运输过程中,为了防止货物发生滚动,需在货物底部放置鞍座,必要时可加掩木,同时为了防止货物发生移动,利用扁钢带作为腰箍加固,以增大货物对鞍座与车地板间的压力,增大货物摩擦力。
由于货物本身长度较大,应注意游车的选用及区间速度和过岔速度的限制。
本货物选用60t普通平车装载运输,经以上分析货物特点,本设计选用N16型平车(自重19.7t,载重60t,轴距1750mm,销距9300mm,车底板长度13000mm,车底板高度1210mm,重心高730mm),其车底板长度与货物长度较接近,载重也满足要求。
选用N17型木地板平车(自重20.4t,地板面长13m,宽2980mm,距轨面高1209mm;销距9m,空车重心高690mm)装运。
(1) 计算作用在货物上的力解:T=(0.0012Q总* 0.0012Q总-0.32Q总+29.85)Q=(0.0012*60.4*60.4-0.32*60.4+29.85)*40=595.991KNN=(2.82+2.2a/l)Q=2.82*40=112.8KNQ垂=(3.54+3.78a/l)Q=3.54*40=141.6KNW=qF=0.49*(8*1.5)=5.88KNF纵=9.8uQ=9.8*0.4*40=156.8KNF横=u(9.8Q-Q垂)=0.4*(9.8*40-141.6)=100.16KN(2)计算货物在倾覆方面的稳定。
《交通运输概论》习题与思考题第一局部铁路运输〔一〕线路局部1.铁路线路分为几个等级?是如何确定的?2.线路路基有哪两种根本形式?排水设备有哪些?3.什么是缓和曲线?缓和曲线的作用和特点是什么?4.简述轨道的主要组成局部和它们的作用。
5.普通单式道岔有几个组成局部?各局部作用是什么?6.道岔号数如何表示?道岔号数、辙岔角、导曲线半径和行车速度有什么关系?7.什么是无缝线路?它有哪些优点?什么是锁定轨温?如何确定?8.什么是建筑接近限界和机车车辆限界?为什么要确定限界?9.线路纵断面如以下图:求:⑴求出各坡段的单位坡道附加阻力与单位曲线附加阻力;⑵假定这段线路为区段的限制坡度所在地段,指出哪一个是限制坡度所在的坡道,其数值为多少?⑶假设有一列车的重量为3300T时,它受到的最大附加阻力为多少?〔二〕车辆局部1.铁路车辆如何分类?2.铁路车辆的根本结构分为几局部?3.货车走行部由哪几个局部组成?简述各局部的作用。
4.车辆走行部采用转向架形式有什么优点?5.车辆车钩缓冲装置由哪两局部组成?其作用是什么?6.车钩有几种作用位?分别用于什么情况下?7.空气制动机和手制动机应用上有什么不同?8.空气制动装置的缓解作用和制动作用的根本原理如何?9.某四轴车侧墙上标着:P 60自重22.2T 载重60T 容积120m3换长1.410.详细说明货物重量是经过哪些具体部件传到地面的? 11.车辆日常维修分哪几种?〔三〕机车局部1.铁路机车是如何分类的?按原动力不同分为几种类型? 2.内燃机车按传动方式分为哪两种? 3.简述四冲程柴油机的根本工作原理。
4.电传动内燃机车的传动装置有哪几个主要设备?功率是如何传输的?5.液力传动内燃机车的核心部件是什么?液力变扭器是如何改变柴油机的功率特性的? 6.发电厂的电流是通过哪些设备送到电力机车上去的?7.简述电力机车的主电路、辅助电路、控制电路的作用;主电路功率传递过程。
8.机务段有哪两种,它们在工作任务和设备方面有什么共同特点和不同点? 9.什么是机车交路?我国铁路机车的运用主要有哪两种运转制?10.某类型机车牵引力为308000N ,计算重量为138T ,根本阻力为15N/T ,车辆根本阻力平均为12N/T ,甲—丙的限制坡度10‰,计算牵引质量标准。
北交20秋铁路行车组织在线作业二标准答案北交《铁路行车组织》在线作业二-0005试卷总分:100 得分:100一、单选题 (共 15 道试题,共 30 分)1.货场出车安排要求按照每一条列车运行线规定编挂的车流确定出车时、内容和数量。
货场出车安排有下述方法描述中错误的是()A.卸大于装的车站,要求整列排空时,应首先按数量安排整列排空出车B.不分阶段,不分内容出车C.按阶段定时、定内容出车D.按指定作业列车的要求出车答案:B2.根据所托运的每批货物数量和使用运输车辆方式的不同,铁路货物运输可以分为不同的运输种类。
下列关于铁路货物运输种类,说法正确的是()A.铁路货物运输分为整车和零担B.鲜活货物应采用集装箱运输C.不易计算件数的货物采用零担运输D.铁路货运中所谓“一批”是指承运、交付货物和计算运输费的单位。
答案:D3.下列不是动车组运用方式的是()A.固定运行区段的运用方式B.固定加不固定的运用方式C.不固定运行区段的运用方式D.半固定运行区段的运用方式答案:B4.铁路运输的货物类别,主要是根据运输管理的需要来划分的。
下列说法中,关于货物的分类不正确的是()A.铁路运输的货物,按货物的性质,可分为普通货物和特殊条件货物B.鲜活货物和超限货物都是特殊条件货物C.集重货物是普通货物D.按运输范围划分为关内运输、直通运输、水陆联运、公铁联运答案:C5.下列关于空车直达列车编组计划的编制,说法错误的是()A.空车直达列车的主要特点是要求尽量按单一车种编制B.空车直达列车编成车数,通常按站线有效长编组C.组织空车直达列车的地点,一般选择在有大量装车作业的车站或地区D.编制空车直达列车编组计划时,首先确定空车车流和空车列车的编组地点答案:C6.车站工作分析^p 不包括()A.日常分析^pB.定期分析^pC.专题分析^pD.定性分析^p答案:D7.编组站出发场到发线通过能力计算方法中,代发时间的影响因素不包括()A.列车出发间隔B.列车到达间隔C.列车运行线的比率D.牵出线调机或出发场输入通道的负荷答案:B8.合理调配使用货车是一个复杂的综合性技术问题,目前的做法不包括()A.车货配合B.车种流向适合货物流向C.减少客车D.固定车底循环使用,提高车辆生产率答案:C9.列车到达技术站或列车编组完了后,须在技术站到达场、出发场或到法场上对列车办理一系列的技术作业。
北交《铁路运输设备》在线作业二一、单选题(共12 道试题,共30分。
)1. 世界上第一条铁路是在哪个国家修建的?().英国.美国.法国.比利时正确答案:2. 准轨铁路是指轨距为()mm 的铁路。
.1235.1335.1435.1535 正确答案:3. ()是转辙器的主要部件,通过连接杆与转辙机械相连。
.基本轨.尖轨.转辙机械.连接部分正确答案:4. 车站级“列车预确报”系统根据()系统产生的到达、出发列车编组信息,核对到达、出发确报,对确报信息进行卡控以及必要的编辑。
.车辆类型识别.车号自动识别.货物自动识别正确答案:5. 液力变扭器主要由()个工作轮组成,外面包以壳体。
.1.2.3.4 正确答案:系统采用了()分布式体系结构,符合铁路业务管理模式,有利于信息的分级处理。
.四级.三级.二级.一级正确答案:7. 铁路货运制票工作是货物运输过程中的关键环节,是()货运工作的基础。
.铁路区段站.铁路技术站.铁路车站正确答案:是为适应()改革要求,以计算机网络为基础,以铁路运输管理信息系统的各联网点为信息源点,从货主提出申请到铁路计划安排、合同签订、装车实际、市场分析等,全面实行计算机管理的系统工程。
.列车运行计划.运输生产计划.作业计划正确答案:中字母代表().车种.技术序列.制造序列.型号系列正确答案:10. 在铁路的两条汇合线路线间距离为4 米的中间,设置指示机车车辆的停留位置,防止机车车辆侧面冲撞的设备是.进站信号机.通过信号机.出站信号机.警冲标正确答案:11. 在电传动内燃机车中,应有的部件是().变扭器.牵引变电所.牵引发电机正确答案:12. 铁路运输货运技术计划(简称技术计划)是为了完成()货物运输计划而制定的机车车辆运用计划。
.列车运行计划.运输生产计划.作业计划正确答案:北交《铁路运输设备》在线作业二二、多选题(共14 道试题,共35分。
)1. 按每一套改编系统内车场相互位置和数目分类,编组站可分为()。
铁路货运习题答案铁路货运习题答案在现代物流体系中,铁路货运作为一种重要的运输方式,扮演着连接各个地区的重要角色。
对于从事物流和供应链管理的人员来说,了解铁路货运的相关知识是十分必要的。
本文将为大家提供一些常见的铁路货运习题答案,希望能对大家的学习和工作有所帮助。
1. 什么是铁路货运?铁路货运是指利用铁路运输工具进行货物的运输和配送的一种运输方式。
它具有运输能力大、适应性强、运输成本低等特点,广泛应用于各个行业和领域。
2. 铁路货运的优势有哪些?铁路货运相比其他运输方式具有以下优势:- 运输能力大:铁路可以同时运输大量的货物,适合长距离、大批量的运输需求。
- 运输成本低:相比公路运输,铁路货运的运输成本较低,特别是在长距离运输方面更具优势。
- 环境友好:铁路货运相对于公路运输来说,对环境的影响较小,减少了空气污染和交通拥堵问题。
- 安全可靠:铁路货运具备较高的安全性和可靠性,能够保证货物的安全运输和及时配送。
3. 铁路货运的组成部分有哪些?铁路货运包括以下几个组成部分:- 货运站:作为货物的集散中心,负责货物的装卸、分拨和配送等工作。
- 货运列车:由机车和货车组成,负责货物的运输和配送。
- 货运线路:铁路货运依托于铁路线路进行运输,线路的质量和通行能力直接影响货运效率。
- 货运设备:包括起重机、装卸设备等,用于货物的装卸和搬运。
4. 铁路货运的操作流程是怎样的?铁路货运的操作流程一般包括以下几个环节:- 订单接收:货主将货物的相关信息提交给铁路货运公司,包括货物的种类、数量、装运地点等。
- 货物装卸:货物在货运站进行装卸作业,包括装车、拆车、装卸货物等环节。
- 运输过程:货物被装车后,由货运列车运输至目的地的货运站。
- 货物配送:货物在目的地的货运站进行配送作业,包括拆车、分拨、派送等环节。
- 签收确认:收货人在收到货物后进行签收确认,并检查货物的完整性和数量是否一致。
5. 铁路货运中的运输文件有哪些?铁路货运中常见的运输文件包括:- 运输合同:货主与铁路货运公司签订的合同,约定双方的权利和义务。
《铁路货运组织》第二次作业截止提交作业时间:专科11月3日一、简答1. 自备、租用车的运费如何确定?(1)托路人自备货车或租用铁路货车(不论空重)用自备机车或租用铁路机车牵引时,按照全部列车(包括机车、守车)的轴数与整车7号率计费。
(2)托运人自备货车或租用铁路货车装运货物用铁路机车牵引,或铁路货车装运货物用该托运人机车牵引运输时,按所装货物运价率减20%计费。
(3)托运人的自备货车或租用的铁路货车空车挂运时,按7号率计费。
(4)自备或租用铁路的客车、餐车、行李车、邮政车、专用工作车挂运于货物列车时,空车按7号车率加100%和标重计费,装运货物时按其适用的运价率加100%和标重计费。
但换长1.5以下的专用工作车不装货物时不加成。
(5)随车人员按押运人乘车车费收取。
2. 货运安全管理的主要措施有哪些?(1)加强货运设备的管理和养护维修工作,消除设备隐患,使设备经常保持完好。
(2)重视对职工的教育,有计划地开展岗位技能培训,组织学标、对标、达标和岗位练兵、安全生产竞赛等活动。
进一步提高货装人员的业务素质,增强实际操作能力。
(3)严格货物装卸各项规章制度的管理,建立废、修、补、建的正常制度。
认真落实各项工作制度和作业标准,实行定量与定性相结合的安全工作考核办法,促使全体货装职工按岗位作业标准进行作业。
(4)加强专用线管理,落实专用线装卸车质量监控措施,严格执行路企检查交接制度,杜绝事故隐患。
(5)加强货场、站场治安、消防管理和货物运输途中的防范工作,严防犯罪分子盗窃、哄抢运输物资和破坏运输设备。
公安和运输部门要加大对货盗的打击力度,对货盗严重地区,实行集中整治,对内外勾结、监守自盗的要从严惩处。
(6)努力减少货损。
认真落实装卸作业标准和货物堆码标准,机械作业要运行平稳,不刮不碰。
装卸作业要轻拿轻放,保证货物完好无损。
各检修单位必须认真负起责任,对配件残缺的车辆和破损篷布及时进行整修,减少因车辆和篷布状态不良引发的货损事故。
货物运输组织A第二次作业二、主观题(共28道小题)6.长大货物指的是一件货物重量超过 ,体积超过或长度超过的货物。
参考答案:2t、3m3、9m7.零担货物和使用集装箱运输的货物,以为一批;使用集装箱的货物,每批必须是,,最多不超过铁路一辆货车所装运的箱数。
参考答案:每张货物运单、同一箱型、至少一箱8.我国铁路货物运到期限由、、三部分组成参考答案:货物发送期间、货物运输期间、特殊作业时间9.笨重零担货物参考答案:P112 一件货物重量在1t以上、体积在2m3以上或者长度在5m以上需要以敞车装运的货物以及宜用敞车装运并需要使用大型装卸机械吊装吊卸的货物。
10.长大货物车可分为、、、和五种。
参考答案:凹底平车、长大平车、落下孔车、双支承平车、钳夹车11.特殊情况下,货物重心偏离车辆中央时,横向偏离不得超过,超过时应采取措施。
参考答案:100m、配重12.一件货物重49t,长11m,货物重心距一端的长度为7m,选用60tN16型(车长L=13m,销距l=9.3m)平车装运。
试确定:(1)当货物重心的投影偏离货车横中心线0.5m时,装载是否合理?(2)计算货物重心偏离货车横中心线的最大容许位移量。
参考答案:13.超限货物的种类和等级如何划分?参考答案:p189(1)一侧超限和两侧超限由线路中心线起算,货物的一侧超限时,称为一侧超限。
一侧超限按列车运行方向,也可分为左侧超限和右侧超限。
由线路中心线起算,货物的两侧均超限时,称为两侧超限。
两侧超限又可分为对称超限和非对称超限。
(2)上部超限、中部超限和下部超限根据超限货物超出机车车辆限界部位的高度,又可分为上部超限、中部超限和下部超限。
上部超限:由钢轨顶面起高度在3600mm以上有任何部位超限者;中部超限:由钢轨顶面起高度在1250mm 至3600mm之间有任何部位超限者;下部超限:由钢轨顶面起高度在150mm至未满1250mm之间有任何部位超限者。
(3)超限货物的等级不论一侧超限或两侧超限,根据超限货物的实测宽度或计算宽度超出机车车辆限界的程度,上部超限和中部超限,均分为一级、二级和超级超限三个级别。
北京交通大学远程与继续教育学院2015----2016学年第四学期网络教育期末试卷年级2014春、专业交通运输、层次专升本、课程名铁路货运技术(开卷)A卷答案一、填空题(每空1分,共10分)1.超限货物,超长货物,易于集重的货物,2440mmR4.拉牵加固,挡木或钢挡加固,掩挡加固5.脱轨系数1.建筑限界指在线路两侧及上部的建筑物、设备距钢轨平面最低和距线路中心线的垂直面最窄尺寸的轮廓图。
2.超限货物一件货物装车后,在静止或运行的条件下,货物的高度或宽度有任何部位超出机车车辆限界的基本轮廓,称为超限货物。
3.爆炸品凡是受高热,摩擦,撞击,震动或受其它外界作用,能迅速发生剧烈化学反应,瞬间产生大量的气体和热量,形成巨大的压力,而发生爆炸,对周围环境造成破坏的物质和物品,称为爆炸品。
4.自重系数车辆自重与载重之比。
5.机车车辆限界指机车、车辆在设计制造时,各部位距轨面的最高尺寸和距线路中心线的垂直面最宽尺寸的轮廓。
6.易腐货物所谓易腐货物,系指按一般条件保管和运输极易受到外界气候的影响而损害其品质的货物。
五、简答题(每题6分,共24分)1.简要说明确定货物超限等级的程序。
答:(1)确定货物的检定断面和计算点;(分)(2)计算货物的计算宽度;(分) (3)确定计算点自钢轨面起的高度;(分) (4)确定超限等级。
(分)2.何为集重装载?避免平车集重装载的技术条件是什么?答:一、货物装车后车体主要部件的工作应力超过允许应力时称作集重装载。
(2分)二、避免集重装载的条件有:(1分) (1)车辆局部地板面承受均布载荷;(1分) (2)车辆横中心线两侧承受两个集中载荷;(1分) (3)一车装载多件货物。
(1分)3.简要说明货物加固的原因及加固计算的一般程序。
答:一、加固原因:为了防止货物的装载位置活状态发生变化。
以保证列车的行车安全及货物的完整。
(1分)采用适当的方法,把货物和列车联结为一体,以使当车辆的运动状态发生变化时,货物能够随之而同时变化。
《铁路货运技术》习题一第一篇铁路阔大货物运输第一章超限货物运输一、填空题1.(☆1-1-1-1)铁路限界主要包括机车车辆限界和基本建筑限界两类。
2.(☆1-1-1-2)机车车辆限界是一个与平直线路中心线垂直,在线路中心线所在垂直平面两侧尺寸对称的横断面极限轮廓。
3.(☆1-1-1-3)建筑限界是一个与平直线路中心线垂直,在线路中心线所在垂直平面两侧尺寸对称的横截面极限轮廓。
这个轮廓是铁路线路周围的各种建筑物或设备接近线路的限制轮廓。
4.(1-1-1-3)建筑限界分为基本建筑限界,隧道建筑限界,桥梁建筑限界等。
5.(☆1-1-2-1)根据超限部位从钢轨面起算的高度,可分为上部超限、中部超限和下部超限。
6.(☆1-1-2-1)根据超限部位超出机车车辆限界的程度划分为一级、二级和超级三个等级。
7.(☆1-1-2-1)上部超限是指超限部位由轨面起,高度超过3600mm 者。
8.(☆1-1-2-1)中部超限是指超限部位由轨面起,高度在 1250-3600mm 之间者。
9.(☆1-1-2-1)下部超限是指超限部位由轨面起,高度在 150-未满1250mm 之间者。
10.(☆1-1-2-2)曲线上货物所需空间半宽是指车辆在线路上处于最不利位置时货物计算点至线路中心线所在垂直平面的距离,分为曲线内侧半宽和曲线外侧半宽。
11.(☆1-1-2-2)曲线上货物所需空间半宽分为曲线内半宽和曲线外半宽。
12.(☆1-1-2-2)曲线上货物所需空间半宽由货物半宽B、货物的偏差量C、车辆转向架中心偏离线路中心线引起的货物偏差量增大值g 三部分组成。
13.(☆1-1-3-2)挂有超限车的列车在 CTCS-2级区段禁止会车。
14.(☆1-1-3-2)运行有限制条件的超限车辆,除批示电报明确规定外,禁止编入直达、直通列车;15.(☆1-1-3-2)挂运跨及两个调度所的超限车前,需征得邻局调度所的同意,双方须核对确认相关内容无误。
二、单项选择题1.(☆1-1-2-1)( 1 )下部超限的高度范围是:①150~未满1250mm之间②150~1250mm之间③超过150~未满1250mm之间2.(☆1-1-2-1)( 2 )上部超限的高度范围是:①3601mm以上②3600mm以上③超过3600mm3.(☆1-1-2-1)( 2 )中部超限的高度范围是:①1250~未满3600mm之间②1250~360mm之间③超过1250~未满3600mm之间4.(☆1-1-3-1)( 1 )装车后货物的左右宽度应从何部位量起。
作业2一、填空题1.我国铁路对运输季节的划分为热季、温季、寒季,是根据旬平均气温规定的,即:外界平均气温在℃及其上为热季;外界平均气温在℃及其以下为寒季。
2.危险货物配放的三种情况分别是、、。
3.通常把半衰期小于d的放射性核素称为“短寿命”的放射性物品。
4.气体按其性质分为气体、气体、气体。
5.易燃液体的特性主要有蒸气的、。
6.隔离配放是指两种货物可以装于同一车内运送,但至少应隔离m以上。
7.射线外照射的防护方法主要有防护,防护,防护三种。
4.目前,我国铁路冷藏车的种类主要有冷藏车、冷藏车。
3.射线对人体的照射方式通常有,,三种。
二、判断题( )1.冰蛋和冷却的番茄按一批承运。
( )2.冰内掺盐的比例越高,所得环境温度就越低,而且可以一直低下去。
( )3.某车站用铁路产权罐车装运硫酸。
( )4.不同热状态的易腐货物可以按一批托运。
( )5.一种危险货物的危险性只有一种。
( )6.运输爆炸品、剧毒品、气体、硝酸铵等危险货物必须实行全程随车(货)押运,装运剧毒品罐车、罐式箱不需押运。
( )7.冰盐冷藏车可以单车使用。
( )8.机械冷藏车必须成组使用。
( )9.同一车辆只允许装运同一危险货物编号的剧毒品。
( )10.易燃液体挥发的蒸汽和空气混合,遇火星一定会发生爆炸。
三、名词解释1.易腐货物:2.闪点:3.冷却:4.放射性活度:5.短寿命:6.爆炸极限:7.半衰期:8.半数致死量或浓度:9.放射性核衰变:四、简答题1.简述易腐货物的冷藏原理。
2.简述发站承运自备液化气体罐车时,应审查的内容。
3.简述对冷藏车的基本要求。
4.危险货物分为哪几类?。
北京交通大学远程教育课程作业年级:层次:专业名称:铁道交通运营管理课程名称:铁路货运技术作业序号:一学号:姓名:作业说明:1、请下载后对照网络学习资源、光盘、学习导航内的导学、教材等资料学习;有问题在在线答疑处提问;2、请一定按个人工作室内的本学期教学安排时间段按时提交作业,晚交、不交会影响平时成绩;需要提交的作业内容请查看下载作业处的说明3、提交作业后,请及时查看我给你的评语及成绩,有疑义请在课程工作室内的在线答疑部分提问;需要重新上传时一定留言,我给你删除原作业后才能上传4、作业完成提交时请添加附件提交,并且将作业附件正确命名为学号课程名称作业次数《铁路货运技术》作业一一、判断题⒈长16m,重42t箱装货物和土豆10袋能否按一批托运。
答:不能⒉鞭炮和西药能否按一批托运。
答:不能⒊白糖与煤油能否按一批托运。
答:不能⒋服装能否用铁路通用集装箱运输?说明理由。
答:不能,因为服装易污损⒌炭黑能否用铁路通用集装箱运输?说明理由。
答:不能,因为会污染集装箱⒍“铁路货物损失是对铁路内部而言的”。
这句话对吗,为什么?答:不对,因为就货运事故而言,有一些货运事故,如货票分离,对货物未造成任何损失,对收发货人的利益未造成伤害,因此对外不是货运事故,但对内肯定是货运事故,但假如货物丢失,那对内对外均作为货运事故处理,因此这句话属于断章取义。
二、名词解释⒈货运杂费答:货运杂费是铁路货物运输费用的组成部分。
铁路运输的货物(包括企业自备车或租用铁路货车)自承运至交付的全过程中,铁路运输企业向托运人、收货人提供的辅助作业和劳务,以及托运人或收货人额外占用铁路设备、使用用具、备品,所发生的费用,均属货运杂费。
⒉铁路货物损失答:货物运输过程发生货物数量上的差错或质量上的损坏三、简答题⒈铁路货物运到期限由哪些部分组成?答:货物发送期间、货物运输期间、特殊作业时间、整车分卸货物等,货物运到期限,起码天数为3日⒉集装箱如何办理交接?答:(1)整箱交,整箱接(FCL/FCL)货主在工厂或仓库把装满货后的整箱交给承运人,收货人在目的地以同样整箱接货,换言之,承运人以整箱为单位负责交接。
北交《铁路货运组织》在线作业二一、单选题(共 15 道试题,共 30 分。
)1. 下列关于超限货物等级划分,错误的是( ). 超限货物以装车站列车运行方向为准,由线路中心线分为左侧、右侧和两侧超限. 一级超限,自轨面起高度在1250mm及其以上超限但未超出一级超限限界者. 超出一级超限限界未超出二级超限限界者,以及自轨面起高度在500mm至未满1500mm间超限但未超出二级超限限界者. 超级超限指超出二级超限限界者正确答案:2. 下列关于报价运输的说法,错误的是( ). 如果采取了报价,货物的实际价格是指货物在起运地的价格与税款、包装费和已发生的运输费用. 保价运输的货物发生损失时,按照实际损失赔偿,但最高不得超过报价金额. 非报价货物实行限额赔偿,即不按件数只按重量承运货物,每吨最高赔偿200元. 个人托运的搬家货物、行李每10kg最高赔偿30元。
正确答案:3. 下列关于铁路收入管理的基本环节,说法错误的是( ). 票,是指有价凭证的管理,它是运输收入管理工作的第一个环节,是运输收入的先行,邮有票才有款. 款,包含对进款管理、客货运杂费管理和上交款管理. 账,是指报账单位的各种业务账簿和主管收入的各种会计账簿,是运输收入管理的核心环节. 表,是运输收入最终的归集和结果反映,是运输收入管理的最后一个环节正确答案:4. 下列关于货物卸车作业说法错误的是( ). 卸车作业是到站工作组织的关键. 车站必须认真贯彻“一卸、二排、三装”的运输组织原则,认真做好卸车工作. 卸车前做好三方面的检查:检查货物、检查票据、检查人员. 卸车后检查包括:检查票据、检查货物、检查卸后空车正确答案:5. 下列有关货运的途中作业的货运检查程序说法错误的是( ). 车站调度员应及时将班计划、阶段计划、变更计划下达给车站值班员. 在列车到达前5min,货运检查员应出场立岗,在列车到达、通过时,对列车进行目测预检. 两侧货运检查员应从车列的一端同步逐车进行检测,对重点车进行记录. 货车整理分为甩车整理和在列整理。
铁路货运808题一、铁路货运的定义与发展历程铁路货运是指利用铁路运输系统,将货物从发货地点运输到目的地的过程。
铁路货运具有运输距离长、运量大、成本较低的优势,是我国现代物流体系的重要组成部分。
从蒸汽机车的发明至今,铁路货运已历经数百年的发展,运输工具和技术不断创新,推动了全球贸易的繁荣。
二、我国铁路货运市场的现状与特点1.市场规模:我国铁路货运市场规模庞大,占全国货运市场的三分之一左右,发挥着国家经济大动脉的作用。
2.线路网络:我国铁路货运网络日益完善,高速铁路和普通铁路共同构成全国范围内的运输体系。
3.货运种类:我国铁路货运主要包括煤炭、钢铁、矿石、粮食、化工产品等大宗物资运输,以及快递、电商等零散货物运输。
4.运价体系:我国铁路货运采用政府指导价和市场调节价相结合的运价体系,逐步推进市场化改革。
5.服务水平:铁路货运服务水平不断提高,信息化手段的应用使得货物追踪、查询等环节更加便捷。
三、铁路货运808题的分类与解答铁路货运808题主要涵盖铁路货运政策、运输组织、货运业务、运价管理、服务质量等方面。
以下列举部分题目供参考:1.我国铁路货运的运营主体是谁?答:我国铁路货运的运营主体是中国铁路总公司。
2.铁路货运按运输距离分为哪几类?答:铁路货运按运输距离分为长途货运、中短途货运和市域货运。
3.铁路货运运价分为哪几类?答:铁路货运运价分为整车运价、零担运价、集装箱运价等。
四、提升铁路货运效率的措施与建议1.优化运力资源配置,提高运输组织效率。
2.推动铁路货运价格市场化,增强竞争力。
3.加强信息化建设,提升货物运输透明度。
4.深化与物流企业的合作,拓展业务领域。
五、未来铁路货运的发展趋势与挑战1.发展趋势:绿色、智能、高效将成为未来铁路货运的发展方向。
2.挑战:如何应对市场变化,提高服务水平,降低运输成本,实现可持续发展。
总之,铁路货运在我国物流体系中具有重要地位。
1.分析货物的特点和运输要求:货物规格为:钢制圆柱体货物一件,重34t,货物总长为15.4 m,属于非均重货物。
Q=34t由于货物形状为圆柱体,因此在装载运输过程中,为了防止货物发生滚动,需在货物底部放置鞍座,必要时可加掩木,同时为了防止货物发生移动,利用扁钢带作为腰箍加固,以增大货物对鞍座与车地板间的压力,增大货物摩擦力。
由于货物本身长度较大,应注意游车的选用及区间速度和过岔速度的限制。
2.确定装车类型:本货物选用60t普通平车装载运输,经以上分析货物特点,本设计选用N16型平车(自重19.7t,载重60t,轴距1750mm,销距9300mm,车底板长度13000mm,车底板高度1210mm,重心高730mm),其车底板长度与货物长度较接近,载重也满足要求。
3.确定装载方案:在考虑阔大货物装载时,除必须满足普通货物装载的一般要求(如经济合理地使用车辆,装载量不超过货车标记载重量等)之外,要特别注意确保重车运行安全和避免损伤车底架,以保证货车的正常使用寿命,同时要注意避免集重装载。
阔大货物装载必须遵守的基本技术条件:(1)在一般情况下,货物装车后其重心或总重心(一车装几件货物时)应能垂直投影到车地板纵、横中心线的交叉点上(简称“落在车辆中央”);(2)特殊情况下必须偏离车辆中央时,横向偏离(即离开车地板纵中心线)不得超过100mm,超过时必须采取配重措施;纵向偏离(即离开车地板横中心线)要保证车辆转向架承受的货物重量不超过标记载重的1/2,同时要保证车辆两转向架负重之差不大于10t,但另有规定者除外;(3)一车装载两件或多件货物时,应避免对角线装载;(4) 重车重心高度从轨面起,一般不得超过2000mm ,超过时可采取配重措施降低重车重心高度或限制该重车的运行速度。
该货物有以下三种可能装载方案,经分析后,将遵循以上原则,最终选出最优方案。
方案一:使用N 16型平车一辆,一端突出装载,加挂N 16型(车地板高度为1210mm )游车一(1) )m (9.0)mm (9002130007400==-=需a 因t t 10263460Q P >=-=-标,故货物重心在车辆纵向最大允许偏离距离:)m (37.1)m m (137003.9345Q 5==⨯==l a 容 因需容a a >,允许使货物一端突出(另一端与车端对齐)装载。
(2) 横垫木需要高度:由于货物运输过程中需加挂游车,为了使车辆经过驼峰或线路变坡点时,货物突出车端部分的底部与游车地板不相接触,以保证运输安全,超长货物装车时应使用符合要求高度的横垫木。
本货物所需横垫木的起码高度(按通过驼峰的要求考虑):货安车差空重差垫f h h h a H ++++=γtan)(6.184050030031.0)217509300130001300015400(mm =++++⨯--+-= 式中 a ——货物突出端至负重车最近轮对轴心所在垂直平面的距离(mm );γtan =0.031;空重差h ——负重车地板空、重高度差,对普通平车可取30(mm );车差h ——游车地板高度大于负重车地板高度的尺寸(mm );安h ——安全距离,可取50(mm );货f ——货物突车端的弹性挠度(mm )。
因突出端货物底部距车地板高度为:)(mm mm 6.184)(625540222003360>=++- 所以不需垫横垫木即可满足要求。
(3) 计算重车重心高度:货物装车后重心距轨面高度:)(298516805401260mm h =+++=)(2195362229853690022mm h Q Qhh Q H =+⨯+⨯=++=车车车 由于重车重心高度在2001~2400mm 之间,运输区间限速50km/h ,通过侧向道岔时限速15km/h 。
(4) 货物超限检查:检定断面位于货物突出端部端面和左端部端面,需要通确定A 、B 、C 三点的计算宽度比较,来确定货物的超限等级。
货物突出端端部的计算长度L=2×8.9=17.8m,车辆销距l=9.3m ,L/l=17.8/9.3=1.91>1.41。
A 点:该点的计算长度)(13)(130002)9007400(m mm L ==⨯-= )(4.34)30083.9300813(1000)88(10002222mm R l R L C =⨯-⨯=-=外因41.13.9/13/<=l L ,故不需计算附加偏差量K 。
)(6.1364.34036mm C B X -=-+=-+=外这件货物的偏差量小于建筑接近限界加宽值,以致其计算宽度小于实测宽度,表明该货物在直线上的超限程度,比其在曲线上时大,故应按实测宽度确定超限等级。
)(461533605401210mm H =+++=查《超规》,该点不超限。
B 点:该点的计算长度)(13)(130002)9007400(m mm L ==⨯-=)(4.34)30083.9300813(1000)88(10002222mm R l R L C =⨯-⨯=-=外 因41.13.9/13/<=l L ,故不需计算附加偏差量K 。
)(4.1678364.34168036mm C B X =-+=-+=外这件货物的偏差量小于建筑接近限界加宽值,以致其计算宽度小于实测宽度,表明该货物在直线上的超限程度,比其在曲线上时大,故应按实测宽度确定超限等级。
)(2935)2/3360(5401210mm H =+++=查《超规》,该点不超限。
C 点:计算长度:)(8.17)(178002)9008000(m mm L ==⨯+=)(0.96)30083.930088.17(1000)88(10002222mm R l R L C =⨯-⨯=-=外 因41.13.9/8.17/>=l L ,故需计算附加偏差量K 。
货车标记载重为60t ,)(8.37)41.13.98.17(75)41.1(75mm l L K =-=-=)(1197.83637.896.02/220036mm K C B X =-++=-++=外)(2935)2/3360(5401210mm H =+++=查《超规》,该点不超限。
(5) 集重检查:在使用N 16型普通平车,当重34t 的货物直接装载在车地板上时,需要的负重面长度为6m ,为了避免集重装载,货物下两鞍座间距取为6m 。
方案二:使用N 16型平车一辆,另一端突出装载,加挂挂N 60型(车地板高度为1170mm )游(1) 需使货物重心偏离车辆横中心线的距离:)m (1.5)m (15002130008000==-=需a 因t t 10243660Q P >=-=-标,故货物重心在车辆纵向最大允许偏离距离:)m (43.172.9345Q 5=⨯==l a 容 因需容a a <,所以不允许使货物另一端与车端对齐,为不允许使用的方案。
方案三:使用N 16型平车一辆,采取货物两端突出装载,使货物重心落在车辆中央,两端分别加挂N 60(1) 这种装载方法没有重心的横、纵性偏离。
左端突出:)(9002/130007400mm =-右端突出:)(15002/130008000mm =-(2) 横垫木需要高度:与方案一对比可知,依据左端计算则不需要横垫木,所以此方案应根据右端计算。
由此可得: )(285021750930013000900mm a =--+= )(35.128050)12101170(30031.02850mm H =++-++⨯=垫因鞍座凹口底部高度为40mm ,外加5mm 厚橡胶垫,所以需要的横垫木的高度为)(10035.834535.128mm H ≈=-=垫(3) 计算重车重心高度:货物装车后重心距轨面高度:)(303516801005401210mm h =++++=重车重心高度为:)(2189347.193035347307.19mm h Q Qhh Q H =+⨯+⨯=++=车车车 由于重车重心高度在2001~2400mm 之间,因此区间限速50km/h ,通过侧向道岔时限速15km/h 。
(4) 货物超限检查:货物突出端端部的计算长度L=2×8.9=17.8m,车辆销距l=9.3m ,L/l=17.8/9.3=1.91>1.41,检定断面位于货物突出端部端面和左端部端面,需要通确定A 、B 、C 三点的计算宽度比较,来确定货物的超限等级。
A 点:该点的计算长度)(8.14)(1480027400m mm L ==⨯= )(2.55)30083.930088.14(1000)88(10002222mm R l R L C =⨯-⨯=-=外 因41.13.9/8.14/>=l L ,需计算附加偏差量K 。
)(6.13)41.13.98.14(75)41.1(75mm l L K =-=-= )(8.32366.132.55036mm K C B X =-++=-++=外其计算高度为:)(471533601005401210mm H =++++=查《超规》,该点不超限。
B 点:该点的计算长度)(8.14)(1480027400m mm L ==⨯=)(2.55)30083.930088.14(1000)88(10002222mm R l R L C =⨯-⨯=-=外 因41.13.9/8.14/>=l L ,需计算附加偏差量K 。
)(6.13)41.13.98.14(75)41.1(75mm l L K =-=-= )(8.1712366.132.55168036mm K C B X =-++=-++=外其计算高度为:)(3035)2/3360(1005401210mm H =++++=查《超规》,该点不超限。
C 点:计算长度:)(16)(1600028000m mm L ==⨯=)(6.70)30083.9300816(1000)88(10002222mm R l R L C =⨯-⨯=-=外 因41.13.9/16/>=l L ,故需计算附加偏差量K 。
货车标记载重为60t ,)(3.23)41.13.916(75)41.1(75mm l L K =-=-=)(9.11573623.370.62/220036mm K C B X =-++=-++=外其计算高度为:)(3035)2/3360(1005401210mm H =++++=查《超规》,该点不超限。
(5) 集重检查:在使用N 16型普通平车,当重34t 的货物直接装载在车地板上时,需要的负重面长度为6m ,为了避免集重装载,货物下两鞍座间距取为6m 。