铁路运输技术(2)
- 格式:pptx
- 大小:5.58 MB
- 文档页数:64
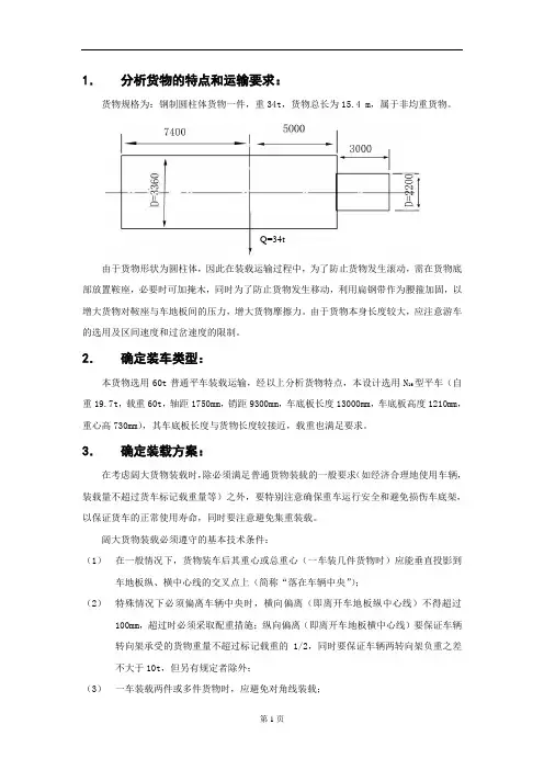
1.分析货物的特点和运输要求:货物规格为:钢制圆柱体货物一件,重34t,货物总长为15.4 m,属于非均重货物。
Q=34t由于货物形状为圆柱体,因此在装载运输过程中,为了防止货物发生滚动,需在货物底部放置鞍座,必要时可加掩木,同时为了防止货物发生移动,利用扁钢带作为腰箍加固,以增大货物对鞍座与车地板间的压力,增大货物摩擦力。
由于货物本身长度较大,应注意游车的选用及区间速度和过岔速度的限制。
2.确定装车类型:本货物选用60t普通平车装载运输,经以上分析货物特点,本设计选用N16型平车(自重19.7t,载重60t,轴距1750mm,销距9300mm,车底板长度13000mm,车底板高度1210mm,重心高730mm),其车底板长度与货物长度较接近,载重也满足要求。
3.确定装载方案:在考虑阔大货物装载时,除必须满足普通货物装载的一般要求(如经济合理地使用车辆,装载量不超过货车标记载重量等)之外,要特别注意确保重车运行安全和避免损伤车底架,以保证货车的正常使用寿命,同时要注意避免集重装载。
阔大货物装载必须遵守的基本技术条件:(1)在一般情况下,货物装车后其重心或总重心(一车装几件货物时)应能垂直投影到车地板纵、横中心线的交叉点上(简称“落在车辆中央”);(2)特殊情况下必须偏离车辆中央时,横向偏离(即离开车地板纵中心线)不得超过100mm,超过时必须采取配重措施;纵向偏离(即离开车地板横中心线)要保证车辆转向架承受的货物重量不超过标记载重的1/2,同时要保证车辆两转向架负重之差不大于10t,但另有规定者除外;(3)一车装载两件或多件货物时,应避免对角线装载;(4) 重车重心高度从轨面起,一般不得超过2000mm ,超过时可采取配重措施降低重车重心高度或限制该重车的运行速度。
该货物有以下三种可能装载方案,经分析后,将遵循以上原则,最终选出最优方案。
方案一:使用N 16型平车一辆,一端突出装载,加挂N 16型(车地板高度为1210mm )游车一(1) )m (9.0)mm (9002130007400==-=需a 因t t 10263460Q P >=-=-标,故货物重心在车辆纵向最大允许偏离距离:)m (37.1)m m (137003.9345Q 5==⨯==l a 容 因需容a a >,允许使货物一端突出(另一端与车端对齐)装载。
铁路运输管理规定(2)第二十四节客运职工安全第131条站、车应对客运人员定期进行业务知识和技术安全教育。
新职人员需经培训、考试合格,方可正式担任工作。
第132条客运人员在接班前,必须充分休息,保持精力充沛。
严禁在接班前和工作中饮酒。
第133条通过线路时,应走天桥、地道、平过道,并严格执行“一停、二看、三通过”制度,严禁钻爬车底,跨越车钩。
顺线路行走时应走路肩,不走轨心、轨面和轨枕头,并随时警觉前后列车。
禁止在运行中的机车、车辆前抢越线路。
小型机动车通过平过道时必须有人引导。
第134条乘务员在上下车时,要紧握扶手,不飞乘飞降。
列车运行中严禁开车门乘凉、探身了望及清扫垃圾。
列车头尾部风档处和餐车厨房侧门处要安装安全防护栏,防护栏由车辆部门负责安装。
第135条高空作业时,要身系安全带,梯子有人扶,物品不下掷。
第136条严禁摸黑开关电器设备,防止触电。
第137条电气化区段停站不冲洗车皮,严禁攀登车顶作业。
第138条装卸行包应在车停开始,车动停止。
严禁车动抢装、卸,抓车、跳车或随车奔跑。
第139条客车上水时,给水员应戴安全帽,穿防护服,应注意脚下杂物和来往车辆。
第二十五节行包运输安全第140条车站承运行包时,必须进行检查,确认内容相符,符合营业办理限制和运输条件,防止夹带危险品、禁运品,正确检斤。
对单件保价千元以上的物品必须施封,施封用品费用由保价安全费列支。
第141条列车发现无货签和无辅助标记,或不按规定填写,不打印票号的行包,应拒绝装运。
运输途中,站、车发现无签货,应查清到站,补拴货签或编制记录,运至到站。
第142条装卸车时,必须先卸后装。
装卸员要根据列车行李员指定的货位,分方向、按站顺装车,并做到大不压小、重不压轻、大件打底、小件放高、堆码整齐、巧装满载、便于清点。
使用搬运车时,拖挂车数限重车4辆、空车5辆,行驶不超速。
堆码行包不超高、不超重、不超宽,绳索捆牢,不致甩落。
第143条严格执行交接制度。
铁道运输技能考试题库一、单选题1. 铁道运输中,列车运行的最高速度是由什么决定的?A. 列车类型B. 轨道条件C. 信号系统D. 司机技能2. 以下哪项不是铁路运输的特点?A. 高速性B. 大容量C. 安全性D. 灵活性3. 铁道运输中的“区间”指的是什么?A. 车站与车站之间的距离B. 列车运行的最小单位C. 铁路线路的一段D. 铁路信号的控制范围4. 铁路信号系统中,红色信号灯表示什么?A. 停车B. 减速C. 通过D. 准备停车5. 铁路运输中,列车编组的目的是什么?A. 提高运输效率B. 降低运输成本C. 增加运输安全D. 所有以上选项二、多选题6. 铁路运输中,列车运行的安全性主要依靠哪些因素?A. 列车的维护保养B. 司机的驾驶技术C. 信号系统的准确性D. 轨道的稳定性7. 铁路运输中,哪些因素会影响列车的运行速度?A. 列车类型B. 轨道条件C. 天气状况D. 乘客数量8. 铁路运输中,哪些设备属于信号系统?A. 信号灯B. 轨道电路C. 列车控制系统D. 列车广播系统9. 铁路运输中,列车的编组方式有哪些?A. 按列车类型编组B. 按货物类型编组C. 按目的地编组D. 按运输时间编组10. 铁路运输中,列车运行的调度指挥包括哪些内容?A. 列车运行计划的制定B. 列车运行的实时监控C. 列车运行的故障处理D. 列车运行的安全管理三、判断题11. 铁路运输的安全性高于公路运输。
()12. 铁路运输的灵活性不如公路运输。
()13. 铁路运输的运输成本一定低于公路运输。
()14. 铁路运输的高速性是其主要优势之一。
()15. 铁路运输的编组方式只与列车类型有关。
()四、简答题16. 简述铁路运输在现代物流体系中的作用和重要性。
17. 描述铁路运输中列车运行的基本流程。
18. 解释铁路运输中“区间”和“区段”的区别。
19. 阐述铁路运输中信号系统的作用及其重要性。
20. 铁路运输中列车编组的原则有哪些?五、案例分析题21. 某铁路线路因天气原因导致轨道受损,列车运行受阻。
物流管理之铁路货物运输规程第一章总则第1条根据国家制定的有关方针、政策、法令,以《中华人民共和国经济合同法》、《中华人民共和国铁路法》和《铁路货物运输合同实施细则》的基本原则为依据,特制定《铁路货物运输规程》。
第2条承运人和托运人、收货人在货物运输过程中,都应遵守本规程的规定,要紧密配合,搞好协作,爱护运输物资和铁路运输设备,严格履行运输合同,安全、迅速、经济、便利地运送货物。
第3条本规程的修改、解释权属铁道部,其制定、修改或作废,应在事前公布。
铁路局在不违反本规程的条件下,可制定管内补充规定,报铁道部备案。
车站营业办理范围在《铁路货物运价里程表》内公布。
全国营业铁路的货物运输,除国际联运、水陆联运、军事运输另有规定外,都适用本规程。
本规程引伸的规则、办法有:1.铁路货物运价规则;2.铁路危险货物运输规则;3.铁路鲜活货物运输规则;4.铁路超限货物运输规则;5.铁路货物装载加固规则;6.铁路月度货物运输计划编制办法;7.货运日常工作组织办法;8.快运货物运输办法;9.铁路集装箱运输办法;10.铁路货物保价运输办法;11.铁路货物运输杂费管理办法;12.货车延期使用费核收办法;13.根据本规程精神制定的其他办法。
第二章货物运输第一节货物运输基本条件第4条铁路货物运输种类分为整车、零担和集装箱。
一批货物的重量、体积或形状需要以一辆以上货车运输的,应按整车托运;不够整车运输条件的,按零担托运;符合集装箱运输条件的,可以按集装箱托运。
按担托运的货物,一件体积最小不得小于0.02立方米(一件重量在10公斤以上的除外),每批不得超过300件。
下列货物不得按零担托运:1.需要冷藏、保温或加温运输的货物;2.规定限按整车办理的危险货物;3.易于污染其他货物的污秽品(例如未经过消毒处理或未使用密封不漏包装的牲骨、湿毛皮、粪便、炭黑等);4.蜜蜂;5.不易计算件数的货物;6.未装容器的活动物(铁路局规定在管内可按零担运输的除外);7.一件货物重量超过2吨,体积超过3立方米或长度超过9米的货物(经发站确认不致影响中转站和到站装卸车作业的除外)。
铁路煤炭运输抑尘技术条件第2部分铁路煤炭运输抑尘技术条件是指通过一系列的技术手段,控制和降低煤炭运输过程中产生的粉尘排放,保护环境和人体健康。
本文将从车辆装备、运输管理、技术改造等方面进行探讨,为铁路煤炭运输抑尘提出相关参考内容。
一、车辆装备1. 选用符合环保要求的煤炭专用车辆,采用密闭装车结构,有效防止粉尘外溢。
车辆的密封性能要符合国家标准,并定期进行检测验收。
2. 在车辆装备方面,可以增加罩式装置,将煤炭装车口进行罩闭,减少煤炭堆积和散落。
同时,优化车辆布局,增加车辆的装车口和卸车口,提高装卸效率,减少煤炭堆积时间。
3. 安装煤尘收集装置,通过引风装置将煤尘集中收集,避免煤尘外溢。
收集装置要有足够的容量,定期进行清理和更换。
二、运输管理1. 采用计划合理、集中统一调度的方式,减少空转和空重车辆,缩短运输时间,降低粉尘排放。
2. 加强装卸作业管理,避免过度堆放和抖动,减少煤炭的破碎和散落。
定期进行堆场除尘,清理运输通道,保持煤炭运输道路的清洁环境。
3. 制定严格的煤尘防控措施,包括封闭装载、挡板挡尘、装卸过程湿洗、覆盖物料和加装抑尘装置等,确保粉尘不外溢。
三、技术改造1. 对现有的煤炭运输车辆进行改造,增加密封装置和煤尘收集装置,提高车辆的密封性能和煤尘捕集效率。
2. 引进更先进的煤炭运输技术和设备,例如高效抑尘剂、静电集尘设备等,来降低煤尘排放。
3. 加大科技研发投入,推动抑尘技术的创新和发展,开展抑尘技术的试验和推广示范工作。
四、加强宣传教育1. 加强对铁路煤炭运输企业和从业人员的环保意识培养,提高关于抑尘技术的理解和认识,形成广大职工群众的环保责任感和行动意识。
2. 通过宣传教育活动,向社会公众普及煤炭运输抑尘技术的重要性和应用效果,提高环保意识,争取社会支持和配合。
综上所述,铁路煤炭运输抑尘技术条件的相关参考内容包括车辆装备、运输管理、技术改造和加强宣传教育等方面。
通过采取一系列的技术措施和管理手段,可以有效地控制和降低煤炭运输过程中的粉尘排放,保护环境和人体健康。
铁路运输安全技术铁路运输一直是现代社会中最重要的交通方式之一,其安全性对于乘客和货物的运输至关重要。
为了确保铁路运输的安全,各国不断研发和改进铁路运输安全技术。
本文将重点介绍铁路运输安全技术的相关方面。
一、铁路信号技术铁路信号技术是铁路运输安全的基石。
铁路信号系统的作用是确保铁路上的列车能够按照规定的行车方向和间隔安全运行。
现代铁路信号系统采用了数字化技术和自动化控制,可以实现列车的精确间隔和稳定运行。
同时,信号系统还可以提供列车位置信息,方便运输管理人员进行监控和调度。
二、列车制动技术列车制动技术是铁路运输中的核心技术之一。
合理的列车制动系统可以确保列车在紧急情况下能够快速停车,避免事故的发生。
目前,常见的列车制动系统包括空气制动系统和电力制动系统。
空气制动系统通过控制空气压力,使列车实现制动;电力制动系统则利用电流制动电机来减速。
两种制动系统的结合可以提供更加可靠和安全的制动控制。
三、火灾预防和灭火技术铁路运输中的火灾是一种常见的安全隐患,因此火灾预防和灭火技术非常重要。
铁路车辆和隧道内部应配备火灾预警系统和自动灭火设备,当发生火灾时能够迅速发出警报并采取相应措施进行灭火。
此外,车厢内应配备防火墙、灭火器等设备,并加强防火教育和培训,提高乘客和工作人员的火灾防范意识。
四、隧道安全技术铁路隧道是铁路运输中的重要环节,其安全性直接关系到旅客和货物的安全。
隧道通风系统是隧道安全的基本保障,它能够保持隧道内的氧气含量和温度在合适范围内,同时排除烟雾和有害气体。
此外,隧道还应配置灭火设备、应急疏散通道等,提供紧急避险和救援措施。
五、高铁安全技术高铁作为现代化铁路交通的重要组成部分,其安全性和可靠性要求更高。
高铁安全技术包括了列车控制系统、隧道安全技术、供电系统、通信系统等多个方面。
高铁列车控制系统采用了先进的计算机技术和通信技术,能够实现列车的自动驾驶和自动调度。
此外,高铁的电力供应和通信系统也经过了严格测试和优化,确保了高铁的安全性和稳定性。
《铁路货运技术》习题一第一篇铁路阔大货物运输第一章超限货物运输一、填空题1.(☆1-1-1-1)铁路限界主要包括机车车辆限界和基本建筑限界两类。
2.(☆1-1-1-2)机车车辆限界是一个与平直线路中心线垂直,在线路中心线所在垂直平面两侧尺寸对称的横断面极限轮廓。
3.(☆1-1-1-3)建筑限界是一个与平直线路中心线垂直,在线路中心线所在垂直平面两侧尺寸对称的横截面极限轮廓。
这个轮廓是铁路线路周围的各种建筑物或设备接近线路的限制轮廓。
4.(1-1-1-3)建筑限界分为基本建筑限界,隧道建筑限界,桥梁建筑限界等。
5.(☆1-1-2-1)根据超限部位从钢轨面起算的高度,可分为上部超限、中部超限和下部超限。
6.(☆1-1-2-1)根据超限部位超出机车车辆限界的程度划分为一级、二级和超级三个等级。
7.(☆1-1-2-1)上部超限是指超限部位由轨面起,高度超过3600mm 者。
8.(☆1-1-2-1)中部超限是指超限部位由轨面起,高度在 1250-3600mm 之间者。
9.(☆1-1-2-1)下部超限是指超限部位由轨面起,高度在 150-未满1250mm 之间者。
10.(☆1-1-2-2)曲线上货物所需空间半宽是指车辆在线路上处于最不利位置时货物计算点至线路中心线所在垂直平面的距离,分为曲线内侧半宽和曲线外侧半宽。
11.(☆1-1-2-2)曲线上货物所需空间半宽分为曲线内半宽和曲线外半宽。
12.(☆1-1-2-2)曲线上货物所需空间半宽由货物半宽B、货物的偏差量C、车辆转向架中心偏离线路中心线引起的货物偏差量增大值g 三部分组成。
13.(☆1-1-3-2)挂有超限车的列车在 CTCS-2级区段禁止会车。
14.(☆1-1-3-2)运行有限制条件的超限车辆,除批示电报明确规定外,禁止编入直达、直通列车;15.(☆1-1-3-2)挂运跨及两个调度所的超限车前,需征得邻局调度所的同意,双方须核对确认相关内容无误。
二、单项选择题1.(☆1-1-2-1)( 1 )下部超限的高度范围是:①150~未满1250mm之间②150~1250mm之间③超过150~未满1250mm之间2.(☆1-1-2-1)( 2 )上部超限的高度范围是:①3601mm以上②3600mm以上③超过3600mm3.(☆1-1-2-1)( 2 )中部超限的高度范围是:①1250~未满3600mm之间②1250~360mm之间③超过1250~未满3600mm之间4.(☆1-1-3-1)( 1 )装车后货物的左右宽度应从何部位量起。
铁路运输技术标准
一、概述
本文档旨在规定并明确铁路运输技术标准,包括车辆技术、信号技术、通信技术等方面的标准。
二、车辆技术标准
1. 车辆在使用前必须进行安全检查,检查车辆完好性,包括轮胎、车轴、踏板,座椅等部分,确保安全性。
2. 车辆牵引力必须符合国家标准,确保牵引力足够强,以满足列车正常运行。
3. 车体缺陷必须及时发现并进行维修,确保列车完好性。
三、信号技术标准
1. 信号机、信号灯、信标等设备必须符合国家标准,能够稳定工作、灵敏度高,以保证信号的准确性。
2. 信号设备必须每月定期维护,确保设备的工作正常。
3. 信号设备必须定期进行检查,发现故障及早修复。
四、通信技术标准
1. 通信设备必须符合国家标准,能够保证音质清晰、通信稳定。
2. 通信设备必须定期进行维护,确保设备的工作正常。
3. 通信设备必须定期进行检查,发现故障及早修复。
五、结论
本文档规定了铁路运输技术标准,要求各相关单位必须按照标
准进行使用和维护,以确保列车运行的安全性、稳定性和可靠性。
铁路货物运输(二)(总分40,考试时间90分钟)一、单选题本类题型所包括的每道小题只有一个正确答案,请在给出的逆项中选出正确答案1. 铁路货物运输是使用铁路列车运送货物的一种运输方式,主要承担______。
A.长距离、大宗货物运输 B.长距离、小宗货物运输C.短距离、大宗货物运输 D.短距离、小宗货物运输2. 铁路货物运输的优势距离为______。
A.100~300千米 B.200~800千米 C.200~600千米D.300~800千米3. 以下哪种形式不专属于铁路货物的装运______。
A.整车运输 B.零担运输 C.集装箱运输 D.驼背运输4. 需按整车运输办理的货物的重量、体积或形状需要一辆货车装运的最低载重量是______。
A.10吨 B.20吨 C.30吨 D.40吨5. 按零担运输办理的货物,一件货物的______。
A.体积最小不得小于0.02立方米,重量在10千克以下,且每批货物不得超过300件 B.体积最小不得小于0.02立方米,重量在20千克以下,且每批货物不得超过300件 C.体积最小不得小于0.03立方米,重量在10千克以下,且每批货物不得超过300件 D.体积最小不得小于0.03立方米,重量在20千克以下,且每批货物不得超过200件6. 为了加速零担货物的运送,合理使用车辆,组织零担货物的运输方式可分沿途零担车和______。
A.整装零担车 B.直达整零车 C.中转整零车 D.五定班列7. 驮背运输的运输方式是公路和______。
A.航运 B.水运 C.铁路 D.管道8. 铁路货物运输的“五定”班列适用于整车和______。
A.集装箱货物 B.零担货物 C.快件运输货物 D.驮背运输9. 铁路快件运输每批不能超过______。
A.100件 B.200件 C.300件D.400件10. 不属于普通货物的是______。
A.煤 B.石油 C.棉布 D.粮食11. 铁路货运代理公司必备的硬性条件,以下不包括的是______。
铁路煤炭运输抑尘技术条件第2部分
铁路煤炭运输一直是国内能源运输的重要形式,但煤炭运输中存在着严重的扬尘污染问题,给环境和人们的健康带来不利影响。
为了解决这一问题,需要采取有效的抑尘措施。
本文将通过相关参考内容介绍铁路煤炭运输抑尘技术条件的相关内容。
1. 抑尘剂选择:抑尘剂是抑制扬尘的一种化学品,在选择抑尘剂时应该考虑其稳定性、易使用性和环境友好性等因素,推荐使用无机盐和芳香磺酸盐抑尘剂。
2. 抑尘剂配制:抑尘剂需要进行配制使用,具体的步骤包括制备核心液、稳定液和辅助液等,最终制备出有效的抑尘剂溶液。
3. 抑尘剂喷洒技术:在进行铁路煤炭运输时,将抑尘剂喷洒在煤炭堆场和蒸汽机车烟囱处等易产生扬尘的地方,采用雾状喷洒的方式,将抑尘剂喷洒到空气中形成雾状,并与悬浮在空气中的扬尘颗粒结合,从而减少扬尘。
4. 铺装材料选用:在铁路煤炭运输线路上,采用优质的铺装材料,如高架铁路和水泥混凝土路轨等,能够有效减少路面产生的扬尘,保持空气清新。
5. 土方工程施工技术:进行土方工程施工时,应选用先进的施工方法,如激光铣刨和深松机械等,减少空气中悬浮的尘土,采取湿法施工,保持空气清新。
6. 环境监测技术:密切关注环境变化及时采取措施,使用环境
监测技术监测环境中的扬尘浓度,及时采取对应的抑尘措施,保护周边环境和居民的健康。
总之,铁路煤炭运输抑尘技术条件的实施,需要配合多种因素加以考虑,采用具有环保性和效益性的方法,达到保护环境、改善空气质量的目的。
铁路运输技能考试试题题库一、选择题(每题2分,共40分)1. 铁路运输的主要特点不包括以下哪一项?A. 高速性B. 大容量C. 连续性D. 安全性2. 铁路运输的“五定”原则包括以下哪些内容?A. 定车、定线、定站、定货、定人B. 定车、定线、定站、定货、定时C. 定车、定线、定站、定货、定速D. 定车、定线、定站、定时、定人3. 铁路运输中,列车的运行速度通常由以下哪个因素决定?A. 列车类型B. 轨道条件C. 天气状况D. 列车载重4. 以下哪个不是铁路运输中常用的信号设备?A. 信号灯B. 道岔C. 轨道电路D. 交通标志5. 铁路运输中的“三检”制度指的是?A. 检车、检票、检货B. 检车、检票、检道C. 检车、检道、检货D. 检票、检道、检货6. 铁路运输中,列车的编组通常由哪些车辆组成?A. 机车和客车B. 机车和货车C. 客车和货车D. 机车、客车和货车7. 铁路运输中,列车的运行图是如何制定的?A. 根据列车类型制定B. 根据列车载重制定C. 根据列车运行速度制定D. 根据列车运行需要和线路能力制定8. 铁路运输中,列车的调度指挥通常由哪个部门负责?A. 车站B. 列车司机C. 铁路局D. 列车乘务员9. 铁路运输中,列车的运行安全主要依靠哪些措施?A. 列车司机的驾驶技术B. 列车的自动控制系统C. 铁路线路的维护保养D. 所有上述措施10. 铁路运输中,列车的运行效率通常由哪些因素影响?A. 列车的运行速度B. 列车的编组方式C. 列车的运行图D. 所有上述因素二、判断题(每题1分,共20分)11. 铁路运输具有高速度、大容量、连续性、安全性的特点。
()12. 铁路运输的“五定”原则是指定车、定线、定站、定货、定时。
()13. 铁路运输中,列车的运行速度通常由列车类型决定。
()14. 铁路运输中,信号灯、道岔、轨道电路是常用的信号设备。
()15. 铁路运输中的“三检”制度包括检车、检票、检货。
《铁路货运技术》第一篇铁路阔大货物运输第一章超限货物运输主要内容:本章通过对铁路限界的概念、种类以及历史沿革等介绍,引出我国铁路限界存在的问题;通过对超限货物的定义、等级的划分,引出货物计算宽度的含义,并对货物计算宽度的算法及超限等级的确定进行了详细的分析,并举例;本章还对超限货物的受理、测量、挂运以及超限车的运行条件、超限车的检查与交接进行了详细的阐述。
重点、难点:货物计算宽度的确定、货物超限等级的判定方法。
学习要求:了解超限货物运输历史沿革、我国铁路限界现状及存在问题;理解超限货物的含义、等级的划分;深刻理解超限货物计算宽度的原理;熟悉超限货物测量的内容;掌握货物计算宽度的确定方法及超限等级的判定方法;能够应用所学知识针对实际货物判定其超限等级。
学习要点:货物超限等级的判定方法(一)确定货物超限等级的程序:第一步,计算货物的偏差量和附加偏差量;第二步,计算货物的计算宽度;第三步,确定计算点自轨面起算的高度;第四步,根据计算点的高度查《超规》判定货物是否超限及超限等级。
(二)货物偏差量的计算1、内偏差量或外偏差量(1)当货物的检定断面位于装载车的中央时,车辆纵中心线与曲线线路中心线间的内偏差量以c1表示,如图所示。
(2)当货物的检定断面位于装载车或货物的两端时,车辆纵中心线与曲线线路中心线间的外偏差量以c2表示,如图所示。
(3)当货物的检定断面位于装载车的转向架中心销间的任何部位(中央部位除外)时,车辆纵中心线与曲线线路中心线间的内偏差量以c3表示,如图所示。
(4)当货物的检定断面位于装载车的转向架中心销的外方,而在货物两端内方之间的任何部位时,车辆纵中心线与曲线线路中心线间的外偏差量以c4表示,如图所示。
2、内偏差量或外偏差量的计算公式(1)内偏差量c1的计算公式(2)外偏差量以c2的计算公式3、货物附加偏差量的计算思考题和作业:1.铁路机车车辆限界及铁路建筑限界的含义是什么?P1、P32.曲线建筑限界为什么需要加宽?确定加宽值的依据是什么?P63.超限货物的定义是什么?P104.我国超限货物等级是怎样划分的?P105.货物超限意味着什么?P116.简述超限车交接时检查的内容。