水电安装工程质量管理考核评分表
- 格式:docx
- 大小:13.62 KB
- 文档页数:3
最新版水利水电工程施工质量验收评定表及填表说明(最全的)前言为进一步加强水利水电工程施工质量管理,统一工程施工质量验收评定标准,规范工程验收评定工作,水利部于2012年9月以[2012]第57号公告发布了《水利水电工程单元工程施工质量验收评定标准》(SL631~637—2012)(以下简称《新标准》),包括土石方工程、混凝土工程、地基处理与基础工程、堤防工程、水工金属结构安装工程、水轮发电机组安装工程、水力机械辅助设备系统安装工程,自2012年12月开始实施。
新标准替代原《水利水电基本建设工程单元工程质量等级评定标准(试行)》(SDJ249.1~6—88)和《水利水电基本建设工程单元工程质量等级评定标准(七)——碾压式土石坝和浆砌石坝》(SL 38—92)、《堤防工程施工质量评定与验收规程(试行)》(SL 239—1999)。
发电电气设备安装工程和升压电气设备安装工程质量验收评定标准即将发布。
吉林省水利工程质量监督中心站为做好新标准的宣贯工作,帮助广大工程技术人员学习领会和准确执行《新标准》和《水利水电工程施工质量检验与评定规程》(SL-176-2007)编写了《水利水电工程施工质量评定表及填表说明》。
全部表格共分三部分,总计454个表格。
第一部分为质量评定通用表格,计10个表格。
第二部分为质量评定专用表格,计437个表格。
其中:土石方工程50个表,混凝土工程60个表格,地基处理与基础工程52个表格,堤防工程59个表格,水工金属结构安装工程50个表格,水轮发电机组安装工程122个表格,水力机械辅助设备系统安装工程44个表格,并逐个编写了填表说明。
第三部分为质量评定备查资料表,计7个表格。
其中,堤防工程中浆砌石护坡、混凝土预制块护坡、现浇混凝土护坡、模袋混凝土护坡、灌砌石护坡单元工程由不划分工序单元工程变为划分工序单元工程,工序表相应增加21个。
工程项目中如有新标准尚未涉及的单元工程时,其质量标准及评定表,由项目法人组织监理、设计及施工单位根据设计要求和设备生产厂商的技术说明书,制定施工、安装的质量验收评定标准,并按照本《水利水电工程施工质量验收评定表》中的统一格式(表头、表身、表尾)制定相应质量验收评定表,报省级质量监督机构核备。
水利水电工程施工质量评定表(示例)背景水利水电工程建设是国民经济发展的重要支柱之一,也是国家基础设施建设的重点领域。
而在水利水电工程建设中,施工质量是关系到工程可靠性和安全性的重要因素。
因此,为了保证施工质量,需要对工程进行评定。
目的本文将介绍一份水利水电工程施工质量评定表的示例,旨在提供给工程管理人员和施工监理人员参考,以便对工程施工情况进行全面、准确地评定,保证水利水电工程的质量和安全。
水利水电工程施工质量评定表评定目标本评定表旨在对水利水电工程施工质量进行全面、准确地评定,以确定工程的可靠性和安全性,从而使业主和施工单位对工程施工情况有更为清晰的了解。
评定内容评定内容包括但不限于以下几个方面:1.土方工程–土石方开挖是否符合设计要求?开挖面应否平整、坡度应否符合设计要求?–土石方回填是否符合设计要求?回填压实度应否达到规定标准?2.基础工程–基础是否符合设计要求?–基础底面水平度是否符合要求?–基础混凝土是否符合设计要求?混凝土强度是否达到标准?3.结构工程–结构材料是否符合规定标准?–结构施工工艺是否符合设计要求?–结构施工是否符合验收规定?4.设备安装工程–设备是否符合国家标准?–设备安装是否符合设计要求?操作是否正常?评定结果根据评定内容的不同,评定结果可以分为优、良、中、差四个等级。
•优:表示该项内容完全符合设计标准,达到了优秀的质量要求;•良:表示该项内容基本符合设计标准,但是还有一些细节需要完善;•中:表示该项内容基本符合要求,但存在一些问题需要处理;•差:表示该项内容存在严重的质量问题。
评定流程1.工程监理人员对施工质量进行现场检查;2.评定人员根据检查结果,填写评价表格;3.评定人员根据评价结果,对各项内容进行分类评定;4.将评定结果反馈给施工单位和工程管理人员。
本文介绍了一份水利水电工程施工质量评定表的示例,通过对工程施工质量内容的全面评定,可以更好地保证水利水电工程的可靠性和安全性。
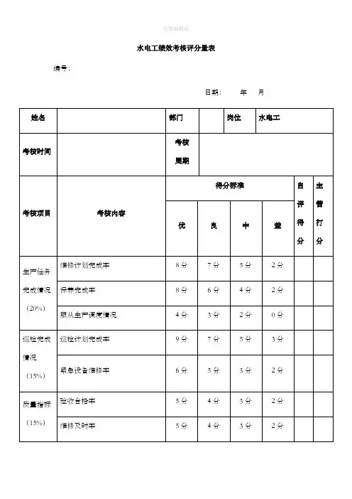
水电工绩效考核评分量表
编号:
日期:年月
水电工绩效考核评分标准说明表
CO2气体保护焊焊接培训
一、焊接工艺参数
1 适用范围
本标准适用于本公司生产的各种钢结构,标准规定了碳素结构钢的二氧化碳气体保护焊的基本要求。
注:产品有工艺标准按工艺标准执行。
1.1 编制参考标准《气焊、手工电弧焊及气体保护焊焊缝坡口的基本形成与尺寸》GB.985-88
2 术语
2.1 母材:被焊的材料
2.2 焊缝金属:熔化的填充金属和母材凝固后形成的部分金属。
2.3 层间温度:多层焊时,停后续焊接之前,相邻焊道应保持的最低温度。
2.4 船形焊:T形、十字形和角接接头处于水平位置进行的焊接.
3 焊接准备
3.1按图纸要求进行工艺评定。
3.2材料准备
3.2.1产品钢材和焊接材料应符合设计图样的要求。
3.2.2焊丝应储存在干燥、通风良好的地方,专人保管。
3.2.3焊丝使用前应无油锈。
3.3坡口选择原则焊接过程中尽量减小变形,节省焊材,提高劳动生产率,降低成本。
水利水电工程-工程质量评定表
一、前言
水利水电工程是近年来我国建设重点之一,为保证工程建设质量、促进行业的健康发展,科学、严谨地对水利水电工程进行质量评定至关重要。
本文档旨在建立水利水电工程质量评定表,以便对工程质量进行科学的评价、管理和提升。
二、工程质量评定表
1. 工程概况
工程名称工程编号设计单位建设单位
2. 质量要求
工程标准要求参数合格值评定情况
3. 施工过程管理
施工工序质量要求合格值评定情况
4. 物资管理
物资名称规格型号批次号数量合格证明评定情况
5. 工程结构
结构构件材质规格型号检验报告合格证明评定情况
6. 施工质量检测
工程项目检测单位检测结果合格证明评定情况
三、评定方法
根据以上评定表的情况,将每一项的评定情况计算出平均值并统计得到总分。
•总分:100分
•合格标准:60分及以上为合格
四、评定
根据评定方法,对工程进行评定。
如果得分低于合格标准,则需要采取措施对存在的质量问题进行整改和改进,确保工程质量得到提升和保障。
五、
水利水电工程的质量评定是对工程建设各个环节的全方位检查和评估,对于保证工程的质量和促进行业健康发展有着极为积极的作用。
本文档提供了建立工程质量评定表的格式,期望能够在工程建设中广泛运用并不断完善,确保工程质量得到有效管理和提升。
前言为进一步加强水利水电工程施工质量管理,统一工程施工质量验收评定标准,规范工程验收评定工作,水利部于2012年9月以【2012】第57号公告发布了《水利水电工程单元工程施工质量验收评定标准》(SL631~637-2012),(以下简称《新标准》),包括土石方工程、混凝土工程、地基处理与基础工程、堤防工程、水工金属结构安装工程、水轮发电机组安装工程、水力机械辅助设备系统安装工程,自2012年12月开始实施。
新标准替代原SDJ249。
1~6—88、SL38—92、SL239—1999,发电电气设备安装工程和升压电气设备安装工程质量验收评定标准即将发布.本书由《水利水电工程单元工程施工质量验收评定标准—-土石方工程》(SL631—2012)、《水利水电工程单元工程施工质量验收评定标准——混凝土工程》(SL632-2012)、《水利水电工程单元工程施工质量验收评定标准--地基处理与基础工程》(SL633-2012)、《水利水电工程单元工程施工质量验收评定标准-—堤防工程》(SL634-2012)、《水利水电工程单元工程施工质量验收评定标准——水工金属结构安装工程》、(SL635-2012)《水利水电工程单元工程施工质量验收评定标准——水轮发电机组安装工程》、(SL636-2012)《水利水电工程单元工程施工质量验收评定标准—-水力机械辅助设备系统安装工程》(SL637—2012)等七个标准编制而成。
全书共分三部分,总计454个表格。
第一部分为质量评定通用表格,计10个表格。
第二部分为质量评定专用表格,计437个表格。
第三部分为质量评定备查表格,共7个。
2013年5月填表基本规定《水利水电工程施工质量验收评定表》(以下简称《质评表》)是检验与评定施工质量的基础资料,也是进行工程维修和事故处理的重要凭证,是工程验收的备查资料.工程竣工验收后,《质评表》作为档案资料长期保存。
因此,按档案管理有关要求对《质评表》的填写作如下基本规定: (1)单元(工序)工程完工后,在规定时间内及时评定其质量等级,并按现场检验结果,客观真实地填写《质评表》。
前言为进一步加强水利水电工程施工质量管理,统一工程施工质量验收评定标准,规范工程验收评定工作,水利部于2012年9月以【2012】第57号公告发布了《水利水电工程单元工程施工质量验收评定标准》(SL631~637-2012),(以下简称《新标准》),包括土石方工程、混凝土工程、地基处理与基础工程、堤防工程、水工金属结构安装工程、水轮发电机组安装工程、水力机械辅助设备系统安装工程,自2012年12月开始实施。
新标准替代原SDJ249。
1~6-88、SL38—92、SL239—1999,发电电气设备安装工程和升压电气设备安装工程质量验收评定标准即将发布。
本书由《水利水电工程单元工程施工质量验收评定标准——土石方工程》(SL631-2012)、《水利水电工程单元工程施工质量验收评定标准——混凝土工程》(SL632-2012)、《水利水电工程单元工程施工质量验收评定标准—-地基处理与基础工程》(SL633—2012)、《水利水电工程单元工程施工质量验收评定标准——堤防工程》(SL634-2012)、《水利水电工程单元工程施工质量验收评定标准—-水工金属结构安装工程》、(SL635-2012)《水利水电工程单元工程施工质量验收评定标准—-水轮发电机组安装工程》、(SL636-2012)《水利水电工程单元工程施工质量验收评定标准——水力机械辅助设备系统安装工程》(SL637-2012)等七个标准编制而成。
全书共分三部分,总计454个表格。
第一部分为质量评定通用表格,计10个表格。
第二部分为质量评定专用表格,计437个表格。
第三部分为质量评定备查表格,共7个。
2013年5月填表基本规定《水利水电工程施工质量验收评定表》(以下简称《质评表》)是检验与评定施工质量的基础资料,也是进行工程维修和事故处理的重要凭证,是工程验收的备查资料.工程竣工验收后,《质评表》作为档案资料长期保存.因此,按档案管理有关要求对《质评表》的填写作如下基本规定:(1)单元(工序)工程完工后,在规定时间内及时评定其质量等级,并按现场检验结果,客观真实地填写《质评表》。