监理公司年度员工个人考核表
- 格式:doc
- 大小:501.04 KB
- 文档页数:31
监理年度考核登记表个人总结在过去的一年里,我作为监理人员,积极参与了多个项目的监理工作,通过与各方的合作和努力,我深刻地认识到监理工作的重要性和责任。
在这份个人总结中,我将回顾我在过去一年里的工作表现,总结我的亮点和不足,并提出我在未来工作中的改进计划。
我在过去一年里完成了多个项目的监理工作,并取得了一定的成绩。
我负责的项目中,没有发生重大质量事故,所有工程按照合同要求如期完工。
我深入现场进行了全面的检查,积极与施工方、设计方进行沟通,为工程质量提供了有效的监督和保障。
通过与各方的密切合作,我能够更好地发现和解决问题,取得了优异的绩效。
然而,我也意识到我在某些方面还存在改进的空间。
首先,我需要更加注重细节,确保每个环节都符合标准和规范。
有时候,我可能会因为时间紧迫或其他原因忽略一些小问题,这对工程质量可能会造成潜在的风险。
其次,我需要提高与相关方面的沟通能力,更好地理解他们的需求和要求,以便更好地完成工作任务。
在未来的工作中,我计划通过以下几个方面来改进自己的监理能力。
首先,我会加强与相关方的沟通,及时解决问题和协调各方关系。
其次,我会加强对工程细节的关注,避免疏忽和忽视。
同时,我会提高自身的专业知识水平,不断学习和更新监理相关的法律法规和标准要求,以更好地指导工程实施。
过去的一年是我作为监理人员的成长之路。
通过积极参与各个项目的监理工作,我取得了一定的成绩,同时也发现了自己的不足之处。
我会以此为动力,不断提高自身的能力和水平,为今后的工作做好准备,为建设更加安全高质量的工程做出更大的贡献。
附件1员工年终考核评分标准考核标准分为工作纪律、责任心和积极性、岗位职责完成情况和沟通协调能力四个主项。
考核时间为阳历全年时段。
根据该员工年度具体工作表现和能力对应标准进行打分(四个主项因重要程度不同,各主项满分分数也不相同,见评分表)。
一、工作纪律:(20分)1.是否全面遵守监理工作守则、职业道德和工作纪律,做到廉洁自律,不“吃、拿、卡、要”,做好本职工作的同时与施工单位保持适当“距离”。
2.是否全面遵守公司各项工作制度和规定3.工作时间是否经常迟到或早退。
4.工作时间是否经常在玩手机,是否能保证通讯(手机)联络畅通,未及时取得联系时是否在合理时间内及时回电或回复。
5.是否服从项目负责人或总监的工作安排和调度。
6.假日或夜间因工作需要是否服从值班或加班安排。
7.因个人原因需要请假、暂时离岗或换岗是否向项目总监或项目负责人当面或电话请示。
二、责任心和积极性:(30分)1.工作中是否出工不出力、敷衍了事或者只“监”不“理”。
2.对项目总监或项目负责人交付的工作任务是否能全力以赴积极完成。
3.是否熟悉并认真履行自身岗位职责。
4.面对较为艰苦的工作环境是否毫无怨言坚守岗位。
5.工作中是否主动发现问题并积极跟踪落实。
6.对故意刁难、“不配合”的施工单位管理人员是否能耐心做好沟通工作。
7.是否熟悉专业技术知识,并能坚持加强学习、虚心请教、自觉提高自身业务素质和专业技术。
8.是否出现被主管部门、业主、施工单位投诉的情况。
9.是否积极主动通过微信群上传图片、文字说明反映各个项目施工情况。
三、岗位职责完成情况:(30分)1、专业监理工程师:1)是否参与编制监理规划,负责编制本专业监理实施细则。
2)图纸会审前是否认真熟悉图纸并提出设计疑问。
3)施工中是否全面熟悉本专业的设计图纸内容、掌握重要的设计数据和参数。
4)是否熟悉本专业施工质量验收标准。
5)是否全面掌握工地本专业施工情况并及时准确回答业主、质监、总监或总监代表的询问。
附件1
201×年度员工个人考核表
姓名:
员工编号:
技术职称:
岗位名称:
×××工程监理有限公司制
201×年度员工个人考核表部门/项目监理部:
附表1-1监理人员年度考核评分表项目部名称:
填表说明:该表适用于现场监理人员填写。
该评分表的统计得分中遇有评定项目合理缺项时,该评分表统计得分按下式计算:
评分表统计得分=可评定项目的实得分之和/可评定项目的应得分之和*100%
附表1-2监理部文档人员年度考核评分表
附表1-3 司机年度考核评分表
附表1-4 管理人员年度考核评分表姓名:
附件2 项目部内审检查表(代项目部年终考核表)
编号:WISES-JL-013
考核人员(内审员)签字:项目总监签字:
附件3
201×年度项目监理部考核评分汇总表
考核组长:总监:
年月日
附件4
管理部门内审检查表
编号:WISES-JL-013
内审员签字:部门领导签字:
内审检查表编号:WISES-JL-013
内审员签字:部门领导签字:
内审检查表编号:WISES-JL-013
内审员签字:部门领导签字:
内审检查表编号:WISES-JL-013
内审员签字:部门领导签字:
内审检查表
编号:WISES-JL-013
内审员签字:部门领导签字:
附件5
总监理工程师评价表项目部名称:
注:本表由监理人员填写,每人一张
附件6 年终述职评价表
编号:WISES-JL-047。
监理单位员工个人考核表考核目的监理单位员工个人考核表是为了评估员工在工作岗位上的表现,激励员工持续进步,提高工作效率和质量。
通过对员工的工作表现进行定期的、客观的评估,可以为员工个人的职业发展提供参考,为监理单位的整体工作水平提供评估指标。
考核内容员工个人考核表的内容主要包括: 1. 工作态度和效率:评估员工的工作态度是否积极主动、认真负责,工作效率是否高; 2. 专业技能:评估员工在专业知识和技能方面的水平,是否具备完成工作需要的能力; 3. 团队合作:评估员工在团队中的合作精神和贡献度,是否能够与他人良好地协作; 4. 业绩和成果:评估员工在工作中取得的实际成果和表现,如项目完成情况、质量控制等。
考核方法1.自评:员工根据考核表的内容自我评估,反思自己在各项工作中的表现和问题,并给予相应的得分;2.上级评定:上级根据实际观察和了解,给予员工相应的评定和得分,并在评定过程中与员工进行沟通和反馈;3.同事评价:员工的同事可以对其工作表现进行评价和建议,并给予相应的得分;4.客户评价:如果有客户参与,则客户可以对员工的服务满意度、业绩等方面进行评价,并给予相应的得分;5.综合评定:综合考虑员工自评、上级评定、同事评价和客户评价,得出最终的考核结果。
考核标准考核标准根据监理单位的具体情况和岗位要求而定,可以根据不同的岗位制定相应的考核指标。
考核标准应具有客观性、可量化性和公正性,既要考虑员工个人的表现,也要考虑岗位要求和团队目标。
常见的考核标准包括: 1. 行为规范:员工是否遵守公司的行为规范和职业道德,是否具备良好的工作习惯和职业操守; 2. 工作态度:员工工作时是否积极主动、认真负责,对待工作态度是否端正; 3. 工作效率:员工工作的速度和质量,是否能够按时完成工作任务; 4. 专业知识和技能:员工在专业知识和技能方面的掌握程度,是否具备满足工作需求的能力; 5. 顾客满意度:如果监理单位有客户参与,考核是否能够满足客户的需求和期望。
监理人员考评表〔总监〕姓名:考核评语员工考评表〔年度〕〔专业监理工程师、监理员〕姓名:考核评语员工考评表〔年度〕〔中层〕姓名:考核评语总监填表说明一、职业品德1、任务态度和责任心:A任务态度端正,责任心较强;B任务态度、责任心普通;C任务态度不端正,责任心较差。
〔例如对项目部人员考核不仔细、慎重〕2、正确执行下级的指示、命令:A 正确执行下级的指示、命令并传到达项目部成员;B 自己能正确执行下级的指示、命令但不能做到全部传达;C 不执行下级的指示、命令,也不传达。
3、职业操守状况:A廉洁自律,失掉业主好评;B 能廉洁自律,表现普通;C有吃、拿、卡、要现象或拿发票向承包商报销等。
4、能否指定和引见分包商:A不指定或引见分包商;C指定或引见分包商。
5、能否被业主或树立行政主管部门通报批判或表扬:A书面方式表扬;B不表扬或不批判;C行动或书面方式通报批判。
二、休息纪律1、对公司出勤制度遵守状况:A仔细遵守且能自动加班;B遵守状况普通;C经常回家或经常迟到、迟到或无故旷工或回家后关机。
2、节假日人员布置及自身值班状况:A能听从布置,据守岗位;B经常互换值班,到岗不到位;C不听从值班布置,长时间不值班。
3、任务布置听从状况:A能自动布置值班,且能按值班表据守岗位;B能听从布置,但未能尽心尽责做好任务;C不听从布置。
三、任务才干1、对相关政策规范图纸贯彻运用才干:A贯彻运用才干强,质量、平安快报、月报等上报及时;B贯彻运用才干普通,质量、平安快报、月报等上报及时;C贯彻运用才干差,质量、平安快报、月报等上报不及时。
2、缜密制定业务方案,独立自主地完成任务:A缜密制定业务方案,亲力所为深化现场独立自主地完成任务;B 能制定业务方案,但深度不够,基本完成任务;C不制定业务方案,不能独立自主地完成任务。
3、对工地的掌控才干:A能有条不紊地按监理合同要求展开各项监理任务,失掉业主一定的;B基本做到按监理合同要求展开各项监理任务;C不能按监理合同要求展开各项监理任务。
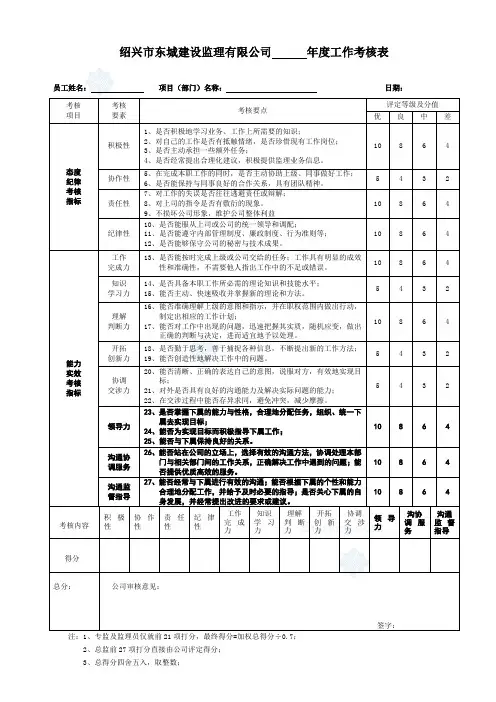
绍兴市东城建设监理有限公司年度工作考核表员工姓名:项目(部门)名称:日期:考核项目考核要素考核要点评定等级及分值优良中差态度纪律考核指标积极性1、是否积极地学习业务、工作上所需要的知识;2、对自己的工作是否有抵触情绪,是否珍惜现有工作岗位;3、是否主动承担一些额外任务;4、是否经常提出合理化建议,积极提供监理业务信息。
10 8 6 4 协作性5、在完成本职工作的同时,是否主动协助上级、同事做好工作;6、是否能保持与同事良好的合作关系,具有团队精神。
5 4 3 2 责任性7、对工作的失误是否往往逃避责任或辩解;8、对上司的指令是否有敷衍的现象。
9、不损坏公司形象,维护公司整体利益10 8 6 4 纪律性10、是否能服从上司或公司的统一领导和调配;11、是否能遵守内部管理制度、廉政制度、行为准则等;12、是否能够保守公司的秘密与技术成果。
10 8 6 4能力实效考核指标工作完成力13、是否能按时完成上级或公司交给的任务;工作具有明显的成效性和准确性,不需要他人指出工作中的不足或错误。
10 8 6 4知识学习力14、是否具备本职工作所必需的理论知识和技能水平;15、能否主动、快速吸收并掌握新的理论和方法。
5 4 3 2理解判断力16、能否准确理解上级的意图和指示,并在职权范围内做出行动,制定出相应的工作计划;17、能否对工作中出现的问题,迅速把握其实质,随机应变,做出正确的判断与决定,进而适宜地予以处理。
10 8 6 4开拓创新力18、是否勤于思考,善于捕捉各种信息,不断提出新的工作方法;19、能否创造性地解决工作中的问题。
5 4 3 2协调交涉力20、能否清晰、正确的表达自己的意图,说服对方,有效地实现目标;21、对外是否具有良好的沟通能力及解决实际问题的能力;22、在交涉过程中能否存异求同,避免冲突,减少摩擦。
5 4 3 2 领导力23、是否掌握下属的能力与性格,合理地分配任务,组织、统一下属去实现目标;24、能否为实现目标而积极指导下属工作;25、能否与下属保持良好的关系。
员工考评表〔年度〕〔总监〕姓名:查核评语员工考评表〔年度〕〔专业监理工程师、监理员〕姓名:查核评语员工考评表〔年度〕〔中层〕姓名:查核评语总监填表说明一、职业道德1、工作态度和责任心:A工作态度端正,责任心较强;B工作态度、责任心一般;C工作态度不端正,责任心较差。
〔例如对工程部人员查核不当真、慎重〕2、正确执行上级的指示、命令:A 正确执行上级的指示、命令并传达到工程部成员;B 本人能正确执行上级的指示、命令但不克不及做到全部传达;C 不执行上级的指示、命令,也不传达。
3、职业操守情况:A廉洁自律,得到业主好评;B 能廉洁自律,表示一般;C有吃、拿、卡、要现象或拿发票向承包商报销等。
4、是否指定和介绍分包商:A不指定或介绍分包商;C指定或介绍分包商。
5、是否被业主或建设行政主管部分传递批评或表彰:A书面形式表彰;B不表彰或不批评;C口头或书面形式传递批评。
二、劳动纪律1、对公司出勤制度遵守情况:A当真遵守且能主动加班;B遵守情况一般;C经常回家或经常迟到、早退或无故旷工或回家后关机。
2、节假日人员安排及自身值班情况:A能从命安排,坚守岗位;B经常调换值班,到岗不到位;C不从命值班安排,长时间不值班。
3、工作安排从命情况:A能主动安排值班,且能按值班表坚守岗位;B能从命安排,但未能尽心尽责做好工作;C不从命安排。
三、工作能力1、对相关政策尺度图纸贯彻应用能力:A贯彻应用能力强,质量、安然快报、月报等上报及时;B贯彻应用能力一般,质量、安然快报、月报等上报及时;C贯彻应用能力差,质量、安然快报、月报等上报不及时。
2、周密制定业务方案,独立自主地完成工作:A周密制定业务方案,亲力所为深入现场独立自主地完成工作;B 能制定业务方案,但深度不敷,底子完成工作;C不制定业务方案,不克不及独立自主地完成工作。
3、对工地的掌控能力:A能有条不紊地按监理合同要求展开各项监理工作,得到业主必定的;B底子做到按监理合同要求展开各项监理工作;C不克不及按监理合同要求展开各项监理工作。
监理公司员工年度考核登记表个人总结一、个人总结在过去的一年中,我充分发挥自己的专业知识和工作能力,认真负责地完成了公司交给我的各项工作任务。
在不断学习和提升自己的过程中,我也意识到自己还存在一些不足之处,希望在新的一年里能够不断改进。
二、工作业绩1. 完成项目进度:在今年的项目中,我按时保质完成了公司交给我的任务,并在规定的时间内完成了项目进度。
2. 工作效率:我尽力提高工作效率,合理分配时间,确保了工作任务的高质量完成。
3. 专业知识:我不断学习新知识,提高了专业技能和水平,通过了相关的考核认证。
三、团队合作1. 配合其他部门:在项目中,我与其他部门积极合作,保持了良好的交流和协作,确保了项目顺利进行。
2. 协助同事:我愿意帮助其他同事解决工作中遇到的问题,共同推动项目进程。
3. 团队提升:我不断鼓励并帮助团队成员提升自己的工作能力,促进团队整体水平的提高。
四、个人不足1. 交流能力:在与客户和同事之间的交流中,我需要更加主动积极,提高交流效率和质量。
2. 抗压能力:在面对工作压力和问题时,我需要更加从容应对,保持良好的心态和工作状态。
3. 学习能力:我需要加强学习新知识和技能的能力,不断提升自己的专业水平。
五、未来计划1. 提高工作效率:在新的一年里,我将进一步提高自己的工作效率,以更高的标准要求自己,努力完成公司的各项工作任务。
2. 加强学习:我将继续学习新知识,不断提升自己的专业技能,为公司的发展贡献更多的力量。
3. 提升交流能力:我将加强自己的交流能力,积极主动地与客户和同事交流交流,提升工作效率,提升个人的发展。
六、对公司的建议在工作中,我认识到公司在某些方面还存在不足之处,我希望公司能够加强对员工的培训和提升,为员工提供更多的发展机会和评台,以激发员工的工作激情和创造力。
希望公司能够加强对项目的监督和管理,确保项目的顺利进行,并提高公司的整体效益。
以上是我个人的年度考核登记表个人总结,希望公司能够认真审视,并给予指导和帮助,以便我能更好地发展。
附件1
201×年度员工个人考核表
姓名:
员工编号:
技术职称:
岗位名称:
×××工程监理有限公司制
201×年度员工个人考核表部门/项目监理部:
附表1-1监理人员年度考核评分表项目部名称:
填表说明:该表适用于现场监理人员填写。
该评分表的统计得分中遇有评定项目合理缺项时,该评分表统计得分按下式计算:
评分表统计得分=可评定项目的实得分之和/可评定项目的应得分之和*100%
附表1-2监理部文档人员年度考核评分表
附表1-3 司机年度考核评分表
附表1-4 管理人员年度考核评分表姓名:
附件2 项目部内审检查表(代项目部年终考核表)
编号:WISES-JL-013
考核人员(内审员)签字:项目总监签字:
附件3
201×年度项目监理部考核评分汇总表
考核组长:总监:
年月日
附件4
管理部门内审检查表
编号:WISES-JL-013
内审员签字:部门领导签字:
内审检查表编号:WISES-JL-013
内审员签字:部门领导签字:
内审检查表编号:WISES-JL-013
内审员签字:部门领导签字:
内审检查表编号:WISES-JL-013
内审员签字:部门领导签字:
内审检查表
编号:WISES-JL-013
内审员签字:部门领导签字:
附件5
总监理工程师评价表项目部名称:
注:本表由监理人员填写,每人一张
附件6 年终述职评价表
编号:WISES-JL-047。