华北电力大学-电路-试卷1
- 格式:pdf
- 大小:160.10 KB
- 文档页数:4
华 北 电 力 大 学 试 卷 纸
考试科目: 电路理论T (1) 课程号: 80110104 课序号:___ __ 考核时间:___ ___
题 号 一 二 三 四 五 六 七 八 总分 分 数 阅卷人
教师姓名
专 业
班 级
姓 名
学 号
答题纸(页数)
卷别 A α
1-1
中,每直线均代表一个)所示电路中,24V
24V
L
R 12V
(a )所示双口网络的传输参数。
3Ω
2
A 1
A 1-4
图所示电路中,已知24A ,求输出电压0U 。
含有理想二极管的电路如图特性曲线。
5V
图
10V Ω
Ω10V
27V ab
U b 图2B
B 两题任选一题,两题都做按列写图所示电路的节点电压方程(仅用节点电压表示)列写图所示电路的节点电压方程(仅用节点电压表示)−
+
−2Ω42V
图3B B 两题任选一题,两题都做按所示电路中,V 、A 4B )求从非线性电阻。
18V u 10V 20ΩΩ图4B 计算题(两题任选一题,两题都做按题(所示电路中,为不含独立源对称互易二端口网络,当I =0时,。
在输出端接多大电阻可获得最大功率,并此时的电流题(电路中,非含源电阻双口网络的传输参数矩阵61.6,求获得最大功率时,源提供的功率。
18V
2
U 2U 1
U 9V
计算题(所示电路中,已知为含源二端网络,,R Ω。
当开关打开时,开关两端的电压25V ,当开关闭合时,流过开关的电流。
试求含源二端的网络的戴维南等效电路。
2
U R。
华 北 电 力 大 学 试 卷 纸
考试科目: 电机学(1)
课程号: 0110205 课序号:_ 1~5___ 考核时间:_2008年7月4日
不变、输出无功功率改变;过激发出感性无功,欠激发出容性无功,
若励磁电流不做调节而调节原动机则同步发电机输出有功功率改变、输出无功功率改变(填改变或不变)。
15 变压器的正序电抗等于负序电抗;同步电机的正序电抗大于负序电抗(填大于、小于或等于)。
二、作图题(共30分)
1 做出单相变压器在副边短路情况下的“T”型等效电路,标注其电阻、电抗参数,并说明其物理意义。
(10分)
2 指出下图所示三相变压器各相原副绕组同名端,并做相量图判断其联接组标号。
(10分)
3 一台并联于无限大电网的隐极同步发电机,调节其励磁电流而原动机不做调节,做出此时的电动势相量图并标明电枢电流和励磁电动势相量的末端变化轨迹(忽略电枢电阻与饱和)。
(5分)
•
U
•
I
•
E
•
01
E
•
1
I
φ
1
t
x
jI
•
1
•
02
E
•
2
I
t
x
jI
•
2
φ
2
t
x
jI
•
第 3 页。
电路历年真题试卷汇编1(总分72,考试时间90分钟)1. 解答题1. (清华大学2007年考研试题)求如图10-5所示电路中电压源发出的有功功率。
已知电源电压为,理想变压器变比n=2,回转器回转电阻α=2Ω。
2. (清华大学2005年考研试题)电路的相量模型如图10-7所示。
已知ωM=2Ω,I1=I2=I3=10A,电路消耗的功率P=1000W。
求R、ωL2和之值。
3. (华中科技大学2006年考研试题)如图10-9所示的含理想变压器的正弦稳态电路中,UL=200V,UR=50V,IS=5A,ω=10rad/s,且有iS与uC同相位,试求R、L、C的值。
4. (华中科技大学2005年考研试题)在如图10-10所示电路中,已知角频率ω=1000rad/s,电源电压的有效值为18V,I=1A,瓦特表的读数为32.4W,L1=L2=0.5H,L3=0.1H,C3=10μF,R1=R2=10Ω,试求互感系数M。
5. (西安交通大学2007年考研试题)图10-11所示电路中含有理想变压器,原边匝数为N1,副边匝数为N2,。
当原边分别由电流源is与电压源us激励时,在保持原边匝数N1不变的前提下,若要使R2上的功率增加,副边匝数N2应增加还是减少?请说出理由。
6. (西安交通大学2007年考研试题)图10一12所示正弦稳态电路中,己知电压源,XL1=1Ω,XL2=2Ω,XM=1Ω,XC=-4Ω。
试求。
7. (哈尔滨工业大学2006年考研试题)图10-14所示非正弦电路中,已知us=10+,L2=M=1H,L1=2H,求电流i2的瞬时值和有效值以及电压源发出的平均功率。
8. (哈尔滨工业大学2005年考研试题)图10一16所示正弦交流电路,已知,L=0.1H,R=10Ω,C=10-3F。
求负载ZL为何值时它可以获得最大功率,最大功率为多少?并求此时电流i2的瞬时值。
9. (东南大学2005年考研试题)如图10-18所示电路,设L1与L2全耦合,则两个理想电压表V1的读数为_________;V2的读数为__________。
华北电力大学电机学试卷A1一.填空题1. 单相电力变压器在额定电压下运行时,其激磁电流为_____波形。
2. 变压器的变比为k,在高压侧做空载试验求得的激磁参数与在低压侧做空载试验求得的激磁参数,其欧姆值之比为_____,而标么值之比为______。
3. 一台额定频率为60赫芝的电力变压器,接于50赫芝、电压为变压器5/6倍额定电压的电网上运行,当忽略原边漏阻抗,则此时变压器的铁心的饱和程度______;激磁电抗______;激磁电流______;铁心损耗_______。
(填入增大、减小或不变)4. 变压器“T”型等效电路中激磁回路电阻rm的物理意义是_____________________,铁心越饱和,其数值越_______,它的数值可用_______________________方法来测量。
5. 变压器的电压变化率与____________________________有关,从运行的观点看希望电压变化率_______。
6. 一台变压器原边接在额定电压的电网上,副边空载电压与满载时电压之比为0.9804,则此时变压器的电压变化率△U=______%,且负载性质为______。
7. 三相变压器理想并联运行的条件是:⑴_______________;⑵_________________;⑶__________________________________________________。
8. 两台联结组别相同,额定电压相同的变压器并联运行,已知:SN1=1000KVA,uk1=4%;SN2=2500kVA,uk2=5%。
当第一台满载时,第二台变压器输出容量为_______kVA。
若要求共输出2700kVA,则第一台输出容量为______kVA,第二台输出容量为_______kVA。
9. 三绕组变压器的额定容量是指:________________________________________,其等效电路中的X1、X2’和X3’的物理含义_____(填入是或不是)漏抗,它们均为____________。
一、简答题(一、简答题(1515分)1、 电网互联的优缺点是什么?电网互联的优缺点是什么?2、 影响系统电压的因素有哪些?影响系统电压的因素有哪些?3、 在复杂电力系统潮流的计算机算法中,节点被分为几种类型,已知数和未知数各是什么?已知数和未知数各是什么?4、 电力系统的调压措施和调压方式有哪些?电力系统的调压措施和调压方式有哪些?5、 什么是短路冲击电流?产生冲击电流最恶劣的条件有哪些?冲击电流?产生冲击电流最恶劣的条件有哪些? 二、二、11、(、(55分)标出图中发电机和变压器两侧的额定电压(图中所注电压是线路的额定电压等级)标出图中发电机和变压器两侧的额定电压(图中所注电压是线路的额定电压等级)2、(、(55分)系统接线如图所示系统接线如图所示, , , 当当 f 1 、f 2点分别发生不对称接地短路故障时点分别发生不对称接地短路故障时, , , 试作出相应试作出相应的零序等值电路。
的零序等值电路。
((略去各元件电阻和所有对地导纳及变压器励磁导纳略去各元件电阻和所有对地导纳及变压器励磁导纳))三、(三、(1515分)额定电压为110KV 的辐射型电力网,参数如图所示,求功率分布和各母线电压(注:必须考虑功率损耗,不计电压降落的横分量)。
必须考虑功率损耗,不计电压降落的横分量)。
四、(15分)在如图所示的两机系统中,负荷为700MW 时,频率为50Hz 50Hz,若切除,若切除100MW 负荷后,系统的频率和发电机的出力各为多少?统的频率和发电机的出力各为多少?P G N M =500MW W σ%=4 P G N M =450MW W σ%=5 负荷的单位调节功率K L*=1.5 P L M =700MW W500M W200M WAB13 8 97f22105 6f 14 10KV220KV110KV10KV35KVZ 1=5+j20ΩZ 2=5+j15ΩA BCj8MV A10~+=C S U A =115KV KVj30MV A40~+=B S五、(五、(1515分)设由电站1向用户2供电线路如图,为了使用户2能维持额定电压运行,问在用户处应装电容器的容量是多少?(忽略电压降落的横分量影响)应装电容器的容量是多少?(忽略电压降落的横分量影响)六、(15分)如图所示的简单系统,当f 点发生BC 相接地短路时,求相接地短路时,求: : : (注:图中参数为归算到(注:图中参数为归算到统一基准值下的标么值S B =100MV A ,U B =U av ) (1) 故障点A 相各序电流和电压的有名值、相各序电流和电压的有名值、A A 相各序电流向量图。
第一部分电力系统稳态分析电力系统稳态分析,研究的内容分为两类,一类是电力系统稳态运行状况下的分析与潮流分布计算,另一类是电力系统稳态运行状况的优化和调整。
第一章电力系统的基本概念1-1 什么叫电力系统、电力网及动力系统?电力系统为什么要采用高压输电?1-2 为什么要规定额定电压?电力线、发电机、变压器和用电设备的额定电压是如何确定的?1-3 我国电网的电压等级有哪些?1-4标出图1-4电力系统中各元件的额定电压。
习题1-4图1-6 图1-6中已标明各级电网的电压等级。
试标出图中发电机和电动机的额定电压及变压器的额定变比。
1-7 电力系统结线如图1-7所示,电网各级电压示于图中。
试求:⑴发电机G 和变压器1T 、2T 、3T 高低压侧的额定电压。
⑵设变压器1T 工作于+2.5%抽头, 2T 工作于主抽头,3T 工作于-5%抽头,求这些变压器的实际变比。
1-8 比较两种接地方式的优缺点,分析其适用范围。
1-9 什么叫三相系统中性点位移?它在什么情况下发生?中性点不接地系统发生单相接地时,非故障相电压为什么增加3倍?1-10 若在变压器中性点经消弧线圈接地,消弧线圈的作用是什么? 1-11 什么叫分裂导线、扩径导线?为什么要用这种导线?第二章 电力系统各元件的参数及等值网络2-4 某220kV 线路,选用LGJJ —2×240分裂导线,每根导线直径为22.4mm ,分裂间距为400mm ,导线水平排列,相间距离为8m ,光滑系数1m 取0.85,气象系数2m 取0.95,空气相对密度为1.0。
试求输电线每公里长度的电阻、电抗、电纳及电晕临界电压。
2-5 有一回500kV 架空线路,采用型号为LGJQ —4×400的分裂导线,长度为250km 。
每一导线的计算外径为27.2mm ,分裂根数n =4,分裂间距为400mm 。
三相导线水平排列,相邻导线间距离为11m ,求该电力线路的参数,并作等值电路。
华北电力大学12、13年电气考研真题一:不定项选择,十个题,一个两分1,总装机容量的定义2,给定电抗标幺值,额定电压和容量,计算有名值3在武功不充裕的系统能用什么调压方式(今年备选项里居然有一个附加串联加压器调压,个人认为不能选,因为这种调整潮流的工作方式并不能为系统提供额外的无功电源,详见稳态书107页)4影响变压器灵虚电抗参数因素5架空地相对导线零序电抗的影响6使发电机频率特性平行上移的频率调整方式7无限大功率电源短路产生的电流分量都有什么8电力系统的运行要求9把每项导线分成若干根,相互间保持一定距离叫()导线10记不住了,哈~~二填空,一共二十分(好像也是每空两分)说我能记住的1串连电抗,串联电容各自在调整潮流当中的作用2有关发电机运行极限的问题,即那几种功率约束3已知Dab,Dac,Dbc问几何均距是多少。
等等三小计算题三十分,一个十分1、画出变压器变比为k:阻抗在左端,阻抗在右端、变比为1/k:阻抗在左端,阻抗在右端四种不同情况的π(pai)型等值电路(就是书上的那个等值电路的延伸,关键要会举一反三)2按电压要求选择变压器分接头(正常题,只不过今年这个题是以标幺制形式给出的)3发电机连接单个支路末端三相短路,(1)画出系统等值图(2)求发电机对短路点的转移阻抗、计算电抗(3)根据运算电抗和运算去算曲线算短路电流,和往年一样四,八十分,一个二十分1一根导线末端的r1,x1,b1、负荷和电压已知,求始端功率和电压(超常规的题)1联合连系统A、B,A增加600MW负荷时Pba等于500MW,联合系统联络线断开以后A系统频率49HZ,B系统频率50HZ,(1)Ka、Kb(2)若联合系统负荷增加800MW,求频率的变化量2两个发电机各自带着已知功率的负荷经一条支路(纯电抗的)连接并列运行(1问和3问有点记不清了)(1)已知PG2,若两个发电机极端电压都为1,求QG1,QG2,12发电机端电压相角差(2)若1节点电压幅值不变,2节点电压幅值变为0.9,定性分析QG1,QG2的变化(3)若1.2之间相角差为30度,幅值都为1,则求QG1、QG2 4简单系统C(注意,不是a相!!)经Y-三角形11(三角形侧靠近发电机)变压器、线路末端单相短路接地求发电机侧(即三角形侧)三个相各自的短路电流标幺值、有名值并画出变压器两侧短路电流的向量图1,电力系统总装机容量是指,该系统中实际安装发电机组的()2我国交流输电线路的最高电压等级是()3电网运行基本要求()4每相分成若干根,互相保持一定距离,称为()5Sb=100MV A,Ub=500KV,标幺值0.2pu,电抗有效值()6使发电机静态特性曲线平行上移,以保证频率偏差在允许范围内是指()7无功电源充足的时候使用的调节手段有()A改变发电机励磁调压B调节变压器变比C并联电容D串联加压器8无限大功率供电系统突然发生三相短路,短路电流含有()分量9影响变压器零序阻抗的因素()10架空线路避雷线对其零序阻抗影响()前十个题目为选择题,之后填空11发电机设备利用率是自己发电设备全年所发()与发电设备()之比12三相导线间距为Dab,Dbc。
华北电力大学 _2006-2007_学年第_2_学期考试试卷(A)班级: 姓名: 学号:一、单项选择与填空题(每空2分共36分) 1.随着时间的变化,单相脉振磁动势幅值的大小和幅值的位置遵循的变化规律是( )。
【⑴大小不变,位置变化; ⑵大小变化,位置不变; ⑶大小、位置均不变; ⑷ 大小、位置均变化】2.三相交流电机运行时的定子绕组的漏磁通可分为三个部分,即( )。
3.要想改变三相交流绕组通入三相对称交流电流产生的基波旋转磁场的转向,可采用的方法为( )。
4.交流电机三相合成基波磁势公式为111 1.35dp N k F I p=,其中1F 为( )。
【⑴正弦型脉振磁势波有效值; ⑵正弦型脉振磁势波幅值;⑶矩形脉振磁势波波幅值;⑷正弦型旋转磁势波幅值】5.在三相对称的交流绕组中通入三相对称电流时,其合成磁势波除基波外,还主要有( )次谐波磁动势。
【列出次数最低的两种谐波次数】。
6.对6p =的三相交流电机,其 A 、B 两相绕组轴线在空间相距的电角度为( )度。
7.葛洲坝水电厂的水轮发电机是96极的三相同步发电机,其转子的转速应为( )转/分;实测两极汽轮发电机的转速为2994转/分,则感应电势的频率为( )赫兹。
8.假设从三相对称交流绕组从各自首端 A 、B 、C 通入相同的正弦交流电流,此时所产生的基波磁动势幅值为( )。
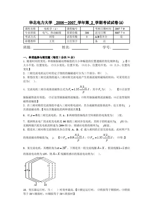
【⑴1110.9dp p N k F I p=;⑵111 1.35dp p N k F I p=; ⑶零;】9.某交流电机,其槽距角为020α=。
下图是其一组交流线圈A X -,假设线圈'11-感应的基波电动势为10V ,则A X -线圈组感应的基波电动势为( )。
α1'1A X10.变压器运行时,当( )时效率最高。
【⑴额定运行时; ⑵铁损等于铜损时;⑶铁损等于50%铜损时;⑷铜损等于50%铁损时】11.一台三相变压器,N S =300kVA ,12N N U U =10kV/0.4kV ,Yd 接法,当此变压器额定运行时,二次侧的相电流为 ( ) 。
一)名词解释负荷静特性一次调频二次调频等面积定则最大负荷利用小时数耗量微增率等面积定则摇摆曲线极限切除角词解释(二)问答题1. 什么情况下线路末端电压高于首端电压,其升高的幅度与线路长度有何关系?2. 两端供电网(闭环网)产生循环功率的原因有哪些?]3. 调整用户端电压的主要措施有哪些?4. 变压器的П型等值电路是怎样起到变压器作用的?5. 同步电机的基本方程为什么采用派克变换,其实质是什么?若定子三相通入直流,问其对应dq0系统的id、iq、io是否仍为直流?6. 试比较无阻尼绕组同步发电机和有阻尼绕组同步发电机定子侧的短路电流分量,且说明其短路过程有何异同?7. 简述平行双回线及架空地线对输电线路零序阻抗的影响。
8. 当系统无功电源不充裕时,使用有载调压变压器进行调压是否适宜?其结果如何?9. 什么是极限切除角?如何求取?10. 有功负荷经济分配的目的是什么?分配所依据的原则是什么?11.简述安装有比例式励磁调节器的单机无穷大电力系统静态稳定的稳定条件、其意义及对稳定的影响。
12. 简述小干扰法分析电力系统静态稳定性的步骤。
13. 作出无阻尼绕组同步电机在直轴方向的等值电路图并写出求取暂态电抗Xd’及14. 时间常数Td’的表达式再作出有阻尼绕组同步电机在直轴及交轴方向的等值电路图并写出求取Xd”及Xq”的表达式。
15. 比较同步机下列的时间常数Ta、Td’、Td”、Tq”的大小以及汽轮发电机的下列电抗的大小以及及汽轮发电机及水轮发电机的下列电抗的大小并为它们按由大到小的次序重新排列Xd、Xd’、Xd”、Xq、Xq”、Xσ(定子漏抗)。
16. 列出无阻尼绕组同步发电机在端点发生三相短路,定子及转子绕组中出现的各种电流分量并指出这些电流分量随时间而变化的规律及其衰减时间常数。
(16)1- 5在电力系统暂态分析中,1.为什么要引入同步电机暂态电势Eq’?2.暂态电势Eq’的大小如何确定?3.在哪些情况下需要使用暂态电势Eq’?(10分)(科大92)17. 试根据无阻尼绕组同步机的磁链及电压方程(略去电阻),推导出用同步机暂态电势和暂态电抗的电压方程式:i. uq=Eq’-idXd’ ud=iqXq18. 上述方程式应用于同步机的什么运行情况?为什么?解决什么问题?式中id 、iq 是什么电流?19. 试利用(1)的结果论证:三相短路电流实用计算中,无阻尼绕组同步机机端短路时一相的起始暂态电流(用标么值表示)的计算公式为:a) I’=Eq’/Xd’20. 根据基本原理,并利用(1)推导出的方程,证明同步机机端三相短路整个暂态过程中Eq’及Eq 之间的关系为:Eq/Eq’=Xd/Xd’21. 无阻尼绕组同步发电机发生突然三相短路,在短路瞬刻及暂态过程中,其气隙电势Eqδ是如何变化的?(6分)22. 应用派克方程研究同步发电机暂态过程时,为什么常略去变压器电势?并试从abc 和dq0坐标系统说明pΨd=pΨd=0的含义。
2E 1U 1E1U 1I 1E Φ2I 2E LZ 2U图10变压器副方加电阻、电感或电容负载时,从原方输入的无功功率有何不同?为什么?变压器副方加电感性负载及电容性负载时,副方电压有何不同?副方电压在什么情况下2U 1U 1I 2I 3I LZ 图11的单相变压器,原方额定电压2400V ,副方有两个独立线圈,分别按图)接负载,其中箭头表示线圈两端的电压相量。
试求:图各线圈中的电流值;(忽略漏阻抗和激磁电流,1I 2I 2U ( 2ωω1U φ1I 2I 2U ( 2ωω1U φscI TAscU 200 IIC 120120120 0(a)6060某四极交流电机定子三相双层绕组的每极每相槽数有一台同步发电机,定子绕组里电动势和电流的正方向分别标在图~U UIESX34有一台旋转电枢的同步电机,电动势、电流的正方向如图35所示。
~3GS IcIU150I图37落后时,电枢反应在发电机的运行里显示出去磁作用;而在电动机中起为什么反应式同步电动机必须做成凸极式的才行?它建立磁场所需的励磁电流由什么供给?它是否还具有改善电网功率因数的优点?能否单独作发电机供给电阻或电感?为什CAI B I CI A U BU CU LZ A I图38同步发电机的三相突然短路 三相突然短路时,各绕组的周期性电流和非周期性电流如何出现?在定、转子绕组中,30(a)4060(b)。
电力系统分析习题集华北电力大学前言本书是在高等学校教材《电力系统稳态分析》和《电力系统暂态分析》多次修改之后而编写的与之相适应的习题集。
电力系统课程是各高等院校、电气工程专业的必修专业课,学好这门课程非常重要,但有很大的难度。
根据国家教委关于国家重点教材的编写要求,为更好地满足目前的教学需要,为培养出大量高质量的电力事业的建设人材,我们编写了这本《电力系统分析习题集》。
力求使该书具有较强的系统性、针对性和可操作性,以便能够使学生扎实的掌握电力系统基本理论知识,同时也能够为广大电力工程技术人员提供必要的基础理论、计算方法,从而更准确地掌握电力系统的运行情况,保证电力系统运行的可靠、优质和经济。
全书内容共分十五章,第一至第六章是《电力系统稳态分析》的习题,第七至第十四章是《电力系统暂态分析》的习题,第十五章是研究生入学考试试题。
本书适用于高等院校的师生、广大电力工程技术人员使用,同时也可作为报考研究生的学习资料。
由于编写的时间短,内容较多,书中难免有缺点、错误,诚恳地希望读者提出批评指正。
目录第一部分电力系统稳态分析第一章电力系统的基本概念第二章电力系统的元件参数及等值电路第三章简单电力系统的计算和分析第四章电力系统潮流的计算机算法第五章电力系统的有功功率和频率调整第六章电力系统的无功功率和电压调整第二部分电力系统暂态分析第七章电力系统故障分析的基本知识第八章同步发电机突然三相短路分析第九章电力系统三相短路的实用计算第十章对称分量法及元件的各序参数和等值电路第十一章不对称故障的分析、计算第十二章电力系统各元件的机电特性第十三章电力系统静态稳定第十四章电力系统暂态稳定第十五章研究生入学考试试题附录第一部分电力系统稳态分析电力系统稳态分析,研究的内容分为两类,一类是电力系统稳态运行状况下的分析与潮流分布计算,另一类是电力系统稳态运行状况的优化和调整。
第一章电力系统的基本概念1-1 什么叫电力系统、电力网及动力系统?电力系统为什么要采用高压输电?1-2 为什么要规定额定电压?电力线、发电机、变压器和用电设备的额定电压是如何确定的?1-3 我国电网的电压等级有哪些?1-4 标出图1-4电力系统中各元件的额定电压。
华北电⼒⼤学专业课第⼀次模拟试卷及答案解析教材华北电⼒⼤学(保定)817/518专业课模拟题1.⼀.单选题:(在本题的每⼀⼩题的备选答案中,只有⼀个答案是正确的,请把你认为正确答案的题号,填⼊题⼲的括号内,多选不给分。
每⼩题1分,共15分)1、下⾯所列各组电⼒⽹接线⽅式中,完全属于有备⽤接线的⼀组是()。
A、两端供电⽹、环⽹、双回线路辐射⽹B、双回线路辐射⽹、环⽹、单回路链式⽹C、单回路辐射⽹、两端供电⽹、单回路⼲线⽹2、关于中性点不接地三相对称系统的中性点对地电压,下述说法中正确的是( )。
A、正常运⾏时为零,单相接地时升⾼为线电压;B、正常运⾏时为零,单相接地时升⾼为相电压;C、正常运⾏时⽆法确定,单相接地时为相电压。
3、220kv电⼒系统中性点应采⽤的接线⽅式是()。
A、不接地;B、直接接地;C、经消弧线圈接地。
4、架空输电线路采⽤分裂导线的⽬的是( )。
A、减⼩输电线路电阻;B、减⼩输电线路电抗;C、增⼤输电线路电容。
5、500kv超⾼压输电线路两端装设并联电抗器的⽬的是( )。
A、防⽌输电线路重载时末端电压降低;B、防⽌输电线路轻载时末端电压升⾼;C、防⽌输电线路轻载时末端电压降低。
6、关于单侧电源电⼒⽹,下述说法中正确的是()。
A、电⼒⽹的功率分布由负荷分布确定,其潮流⽆法调控;B、电⼒⽹的功率分布与线路阻抗有关,其潮流⽆法调控;C、电⼒⽹功率⾃然分布就是功率的经济分布。
7、在⼀个具有n个独⽴节点的系统中,节点阻抗矩阵的阶数为( )。
A、n×n阶;B、(n-1)×(n-1)阶;C、(n+1)×(n+1)阶。
8、系统中有功功率不⾜,会造成( )。
A、电压⽔平上升;B、电压⽔平下降;C、频率下降。
A、1号机组;B、2号机组;C、同时减⼩。
10、电⼒系统⽆功电源最优分配的⽬的是()。
A、使电⼒系统总的能源消耗最少;B、使电⼒⽹的有功损耗最⼩;C、使电⼒系统的电能质量最好。
答题时间120分钟 一、基本题(20分)1. 电路如图所示,求a 点对地的电压U a 。
(4分)3Ω2ΩI S4(第1题) (第2题)2.列出电路的网孔电流方程。
(6分)3.图示正弦交流电路中, 已知u =100sin ()1045t +︒V ,i i 110==sin ()1045t +︒A ,i t 22010135=+︒sin()A ,试判断元件1、2、3的性质并求其元件参数值。
(6分)4.图示耦合电感并联电路中,若L=M ,求电路的等效(复)阻抗Z ab 。
(4分)+-a b(第3题) (第4题)二、综合分析题(共80分)1.调节图示电路中负载电阻L R ,当Ω=30L R 时,负载获得最大功率,求此最大功率.。
(12分)3.02U Ω2.试用节点分析法求图示电路中的电流I 1和I 2。
(10分)Ω3.图示电路原已处于稳态,在t =0时开关由接a 转到接b 。
求i t ()(t ≥0).(12分)3V4.图示电路处于稳态,其中()i t S sin3=+121ωA ,ωω11125L L ==Ω,1451ωC=Ω。
求各电表有效值读数。
(设电流表内阻为零,电压表内阻为无穷大。
)(10分)L 15.含理想变压器电路如图所示,欲使负载电阻R L 获得最大功率,求n 和所获得的P Lmax (6分)1:n R L =4Ω6.图示对称三相电路中,已知线路(复)阻抗()Z 11=+j3Ω,三角形联接负载(复)阻抗()Z =+15j15Ω,负载的三相功率P z =4500W ,求三相电源供出的功率P 。
(10分)A l7.图示正弦交流电路中,已知︒∠=4522SI A ,R =25Ω,电路有功功率100=P W ,求Cω1和无功功率Q 。
(10分)SI Cω18.试求图示电路的U o 与U 1、U 2关系式. (10分)2U 1U U o。
华 北 电 力 大 学 试 卷 纸
考试科目: 电路理论2(A )
课程号: 80110105 课序号:__ ___ 考核时间:_ __
题 号 一 二 三 四五六七八九十十一 十二 十三 十四十五总分 分 数 阅卷人
专 业
班 级
姓 名
学 号
答题纸(页数) 8
卷别 A
)
(u t 所示电路中,2cos100所示电路,12Ω
3:1
1:2
某线性电路的网络函数为=
2sin()V 时的稳态响应。
两段特性阻抗分别为,的无损线连接的传输线如图1-6所示,两段线的0.25m =。
线路的工作频率p v ,终端所接负载。
求始端的输入阻抗ab 2
Z
u 10V 60V 150图图A 两题任选一题,两题都做按分)所示正弦稳态电路中,已知L L =0.1 H 141sin10。
问负载阻抗为何值时能获得最大功率?并求此最大功率如图所示含耦合电感的正弦稳态电路,已知线圈1Ω1L 2H M ,电流源的值为)电流的表达式;各自的复功率。
12
L 1R 1图图A 两题任选一题,两题都做按图C 接线电压为()Ω为何值时其消耗的平均功率最大?并求此最大功率。
,对称三相负载
u u
六、计算题(分)
电路及其有向图分别如图试写出其关联矩阵A
点电压方程的矩阵形式为:
2S
1H
()t
2F
3Ω。