实训一 液力变矩器的拆装与检查
- 格式:pptx
- 大小:32.19 MB
- 文档页数:38
实验十四:液力变矩器的检修一、实验目的:1.了解液力变矩器的结构。
2.了解液力变矩器检修内容和方法。
二、实验设备及器材1.几种常见的液力变矩器2.常用拆装工具1套,专用工具1套。
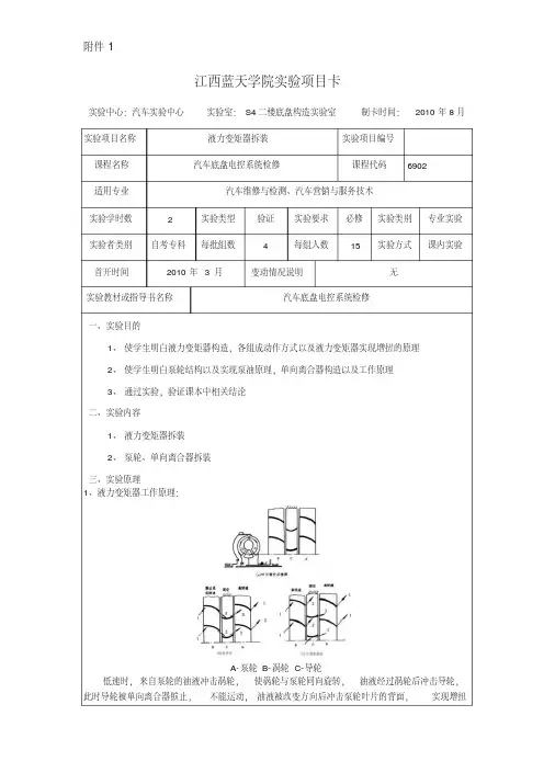
三、实验步骤1. 液力变矩器的结构图1 液力变矩器的实物液力变矩器安装在发动机和变速器之间,以自动变速器(ATF)为工作介质,起传递转矩、变矩、变速及离合的作用。
典型的液力变矩器由泵路、涡轮和导轮组成,如图1所示。
泵轮是液力变矩器的输入元件,位于液力变矩器的后端,与变矩器壳体刚性连接。
变矩器壳体总成用螺栓固定在发动机曲轴后端,随发动机曲轴一起旋转。
涡轮是液力变矩器的输出元件,它通过花键孔与行星齿轮系统的输入轴相连,将动力传向后方。
涡轮安装与泵轮前方,其叶片面向泵轮叶片。
导轮位于涡轮和泵轮之间,是液力变矩器的反应元件。
通过单向离合器单方向固定在不转动的导轮轴或导轮套管上。
2.液力变矩器的工作原理变矩器工作时,壳体内充满自动变速器油,发动机带动外壳旋转,外壳带动泵轮旋转,泵轮叶片间的液压油在离心力作用下,从內缘流向外缘。
当泵轮转速大于涡轮转速时,泵轮叶片外缘的液压大于涡轮外缘的液压,油液在绕着泵轮轴线做圆周运动时,在上述压差的作用下由泵轮流向涡轮。
从涡轮流出的液压油冲向导轮,导轮单向锁止,这时涡轮输出的转矩等于泵轮的转矩与导轮转矩之和,即液力变矩器具有增大扭矩的作用。
3.液力变矩器的检修(1)目视检查目视检查液力变矩器外部有无裂纹和损坏,轴套外缘磨损是否过甚,驱动油泵轴套缺口有无损伤。
若有异常,则应更换液力变矩器。
(2)轴套径向圆跳动的检查将液力变矩器固定在发动机飞轮上,用百分表检查液力变矩器轴套的径向圆跳动量。
转动飞轮一周,百分表的指针偏摆应小于0.03mm。
如果径向圆跳动在允许范围内,应做一标记,以保证安装正确。
若果径向圆跳动不能调整到允许的范围内,则应更换液力变矩器。
(3)导轮单向离合器的检查将单向离合器驱动杆(专用工具)插入变矩器中,以转动单向离合器的内座圈,然后将另一工具(外座圈固定器)插入变矩器中,并卡在轴套的缺口上,以阻止轴套转动,转动驱动杆,以检查单向离合器是否良好。
一、实习目的本次实习的主要目的是通过实际操作,加深对液力变矩器结构、工作原理和拆装步骤的理解,提高动手能力和维修技能。
通过对液力变矩器的拆装,了解其内部构造,掌握拆装技巧,为今后从事汽车维修工作打下坚实的基础。
二、实习时间及地点实习时间:2023年X月X日至2023年X月X日实习地点:XXX汽车维修培训中心三、实习内容1. 液力变矩器概述液力变矩器(Fluid Torque Converter)是一种以液压油为工作介质的非刚性扭矩变换器,主要由泵轮、涡轮和导轮组成。
它安装在发动机和变速器之间,起到传递转矩、变矩和离合的作用。
液力变矩器通过泵轮将发动机输出的机械能转换为液体的动能,再由涡轮将液体的动能转换为输出轴的机械能,从而实现扭矩的传递和变速。
2. 液力变矩器拆装步骤(1)准备工作在拆装液力变矩器之前,首先需要准备好必要的工具和设备,如扳手、螺丝刀、千斤顶、支架等。
同时,将车辆停放在平坦的地面上,确保安全。
(2)拆解液力变矩器1)将车辆用千斤顶支撑起来,卸下轮胎,以便于操作。
2)松开液力变矩器与发动机和变速器之间的连接螺栓,取下液力变矩器。
3)将液力变矩器放置在支架上,防止碰撞和损坏。
4)拆下液力变矩器的泵轮、涡轮和导轮,注意保持其顺序和位置。
(3)检查液力变矩器内部1)检查泵轮、涡轮和导轮的磨损情况,如有异常,需进行更换。
2)检查液力变矩器内部密封圈、轴承等部件,如有损坏,需进行更换。
3)检查液压油的质量,如有污染,需进行更换。
(4)组装液力变矩器1)按照拆卸时的顺序,将泵轮、涡轮和导轮组装回液力变矩器。
2)安装液力变矩器,并拧紧连接螺栓。
3)检查液力变矩器与发动机和变速器的连接是否牢固。
(5)加注液压油1)将液压油加入液力变矩器,注意油面高度。
2)启动发动机,检查液压油压力是否正常。
四、实习心得通过本次实习,我对液力变矩器的结构、工作原理和拆装步骤有了更加深入的了解。
以下是我的一些心得体会:1. 液力变矩器是汽车传动系统中的重要部件,了解其结构和工作原理对于汽车维修工作至关重要。
实训项目一:液力变矩器
学生姓名:实训日期:
工单(2学时)
前期准备:液力变矩器4个,工具箱一套,分4组。
地点:实训楼5楼,自动变速器实训室。
知识要点:
1、液力变矩器的检测与清洗
液力变矩器的检测
轿车自动变速器的液力变矩器外壳都是采用焊接式的整体结构,不可分解。
液力变矩器内部除了导轮的单向离合器和锁止离合器压盘之外,没有互相接触的零件,因此在使用中基本上不会出现故障,液力变矩器的检修工作主要是清洗和检查。
①外观检查
检查液力变速器外部有无损坏和裂纹、轴套外径有无磨损、驱动油泵的轴套缺口有无损伤,如有异常,应更换液力变矩器。
②单向离合器检查
对单向离合器检查,检查单向离合器工作是否正常,在逆时针方向转动时应锁住,而杂顺时针方向应能自由转动。
如有异常,说明单向离合损坏,应更换液力变矩器。
2、请在下图的方框中填入原件的名称。
3、根据上图说明涡流,环流的形成过程
4、锁止离合器的工作过程。
第二节液力变矩器的检修
一、液力变矩器标记
有各种不同的液力变矩器,通过标识字母(如图5-9箭头所示)进行标记。
二、排空液力变矩器
由于部件磨损弄脏了ATF或变速器大修时,必须排空液力变矩器,如图5-11所示。
也可以用V.A.G1358A和导管V.A.G1358A/1从液力变矩器中抽ATF(自动变速器机油)。
三、拆卸和安装液力变矩器留封环
1.需要的专用工具、操作设备、检测仪器以及辅助工具
1)VW192推套。
2)VW681压杆。
2.步骤
1)拆下液力变矩器密封环,如图5-12所示。
2)敲入液力变矩器密封环至平齐,如图5-13所示。
四、安装液力变矩器
注意:如果注入ATF,则只允许使用备件号码为G 052 990 A2的ATF。
1)向液力变矩器中注入1.5L的ATF。
2)安装液力变矩器。
3)ATF泵通过液力变矩器(如图5-14箭头所示)驱动,安装液力变矩器时注意此驱动装置要嵌入ATF泵内轮的凹口中。
4)如图5-15所示,如果变速器壳的拧紧法兰和液力变矩器导向轴颈的接触面之间的尺寸为18mm,则液力变矩器安装正确。
液力变矩器的故障检测与维修液力变矩器是一种用于传递能量和控制转矩的机械装置,常见于自动变速器和发电机等设备中。
在使用过程中,液力变矩器可能会出现各种故障,这会影响设备的正常运行。
本文将介绍液力变矩器的故障检测与维修方法。
故障检测:1. 异常热量:液力变矩器内部的传动液体会产生热量,但若超过正常范围则说明可能存在故障。
可以通过测量变矩器表面的温度来判断是否出现异常热量。
2. 转速不匹配:液力变矩器的输入轴和输出轴的转速应该相等或接近,若存在显著差异则意味着可能出现了转速不匹配的问题。
3. 渗漏:液力变矩器内部的密封件损坏或磨损可能导致液体渗漏。
可以通过观察变矩器附近是否有液体渗漏的痕迹来判断是否存在渗漏问题。
4. 噪音和振动:液力变矩器在运行时应该是平稳无噪音和振动的。
若出现异常噪音和振动可能是由于涡轮或泵的损坏引起的。
维修方法:1. 清洗和更换液体:液力变矩器内部的液体可能会受到污染,需要进行清洗和更换。
首先,将液力变矩器拆解,并清洗内部所有零部件。
然后,更换液力变矩器内部的液体,并确保使用清洁的液体。
2. 更换密封件:若液力变矩器存在渗漏问题,可能是由于密封件损坏或磨损引起的。
需要将液力变矩器拆解,并检查密封件的状态。
若发现密封件损坏,则需要进行更换。
3. 更换涡轮或泵:若液力变矩器存在噪音和振动问题,可能是由于涡轮或泵的损坏引起的。
需要将液力变矩器拆解,并检查涡轮和泵的状态。
若发现涡轮或泵损坏,则需要进行更换。
4. 进行校正和调整:液力变矩器在拆解和维修后需要进行校正和调整,以确保各个部件的配合和运行之间的平衡。
维修液力变矩器需要一定的技术和经验,建议在专业人士的指导下进行操作。
同时,使用合适的工具和设备也是必要的。
保持液力变矩器的正常维修和保养,可以延长其使用寿命并确保设备的正常运行。
液力变矩器的故障检测与维修(二)液力变矩器是一种重要的动力传动装置,常用于汽车、工程机械等各种设备中。
然而,在使用过程中,液力变矩器可能会出现故障,需要及时检测和维修。
液力变矩器的拆装步骤液力变矩器是汽车传动系统中的重要部分,它能够抵抗发动机高速旋转带来的瞬间冲击,使汽车行驶更加平稳。
然而,如果液力变矩器出现故障,需要拆卸进行修理或更换。
下面我们来分步骤了解一下液力变矩器的拆装步骤。
第一步:准备工作在进行液力变矩器的拆卸前,需要先将车辆升起来,并将发动机油与变速箱油排放干净。
同时,需要将电源线拔掉,避免触电危险。
第二步:拆卸扭力转换器盖使用大小适当的扳手,对扭力转换器盖进行拆卸。
需要注意的是,拆卸时需要根据产品手册上的指引进行动作,避免损坏部件。
第三步:卸下压盘和离合器板使用专用的工具,将液力变矩器内部的压盘和离合器板逐一卸下,并仔细检查这些部件的磨损情况,以便及时进行更换。
第四步:拆卸液力轮将液力轮从轴上拆卸下来,这时可能会注意到液力轮内部有压力油残留,需要小心清理干净,避免污染环境。
第五步:拆卸泵轮和涡轮使用专用工具,将液力变矩器的泵轮和涡轮逐个拆卸下来,并进行检查和清洗。
如果发现有严重的损坏或者磨损,则需要进行更换。
第六步:清洁和检查在进行拆卸后,需要清洗液力变矩器内部,并仔细检查每个部件的状态,如果发现任何异常情况,需要进行进一步判断,以便及时进行修复或更换。
第七步:重新组装在检查之后,需要重新组装液力变矩器,注意组装顺序和方法,每个部件放置位置,装配时需要使用专用的工具和润滑油,并严格按照产品手册上的说明进行操作。
以上就是液力变矩器的拆卸步骤,需要注意的是,在进行拆装之前需要具备相关的专业技能和知识,并使用专业的工具和设备,以避免不必要的失误和风险。
希望本文能够对车主们在液力变矩器拆装过程中起到一定的帮助作用。
一、实训目的本次实训旨在通过对液力变矩器的结构、工作原理和检修方法的学习,提高学生对液力变矩器在实际应用中的理解和操作能力。
通过实训,使学生掌握液力变矩器的基本知识,了解其工作原理,并能进行简单的检修和故障诊断。
二、实训时间2023年X月X日至2023年X月X日三、实训地点XX汽车实训中心四、实训内容1. 液力变矩器的基本结构液力变矩器主要由泵轮、涡轮、导轮、壳体、单向离合器等部件组成。
泵轮与发动机飞轮相连,涡轮与变速器输入轴相连,导轮位于泵轮与涡轮之间,单向离合器用于实现液力变矩器的锁止功能。
2. 液力变矩器的工作原理液力变矩器利用液压油作为工作介质,通过泵轮、涡轮和导轮的相互作用传递扭矩。
发动机带动泵轮旋转,液压油在离心力的作用下流向涡轮,推动涡轮旋转,从而实现动力传递。
导轮的作用是改变油液流向,进一步增大扭矩。
3. 液力变矩器的检修方法(1)检查液力变矩器外观:检查壳体、泵轮、涡轮、导轮等部件是否有磨损、裂纹、变形等异常情况。
(2)检查油液:检查液力变矩器内的油液颜色、粘度等是否符合要求,必要时更换新油。
(3)检查单向离合器:检查单向离合器是否灵活、锁止是否可靠。
(4)检查油泵驱动毂与涡轮轮毂的接合情况:确保接合良好,无松动。
(5)检查泵轮与导轮、涡轮与导轮之间的干涉情况:确保转动顺畅,无噪音。
五、实训过程1. 实训初期,教师讲解了液力变矩器的结构、工作原理和检修方法,使学生初步了解液力变矩器的基本知识。
2. 学生分组进行实操训练,按照检修步骤对液力变矩器进行拆解、检查和组装。
3. 教师巡回指导,解答学生在实训过程中遇到的问题。
4. 实训结束后,学生总结实训经验,撰写实训报告。
六、实训心得通过本次实训,我深刻认识到液力变矩器在汽车传动系统中的重要性。
液力变矩器能够实现动力传递、变速和变矩,提高汽车的行驶性能。
在实训过程中,我掌握了液力变矩器的检修方法,提高了自己的动手能力。
同时,我也发现液力变矩器检修过程中需要注意一些细节,如检查油液、单向离合器、油泵驱动毂与涡轮轮毂的接合情况等。
变矩器拆装实训报告总结
首先,变矩器是一种容易损坏的零部件,常常需要拆卸进行检修。
拆
装变矩器需要注意很多问题:一是时间规划,尽可能缩短拆装时间,避免
浪费时间;二是环境选择,舒适安全的环境有助于提高工作质量;三是工
具齐备,选择合适的工具固然重要,更要学会正确使用工具;四是拆装方法,需要按照正确的拆装步骤进行,避免损坏变矩器。
其次,拆装变矩器需要具备一定的技能和知识。
在拆卸过程中,需要
熟练掌握机械的基本原理和操作方法,比如钳子的正确使用方法、螺丝批
的旋转方向、松紧力度的把握等。
同时,在拆装过程中,需要较为熟悉变
矩器的结构和基本工作原理,避免误操作导致变矩器受损。
最后,拆装变矩器需要保持专注、耐心、细致等态度。
在拆卸过程中,需要时刻提醒自己注意事项,特别是安全问题。
在整个过程中,需要有足
够的耐心和细心,避免一些细节方面的差错。
总之,通过本次变矩器拆装实训,我受益匪浅。
我更深刻地认识到拆
装变矩器的重要性,了解了其中的核心原理和方法,提高了自己的机械操
作技能。
我相信,在今后的工作和生活中,这些经验和知识将对我有很大
的帮助。