桥墩设计计算Word 文档
- 格式:doc
- 大小:1.40 MB
- 文档页数:36
一、桥墩计算(2007-01-11 13:11:09)转载桥墩按偏心受压构件考虑进行计算,先必须确定桥墩的计算长度,按《桥规》表 5.3.1 取值。
桥墩外力应考虑纵向水平力及其弯矩、横向风力(高墩)、地震力(纵横向、 7 级设防)、竖直力及其弯矩。
纵向水平力包括制动力引起的水平力、温度引起的水平力、收缩徐变引起的水平力、地震力引起的水平力、支座摩阻力。
一般情况下(无地震力),纵向水平力对桥墩截面影响较大,横向水平力影响较小。
水平制动力、温度力,收缩徐变力均按支座和桥墩合成刚度在各墩台分配,然后组合后与摩阻力组合比较,取最不利情况为桥墩水平力。
一般情况下取支座产生的摩阻力为最不利情况,此时计算出的配筋较为保守,偏于安全。
(关于摩阻力组合的问题,新规范没有进行明确规定,桥梁通新版对摩阻力进行判断组合或者强制组合,当按判断组合进行计算的时候,取制动力、温度力、收缩徐变力进行组合与摩阻力进行比较,取较小者进行配筋,当按强行组合进行计算的时候,取摩阻力为水平力。
)桥墩截面按偏心受压构件必须验算正截面强度,按《桥规》 5.3.5~5.3.9 条公式进行计算。
同时必须按轴心受压构件进行稳定性验算。
当计算桩柱式桥墩时,柱顶受板式橡胶支座弹性约束。
桩柱可换算为两端铰接的轴心受压等截面直杆,计算可参考《连续桥面简支梁墩台计算实例》第一节第九款。
关于墩台下部构造验算时的荷载组合问题,新版《地基规范》总则里面对荷载组合进行了明确规定,摘录如下,仅供参考:1.0.5 条基础结构按承载能力极限状态设计时,结构重要性系数γ0,不低于主体结构的采用值,且不小于 1.0;偶然组合时取 1.0。
1.0.6 条基础结构进行强度验算时,作用效应按承载能力极限状态两种组合进行(JTGD60-20044 .1.6条)裂缝宽度验算时,作用效应按正常使用极限状态的短期效应组合采用。
1.0.7 条地基(包括桩基)承载力验算时,传至基础或承台底面的作用效应主要按正常使用极限状态的短期效应组合采用,但应计入汽车冲击系数,且可变作用的频遇值系数均取1 .0。
3#墩墩身模板计算书一、基本资料:1.桥墩模板的基本尺寸桥墩浇筑时采用全钢模板,模板由平面模板和平面模板带半弧模板对接组成,单块模板设计高度为2250mm,面板为h=6㎜厚钢板;竖肋[10#,水平间距为L1=300mm;横肋为10mm厚钢板,高100mm,竖向间距L2=500mm;背楞:平面模板为双根[20#槽钢、平面模板带半弧模板为双根[14#槽钢,纵向间距为:800mm;2.材料的性能根据《公路桥涵施工技术规范JTG/T F50-2011》和《钢结构焊接规范GB 5066-2011》的规定,暂取:砼的重力密度:26 kN/m3;砼浇筑时温度:10℃;砼浇筑速度:2m/h;不掺外加剂。
钢材取Q235钢,重力密度:m3;容许应力为215MPa,不考虑提高系数;弹性模量为206GPa。
3.计算荷载对模板产生侧压力的荷载主要有三种:1)振动器产生的荷载:kN/m2;或倾倒混凝土产生的冲击荷载:4.0km/m2;二者不同时计算。
2)新浇混凝土对模板的侧压力;荷载组合为:强度检算:1+2;刚度检算:2 (不乘荷载分项系数)当采用内部振捣器,混凝土的浇筑速度在6m/h以下时,新浇的普通混凝土作用于模板的最大侧压力可按下式计算(《桥梁施工工程师手册》P171杨文渊):hPγ=(1)k当v/T<时,h=+T;当v/T>时,h=+T;式中:P-新浇混凝土对模板产生的最大侧压力(kPa);h -有效压头高度(m ); v -混凝土浇筑速度(m/h ); T -混凝土入模时的温度(℃); γ-混凝土的容重(kN/m 3); k -外加剂影响修正系数,不掺外加剂时取k=,掺缓凝作用的外加剂时k=;根据前述已知条件: 因为: v/T=10=>, 所以 h =+T=+×= 最大侧压力为:h k P γ==26×=㎡检算强度时荷载设计值为:='q ×+×=77 kN/m 2; 检算刚度时荷载标准值为:=''q kN/m 2; 4. 检算标准1) 强度要求满足钢结构设计规范;2) 结构表面外露的模板,挠度为模板结构跨度的1/400; 3) 钢模板面板的变形为1.5mm ; 4) 钢面板的钢楞的变形为3.0mm ;二、 面板的检算1. 计算简图面板支承于横肋和竖肋之间,横肋间距为50cm ,竖肋间距为30cm ,取横竖肋间的面板为一个计算单元,简化为四边嵌固的板,受均布荷载q ;则长边跨中支承处的负弯矩为最大,可按下式计算:y x l l Aq M 2'= (2)式中:A -弯矩计算系数,与y x l l /有关,可查《建筑结构静力计算实用手册(第二版)》(中国建筑工业出版社2014)P154表得A=;y x l l 、-分别为板的短边和长边;'q -作用在模板上的侧压力。
第三部分:桥墩结构计算书计算:复核:目录桥墩盖梁计算 01.结构概况 02.荷载计算 03.荷载加载方式 (4)4.计算简图 (7)5.荷载组合 (8)6.盖梁计算 (8)7.墩柱强度验算 (12)8.桩基承载力验算 (16)桥墩盖梁计算1.结构概况(1)采用柱式墩,墩径1.8m,柱距8.0m(2)盖梁为矩形截面,宽x高:2.1x1.9m(3)盖梁、桥墩为C40砼,桩基为C35混凝土(4)半幅桥桥面宽24m,设置8片小箱梁,每片小箱梁下设四个支座(5)墩柱高度约为9m(6)桥面铺装10c m沥青铺装层,8cm现浇混凝土调平层桥面结构布置如下图所示:2.荷载计算(1)恒载混凝土容重按25~26.5KN/m3取值,沥青混凝土按24 KN/m3现浇层重:0.08*23.2*26=48.3 kN/m沥青混凝土铺装重:0.1*20.5*24=49.2kN/m接缝重:0.7119*26=18.5kN/m人行道:0.574*26=15.9kN/m 侧分带:0.25*2*20=10kN/m 防撞护栏:0.43*26.5=12.4kN/m中墩处小箱梁自重反力:1021.3*2+938.8*2=7675.4kN 桥台处小箱梁自重反力:481.2*2+439.8*6=3601.2 kN (2)活载采用公路Ⅰ级,冲击系数1.36 中墩:单列汽车反力为:713.9*1.36=970.9 KN 人群荷载反力为:107.5*3=322.5KN 桥台:单列汽车反力为:483.4*1.36=657.4 KN 人群荷载反力为:40.9*3=122.7KN (3)制动力全联制动力计算如下:车道数折减系数qk(KN/m)Pk(KN)跨径联长5310.52803090判断制动力取值<495495墩顶制动力(KN)纵桥向汽车制动力计算一联汽车制动力制动力最小值367.5495偏安全考虑全桥制动力由两个中墩承受,一个桥墩承受的制动力为:495/2=247.5KN(4)温度力温度变化按20°考虑,混凝土收缩徐变按25°读考虑,支座距温度零点距离为30/2=15m ,桥墩刚度偏安全取桥墩支座刚度,温度力计算如下:(5)横桥向风力单墩横桥向风力计算如下:(6)地震力支座均采用板式橡胶支座,其中桥台处支座型号为GYZF4300x65,桥墩处支座型号为GYZ400x84,板式橡胶支座K=N×A×G/t,支座刚度计算如下表所示:根据《公路桥梁抗震设计细则》(JTG/T B02-01——2008)进行E1纵、横桥向地震力计算,根据地质详勘报告,本场地的抗震设防烈度为7度,设计基本地震加速度值为0.10g,所属设计地震分组为第三组,本建筑场地的建筑场地类别为Ⅲ类,特征周期为0.65s,根据试算在E1地震下支座与主梁间已产生滑动,地震力计算时考虑上部结构地震力均由两个中墩承受,算出单墩上部结构地震力,再扣除桥台处支座摩阻力,即为实际单墩地震力。
桥墩墩柱设计计算墩柱直径为100,用C30号砼,R235钢筋:(一)荷载计算:1恒载计算:同前计算得:(1)上部构造恒载,一孔重1669.69;(2)盖梁自重(半根盖梁):113.10;(3)横系梁重:1.00×0.7×3.2×2.5=56;(4)墩柱自重:3.1416×0.52×1.9×25=37.31;作用墩柱底面的恒载垂直力为:N恒=1/2×1669.06+37.31=984.94;2活载计算:(1)水平荷载:取垂直荷载的30%。
(2)垂直荷载:a.公路Ⅱ级汽车荷载:荷载布置及行驶情况前述,由盖梁计算得知:单孔单列:B1=0B2=255.28,B1+B2=255.28;相应的制动力;T=255.28×2×0.1=51;按《公预规》制动力不小于90kN,故取制动力为90kN。
双孔单列:B1=76.78KN,B2=255.28KN,B1+B2=322.06KN相应的制动力;T=322.06×2×0.1=64.4;按《公预规》制动力不小于90kN,故取制动力为90kN。
b.人群荷载:单孔行人(单侧):B1=0B2=22.28;B1 +B2=22.28;双孔行人(单侧):B1=B2=22.28B1+B2=44.57;汽车荷载中双孔荷载产生支点处最大反力值,即产生最大墩柱垂直力;单孔荷载产生最大偏心弯矩即产生最大墩柱底弯矩。
3双柱反力横向分布计算:(1)单列车时:==1-1=0双列车时:==1-0.631=0.369(2)人群荷载:单侧时:;==1-1.423=-0.423;双侧时:=;4荷载组合;(1)最大最小垂直反力计算如下表:可变荷载组合垂直反力计算表(双孔)编号荷载情况最大垂直反力()最小垂直反力()B(1+u)B (1+u)1公路Ⅱ级单列车1.000415.04002双列车0.631523.780.369306.304人群荷载单侧行人1.42363.42-0.42318.855双侧行人0.50044.5744.57注:表中公路Ⅱ级项中已计入冲击系数1+=1.2499;(2)最大弯矩计算如下表:活载组合最大弯矩计算表编号荷载情况墩柱顶反力B(1+)垂直力()水平力H()对墩柱顶中心弯矩B1B20.25(B1-B2)1.14H1上部构造与盖梁恒载------947.63---002单孔双列车510.56×0.631×1.2499402.67402.6745102.3051.303人群单孔双侧89.14×0.50044.5744.57---11.14---注:表内水平力由两墩柱平均分配(二)截面配筋计算及应力验算:1作用于墩柱顶的外力:(1)垂直力:最大垂直力;Nmax汽=947.63+523.78+63.42=1534.83(汽)故取NMax=3905.85;最小垂直力;(需考虑与最大弯矩值相适应)由表知:Nmin=947.63+402.67+44.57=1394.87;(2)水平力:H=45;(3)弯矩;Mmax=102.30+51.30+11.14=164.74KN.m;2作用于墩柱底的外力:0.500B1+B2---0---Nmax=1534.83+37.31=1572.14;Nmin=1394.87+37.31=1432.18;Mmax=164.74+45×1.9=250.2 KN.m;3截面配筋计算:已知墩柱顶用c30混凝土,采用12¢16HRB235钢筋,Ag=24.13cm2,则纵向钢筋配筋率为0.31%。
本桥选择左幅桥2号桥墩和右幅桥3号桥墩计算1、左幅桥2号墩(非过渡墩)(一)、基本资料:1).设计荷载:公路Ⅰ级2).T梁(单幅5片梁,简支变连续)高:2.4m3).跨径:40m4).该联跨径组合:(3×40)m5).结构简图如下:二、水平力计算1.横向风力计算按《公路桥涵设计通用规范(JTG D60-2004)》附表1,取湖北省黄石市设计基本风速为V10=20.2m/s;横桥向水平风力计算表参数k0k1k2k3k5桩柱式墩顺桥向挡风面积很小,故顺桥向水平风力不计。
2.温度力计算温差按25度考虑,混凝土收缩徐变近似按温差15度考虑,计算刚度K时,偏安全的忽略支座和桩基的刚度,计算如下表:3.汽车制动力力计算(考虑2车道,一联中近似由一个非过渡墩承受)4.撞击力计算由《公路桥涵设计通用规范(JTG D60-2004)》查得,六级航道内的撞击力顺桥向为100KN,横桥向为250KN,作用点位于通航水位线以上2m的桥墩宽度或长度的中点。
5.桥墩及盖梁自重荷载计算三、作用组合1.支反力汇总按上述盖梁计算立面图,5片主梁从左到右依次编号为1~5,其对应盖梁顶支座反力如下表:2.墩底内力计算因墩柱与盖梁(约5:7)刚度相近,将盖梁与墩柱在横桥向做刚架计算,其中,盖梁计算书另行给出,此处只计算墩柱部分。
荷载分别计算上述“上构支反力汇总”三种活载工况及“横桥向水平风力”作用下墩底内力,计算模型及工况3计算结果如下图所示,其他见下表。
1)活载横桥向产生的墩底内力:(1)墩柱盖梁刚架模型(2)活载工况3结构弯矩图(3)工况3结构剪力图(4)工况3结构轴力图活载横桥向墩底内力左右工况1 N 1029.63 N -23.03 Q 5.38 Q 5.38 M 16.96 M 72.57工况2 N 1650.48 N 362.82 Q 11.97 Q 11.97 M 111.86 M 11.93工况3 N 1447.94 N 907.662)风力横桥向产生的墩底内力:3)墩底内力组合a.考虑顺桥向撞击力的偶然组合:对于圆形截面,纵横向内力应合并计算。
空心墩墩身计算书一、设计资料桥梁跨径:L=40m路基宽度:W=26m桥梁跨径组合:4×40m空心墩尺寸:横桥向宽度4.25m(对应悬臂长度3.5m)顺桥向宽度2.4m、3m、4m三种空心墩壁厚:空心墩尺寸表二、桥墩集成刚度计算假定1、一联桥中,仅仅计算三个中墩的受力,不考虑过渡墩的受力。
2、偏安全考虑,汽车制动力的分配按照三个中墩的集成刚度分配。
3、一联桥梁中,空心桥墩墩高分别采用低限和高限的组合即:采用2.4米厚的空心墩,一联中桥墩高度分别采用40m、50m、50m;采用2.4米厚的空心墩,一联中桥墩高度分别采用50m、60m、60;采用2.4米厚的空心墩,一联中桥墩高度分别采用60m、70m、70。
4、主梁的收缩徐变折成降温计算,降温温度取30℃。
5、为取得最大水平力,温度变化须与收缩徐变变化一致,升温不控制设计,升温水平力不做计算。
故由温度变化引起的水平力,仅考虑降温引起,降温温度取25℃。
6、在中墩处均设置固定支座,过渡墩处设置滑板支座。
三、桥墩集成刚度计算1、桥墩几何参数计算空心墩墩身惯矩按照下式计算:桥墩几何参数2、桥墩抗推刚度计算按照《铁路桥涵设计规范(TBJ2-85)》第,计算抗推刚度时,混凝土的抗弯弹性模量取抗压弹性模量的0.8倍,桥墩抗推刚度按照下式计算,即:其中:E-混凝土弹性模量,C30混凝土,E=3×104MPa;H-桥墩高度桥墩抗推刚度3、支座刚度计算支座为板式橡胶支座,规格为GYZ425×99,每个桥墩顶8个支座。
支座刚度按照下式计算,即:其中:n-支座的个数;A-支座的面积;G-支座的剪切模量,取1.1×104MPa;t-支座橡胶厚度,取支座高度的0.8倍;支座刚度:ρ=15763KN/mz4、桥墩集成刚度计算桥墩与支座串联,桥墩的集成刚度按照下式计算,即:桥墩集成刚度四、桥墩墩顶水平力计算1、一联桥梁变形零点计算变形零点按照下式计算,即:其中:C —收缩系数,计算中按照混凝土收缩+徐变+降温取55℃,C=1E-5×55=0.00055; i i L K -桥墩抗推刚度与桥墩距桥台距离的乘积;R -桥台摩擦系数与上部结构竖直反力的乘积,如为滑板支座,取0。
1 桥墩静力计算荷载组合组合I :恒载+汽车—20级 组合III :恒载+挂车—100取桥墩初始偏心距为5cm ,由《公预规》04规范5.3.10条,偏心距增大系数为:20120011()1400/l e h hηζζ=+100.2 2.71.0e h ζ=+≤ 02 1.150.011.0l hζ=-≤ 取2#墩-右进行计算:020.7127601.150.01 1.150.01 1.0711200l h ζ⨯=-=-⨯=>,故2ζ取12201200110.712760501()1()(0.2 2.7)1501400/12001130140011301.286l e h h ηζζ⨯=+=+⨯+⨯⨯⨯= 由初始偏心矩和偏心增大系数引起的弯矩为:0M Ne η=同理可求出其他墩的偏心增大系数以及各墩顶的弯矩,并列于表1-1中。
表1-1 墩顶反力值桥墩号FY (kN) FZ (kN) 偏心增大系数 弯矩(kN.m ) 1#墩(左)组合I1650.82053.81.071110.0组合III 1630.6 2414.2 1.071 129.3 1#墩(右)组合I-1533.92076.71.132117.5组合III -1560.3 2391.2 1.132 135.3 2#墩(左)组合I211.91756.91.187104.3组合III229.52098.41.187124.52#墩(右)组合I211.9 1687.2 1.286 108.5 组合III 229.5 2023.0 1.286 130.1 3#墩(左)组合I2.8 1977.1 1.122 110.9 组合III 5.3 2263.3 1.122 127.0 3#墩(右)组合I2.8 1918.5 1.220 117.0 组合III5.32211.31.220134.9注:左侧为曲线外侧柱,右侧为曲线内侧柱。
每个墩左柱和右柱配筋相同,取每个墩处的最大值进行验算 1#墩:根据《公预规》04规范5.3.2条''00.9()u cd cor sd s sd s N f A f A kf A =++210 3.1416106078.541307720cor so S d A A mm Sπ⨯⨯===11.5cd f MPa =,195sd f MPa =,'280sd f MPa =223.14161060 3.1416220.9(11.528028 2.019513077)4416405870164062414.2u N N kN kN⨯⨯=⨯⨯+⨯⨯+⨯⨯==> 2#,3#墩与1#墩截面相同,配筋基本相同,同理可求得其极限承载力远大于设计值。
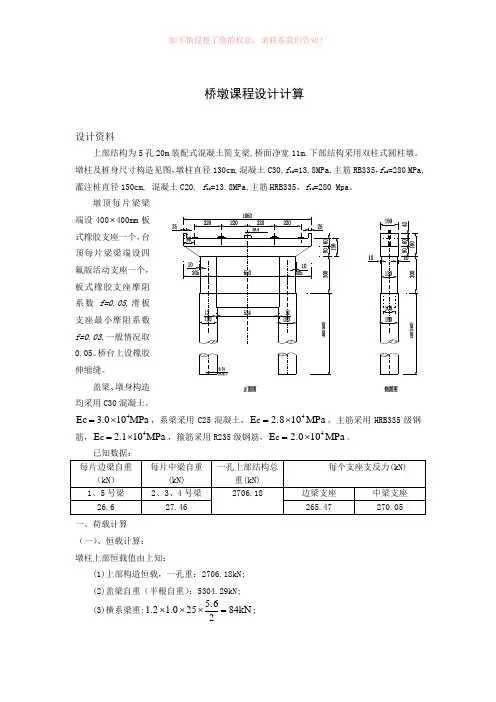
桥墩课程设计计算设计资料上部结构为5孔20m 装配式混凝土简支梁,桥面净宽11m.下部结构采用双柱式圆柱墩。
墩柱及桩身尺寸构造见图,墩柱直径130cm,混凝土C30,f cd =13.8MPa,主筋RB335,f sd =280 MPa,灌注桩直径150cm, 混凝土C20, f cd =13.8MPa,主筋HRB335,f sd =280 Mpa 。
墩顶每片梁梁端设400⨯400mm 板式橡胶支座一个,台顶每片梁梁端设四氟版活动支座一个,板式橡胶支座摩阻系数f=0.05,滑板支座最小摩阻系数f=0.03,一般情况取0.05。
桥台上设橡胶伸缩缝。
盖梁、墩身构造均采用C30混凝土,4c 3.010MPa E =⨯,系梁采用C25混凝土,MPa 102.84C ⨯=E ,主筋采用HRB335级钢筋,4C 2.110MPa E =⨯,箍筋采用R235级钢筋,MPa 102.04C ⨯=E 。
已知数据:一、荷载计算 (一)、恒载计算: 墩柱上部恒载值由上知:(1)上部构造恒载,一孔重:2706.18kN; (2)盖梁自重(半根自重):5304.29kN; (3)横系梁重:kN 8425.6250.12.1=⨯⨯⨯;(4)墩柱自重:墩柱自重:21.31225398kN 4π⨯⨯⨯=;(二)、活载计算荷载布置及行驶情况参考前面计算,数值直接取用。
1、汽车荷载(1)单孔单车时120255.28kN 0255.28255.28kN B ,B ,B ===+=相应得制动力为:[]2010.50.752380.751033.6kN T %=⨯⨯+⨯⨯=<90kN所以单孔单车时得制动力取为:T=90kN(2)双孔单车时1276.28kN 255.28kN 76.28255.28332.06kN B ,B ,B ===+=相应得制动力为:[]22010.50.752380.751049.35kN 90kN T %=⨯⨯⨯+⨯⨯=<取双孔单车制动力为:T=90kN 。
桥墩盖梁计算书一、设计依据1、《公路工程技术标准》(JTG B01-2003);2、《公路桥涵设计通用规范》(JTG D60-2004);3、《公路钢筋混凝土及预应力混凝土桥涵设计规范》(JTG D62-2004);4、《公路桥涵地基与基础设计规范》(JTG D63-2007);5、《公路桥梁抗震设计细则》(JTG-TB02-01-2008);6、《公路桥涵施工技术规范》(JTG TF50-2011);7、《公路桥涵设计通用规范》(JTG D60-2004);8、现行的其他《规范》、《规程》、《办法》。
二、技术指标1、路线等级:城市次干路,双向4车道;2、计算行车速度:40公里/小时;3、抗震设防烈度:地震设防烈度7度,地震峰值加速度取0.15g;4、环境类别:Ⅱ类;5、桥面布置:5m(人非混行道)+7.5m(机动车道)+ 0.5m(防撞墙)=13m;6、设计荷载:城-A级;人群集度3.5KN/m2。
7、结构体系:简支梁;构件类别:预应力钢筋混凝土构件。
8、计算跨径:(9×20)m。
三、材料参数1、混凝土:a、盖梁采用C30混凝土:容重26 KN/m³;b、沥青混凝土铺装10cm,容重24 KN/m³;c、调平层混凝土采用10cmC50混凝土。
2、普通钢筋:箍筋采用HRB335,直径12mm、受力主筋采用HRB335钢筋,直径25mm。
四、盖梁计算1、盖梁全长12.60m,盖梁宽度1.7m,盖梁高度1.5m2、计算图式:3、斜筋计算方式a、砼和箍筋共同承担分配系数0.8,侧面筋间距15cm, 裂缝计算中钢筋直径系数1.34、计算结果根据以上计算结果显示,以上盖梁计算满足截面承载能力要求、截面抗裂缝要求和截面抗剪要求。
某高速公路特大桥的桥墩基础一、基本任务1、在完成专业技术《基础工程》等课程学习的基础上,要求对歌类建筑物的浅基础设计、桩基设计、地基设计、软弱地基处理等方面的计算知识能融会贯通、灵活掌握合理的、正确地应用于具体工程的实际,独立的完成基础方案选取及其所要求的设计、校核的计算内容,以达到培养解决工程实际问题核分析问题的能力.2、对于所给的具体资料能够准确阅读、系统掌握、正确处理、灵活应变。
3、提供完整的计算资料处理、计算过程计算结果说明书核必要的制图。
二、目的通过所给的某高速公路上的**大桥的桥墩和桥台的基础设计(计算与校核),巩固所学专业相关课程的基本知识,熟悉和完成设计的各个环节,通过合理的技术方案选取,施工设计准确的计算过程的训练,以提高实际工作的能力。
三、设计荷载计算校核依据基础地面以上的荷载计算按以下数据1、设计荷载汽车Ⅰ级,确定桥面荷载.2、桥面结构3、桥面采用双向行车分离结构。
具体不支持存参照附图,详细尺寸结构可以简化,计算桥面自重参考尺寸:桥长18孔×30米,包括桥台耳长546。
96米。
桥面梁采用4孔一联、两个54孔一联。
4孔一联的预应力混凝土简支梁。
梁截面T型梁,横截面每半边布置5片梁,主梁间距2。
6米;等高度梁,梁高1.9米,每个4。
86米设横隔梁一道.具体尺寸可以拟定自重自由假定简化计算。
4、墩、台基础混凝土为25级。
墩、台自重的计算可以考虑双柱式,整体式任选.混凝土容25KN m重35、钢材Ⅰ、Ⅱ级.四、工程地址情况基本情况表述如下:桥位处于河谷“U”字形地域,具有较强的侧向侵蚀作用,因水库的拦蓄作用,河漫滩出现谷坡一般高于河底2-4米,成细波沿桥轴线锯齿状分布。
KN m,C=0 KPa ϕ=28o;路基土平均容重19。
03地基土层计算依据处理可选方案:1、具体选定位置时可参考附图中地层示意图自选。
除表土外,典型土层可以分三层:KN m,TK=200Kpa;中密。
⑴中(细、粗)7砂混卵石层,厚度0。
一、工程概况湘潭昭山示范区昭山大道上跨京广铁路立交桥工程,桥址处在既有京广铁路里程K1601+426。
016处,线路纵断面曲线R=1750m。
京广上、下行线为电气化铁路,P60钢轨无缝线路,,轨枕为Ⅲ型混凝土枕,碎石道床. 列车时速为120km/h ~160km/h;铁路路基为劈山挖方,路基两侧山高壁陟,高差21m.山体地质结构为表层杂质土和全风化板岩,中层为强风化板岩,下层为中风化板岩.山堑边坡采用浆砌片石边坡防护.新建桥梁桥面高程为69。
00~69。
68m,桥面结构底部高程为66。
20~66。
88.m(桥梁底线),桥下铁路线路轨面高程为58.65m。
新建桥梁按道路走向分右幅、左幅,相间分离从西往东5—10m,每幅宽度为16m,桥梁总长62m。
第二跨(1号墩—2号墩)35m小箱梁跨越京广上下行线两股道,1号墩外侧相距京广下行线线路中心5。
85m,2号墩外侧相距京广上行线线路中心16。
98m。
新建跨线桥上部结构采用(20+35)m先简支后连续预应力砼(后张)小箱梁+6m简支板,下部结构0号台为¢1.5m桩柱基础配帽梁形式,1号墩为¢1。
8m 桩基础配墩柱盖梁形式,墩柱为¢1。
6m,高度5m,2号墩为¢1。
5m桩柱基础配盖梁形式,3号桥台重力式桥台配扩大基础.0号台、2号墩桩基设计为机械钻孔灌注桩(¢1。
5m钻孔桩12个),1号墩桩基邻近铁路线设计采用人工挖孔灌注桩(¢1。
8m钻孔桩12个).二、施工方案2。
1、桩头系梁施工⑴、桩头处理,凿除高出系梁护壁砼、凿除桩头表层水泥浮浆,进行桩基无破损检验。
⑵、清除上表松散层,用清水冲洗干净。
测量人员测量桩柱中心点.⑶、1号墩系梁在路堑斜坡位置,以桩身外壁平齐(2。
2m宽)砌筑挡墙至系梁底高度,粱底面浇筑10cm厚C20砼做底模及支架底座,系梁侧墙模采用钢模、钢管、木枋对拉支模施工。
⑷钢筋安装。
调直桩顶主筋伸入系梁,按设计和规范要求绑扎桩顶钢筋及系梁钢筋笼,根据测量墩柱中心点在系梁钢筋顶面固定柱筋定位圈,将柱身主钢筋焊牢在定位圈上,完成墩柱主筋预埋。
1 工程概述瓦洪公路(随塘河路~平庄公路)新建工程中的南横河桥为三跨简支预制板梁桥(8m+13m+8m),本计算书为桥墩单桩承载力的验算。
2 基本设计资料2.1 主要设计规范及标准《公路桥涵设计通用规范》(JTG D60 2004)《公路钢筋混凝土及预应力混凝土桥涵设计规范》(JTG D62 2004)《公路工程抗震设计规范》(JTJ004 89)《公路桥涵地基与基础设计规范》(JTJ024-85)《地基基础设计规范》(上海)(DGJ08-11-1999)《公路设计手册-路基》2.2 荷载标准车道荷载:公路-Ⅰ级设计车道数n车:4(*3.75)人群荷载q人群: 3.0kN/m22.3 桥宽0.5m(栏杆)+0m(人行道)+0.75m(非机动车道)+15m(机非分隔带)+0.75m(机动车道)+0.25m(防撞墙)=17.5m2.4 跨径布置30m(中跨)+30m(中跨)+30m(边跨)2.5 斜角顺交0度2.6 材料容重钢筋混凝土γ1:27.0kN/m3沥青混凝土γ2:23.0kN/m32.7 铺装边跨每延米铺装重:q铺边=27×17.5×0.08+23×16.5×0.1=75.75kN/m中跨每延米铺装重:q铺中=27×17.5×0.08+23×16.5×0.1=75.75kN/m2.8 边跨和中跨板梁布置边跨主梁每延米自重:q边=27×(0.396868×2+0.30093×17)=159.557742kN/m中跨主梁每延米自重:q中=27×(0.49818×2+0.39993×17)=210.46959kN/m2.9 桥墩和支座布置桥墩形状见右图B盖梁=17.75/cos(0)=17.75mB墩柱=0.8mB承台=17.75/cos(0)=17.75mn墩柱=0mh1=0.1mh2=1.06mh3=0mh4=0mb1=0.65mb2=0.6mb3=0.37mb4=0.32mb5=1.35mb6=0mb7=1.35mb8=0mb9=0.639079422382671mb10=0.675mb11=0.675m盖梁面积A盖梁=1.385m2墩柱面积A墩柱0m2承台面积A承台=0m2盖梁形心距墩底中心e1=-0.0359205776173286m边跨支座距距墩底中心e2=0.255m中跨支点距距墩底中心e3=-0.305m盖梁形心距桩群中心e4=-0.0359205776173286m墩身形心距桩群中心e5=0m边跨支座距桩群中心e6=0.255m中跨支点距桩群中心e7=-0.305m3 作用效应计算3.1 永久作用效应3.1.1 边跨和中跨主梁自重P边=159.557742×30/2=2393.36613kN P中=210.46959×30/2=3157.04385kN 3.1.2 铺装P边铺=75.75×30/2=1136.25M边铺纵=1136.25×(0)=0P中铺=75.75×30/2=1136.25M中铺纵=1136.25×(0)=03.1.3 人行道板P边人行=4.8×0×30/2=0M边人行纵=0×(8.25)=0P中人行=4.8×0×30/2=0M中人行纵=0×(8.25)=0(4)汽车加载(4)-1单孔加载边跨:2车道Pq边1=2×1×(1+0.05)×(7.875×30/2+252)=777.2625kN Mq边1纵=777.2625×(5.3)=4119.49125kN-m 3车道Pq边2=3×0.78×(1+0.05)×(7.875×30/2+252)=909.397125kN Mq边2纵=909.397125×(3.75)=3410.23921875kN-m 4车道Pq边3=4×0.67×(1+0.05)×(7.875×30/2+252)=1041.53175kN Mq边3纵=1041.53175×(2.2)=2291.36985kN-m 5车道Pq边4=5×0.6×(1+0.05)×(7.875×30/2+252)=1165.89375kN Mq边4纵=1165.89375×(0.65)=757.830937500001kN-m 中跨:2车道Pq中1=2×1×(1+0.05)×(7.875×30/2+252)=777.2625kN Mq中1纵=777.2625×(5.3)=4119.49125kN-m 3车道Pq中2=3×0.78×(1+0.05)×(7.875×30/2+252)=909.397125kN Mq中2纵=909.397125×(3.75)=3410.23921875kN-m 4车道Pq中3=4×0.67×(1+0.05)×(7.875×30/2+252)=1041.53175kN Mq中3纵=1041.53175×(2.2)=2291.36985kN-m 5车道Pq中4=5×0.6×(1+0.05)×(7.875×30/2+252)=1165.89375kN Mq中4纵=1165.89375×(0.65)=757.830937500001kN-m (4)-2双孔加载a、 2车道Pq2边1=2×1×(1+0.05)×(7.875×30/2+252)=248.0625kN Mq2边1纵=248.0625×(5.3)=1314.73125kN-m Pq2中1=2×1×(1+0.05)×(7.875×30/2)=777.2625kN Mq2中1纵=777.2625×(5.3)=4119.49125kN-m b、3车道Pq2边2=3×0.78×(1+0.05)×(7.875×30/2+252)=290.233125kN Mq2边2纵=290.233125×(3.75)=1088.37421875kN-m Pq2中2=3×0.78×(1+0.05)×(7.875×30/2)=909.397125kN Mq2中2纵=909.397125×(3.75)=3410.23921875kN-mC、4车道Pq2边3=4×0.67×(1+0.05)×(7.875×30/2+252)=332.40375kN Mq2边3纵=332.40375×(2.2)=731.28825kN-m Pq2中3=4×0.67×(1+0.05)×(7.875×30/2)=1041.53175kN Mq2中3纵=1041.53175×(2.2)=2291.36985kN-mD、5车道Pq2边4=5×0.6×(1+0.05)×(7.875×30/2+252)=372.09375kN Mq2边4纵=372.09375×(0.65)=241.8609375kN-m Pq2中4=5×0.6×(1+0.05)×(7.875×30/2)=1165.89375kN Mq2中4纵=1165.89375×(0.65)=757.830937500001kN-m3.2.2 汽车制动力一个车道汽车制动力:Tq制动=max{(7.875×(2×30+2×30+30)+252)×10%,90}=143.325kN 按2个桥墩均摊计算Tq2=±(3×0.78×143.325/2)=±(167.69025)kN M制动纵=±(167.69025×(3.75))=±(628.8384375)kN-m 3.2.3 人群荷载P人群=3×0×(30+30)/2=0kN M人群纵=0×8.25=0kN-m 3.3 作用效应汇总3.3.1 永久作用作用在边跨支座上竖向力:Pg1=2393.36613+1136.25+0+52.65+150+1080+0=4812.26613kN 作用在边跨支座上纵向弯矩:Mgz1=0+0+447.525+(-1275)+0+0=-827.475kN-m 作用在中跨支座上竖向力:Pg2=3157.04385+1136.25+0+52.65+150+1080+0=5575.94385kN 作用在中跨支座上纵向弯矩:Mgz2=0+0+447.525+(-1275)+0+0=-827.475kN-m 桥墩自重:Pg3=663.76125kN4 桩基计算4.1 桩承担作用计算∑xi 2=#NAME?m 2∑yi 2=#NAME?m 2ximax=0m yimax=9.9m桩基根数n桩11根基本组合1Pmax 1#NAME?2#NAME?3#NAME?4#NAME?5#NAME?6#NAME?7#NAME?8#NAME?9#NAME?10#NAME?11#NAME?12#NAME?最大值#NAME?基本组合2Pmax 1#NAME?4.2 桩基承载力计算桩基根数n桩11根桩直径d 0.6m 桩长l 30m 桩周长U 1.88m 桩截面面积A 0.28m 2Σli×гi 813.9kN/m 极限承载力[σR]1300kPa [P]=0.5×(U×Σli×гi+A×σR)-γ×A×l 容许承载力[P]841kN 桩最不利受力Pmx #NAME?kN Pmax/[P]#NAME?判定:#NAME?∑∑∑++=2max 2max max i i y i i x x x M y y M n P P。
二〇一〇年十一月一、工程概况1.1、空心墩设计情况:甬江左线特大桥空心墩共计 82 个,大于等于 30m的墩身为32个,其中383#墩,墩身高度 36.5m。
空心墩最高墩高 36.5m(383#墩)。
最低墩墩身高度为21m,最大高差15.5m。
1.2、施工进度安排本标段计划空心墩模板配置6套,其中墩身截面为38.5m共28个墩属于A类配置2套模板,墩身截面为3.68.7 m共37个墩属于B类配置 3套模板,墩身截面为4.49.0m共6个墩属于 C类配置1套模板,剩余其他尺寸的墩身由以上模板进行组合使用即可。
每套模板按照周转12个墩身考虑。
单个空心墩实际平均工期为10天。
按6套模板计算,总工期共为137天1.3、机械设备配置工程名称甬江左线特大桥三架子队机械设备名称规格型号单位数量备注履带汽车吊汽车吊砼输送泵车电焊机钢筋弯曲机钢筋切断机钢筋调直机振捣棒振捣棒发电机货车50t25t HBT60 BX500 GWJ40 GQJ40 GTJ4/813 D-50 D-70 200GF 板式台台台台台台台台台台台22 3 8 4 4 4 8 16 2 2 空心墩钢模板4套,每套 20节,标准节长度2m,另外加工有调整节,调整节长度为0.5m,该桥墩施工完毕后,模板全部转至相邻墩位使用。
装载机钢模板钢模板ZL50调整节台套节24 10工程名称机械设备名称甬履带汽车吊江汽车吊左线砼输送泵车特大桥四架子队电焊机钢筋弯曲机钢筋切断机规格型号 50t 25t HBT60 BX500 GWJ40 GQJ40单位台台台台台台数量 1 2 2 6 2 2备注钢筋调直机振捣棒振捣棒发电机货车钢模板钢模板GTJ4/813D-50 D-70 200GF 板式调整节台台台台台套节26 12 2 1 3 5空心墩钢模板2套,外加一套圆弧端模板,每套20 节,标准节长度2m,另外加工有调整节,调整节长度为0.5m,该桥墩施工完毕后,模板全部转至相邻墩位使用。
摘要随着我国社会的发展与进步和人民的生活水平的日益提高,交通的便利程度和安全性得到了人们的广泛关注,桥梁又是现代交通中不可缺少的组成部分,我国桥梁工程无论在建设规模上,还是在科技水平上,均已跻身世界先进行列。
本设计为S17线金昌至永昌高速公路河东庄大桥(两联4×25m预应力混凝土连续箱梁)下部结构设计,在设计过程中,参考了诸如桥梁工程、土力学、桥涵水文、材料力学、专业英语等相关书籍和文献,根据《公路桥涵设计手册》系列丛书,依照交通部颁发的有关公路桥涵设计规范(JTG系列)拟定设计而成。
设计中考虑了各种尺寸与材料的选用符合规范中对强度、应力、局部承压强度的要求,并且产生在规范容许范围内的变形,使桥梁在正常使用的情况下能够达到安全,稳定和耐久的标准。
在可预期偶然荷载下仍能达到基本正常使用的标准。
设计时还充分考虑河东庄大桥所处区域的地质和水文条件,既保证符合规范要求,同时保证因地制宜并且便于施工和维护,并且兼顾桥梁本身的美观性与社会经济性,既要设计合理,又要起到良好的社会经济效益。
关键词:河东庄大桥下部结构桥墩桥台美观性经济性AbstractWith the development and progress of our society and people's rising living standards, transportation convenience and safety to get the wide attention of people, the bridge is also an indispensable part of modern transportation, bridge works in China in terms of construction scale, or in the level of science and technology, have been among the advanced ranks in the world.The design for the S17line of Jinchang to Yongchang Expressway East Village Bridge ( double4 × 25m prestressed concrete continuous box girder ) substructure design, during the design process, the reference such as bridge engineering, soil mechanics, material mechanics, hydrology of bridge and culvert, English and other related books and literature, according to the" manual" design of highway bridges and culverts series, in accordance with the Ministry of Communications issued by the relevant design specifications for highway bridges and culverts ( JTG Series ) protocol is designed.Design consideration of senior high school entrance examination of various sizes and material selection in conformity with the specifications of strength, stress, local bearing strength requirements, and produced in standard allowable deformation of the bridge in the normal use, can achieve the safety, stability and durability of the standard. In the expected accidental loads can still achieve the basic normal use standard. The design also fully consider the Hedong Village Bridge where regional geological and hydrological conditions, both to ensure compliance with specifications, while ensuring that the suit one's measures to local conditions and easy construction and maintenance, and take into account the bridge itself appearance and social economy should not only reasonable design, but also has good social and economic benefits.Key words: He dong zhuang bridge Substructure pier abutment beautyeconomy目录第一章绪论 (1)第二章设计资料及方案比选 (2)第一节设计资料 (2)1 技术设计标准 (2)2 主要设计依据 (2)3 工程地质资料 (2)第二节墩台比选 (2)1 桥墩比选 (2)2 比选结果 (3)3 桥台比选 (3)4 比选结果 (3)第三章桥墩设计计算 (4)第一节桥墩材料及尺寸 (4)1 材料 (4)2 桥墩尺寸 (4)第二节盖梁计算 (4)1 荷载计算 (4)2 可变荷载计算 (6)4 内力计算 (11)5 截面配筋设计与承载力核算 (13)第三节桥墩墩柱计算 (15)1 恒载计算: (15)2 汽车荷载计算 (16)3 荷载组合 (16)4 截面配筋计算及应力验算 (17)第四节钻孔灌注桩的设计计算 (20)1 荷载计算 (20)2 桩长计算 (22)3 桩的内力计算(m法) (22)4 桩身截面配筋与承载力验算: (24)5 墩顶纵向水平位移验算 (26)第四章桥台设计 (30)第一节桥台材料及尺寸 (30)1 桥台类型和主要材料 (30)2 桥台尺寸 (30)第二节台帽计算 (30)1 荷载计算 (30)2 内力计算 (32)1 垂直荷载计算 (34)2 恒载对台墙各截面所产生的弯矩 (34)3 活载对台墙产生的反力 (36)4 活载对各截面所产生的弯矩 (36)第五章结论与展望 (37)1 结论 (37)2 展望 (37)附录英文文献翻译 (39)第一章绪论随着我国社会的发展与进步和人民的生活水平的日益提高,交通的便利程度和安全性得到了人们的广泛关注,桥梁又是现代交通中不可缺少的组成部分,于此同时,桥梁建设得到了迅猛发展,我国桥梁工程无论在建设规模上,还是在科技水平上,均已跻身世界先进行列。
各种功能齐全、造型美观桥梁开始频繁的出现在人们的生活中,给人们带来方便的同时很多桥梁也逐渐成为城市的标志性建筑。
本设计为S17线金昌至永昌高速公路河东庄大桥(两联4×25m预应力混凝土连续箱梁)下部结构设计,是根据《公路桥涵设计手册》系列丛书,依照交通部颁发的有关公路桥涵设计规范(JTG系列)拟定设计而成。
在设计过程中,参考了诸如桥梁工程、土力学、桥涵水文、材料力学、专业英语等相关书籍和文献。
设计中考虑了各种尺寸与材料的选用符合规范中对强度、应力、局部承压强度的要求,并且产生在规范容许范围内的变形,使桥梁在正常使用的情况下能够达到安全,稳定和耐久的标准。
在可预期偶然荷载下仍能达到基本正常使用的标准。
设计时还充分考虑河东庄大桥所处区域的地质和水文条件,既保证符合规范要求,同时保证因地制宜并且便于施工和维护,并且兼顾桥梁本身的美观性与社会经济性,既要设计合理,又要起到良好的社会经济效益。
第二章设计资料及方案比选第一节设计资料河东庄大桥位于S17金昌至永昌线上,桥孔布置为两联4×25m预应力混凝土连续箱梁,桥梁全长165.4m。
本桥上部为预应力混凝土箱型梁,下部结构为钻孔灌注桩墩台。
1 技术设计标准(1) 设计荷载:公路-I级;(2) 桥面宽:11.5m+2×0.5m(3) 标准跨径:25m(4) 计算跨径:24.6m2 主要设计依据(1) 《公路桥涵设计通用规范》(JTG D60-2004);(2) 《公路钢筋混凝土及预应力混凝土桥涵设计规范》(JTG D62-2004);(3) 《公路桥涵地基与基础设计规范》(JTG D63-2007);(4) 《公路桥涵设计手册——墩台与基础》;(5) 《公路桥梁墩台设计与施工》;3 工程地质资料桥址位于部剥蚀山地区,金川河狭窄河谷区。
地层岩性为黄土粉状土(厚度一般小于2m)卵砾石(稍密-中密)下伏花岗岩。
地质条件较好,地层自上而下有亚粘土,砂砾,浅变质石英砂岩夹板岩组成。
第二节墩台比选1 桥墩比选方案一:双柱式钻孔灌注桩桥墩:它由分离的两根桩柱所组成。
外形美观、圬工体积小、重量比较轻、施工便利、速度快、工程造价低。
最重要的是它能减轻墩身重力节约圬工材料,还能配合各种基础,设计灵活多样。
它也是目前运用最广泛的桥墩结构之一。
方案二:重力式桥墩:它是靠自身重量来平衡外部作用、保持稳定。
墩身比较厚实,可以不用钢筋,而用天然石材或片石混凝土砌筑。
它适用于承受作用值较大的大、中型桥梁或流水、漂浮物较多的河流中,或在砂石方便的地区,小桥也可以采用。
它的缺点就是圬工材料数量多、自重大,因而要求地基承载力高。
另外,阻水面积也较大。
2 比选结果综上,着重从经济、安全的立足点出发,结合本设计联系的相关地质条件情况。
方案二虽然有着承载能力强、配用钢筋少的优点,但是其所用的圬工材料巨大、地基承载力要求也高。
不是很符合本设计的经济和安全的立足点原则,而方案一能够节省材料,节约成本。
所以,选择方案一。
3 桥台比选方案一:重力式桥台:适用于填土高度为4-10m的单孔及多孔桥。
它的结构简单,基础底承压面积大,应力较小。
但圬工体积较大,两侧墙间的填土容易积水,除增大土压力外还易受冻胀而使侧墙裂缝。