穿脱无菌手术衣考核评分标准
- 格式:doc
- 大小:23.00 KB
- 文档页数:2
二、穿脱无菌手术衣及无触式戴手套
(一)目的:
避免和预防手术过程中医护人员衣物上及手部的细菌污染手术切口,同时保障手术人员安全,预防职业暴露。
(二)实施要点:
1.评估:
(1)评估操作环境是否符合无菌要求,治疗台是否清洁干燥。
(2)评估无菌手术衣及无菌手套的适用性。
(3)评估操作者的手部清洁程度和操作技能。
2.操作要点:
(1)穿脱无菌手术衣:检查手术衣的完整性及清洁度,确认无破损、无污渍;按照无菌要求穿手术衣,确保手术衣不被污染;脱手术衣时注意不污染医务人员洗手衣裤。
(2)无触式戴手套:戴手套时双手始终不能露于衣袖外,所有操作双手均在衣袖内;摘手套时注意不要污染医务人员手部皮肤。
3.指导要点:
(1)操作者需接受专业培训,熟悉操作流程及注意事项。
(2)操作过程中保持高度专注,避免触碰到非无菌区域或物品。
(3)穿戴完毕后应进行自检,如有不妥应及时调整或更换。
(三)注意事项:
1.手术衣必须清洁干燥,避免手术衣的潮湿、污染。
2.手术衣不可触有菌区域或有菌物品,如有质疑立即更换。
3.穿无菌衣时双手不露出袖口。
4.如发现破损立即更换。
5.感染、骨科等手术时手术人员应戴双层手套(穿孔指示系统),有条件内层为彩色手套。
(四)操作流程:
(五)参考资料:
[1]郭莉.手术室护理实践指南[M].北京:人民卫生出版社,2023:14-18
[2]高兴莲田莳.手术室专科护士培训与考核[M].北京:人民卫生出版社,2018: 480-482
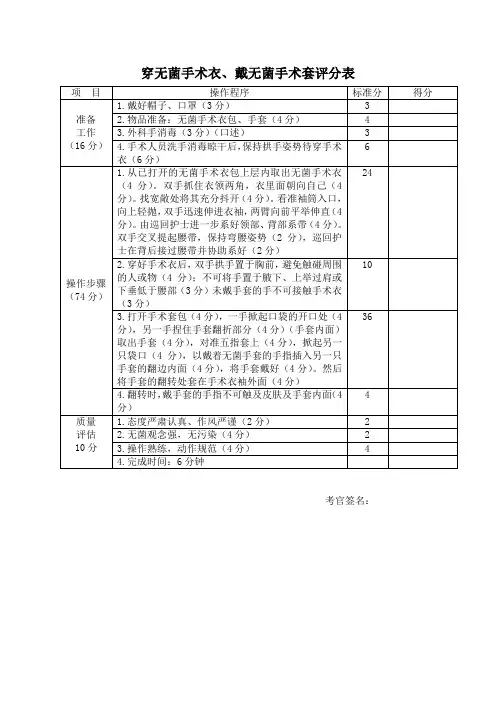
(六)质量评分表:。
穿手术衣戴手套操作标准手术室专业护士临床技能考核标准穿手术衣、无接触戴手套技术操作流程及评分标准(100分)学员姓名学员号学员单位得分项目分值扣分标准一、准备1.着装整洁,内衣不外露,戴口罩帽子,外科手消毒。
2.用物:无菌手术衣、无菌手套。
二、操作步骤1.外科洗手后待消毒液干燥,检查无菌手术衣包内灭菌指示卡合格。
2.选择宽敞处,不接触其它无菌物品,取手术衣。
3.手术衣内侧面面对操作者,将衣领提起抖开露出袖口,手术衣轻轻向上抛起的同时,顺势将双手和前臂平行向前伸入衣袖内,手不出袖口。
操作范围不可高于肩、低于腰,双臂前伸,不可张10558510515510一项不符合要求扣2分缺少一项扣2分一项不符合要求扣2分,未检查扣5分污染全扣一项不符合要求扣3分污染一处扣5分一项不符合要求扣3开以避免污染。
巡回护士在身后协助系好颈部、背部内侧系带,双手不可碰触手术衣外侧面。
4.隔着衣袖取无菌手套放于另一只手的袖口处,手套的手指向前向上,注意与各手指相对。
5.放有手套的手隔着衣袖将手套的侧翻边抓住,另一只手隔着衣袖拿另一侧翻折边将手套翻于袖口上,手迅速伸入手套内。
6.用已戴手套的手,同法戴另一侧手套。
7.将手术衣前腰带松解,将遮背一侧腰带递与已戴好无菌手套的医护人员,也可递与巡回护士用无菌持物钳夹持腰带。
8.操作者原地旋转一周后,接无菌腰带并自行系于腰间。
9.双手互握置于胸前。
10.穿无菌手术衣戴手套后,手臂无菌操作区域为肩以下,腰以上,左右腋中线前。
后背为相对无菌。
15105555分,污染全扣一项不符合要求扣3分,污染一处扣5分一项不符合要求扣3分,污染一处扣5分一项不符合要求扣3分,污染一处扣5分一项不符合要求扣3分,污染全扣一项不符合要求扣3分,污染全扣一项不符合要求扣3分三、思考题1.穿手术衣戴手套的目的2.穿手术衣戴手套的注意事项。
实习基地考核者日期年月日一、目的防止手术过程中皮肤深部的常驻菌污染无菌区。
手术区消毒铺巾穿手术衣戴无菌手套评分表项目分值内容及评分标准满分得分手术区消毒铺巾3消毒物品:在刷手后穿手术衣前,右手持卵圆钳(消毒钳取头低柄高位)夹住消毒纱球(0.25分),浸蘸消毒液用消毒液0.75%吡咯烷酮碘(碘伏),消毒纱布或棉球干湿要适中(0.25分)。
0.5消毒范围:至少包括切口周围15cm;颈前部手术:上起下唇,下至乳头,两侧至斜方肌前缘;胸部手术:上至下颌及上臂上1/3,下至脐,两侧过腋中线;腹部手术:上至两侧腋前线最高点连线,下至会阴及大腿上1/3,两侧至腋中线;腹部手术应先挤适量消毒液于脐孔内,最后再用一纱布或棉球擦净。
0.5消毒顺序:以切口为中心,向四周划圈、划框或划双L法消毒,肛门、会阴或感染区手术方向相反(0.25分);已涂过外周部位的纱布或棉球,不要再返回中心区域,术野内不留空白点(0.25分);消毒两遍,每遍间隔1~2分钟,后一次消毒范围小于前一次(0.25分);消毒完成后应将消毒物品置于指定有菌区(0.25分)。
1铺单顺序:下方→对侧→上方→己侧(未穿手术衣时),手术巾一旦铺好不能随便移动,如需调整只能由内向外移动。
1穿手术衣戴无菌手套 2 1.提衣:离开周围人员、物品,取过无菌手术衣,找到衣领,提起衣领两角内面,使内面朝向自己(0.25分),然后两臂向前平伸插入袖筒(不可外展或上举)(0.25分),由巡回护士从肩上接过衣领后拉,协助穿好。
0.5递送腰带:身体向前稍弯,两臂交叉将胸前腰带后递,由巡回护士在身后接过系好。
穿好手术衣后勿用手接触手术衣,两手上举不能过肩。
0.5戴无菌手套:用左手指提住手套口翻折部提取手套(0.25分),右手对准手套5指插入戴好(0.25分);已戴手套的右手,除拇指外4指插入另一手套反折处,左手顺势戴好手套,注意手套外面不可触及手的皮肤(0.25分);以拇指压掌面袖口,其他四指翻回套扎住手腕部袖口,使腕部衣袖不外露(0.25分)。
1合计。