锅炉排烟计算(含烟道、烟囱、阻力、散热量)
- 格式:xls
- 大小:43.50 KB
- 文档页数:1
锅炉烟风阻力计算书一、锅炉烟气总阻力计算工 A h= A h L+ A hbt+ A h=m+ A h k7+ △ h cc+ A h./d+ A h,p (公式一)式中工Ah——烟气系统总阻力(Pa)Ah L——炉膛出口出的负压,因燃气锅炉为微正压燃烧(无该项);△氐一一锅炉本体受热而阻力,根据厂家资料为950Pa;Ah.——省煤器阻力,根据厂家资料为30Pa;Ah ky——空气预热器阻力(无该项);Ah cc——除尘器阻力(无该项);A h7d——烟道阻力Ah yc——烟囱阻力1.1烟道阻力计算A h yd= A h=+ A h.= (A L/d+£) X 3 "0/2X273/ (273+t)(公式二)式中Ah泌——烟道阻力(Pa)A——摩擦阻力系数,查表8. 4. 5-2得A取0. 03;L——烟道长度取3米;d——烟道直径0. 45me——局部阻力系数0.73 --- 气体流速,按9m/sP°一一气体密度,按1. 34Kg/Xm3 t——烟气平均温度,按80°C将以上数据代入公式二得,Ahy尸(0. 03X3/0. 45+0. 7) X92X1. 34/2X273X (273+80) =37. 8Pa1.2烟囱阻力计算A h yc= A P3+ AP = A H 3 pj72g/d pj X p 门+A 3 e2/2 X p c(公式三) 式中——烟囱阻力A——烟囱的摩擦阻力,取0.04d PJ ---- 烟囱直径0. 45mH ----- 烟囱高度15m3“——烟气流速,按9m/sP PJ——烟气密度,按1. 34Kg/Nm3A——烟囱岀口阻力系数,取1.0将以上数据代入公式三得,Ah7=0. 04X15X9?2X9. 8/0. 45X1. 34+1. 0X9?2XI. 34 =61. 7Pa1. 3将以上计算结果代入公式一即可得到锅炉烟气总阻力S Ah=A hi+ A hbt+ A h=o+ A h k>-+ A h“+ A h./d+ A h yc=950+30+37. 8+61.7=1079. 5Pa二、烟囱抽力计算S=Hg[p°K X273/ (273+tJ -p°y X273/ (273+t pj)](公式四)式中s——烟囱抽力H一一烟囱高度,取15米P °K一一标态下空气密度,取1. 293kg/m3P °7一一标态下烟气密度,取1. 34kg/m5t k一一空气温度,取io°C t pj——烟气平均温度,取80°C则S=15X9.8X [ (1.293X273/(273+10)- 1. 34X273/(273+80)]=31. 4Pa四、燃烧器所提供的压头根据燃烧器负荷曲线可知,燃烧器在额定工况下所提供的压头为1200P&O五、烟风阻力分析△ P二1200-1079. 5+31. 4=151. 9Pa>0根据以上分析计算,安装省煤器后仍可以满足排烟要求。
锅炉烟气流速计算公式锅炉烟气流速计算公式在锅炉燃烧过程中,烟气的流速是一个重要的参数,它直接影响到锅炉的燃烧效果和排放水平。
下面列举了几个常用的锅炉烟气流速计算公式,并附上相应的解释和示例。
1. 静压排烟流速计算公式静压排烟流速是指烟气通过排烟管道时的流速,它是由管道摩擦阻力和静压力共同作用导致的。
其计算公式如下:v = (2 * (P - Pe) / ρ) ^ (1/2)其中: - v代表烟气流速 (m/s) - P代表排烟管道内的静压力(Pa) - Pe代表大气压力 (Pa) - ρ代表烟气密度(kg/m³)示例:假设排烟管道内的静压力为 1000 Pa,大气压力为101325 Pa,烟气密度为kg/m³,代入公式计算烟气流速。
v = (2 * (1000 - / ) ^ (1/2) ≈ m/s2. 动压排烟流速计算公式动压排烟流速是指烟气通过排烟管道时所具有的动能引起的流速, 它是由管道摩擦阻力和动压力共同作用导致的。
其计算公式如下:v = (2 * ΔP / ρ) ^ (1/2)其中: - v代表烟气流速 (m/s) - ΔP代表排烟管道两端的压差(Pa) - ρ代表烟气密度(kg/m³)示例:假设排烟管道两端的压差为 500 Pa,烟气密度为kg/m³,代入公式计算烟气流速。
v = (2 * 500 / ) ^ (1/2) ≈ m/s3. 烟气流量计算公式烟气流量是指单位时间内通过锅炉的烟气体积量,它是锅炉燃烧过程的重要参数之一。
其计算公式如下:Q = v * A其中: - Q代表烟气流量(m³/s) - v代表烟气流速 (m/s) - A代表烟气横截面积(m²)示例:假设烟气流速为 20 m/s,烟气横截面积为2 m²,代入公式计算烟气流量。
Q = 20 * 2 = 40 m³/s以上是几个常用的锅炉烟气流速计算公式及其示例。
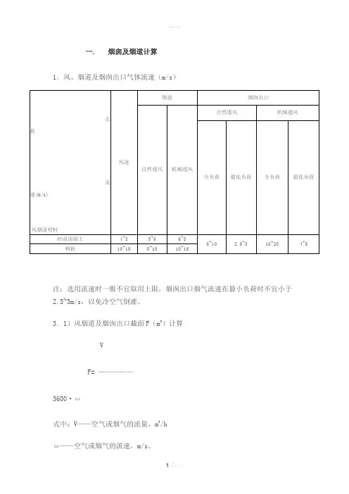
一.烟囱及烟道计算
1.风、烟道及烟囱出口气体流速(m/s)
注:选用流速时一般不宜取用上限,烟囱出口烟气流速在最小负荷时不宜小于2.5~3m/s,以免冷空气倒灌。
3.1)风烟道及烟囱出口截面F(m2)计算
V
F= —————
3600·ω
式中:V——空气或烟气的流量,m3/h
ω——空气或烟气的流速,m/s。
2)层然炉单位容量(1t/h蒸汽或0.7MW热水)所需风、烟道及烟囱出口截面积(m2)
4.烟囱高度的规定
注:1)在烟囱周围半径200m的距离内有建筑物时,烟囱应高出最高建筑物3m 以上
2)锅炉房总容量大于或等于29MW(40t/h)时,其烟囱高度应按环境影响评价要求确定,但不得低于45m。
5.各吨位锅炉烟囱上口直径推荐尺寸:
欢迎您的下载,
资料仅供参考!
致力为企业和个人提供合同协议,策划案计划书,学习资料等等
打造全网一站式需求。
1.工业废水排放量=工业新鲜用水量×80%2.燃煤废气量计算公式∶V=(α+b)×K×Q低×B÷10000式中:V—燃煤废气量(万标立方米)α—炉膛空气过剩系数(见表1)b—燃料系数(见表2)K=1.1Q低—煤的低位发热值,取Q低=5200大卡B—锅炉耗煤量(吨)3.燃煤二氧化硫排放量计算公式∶G=2×0.8×B×S×(1-η)式中:G—燃煤二氧化硫排放量(吨)B—锅炉耗煤量(吨)S—煤中全硫分含量。
η—二氧化硫脱除率。
4.煤粉炉、沸腾炉和抛煤机炉燃煤烟尘产生量计算公式∶G= ( B×A×dfh ) / ( 1-Cfh ) ×1000其他炉型燃煤烟尘产生量计算公式∶G=B×A×dfh×1000燃煤烟尘排放量=G×(1-η)燃煤烟尘排放量=G×η式中:G—燃煤烟尘产生量(千克)B—锅炉耗煤量(吨)A—煤的灰份,有化验的取实测值、无化验的取A=26.99%dfh—烟气中烟尘占灰份量的百分数(见表3),取中间值Cfh—烟尘中可燃物的百分含量,煤粉炉取4~8%、沸腾炉取15~25%η—除尘器的除尘效率。
5.燃煤氮氧化物产生量计算公式∶GNOX=1630×B(β×n+10-6×Vy×CNOX)式中:GNOX—燃煤氮氧化物产生量(千克)B—锅炉耗煤量(吨)β—燃料氮向燃料型NO的转变率(%);与燃料含氮量n 有关。
普通燃烧条件下,燃煤层燃炉为25~50%,燃油锅炉32~40%,煤粉炉20~25%。
n—燃料中氮的含量(%),见表4Vy—1千克燃料生成的烟气量(标米3/千克),取7.8936标米3/千克。
CNOX—燃烧时生成的温度温度型NO的浓度(毫克/标米3),通常可取70ppm,即93.8毫克/标米3。
算表2800KW800KW 1700KW 1. 锅炉烟气量V y (m 3/h) -烟气量2400017003200注:供应商提供烟道(囱)内径,m 1.20.40.5烟囱出口内径, m1.20.40.50.52.烟道阻力1) 烟道摩擦阻力Δh m (Pa) -29.186.751.1λ -0.030.030.03注:按附表三选取L (m) -507062d dL (m) - 1.20.40.5按照当量直径计算注释:F (m2) --U (m) --ρ (kg/m 3) - 1.34 2.34 1.34ω (m/s) - 5.9 3.8 4.52) 烟道局部阻力Δh j = ζ*ω2*ρ/2Δh j (Pa) -79.644.647.0局部阻力3.422.73.423.烟囱阻力1) 烟囱摩擦阻力Δh m (Pa) -32.025.529.7λ -0.030.030.03注:按附表三选取H (m) -553636d dL (m) - 1.20.40.5按照当量直径计算ρ (kg/m 3) - 1.34 1.34 1.34ω (m/s) - 5.9 3.8 4.52) 烟囱局部阻力Δhj (Pa) -22.718.99.7确保出口流速>2.5m/s 局部阻力Δh m = λ*H /d dL *ρ*ω2/2Δh m = λ*L/d dL *ρ*ω2/2摩擦阻力摩擦阻力系数管道长度管道当量直径。
对圆形管道,ddL为其内径;对非圆形管道,ddL=4F/U;管道截面积管道壁面的接触周界空气(烟气)密度空气(烟气)流速局部阻力按照图纸统计数量按附录五选取阻力系数Δh j = ζ*ω2*ρ/2局部阻力按照图纸统计数量按附录五选取阻力系数摩擦阻力摩擦阻力系数烟囱高度管道当量直径。
对圆形管道,ddL为其内径;对非圆形管道,ddL=4F/U;空气(烟气)密度空气(烟气)流速算表4.烟囱抽力S y = H(3459/(S y (Pa) -烟囱抽力231.4157.3157.3H (m) -烟囱高度54.036.036.0注:包含锅炉出口至烟囱进口间烟道垂直段4.5mt k (℃) -外界空气温度555注:夏季最不利工况时t pj (℃) -烟囱内烟气平均温166.5171171t y1 (℃) -烟囱入口温度180180180Δt (℃) -烟囱每米的温降0.50.50.5注:按附表四选取C p -大气压力修正系数 1.0 1.0 1.0注:按附表一选取5.引风机计算1)系统阻力ΣΔh y =(ΔhL+ΔΔhy (Pa) -烟气系统阻力213.4175.8137.4ΔhL (Pa) -炉膛负压50.00.0注:考虑出口微正压Δhg (Pa) -锅炉本体阻力0.00.00.0Δhs (Pa) -省煤气阻力0.00.00.0Δhk-y (Pa) -空气预热器烟气阻0.00.00.0Δhc (Pa) -除尘器阻力0.00.00.0注:无除尘设备Δhm (Pa) -烟道摩擦阻力29.186.751.1Δhj (Pa) -烟道局部阻力79.644.647.0Δhyc (Pa) -烟囱阻力(包括烟54.744.539.42)引风机风压(Pa)H2 =1.2*(Σ-3637C y t2烟气的温度校正系 1.73 1.73注:按附表二选取Cy烟气介质密度修正0.9650.9653) 引风机的风量(m3/h)V=1.10*V y*C t1k*C p264003740C t1y-烟气的温度校正系 1.00 2.00注:按附表二选取注释说明:供应商提供数据输入数据输出数注:锅炉鼓风机承担(通常情况下)附表一:附表五:附表一:附表二:附表二:附表三:附表三:附表四:附表四:。
烟道阻力计算:烟道总长度为30米,包括四个弯头,一个换热器,一个炉膛风压调整阀,其中换热器内径变为1200mm。
烟囱高度为25米。
烟道截面积为:0.25平方米,换算直径为0.56m。
烟道中存在着一个烟道闸门,冷风吸入量按30%计算,实际烟气量为3900NM3/H,此时烟气流速=4.33NM/S。
环形炉出口烟气温度为1100℃,经换热后的温度为868℃,经过一道闸门后的温度为667℃,烟道的平均温度降为5.5℃,共计24米烟道,其总温度降为132度,至烟囱入口处的温度为535℃。
烟道内的平均温度为=0.5*(535+868)=701℃烟气的动压头(1立方米烟气流动时具有的动能)=0.5*4.332*1.32*(1+535/273)=36.6Pa几何压力:=3*9.8*(1.32-1.293)=0.8Pa共有五个弯头,局部阻力系数=5*0.85=4.25,局部动力阻力损失=4.25*36.6=156Pa摩擦阻力损失=0.06*(30+24)/0.56*36.6=212Pa。
合计阻力=0.8+156+212=369Pa烟囱抽力计算:h=24*9.8*(-273*1.293/(273+20)-273*1.32/(273+450))-0.5*4.33^2*1.32*(273+300)/273-0.03*24/(1.3*0.53)*0. 5*4.33^2*1.32*(273+450)/273=-460Pa烟囱入口处的压力为:-460Pa;保证炉膛内的压力为:+30Pa。
烟道阻力损失为:369Pa富裕压力为:369+30-460=-61Pa,能够满足使用的要求。
由于密度的变化以及烟气流通截面积的扩大,换热后的密度变化,换热器内为负压,但换热器与烟气接触的不锈钢板其与空气面接触的温度为390度,与烟气接触面的温度为960度,其强度能够满足-91Pa的要求,为保证其强度,加大助燃空气的换热效率,在空气夹层焊接螺旋状的加强肋,作用一是加强不锈钢板的强度,作用二改变夹层内空气的流动状态,加强空气与钢板之间的换热交换,增强热交换的效果。
烟囱计算公式范文
1.烟气排放速度计算公式:
烟气排放速度是指单位时间内从烟囱排放的烟气体积。
烟气排放速度的计算公式为:
V = (55.52 * Q * (Tg - Ta)) / (Patm * √(Ts + 273.15 + 273.15))
其中,V为烟气排放速度(m/s);
Q为烟气流量(m³/s);
Tg为烟气温度(℃);
Ta为环境温度(℃);
Patm为大气压力(Pa);
Ts为烟气中的湿度(%)。
2.烟囱的阻力计算公式:
烟囱的阻力是指烟气通过烟囱时所受到的阻力。
烟囱的阻力计算公式为:
ΔP=(0.09*H*V^2)/(D^2)
其中,ΔP为烟囱的阻力(Pa);
H为烟囱的高度(m);
V为烟气排放速度(m/s);
D为烟囱的内径(m)。
3.烟道的承重能力计算公式:
烟道的承重能力是指烟囱所能承受的最大荷载。
F=(π*D^2*σ*γ)/4
其中,F为烟道的承重能力(N);
D为烟道的内径(m);
σ为烟道材料的抗拉强度(N/m²);
γ为烟道材料的密度(kg/m³)。
以上就是烟囱计算的基本公式,可以根据实际情况进行计算。
当然,实际计算中还需要考虑更多的因素,如烟囱的材料特性、烟道的几何结构以及烟囱的热工参数等。
因此,在具体计算中还需要结合实际情况进行详细计算。
15.烟道阻力损失及烟囱计算烟囱是工业炉自然排烟的设施,在烟囱根部造成的负压——抽力是能够吸引并排烟的动力。
在上一讲中讲到的喷射器是靠喷射气体的喷射来造成抽力的,而烟囱是靠烟气在大气中的浮力造成抽力的,其抽力的大小主要与烟气温度和烟囱的高度有关。
为了顺利排出烟气,烟囱的抽力必须是足够克服烟气在烟道内流动过程中产生的阻力损失,因此在烟囱计算时首先要确定烟气总的阻力损失的大小。
15.1 烟气的阻力损失烟气在烟道内的流动过程中造成的阻力损失有以下几个方面:摩擦阻力损失、局部阻力损失,此外,还有烟气由上向下流动时需要克服的烟气本身的浮力――几何压头,流动速度由小变大时所消耗的速度头——动压头等。
15.1.1 摩擦阻力损失摩擦阻力损失包括烟气与烟道壁及烟气本身的粘性产生的阻力损失,计算公式如下:t m h dLh λ=(mmH 2O) )1(2h 0204t gw βγ+= (mmH 2O)式中:λ—摩擦系数,砌砖烟道λ=0.05 L —计算段长度,(m ) d —水力学直径)(4m uFd =其中 F —通道断面积(㎡);u —通道断面周长(m );t h —烟气温度t 时的速度头(即动压头)(mmH 2O);0w —标准状态下烟气的平均流速(Nm/s );0γ—标准状态下烟气的重度(㎏/NM 3);β—体积膨胀系数,等于2731; t —烟气的实际温度(℃)15.1.2 局部阻力损失局部阻力损失是由于通道断面有显著变化或改变方向,使气流脱离通道壁形成涡流而引起的能量损失,计算公式如下:)1(202t gw K Kh h t βγ+==(㎜H 2O)式中 K —局部阻力系数,可查表。
15.1.3 几何压头的变化烟气经过竖烟道时就会产生几何压头的变化,下降烟道增加烟气的流动阻力,烟气要克服几何压头,此时几何压头的变化取正值,上升烟道与此相反,几何压头的变化取负值。
几何压头的计算公式如下:)(y k j H h γγ-=(㎜H 2O )式中 H —烟气上升或下降的垂直距离(m ) k γ—大气(即空气)的实际重度 (kg/m 3)y γ—烟气的实际重度(kg/m 3)图15.1 为大气中每米竖烟道的几何压头,曲线是按热空气算出的,烟气重度与空气重度差别不大时,可由图15.1查取几何压头值。
排烟量计算顺口溜
我们可以用以下的顺口溜来计算排烟量:
烟炉是烧什么?
烧煤,烧油,烧气。
所以先算一下烧什么
再来计算排烟量。
烧煤的排烟量
等于烟量乘烧煤量。
烧油的排烟量
等于烟量乘烧油量。
烧气的排烟量
等于烟量乘烧气量。
所以烧什么都一样
但是排烟量还有很多细节需要注意,比如烟道的截面积、烟囱高度、
烟气温度等等。
如果这些条件不满足,就会影响排烟效果和安全性。
因此,在实际工程中,需要根据具体情况进行细致的设计和计算。
1.工业废水排放量=工业新鲜用水量×80%2.燃煤废气量计算公式∶V=(α+b)×K×Q低×B÷10000式中:V—燃煤废气量(万标立方米)α—炉膛空气过剩系数(见表1)b—燃料系数(见表2)K=1.1Q低—煤的低位发热值,取Q低=5200大卡B—锅炉耗煤量(吨)3.燃煤二氧化硫排放量计算公式∶G=2×0.8×B×S×(1-η)式中:G—燃煤二氧化硫排放量(吨)B—锅炉耗煤量(吨)S—煤中全硫分含量。
η—二氧化硫脱除率。
4.煤粉炉、沸腾炉和抛煤机炉燃煤烟尘产生量计算公式∶G= ( B×A×dfh ) / ( 1-Cfh ) ×1000其他炉型燃煤烟尘产生量计算公式∶G=B×A×dfh×1000燃煤烟尘排放量=G×(1-η)燃煤烟尘排放量=G×η式中:G—燃煤烟尘产生量(千克)B—锅炉耗煤量(吨)A—煤的灰份,有化验的取实测值、无化验的取A=26.99%dfh—烟气中烟尘占灰份量的百分数(见表3),取中间值Cfh—烟尘中可燃物的百分含量,煤粉炉取4~8%、沸腾炉取15~25%η—除尘器的除尘效率。
5.燃煤氮氧化物产生量计算公式∶GNOX=1630×B(β×n+10-6×Vy×CNOX)式中:GNOX—燃煤氮氧化物产生量(千克)B—锅炉耗煤量(吨)β—燃料氮向燃料型NO的转变率(%);与燃料含氮量n有关。
普通燃烧条件下,燃煤层燃炉为25~50%,燃油锅炉32~40%,煤粉炉20~25%。
n—燃料中氮的含量(%),见表4Vy—1千克燃料生成的烟气量(标米3/千克),取7.8936标米3/千克。
CNOX—燃烧时生成的温度温度型NO的浓度(毫克/标米3),通常可取70ppm,即93.8毫克/标米3。
烟囱高度计算1简介烟囱的作用有二:一是产生自生通风力〔抽力〕,克服烟、风道的流动阻力;二是把烟尘和有害气体引向高空,增大扩散半径,防止局部污染过重。
高烟囱排放可使污染物在垂直方向及水平方向在更大范围内散布,因此对降低地面浓度的作用是很明显的。
但不可无视的是,建设过高的烟囱对企业投资是一种负担,因为烟囱的造价大体上与烟囱高度的平方成正比,况且过高的烟囱对周边的景观环境也会造成不协调影响。
因此烟囱高度应设置在一个合理的范围内才能到达环境效益和经济效益的相统一。
2 烟囱高度计算2.1 烟囱出口直径计算烟囱出口直径计算公式:d =√4Q V πu 0Q V =B c q v,g ×T 0273式中:Q V ——烟气实际流量,m 3/sB c ——燃料消耗总量,kg/s ;q v,g ——标准状态下的烟气流量,Nm 3/kg ;u 0——烟囱出口处的烟气流速,m/s ;T 0——烟囱出口处的烟气温度,K 。
2.2按环保要求计算的烟囱高度下面介绍按污染物地面最大浓度来确定烟囱高度的计算方法。
该法是按保证污染物的地面最大浓度不超过《环境空气质量标准》规定的浓度限值来确定烟囱高度。
地面最大浓度的公式:ρmax =2Q πeuH e 2(σz σy) 式中:ρmax ——地面最大污染物浓度,mg/m 3;Q——烟囱单位时间内排放的污染物,mg/s ;u——烟囱出口处的平均风速,m/s ;H e ——烟囱的有效高度,m ;σz 、σy ——扩散系数在垂直及横向的标准差,m 。
烟囱有效高度H e 计算式:H e =H s +∆H式中:H s ——烟囱的几何高度,m ;∆H ——烟囱的抬升高度,m 。
假设设ρ0为《环境空气质量标准》规定的某污染物的浓度限值,ρb 为其环境原有浓度,按保证ρmax ≤ρ0−ρb ,则由地面最大浓度的公式得到烟囱高度计算公式:H s≥√2Qπeu(ρ0−ρb)×σzσy−∆H烟气抬升高度∆H按以下公式计算:当Q H≥21000kW,且∆T≥35K时:城市和丘陵的烟气抬升高度:∆H=1.303Q H1/3H s2/3/u平原和农村的烟气抬升高度:∆H=1.427Q H1/3H s2/3/u 当2100≤Q H<21000kW,且∆T≥35K时:城市和丘陵的烟气抬升高度:∆H=0.292Q H3/5H s2/5/u平原和农村的烟气抬升高度:∆H=0.332Q H3/5H s2/5/u 当Q H<2100kW,或∆T<35K时:∆H=2(1.5u0d+0.01Q H)/u式中:∆T——烟囱出口的烟气温度与环境温度之差,K;Q H——烟气的热释放率,kW;u——烟囱出口处的平均风速,m/s;u0——烟囱出口处的实际烟速,m/s;d——烟囱的出口内径,m。
燃煤锅炉房烟道风道阻力计算2008-06-19 15:33:43| 分类:热电联盟| 标签:|字号大中小订阅1.锅炉烟气系统总阻力按下式计算:h=hL+hbt+hsm+hky+hcc+hyd+hys (8.4.5-1) 式中h 烟气系统总阻力(Pa);hL 炉膛出口处的负压(Pa)有鼓风机时,一般取hL=20~40Pa;无鼓风机时,取hL=20~30Pahbt 锅炉本体受热面阻力(Pa),由锅炉制造厂提供;hsm 省煤器阻力(Pa),由锅炉制造厂提供;hky 空气预热器阻力(Pa),由锅炉制造厂提供;hcc 除尘器阻力(Pa),根据除尘设备厂提供资料确定一般对旋风除尘器其阻力约为600~800Pa,多管除尘器阻力约为800~lO00Pa,水膜降尘器阻力约为800~1200Pa;电除尘器阻力每级约200~300Pa,一般为1~3级;布袋除尘器阻力与积灰厚度和清灰频率有关,一般设计可按500~1200Pa考虑hyd 烟道阻力(Pa),hyd包括摩擦阻力hm和局部阻力hj;hm和hj按本条第3款计算hys 烟囱阻力(Pa)2.燃煤锅炉空气系统的总阻力按下式计算:h=hfd+hky+hLP+hr (8.4.5-2)式中h 空气系统总阻力(Pa);hfd 风道阻力(Pa),包括摩擦阻力hm和局部阻力hj,见本条第3款;hky 空气预热器阻力(Pa),由锅炉制造厂提供;hLp 炉排阻力(Pa);hr 燃料层阻力(Pa)炉排与燃料层的阻力取决于炉子型式和燃料层厚度等因素,宜取制造厂给定数据为计算依据对于出力为6t/h以下的锅炉,可参考表8.4.5-1表8.4.5-1层燃炉炉排下所需空气压力炉排型式炉排下风压(Pa) 备注倾斜往复炉炉排200~500 表中较大的阻力用于燃烧细粉末多的烟煤、无烟煤、贫煤和结焦性较强的煤种快装锅炉链条炉排350~7003.烟道和风道的阻力包括摩擦阻力和局部阻力两部分组成,按下式进行计算:Δhd=Δhm+Δhj=9.8×(λL+ε)×ω2×ρ0×273(8.4.5-3)d 2 273+t=4.9×(λL+ε)×ω2×ρ0×273 d 273+t式中Δhd—烟道或风道阻力(Pa);λ—摩擦阻力系数,见表8.4.5-2;L —管道长度(m);d —管段直径(m);对非圆形管道采用当量直径dd,dd=4F/U;(F、U分别是管道截面的面积和周长);ε—局部阻力系数;ω—气体流速(m/s);ρ0—气体(空气或烟气)在标准状态下的密度,取空气的ρ0=1.293kg/Nm3,烟气ρ0=1.34kg/Nm3;t —气体(空气或烟气)温度(℃);Δhm和Δhj分别为烟道或风道的摩擦阻力和局部阻力(Pa)。
锅炉烟囱设计计算锅炉烟囱的设计计算是确保锅炉排放的废气能够安全、高效地排出,并且符合相关标准和法规要求的重要环节。
下面我们将详细介绍锅炉烟囱设计计算。
1.烟囱高度计算:烟囱高度是根据锅炉排放废气的温度、流速、气体密度等参数来计算的。
一般而言,烟囱高度应能确保废气迅速排出,并且使其排放到地面上空,避免对人体和周围环境的危害。
在计算烟囱高度时,需要考虑以下几个因素:-高度因子:一般为废气出口的高度与目标高度之比,根据相关标准确定,一般要求大于1-风速因子:根据地区的平均最大风速确定。
-烟囱截面积:根据锅炉排放废气的流速和负荷计算。
2.烟囱截面积计算:烟囱截面积需要根据锅炉排放废气的流速和负荷进行计算,主要包括以下两种方法:-直接法:根据锅炉排放废气的流量和废气截面积计算。
-等值法:根据锅炉功率和废气流速计算。
3.烟囱内径计算:烟囱内径是为了适应锅炉排放废气的流速和负荷而进行计算的。
一般来说,烟囱的内径应根据锅炉排放废气的流速和截面积进行估算,同时还要考虑烟囱的结构强度和排烟效果等因素。
烟囱内径的计算需考虑以下几个因素:-烟囱内径与烟囱截面积的关系。
-烟囱内径与锅炉排放流速的关系。
-相关标准和规范要求。
4.烟气温度计算:烟气温度是锅炉烟囱设计的重要参数,一般要求锅炉烟气温度不得超过缺点烟囱材料的极限烟气温度,以保证烟囱结构的安全运行。
烟气温度的计算需要根据锅炉排放废气的温度、烟囱的高度和烟囱截面积等因素进行估算。
5.烟囱材料选择:烟囱材料的选择应根据锅炉排放废气的特性、烟囱的高度和温度要求等因素进行考虑。
常见的烟囱材料包括钢铁、钢筋混凝土、耐火材料等。
根据不同的工况和要求,选择合适的烟囱材料能够确保烟囱的结构强度和耐用性。
总结:。