连续梁支座安装技术交底
- 格式:doc
- 大小:112.50 KB
- 文档页数:4
连续梁技术交底连续梁是现代建设中的一种常见桥梁类型,具有结构简单、施工周期短、运行可靠等优点。
随着城市建设的不断发展,越来越多的城市桥梁采用了连续梁结构。
为了确保施工质量,技术交底是十分必要的。
连续梁结构连续梁桥是指由多跨相连、构造形式具有连续性的梁式结构。
在连续梁结构中,每个跨度的两侧跨中点处都连接了支座,跨中点以上结构形成了整体的连续梁,跨中点以下结构为独立的梁或构件。
连续梁结构的主要构件包括梁段、节点、对接板、连接构件等。
其中梁段为连续梁的主要构件,梁段端部为受力较大的区域,通常采用箱式或I型钢截面。
连续梁技术交底内容连续梁技术交底主要包括连续梁结构设计及施工、材料选用、加工、安装等方面的内容。
连续梁结构设计在连续梁结构设计上,需要考虑桥梁跨度、形式、荷载等因素,具体包括:•连续梁梁段的截面设计:连续梁梁段的截面要满足强度、刚度、稳定性等要求。
•连续梁节点设计:节点是连续梁结构中的关键部位,需要考虑疲劳寿命。
•连续梁支座设计:支座是连续梁的承重部分,需要考虑支座的位置和数量。
连续梁施工在连续梁施工中,需要考虑的主要内容包括:•连续梁梁段的制作:连续梁梁段制作应满足规范要求,通过施工现场检验合格后方可使用。
•连续梁梁段的安装:安装连续梁梁段时应注意保持水平和垂直平稳,防止梁段变形。
•连续梁节点连接:节点的连接要确保连接面平整密实,避免连接处产生裂缝、松动等情况。
连续梁材料选用连续梁材料的选用对其安全运行至关重要。
具体包括:•钢材的品质和规格:采用合格的钢材,规格应满足要求。
•混凝土材料的质量和强度:混凝土应符合规范要求,强度符合设计要求。
•锚固材料的选用:使用具有合格证明的锚固材料,保证锚固质量。
连续梁加工连续梁加工主要包括:•钢材加工:钢材加工应保证尺寸精度和外形质量。
•焊接工艺:保证焊接接头的质量,避免缺陷产生。
•混凝土浇筑:浇筑混凝土时应注意均匀性和密实性。
连续梁技术交底实施在连续梁技术交底实施中,需要进行施工组织设计、工艺措施和安全措施等方面的制定和实施。
技术交底单单位:编号:主送单位接收单位签发日期工程项目田庄水库特大桥连续梁支座安装技术交底一、施工准备1.1 交付、验收及保管(1)、交付、验收的产品应具有生产厂家的出厂检验报告、合格证、附件清单及相关材质报告,并用塑料袋包装封口;(2)、支座存储的场地要求平整,应保持干燥通风,室温保持在支座使用的温度范围之内,支座应分类摆放整齐,下方用方木或木块垫放,避免阳光照射、雨雪浸湿,并保持清洁。
严禁与酸、碱、油类、有机溶剂等影响支座质量的物质相接触,距热源应在1米以外。
支座储存应不影响施工,且方便支座的运输和吊装,应支座与附件分开包装,所以注意保管好螺栓等附件。
(3)、运输和转运中不得碰撞、拆卸支座,起吊、落下应缓慢进行,确保支座临时连接不松动,安装前应保持支座原始装配和包装状态不变,并避免阳光直接暴晒、雨淋.二、安装细则2.1支座布置:田庄水库特大桥32+48+32m连续梁均为三跨,采用TLQZ-Ⅰ型球型支座,按双线连续梁安装原则布置支座,如下图所示:根据设计:1-TLQZ-Ⅰ-6000-DX 多向活动支座(纵向活动量± 100mm)2-TLQZ-Ⅰ-6000-ZX 纵向活动支座(活动量± 100mm)3-TLQZ-Ⅰ-20000-HX 横向活动支座(活动量± 10mm)4-TLQZ-Ⅰ-20000-GD 固定支座5-TLQZ-Ⅰ-20000-DX 多向活动支座(纵向活动量± 100mm)6-TLQZ-Ⅰ-20000-ZX 纵向活动支座(活动量± 100mm)支座安装参数表编号支座规格个数(个)设计竖向承载力部件尺寸(mm)墩顶预埋套筒A B C D H ΦA 埋深B1 TLQⅠ-6000-DX2 6000 860 640 770 46185 115 450 2 TLQⅠ-6000-ZX 2 6000 990 720 880 46185 125 5003 TLQⅠ-20000-HX 1 20000 1620 1140 14385260 170 5504 TLQⅠ-20000-GD 1 20000 1430 1128 12485260 170 5505 TLQⅠ-20000-DX 1 20000 1420 1140 12985260 135 5006 TLQⅠ-20000-ZX 1 20000 1560 1300 13785260 170 5502.2安装前的准备第- 1 -页共 7 页(1)、支座安装前,工地检查支座连接状态是否正常,但不得任意松动上、下支座螺栓;栓帽应安装齐全,并涂上黄油。
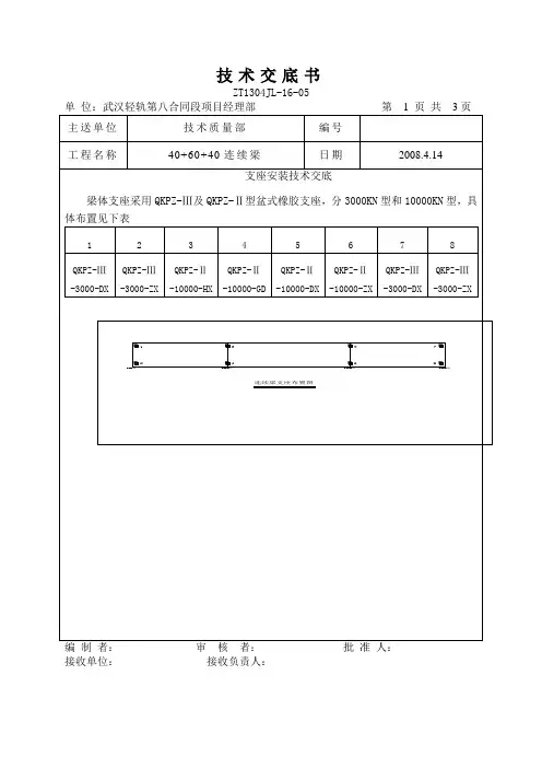
技术交底内容:1.技术交底范围本技术交底适用于连盐铁路LYZQ-V标跨S329特大桥(40+64+40)m连续梁临时支座及支座施工。
2.设计情况跨S329特大桥连续梁起讫里程DK201+825.475—DK201+970.875(117#—120#墩),117#、120#墩为边墩,118#、119#墩为主墩,每个墩顶都需要安装支座,其中主墩还需要安装临时支座。
3.开始施工的条件及施工准备工作(1)由项目部测量人员根据图纸在支承垫石上放出支座安装中心线.(2)118#、119#主墩,117#、120#边墩周围场地需填平、夯实,表面用铲车平整,作为临时工作场地,现场能摆放25t吊车一台,平板拖车一辆。
(3)118#、119#主墩支座,117#、120#边墩支座采用平板拖车水平运输至现场,现场采用25t吊车起吊,并安放在支承垫石上。
(4)支座安装前,项目部技术人员和负责安装支座的作业人员要检查支座各部件是否与图纸设计一致,连接状态是否正常,但不得任意松动上、下支座螺栓,栓帽应安装齐全,并涂上黄油。
4.施工工艺4.1.临时支座施工工艺在连续梁施工过程中,临时固结支座采取在118#、119#墩顶墩中心线侧1.0m处设置50*470*80cm的矩形临时支墩,采用C50混凝土。
其中,单个临时支座顺桥向中心线120cm范围内布置18根PSB830φ32精轧螺纹钢(双排布置),间距30cm,埋入墩内150-200cm;120cm外预埋40根HRB400Φ32螺纹钢。
临时支座顶底面各设一薄层隔离层,隔离层用两层油毡制作,以便在合拢后清除临时支座.临时支座布置示意图:4.2.永久支座施工工艺该连续梁边墩采用TJQZ—LZ-6000-ZX/DX-0。
1g球型支座,主墩采用TJQZ-LZ-25000-GD/ZX/HX/DX-0.1g球型支座。
①支座安装前对垫石进行仔细标高检查,垫石顶面四角高差不得大于2mm。
②本系列支座采用地脚螺栓+底柱的连接方式,在墩台顶面支承垫石部位需预留孔.③支座安装工艺:球型支座在工厂组装时,应仔细调平,对中上、下座板,用连接螺栓将支座连接成整体。
技术交底单施工单位:中铁二十一局鲁南高铁项目部编号:LQTJ-2-QL 工程名称花果峪特大桥连续梁接底部门上海景哲劳务队交底项目支座安装及注浆施工交底日期交底内容:一、适用范围:本交底适用于花果峪特大桥1-(60+112+60)m连续梁支座安装及注浆施工。
二、交底内容:(一)安装前准备工作1.支座选型时,应仔细调平,对中上、下支座板,预压后用上、下支座连接钢板及连接螺栓将支座连接成整体。
2.支座四角采用垫块调整标高,支座调整就位后,在下支座板底面与支承垫石顶面之间应留有20~30mm的空隙,以便灌注无收缩高强度灌注材料,见下图:将支承垫石表面浸湿。
2.先在支承垫石顶面铺一层厚20~30mm的M50干硬性无收缩砂浆,砂浆顶面铺成中间略高于四周的形状。
3.支座就位后,调整支座高程和水平,再用M50流动性无收缩砂浆将螺栓孔灌注密实。
4.待梁体施工完成好后,安装支座围板,完成支座安装。
(三)无收缩高强度灌注材料性能要求及安装要求无收缩高强度灌注材料性能指标需满足下表要求:支座灌浆料主要性能指标序号主要性能指标技术指标1 泌水率/%0支座提高工艺细则1.支座进行调高前应先测量梁体标高确定支座所需调高量,根据支座类型及外形尺寸加工调高用钢板,支座的实际调高量不应大于设计调高量。
2.在需要调高的支座出布置顶梁用千斤顶,千斤顶的最大顶升力应根据支座的设计荷载确定。
3.根据设计要求放松相邻区段轨道的扣压力并拆除支座与梁体的连接螺栓。
4.千斤顶起顶,顶梁高度、顺序、位置应满足梁体设计文件要求。
同一墩、台上的支座应同步顶升,支座的顶升高差应小于1.0mm。
起顶高度高出最终设计标高3mm~5mm后锁定千斤顶,并安装临时支撑,然后将预先备好的调高垫板插入梁体与支座之间的缝隙,调整好位置后安装支座应梁体的连接螺栓,但不拧。
专业的论文在线写作平台
连续梁支座技术交底
交底内容:支座施工一、编制依据1、《高速铁路桥涵工程施工技术指南》铁建设[2010]241号2、《高速铁路桥涵工程施工质量验收标准》(TB10752-2010)3、《铁路桥涵钢筋混凝土和预应力混凝土结构设计规范》(TB10002.3-2005)4、时速350公里客运专线铁路无碴轨道(40+64+40)m预应力连续梁(通桥(2008)2368A-III)5、《铁路常用跨度连续梁TJGZ-LX支座安装图》(长昆施桥参28-Ⅱ)及(长昆施桥参28-Ⅱ)6、《铁路简支梁桥TJQZ球型支座安装图》(二设桥参(土一)(2010)8362)7、张官屯大桥施工图8、局指2013.4.15支座变更通知9、作业指导书、类似工程施工经验二、施工准备1、支座交付、验收及保管(1)交付、验收的产品应具有生产厂家的出厂检验报告、合格证、附件清单及相关材质报告,并用塑料袋包装封口;(2)支座存储的场地要求平整,应保持干燥通风,室温保持在支座使用的温度范围之内,支座应分类摆放整齐,下方用方木或木块垫放,避免阳光照射、雨雪浸湿,并保持清洁。
严禁与酸、碱、油类、有机溶剂等影响支座质量的物质相接触,距热源应在1米以外。
支座储存应不影响施工,且方便支座的运输和吊装,应支座与附件分开包装,所以注意保管好螺栓等附件;(3)运输和转运中不得碰撞、拆卸支座,起吊、落下应缓慢进行,确保支座临时连接不松动,安装前应保持支座原始装配和包装状态不变,并避免阳光直接暴晒、雨淋。
三、施工工艺1、支座布置:张官屯大桥连续梁5#、8#墩连续梁采用支座类型为TJGZ-LX-Q7000-ZX-±100-0.1g;6#墩采用支座类型为TJGZ-LX-Q25000-GD-0.1g;。
支座安装技术交底一、概述支座是桥梁结构中的重要组成部分,支承桥梁与桥墩或桥墩与地基之间的力,实现桥梁的承载功能。
支座的安装是桥梁施工中至关重要的环节,对于保证桥梁的安全可靠运行具有重要的意义。
本文将从支座的选择、支座的安装流程、支座安装注意事项三个方面进行交底,以确保支座的安装质量。
二、支座的选择支座按照不同的参数进行分类,如纵向伸缩量、横向位移量以及受力形式等。
在进行支座的选择时,需要根据具体的桥梁设计方案对其进行选型。
在桥梁接收外界水平震动时,如果支座的弹性不足,就会导致桥梁发生振动,甚至倒塌。
因此,在桥梁设计过程中,需要根据桥梁所处的环境、地形地貌、千载气候等因素来选择支座,以确保其能够适应各种力环境。
三、支座的安装流程1. 临时支架的安装在进行支座的安装前,需要先进行临时支架的搭建。
临时支架的搭建需要符合国家建筑标准,以确保安全稳定。
2. 清理支座槽口清理支座槽口时,需要保证槽口表面平整清洁,以保证支座的安装质量。
3. 支座的安装在进行支座的安装时,注意以下事项:•支座的位置、方向需要符合设计要求,安装后不能有旋转、倾斜等现象;•必须进行调平调正,并在调整完成后进行固定;•安装时注意支座墩底水平面,以保证支座的安装质量;•安装橡胶支座时,需在支座位置涂敷橡胶粘合剂,确保支座与结构紧密粘结;4. 支座周边的验收支座的安装完成后,需要进行支座周边的验收,以确保其安装质量。
四、支座安装注意事项在支座安装过程中,需要注意以下事项:•在支座安装前,必须检查支座在运输过程中是否受到损坏,确保支座的完好性;•在支座安装前,必须检查支座的型号、质量是否符合设计要求;•安装支座时必须进行配合安装,保证支座的位置、方向能够符合设计要求;•支座的安装需要在天气良好、温度适宜、无风的情况下进行。
五、支座的安装对于桥梁的安全可靠运行具有重要的意义。
在进行支座安装时,需要从支座的选择、安装流程、注意事项等方面进行仔细的操作,以确保支座安装质量。
最新整理连续梁支座技术交底交底内容:支座施工一、编制依据1、《高速铁路桥涵工程施工技术指南》铁建设[20xx]241号2、《高速铁路桥涵工程施工质量验收标准》(TB10752-20xx)3、《铁路桥涵钢筋混凝土和预应力混凝土结构设计规范》(TB10002.3-20xx)4、时速350公里客运专线铁路无碴轨道(40+64+40)m预应力连续梁(通桥(20xx)2368A-III)5、《铁路常用跨度连续梁TJGZ-LX支座安装图》(长昆施桥参28-Ⅱ)及(长昆(20xx)施桥参28-Ⅱ)6、《铁路简支梁桥TJQZ球型支座安装图》(二设桥参(土一)8362)7、张官屯大桥施工图8、局指20xx.4.15支座变更通知9、作业指导书、类似工程施工经验二、施工准备1、支座交付、验收及保管(1)交付、验收的产品应具有生产厂家的出厂检验报告、合格证、附件清单及相关材质报告,并用塑料袋包装封口;(2)支座存储的场地要求平整,应保持干燥通风,室温保持在支座使用的温度范围之内,支座应分类摆放整齐,下方用方木或木块垫放,避免阳光照射、雨雪浸湿,并保持清洁。
严禁与酸、碱、油类、有机溶剂等影响支座质量的物质相接触,距热源应在1米以外。
支座储存应不影响施工,且方便支座的运输和吊装,应支座与附件分开包装,所以注意保管好螺栓等附件;(3)运输和转运中不得碰撞、拆卸支座,起吊、落下应缓慢进行,确保支座临时连接不松动,安装前应保持支座原始装配和包装状态不变,并避免阳光直接暴晒、雨淋。
三、施工工艺1、支座布置:张官屯大桥连续梁5#、8#墩连续梁采用支座类型为TJGZ-LX-Q7000-ZX-±100-0.1g;6#墩采用支座类型为TJGZ-LX-Q25000-GD-0.1g;7#墩采用支座类型为TJGZ-LX-Q25000-ZX-±100-0.1g球型支座,支座布置详见铁路常用跨度连续梁TJGZ-LX支座安装图》(长昆施桥参28-Ⅱ)及(长昆施桥(20xx)(二设桥参(土一)参28-Ⅱ补充)及《铁路简支梁桥TJQZ球型支座安装图》8362)。
中铁二十一局集团成昆铁路峨眉至米易段项目经理部一分部技术交底施工单位:中铁二十一局集团成昆铁路峨眉至米易段项目经理部一分部编号:工程名称喜德1号交底部位连续梁支座安装里程D2K371+100 交底日期交底内容:一、主要危险源与危害因素1.支座在墩顶存放时,固定不牢固。
2.在未设臵栏杆、步梯等安全防护设施的墩顶施工。
3.高空作业人员不系安全带,或安全带系挂不符合规定要求。
4.上螺丝时,不注意配合,不听从正确指挥。
5.6级及以上强风、暴雨、浓雾等恶劣天气,在墩顶作业无安全防护措施。
6.多人同时搬运物品时,相互合作不当或搬运方法不当。
7.顶落梁时未设保险措施。
二、安全注意事项1.支座安装前,墩顶及支座锚栓孔中的积雪、冰冻、积水和其他杂物应清理干净,并采取必要的防滑措施。
支座在墩顶临时存放时,要固定牢固。
2.严禁在未设臵栏杆、步梯等安全防护设施的墩顶进行施工。
3.遇6级及以上强风、暴雨、浓雾等恶劣天气,无安全防护措施时严禁高空作业。
4.吊运支座时,墩顶作业人员应待支座稳定后再扶正就位,人工抬运支座时,应协调一致。
5.顶落梁时,应有保险设施,随着活塞起落及时安放或撤除。
两端支点不得同时起落。
施顶或横移时,应缓慢平稳进行。
6.连续梁进行体系转换前,必须对支座进行检查。
7.移动支座,注意脚底,防止支座砸伤脚。
8.发现孔径位臵、深度不对等问题时,及时上报。
9.支座与梁底应安放石棉板,石棉板不得损坏。
10.班前、班中严禁饮酒。
11.上螺丝时,注意配合,听从指挥,防止挤伤、碰伤。
12.安装过程中不得损坏支座,不得将上下板的连接片去除。
13.支座螺丝必须上牢。
14.操作人员上岗前,必须按规定穿戴防护用品,上班必须佩戴安全帽。
15.高空作业人员正确系好安全带,脚下要穿软底防滑鞋,不得穿拖鞋、硬底鞋或带钉易滑的鞋。
16.施工现场设臵的安全标志,不得擅自拆除。
17.吊车起动前,应仔细检查油压制动部分和升降部分,不得带病作业。
技术交底单
2.支座四角采用垫块调整标高,支座调整就位后,在下支座板底面与支承垫石顶面之间应留有20~30mm的空隙,以便灌注无收缩高强度灌注材料,见下图:
3.灌浆采用重力灌浆方式,灌浆前应估算浆体体积,备料充足。
灌浆口高度应保证灌浆密实。
灌注使用体积数量不应与计算值参数过大误差,应防止中间缺浆。
4.灌浆时应先灌注支座预留锚栓孔,当支座预留孔接近灌注满时再由支座中心部位向四周注浆,直至从钢模与支座底板周边间隙观察到灌浆材料全部灌满为止。
5.灌浆性能应满足《铁路桥梁球型支座》TB/T3320-2013的规定。
灌浆前应初步设计所需浆体的体积,实际灌浆用浆体数量不应与计算值差距太大,防止中间部位缺浆。
6.灌注材料达到20MPa后,拆除模板,检查是否有漏浆处,必要时对漏浆处进行修补,待浇筑梁体混凝土后,张拉预应力筋前,及时拆除各支座的连接板及连接螺栓,对支座油漆破损部位进行修补,并安装支座围板,完成支座安装。
座浆法:
1.凿毛支座就位部位的支承垫石表面,清除预留锚栓孔中的杂物,并用水将支承垫石表面浸湿。
2.先在支承垫石顶面铺一层厚20~30mm的M50干硬性无收缩砂浆,砂浆顶面。
技术交底书(1311)表格编号技术交底书1311 项目名称京沈京冀客运专线IV标段第 1 页共 4 页交底编号JSJJSG-4-2-QH-0工程名称老牛河特大桥跨G101国道(40+64+40)m连续梁设计文件图号京沈桥通-05-II、通桥(2015)2368A-III-1施工部位连续梁永久支座安装技术交底交底日期2015年6月25号技术交底内容:一、适用范围老牛河特大桥跨G101国道(40+64+40)m连续梁永久支座安装施工二、设计情况⑵本连续梁共设置:TJQZ-通桥8361-25000-GD-0.1g固定支座1套;TJQZ-通桥8361-25000-HX-100-0.1g横向活动支座1套;TJQZ-通桥8361-25000-ZX-100-0.1g纵向活动支座1套;TJQZ-通桥8361-25000-DX-100-0.1g多向活动支座1套;TJQZ-通桥8361-7000-ZX-100-0.1g纵向活动支座2套;TJQZ-通桥8361-7000-DX-100-0.1g多向活动支座2套。
支座外形尺寸见表1。
交底人:复核人:架子队长:施工班组长:安质部接收:施工班组(见附表):表1 永久支座型号尺寸型号规格外形尺寸(mm)锚栓及其定位尺寸(mm)备注A B C D H A1 B1 C1 D1 Φ×L1 Φ×L2通桥8361-25000GD 1600 1430 1240 1790 270 1380 960 1020 1570 120×400 120×600 49#墩右侧通桥8361-25000HX 1800 1270 1240 1650 270 1580 960 1020 1430 120×400 120×600 49#墩左侧通桥8361-25000ZX 1730 1440 1240 1800 270 1510 960 1020 1580 120×400 120×600 50#墩右侧通桥8361-25000DX 1550 1270 1240 1500 270 1420 960 1110 1370 75×300 75×450 50墩左侧通桥8361-7000ZX 1050 790 670 990 200 930 500 550 870 70×250 70×450 48/51#墩右侧通桥8361-7000DX 920 700 670 870 200 830 500 580 780 55×250 55×400 48/51#墩左侧支座锚固安装图三、施工准备⑴技术准备①熟悉设计图纸和技术要求以及相关规范,收集当地气象资料,编制施工技术交底,向班组进行技术交底、安全交底;②测量放样:计算和整理施工放样资料,以便按设计要求放样;③施工前应对施工人员进行全面的技术操作交底、安全交底,确保施工过程的工程质量和作业安全;⑵机械设备准备①安装和运输设备:吊机或吊架、运输车等;②混凝土浇筑设备:;拌合机、拌合桶;③测量设备:全站仪、水准仪、钢尺等;④试验设备:压力机等;交底人:复核人:架子队长:施工班组长:安质部接收:施工班组(见附表):⑶材料准备①原材料:支座砂浆、水等,有材料员和实验员按规定要求进行检验,确保材料符合要求;②按设计强度要求:分别做支座砂浆的配比设计和试验;⑷作业条件①搭设工作平台:支座安装前应在墩台顶搭设牢固的施工人员作业平台,并设置护栏,确保施工人员工作方便和作业安全;②修好运输便道,确保便道畅通;确定吊装方法,准备好吊装设备;③施工作业人员要求:由技术人员向现场作业工人进行培训及安全技术交底。