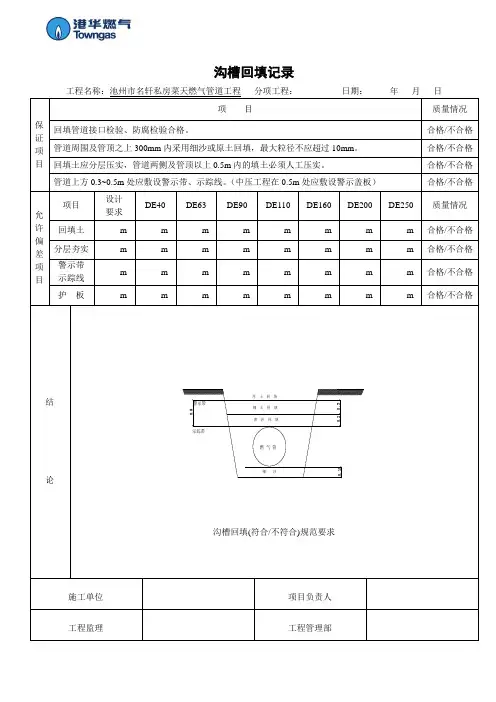
WA3-WA4 沟槽回填压实度记录
- 格式:doc
- 大小:317.00 KB
- 文档页数:8
压实度检测记录表(灌砂法)
施工单位合同号
天气土场位置
距路基顶面设计标高最大干容重(g/cm3)
锥体砂重最佳含水量(%)
检查范围砂单位重(g/cm3)
检查日期编号:C-1-4-□□□□—□□□□
试验:记录:计算:复核:
土方路基现场质量检验报告单
承包单位:黄冈市安顺路桥那个公司
监理单位:英山县交通基本建设质量监督站编号:B-2-2-□□□□-□□□□
监理工程师:日期:
承包人:日期:
水泥稳定粒料层及底基层
现场质量检验报告单
承包单位:
监理单位:编号:B-3-8-□□□□-□□□□
监理工程师:日期:
承包人:日期:
建设项目质量检验评定表
项目名称:
起讫桩号:编号:B-1-18-□□□□-□
检查负责人:计算:复核:日期:
厚度检验评定报告单
承包单位:黄冈市安顺路桥公司
监理单位:英山县交通基本建设质量监督站编号:B-1-19-□□□□
水泥砼抗压强度试验
编号:C-6-1-□□□□—□□□□
无机结合料稳定土无侧限抗压(间接抗拉)强度试验
编号:C-7-1-□□□□—□□□□
工序检验申请批复单
承包单位:黄冈市安顺路桥公司
监理单位:英山县交通基本建设质量监督站编号:A-2-9-□□□□-□□□□。
现场压实度记录一、记录目的本记录的目的是对现场进行的压实度检测(灌砂法)进行详细的记录和分析,以确定施工过程中的压实效果,为后续工作提供数据支持和参考。
二、检测内容本次检测的主要内容是通过灌水灌砂的方法来进行现场土质的压实度检测。
灌水灌砂法是常用的一种检测压实度的方法,通过将水灌入土层使其饱和,再通过灌水敷设的沟槽使水渗透土层,最后通过填充砂料的压实过程来测试土层的压实度。
三、检测设备和方法1.灌水装置:用于将水灌入土层的设备。
2.灌水沟槽:通过在土层上进行灌水时布置的水沟。
3.砂料:用于填充压实土层的材料。
4.播撒水:用于浇湿砂料并使其紧实。
5.压实工具:用于将砂料压实。
四、检测步骤1.根据现场实际情况布置灌水沟槽和灌水装置。
2.开始灌水过程,注意控制灌水速度,使水能均匀渗透到土层中。
3.在灌水的同时,开始填充砂料,通过湿润砂料并用压实工具进行压实。
4.持续灌水和填充砂料压实,直至达到设定的压实度要求。
5.停止灌水和压实工作,等待土层自然排水并观察砂料表面是否有积水。
6.检测结束后,对灌水、填砂以及压实的情况进行记录和分析。
五、记录内容1.现场基本情况:记录现场的日期、地点、天气、施工单位等信息。
2.灌水过程记录:记录灌水的开始、结束时间以及水流量。
3.灌水沟槽情况:记录灌水沟槽布置的方式、长度、宽度、深度等信息。
4.砂料填充情况:记录填充的砂料种类、厚度、均匀性等情况。
5.压实情况记录:记录压实工作的方式、设备、压实时间等信息。
6.压实效果检测:记录压实过程中观察到的现象,如砂料表面是否有积水等。
7.压实度测试结果:记录测试得到的压实度数值,并与设计要求进行对比。
8.结果分析和建议:根据测试结果进行分析,并提出相应的建议和改进措施。
六、记录要点1.记录要准确、详细,包括时间、位置、压实度数值等数据。
2.注意观察和记录灌水过程中的砂料、土壤等情况,尤其是是否有积水现象。
3.对检测结果进行分析,确定压实工作是否达到设计要求,提出改进建议。
见证记录编号:土压-01 工程名称:广州市轨道交通三号线北延段施工4标【同和站~永泰站盾构区间(二)、永泰站、永泰站~嘉禾站盾构区间】土建工程取样部位: 明挖段回填土样品名称:回填土压实度试样取样数量:1组取样地点: 工地现场取样日期: 2008年8月28日见证记录:2008年8月28日,在监理的见证下对明挖段回填土压实度检测进行现场取样,本次检测部位明挖段标高+5.12第一层(左线里程ZDK-10-417.443~ZDK-10-523.873,右线里程YDK-10-410.8~YDK-10-518.848),取样数量1组。
取样过程和取样数量均符合规范要求。
取样人签字:见证人签字:证书编号:填写本记录日期:年月日见证记录编号:土压-02 工程名称:广州市轨道交通三号线北延段施工4标【同和站~永泰站盾构区间(二)、永泰站、永泰站~嘉禾站盾构区间】土建工程取样部位: 明挖段回填土样品名称:回填土压实度试样取样数量:1组取样地点: 工地现场取样日期: 2008年8月28日见证记录:2008年8月28日,在监理的见证下对明挖段回填土压实度检测进行现场取样,本次检测部位明挖段标高+5.27第二层(左线里程ZDK-10-417.443~ZDK-10-523.873,右线里程YDK-10-410.8~YDK-10-518.848),取样数量1组。
取样过程和取样数量均符合规范要求。
取样人签字:见证人签字:证书编号:填写本记录日期:年月日见证记录编号:土压-03 工程名称:广州市轨道交通三号线北延段施工4标【同和站~永泰站盾构区间(二)、永泰站、永泰站~嘉禾站盾构区间】土建工程取样部位: 明挖段回填土样品名称:回填土压实度试样取样数量:1组取样地点: 工地现场取样日期: 2008年8月29日见证记录:2008年8月29日,在监理的见证下对明挖段回填土压实度检测进行现场取样,本次检测部位明挖段标高+5.57第三层(左线里程ZDK-10-417.443~ZDK-10-523.873,右线里程YDK-10-410.8~YDK-10-518.848),取样数量1组。
压实度试验记录范文实验记录:压实度试验日期:2024年10月15日地点:实验室A4实验目的:本实验旨在分析不同压实度下土壤的物理特性,并探讨压实度对土壤结构和力学性质的影响。
实验材料:1.混合土壤样品(样本编号:S001)2.压实仪器及相关测量工具3.清水和容器4.实验记录表格实验步骤:1.准备工作:a.将混合土壤样品收集自现场,并分选出颗粒大小较为均匀的土壤颗粒。
b.对土壤样品进行天然水分含量测定,并记录该值。
2.压实度试验:a.将取样的混合土壤置于清洁且质量已知的容器内。
b.把土壤轻轻地压实,并记录初始的土壤体积和质量。
c.使用压实仪器按照一定的压实度进行压实。
每次压实后,记录土壤的体积和质量。
d.按照不同的压实度,重复步骤c,直至达到所需的压实度。
3.数据处理:a.根据实验数据计算每一次压实后的土壤容重,并将结果记录在实验记录表格中。
b.绘制压实度与土壤容重之间的关系曲线,以分析压实度对土壤结构的影响。
实验结果:实验数据表格:压实次数,压实度(%),土壤湿重(g),土壤体积(cm³),土壤容重(g/cm³)----------,------------,--------------,----------------,------------------1,0,35,50,0.72,20,45,48,0.943,40,55,46,1.24,60,65,44,1.485,80,75,42,1.796,100,85,40,2.13数据处理与分析:[插入图表]从图中可以明显看出,随着压实次数的增加,土壤的容重逐渐增加。
在压实度达到80%时,土壤的容重增至1.79g/cm³,说明土壤结构已经达到最紧密状态。
同时,压实度与土壤容重之间呈现明显的正相关关系,说明压实度对土壤结构有着重要的影响。
结论:本实验通过压实度试验分析了不同压实度下土壤的物理特性。
实验结果显示,随着压实度的增加,土壤的容重逐渐增加,土壤结构也逐渐变得更加紧密。
F10委托编号:工程名称委托单位分包单位代表桩号见证单位压实度检验记录(灌砂法)检验编号:分项名称击实类型样品来源土样类别最大干密度g/cm3检验类别层次要求压实度%委托日期层厚委托人检验日期见证人取样人检验依据年月日年月日检验编号取样桩号及部位量砂容器 +量砂质量g(1)试量砂容器 +余砂质量g(2)坑锥体砂质量g(3)容试坑耗砂g(4)=(1)-(2)-(3)积量砂密度g/cm3(5)试坑容积cm3(6)=(4)/(5)试坑中挖出试样质量g(7)试样湿密度g/cm3(8)含湿料质量g(9)干料质量g(10)水水的质量g(11)=(9)-(10)率试样含水率%(12)=(11)/(10)*100%试样干密度g/cm3(13)=(8)/(1+(12))最大干密度g/cm3(14)压实度%(15)=(13)/(14)*100%备注检验单位(盖章)校核人:检验人:压实度检验 ( 灌砂法 ) 检测样品取样的注意事项检测频率每 1000m2一次,检测数量按CJJ1-2008中的规定。
当集料的最大粒径小于15mm、测定层的厚度不超过150mm 时,宜采用φ100mm 的小型灌砂筒测试;当集料的粒径大于或等于15mm,但不大于 40mm,测定层厚度超过150mm,但不超过 200mm 时,应用φ150mm 的大型灌砂筒测试。
灌砂试验前,应对标准砂的密度和锥体质量进行标定。
挖坑时,试坑应周壁竖直,避免出现上大下小或上小下大的情形,否则,检测密度偏大或偏小。
样品取出后应密封,防止水分蒸发,影响检测结果。
填写委托单时必须填清楚工程名称、委托单位、施工单位、代表起止桩号、每个测点的桩号及部位、击实指标、设计或标准要求达到的压实度等信息。
压实度试验记录(灌水法)试土表4-3
编号:试验日期:年月日第页共页试验:复核:主任:
工程名称:施工标段:(K +~K+)
监理单位:施工单位:
施工路段试验桩号结构类型
压实层次标高(m)压实度标准(%)
填料名称最大干密度
(g/cm3) 最佳含水量(%)
测点位置及标高
座板部分注水前储水筒水位高度h1
座板部分注水后储水筒水位高度h2
储水断面积A w
座板部分的容积V1=(h1-h2)A w
试坑注水前储水筒水位高度H1
试坑注水后储水筒水位高度H2
试坑容积V=(H2-H1)A w-V1
取自试坑内的试样质量m p
试样湿密度ρ
细粒土部分含水量W f
石料部分含水量W c
细料干质量与全部干质量之比P f
整体含水量%
试样干密度ρ
压实度(%)
结论:监理意见:
签名:。