管 道 沟 槽 回 填 压 实 度 检 验 汇 总 表
- 格式:xls
- 大小:11.56 KB
- 文档页数:4
沟槽回填检验批质量验收记录(总13页)-本页仅作为文档封面,使用时请直接删除即可一"内页可以根据需求调整合适字体及大小一A7工程报验单工程名称:园博园C地块基础设施配套工程-市政道路编号:致:厦门高诚信建设监理有限公哥本工程的支一路P1-P5污水管道沟槽回填工程,经施工自检评定验收合格. 请于2010年_月_日/时/分现场核查验收,我方提供所需工程验收资料。
口设计图纸资料。
口施工技术复核交底记录签证。
口施工测量记录复核签证。
口材料、成品、半成品质保书、检验报告、进场验收确认使用部位记录签证。
口施工自检评定验收资料。
口下一道工序施工的技术方案、人力材料、机具设备、必具条件的准备资料。
全职质检员:________ 签发时间:监理工程师:________ 接收时间:审查、验收意见:□所报分部、分项工程经查验符合要求。
□所报工程不符合要求,详见监理通知单(编号: _______ )O专业监理工程师:时间:附件:1、各分部、分项的工程验收,应由质检员提前24时(特殊情况不得少于12小时)签发本通知单,报送专业监理工程师。
2、地基与基础工程、主体结构中间验收应由质检员提前二天签发本通知单,报送监理工程师。
3、所报工程检验不符合要求,监理工程师签发监理通知单(B1)。
4、本表由施工单位填写一式三份,审核后建设、监理、施工单位各留一份。
沟槽回填检验批质量验收记录GB 50268-2008编号:A7工程报验单工程名称:园博园C地块基础设施配套工程-市政道路编号:致:厦门高诚信建设监理有限公哥本工程的支二路P19-1〜P19污水管道沟槽回填工程,经施工自检评定验收合格,请于2010年_月_曰/时/分现场核查验收,我方提供所需工程验收资料。
口设计图纸资料。
口施工技术复核交底记录签证。
口施工测量记录复核签证。
口材料、成品、半成品质保书、检验报告、进场验收确认使用部位记录签证。
口施工自检评定验收资料。
口下一道工序施工的技术方案、人力材料、机具设备、必具条件的准备资料。
工程验收时,应提交下列技术文件和记录1、竣工图2、图纸会审纪要3、施工组织设计或施工方案4、设计变更文件5、所有原材料、半成品和成品质量证明文件6、材料配合比、拌和加工控制检验和试验数据7、施工记录8、地基处理、隐蔽工程施工记录和检验资料9、工程质量验收记录(SY4210-2017)工程名称分项工程名称验收部位施工单位专业负责人项目经理施工执行标准名称及编号检验批编号施工质量验收规范规定施工单位检查评定记录监理(建设)单位验收记录项目序号检查内容规定值或允许偏差主控项目1 路基用土符合设计要求和JTG F10的规定2压实度(%)填挖类型路床顶面以下深度(mm)主干道、次干道支道=零填及挖方0~0.3 ≥95 ≥94填方0~0.8 ≥95 ≥940.8~1.5 ≥94 ≥93>1.5 ≥92 ≥903 弯沉(0.01mm)不大于设计规定值一般项目1 纵断高程(mm)+10,-202 中线偏位(mm)≤1003 宽度(mm)不小于设计值4 平整度(mm)≤205 横坡(%)±0.5%6 边坡(%)不陡于设计值7 路堑段上边坡应平整稳定8路基表面应平整,边线直顺,曲线圆滑;路基边坡坡面应平顺、稳定9 取土坑、弃土堆、护坡值、碎落台的位置应适当,外形应整齐施工单位检查评定结果项目专业质量检查员:年月日监理(建设)单位验收结论监理工程师(建设单位项目代表):年月日(SY4210-2017)软土地基处治:砂砾垫层检验批质量验收记录表(SY4210-2017)软土地基处治:袋装砂井、塑料排水板检验批质量验收记录表(SY4210-2017)软土地基处治:碎石桩(砂桩)检验批质量验收记录表(SY4210-2017)软土地基处治:土工合成材料处治层检验批质量验收记录表(SY4210-2017)(SY4210-2017)(SY4210-2017)砌体挡土墙工程检验批质量验收记录表(SY4210-2017)悬臂式和扶壁式挡土墙工程检验批质量验收记录表(SY4210-2017)注:平整度取值按每20m取1点最大值填写加筋土挡土墙工程检验批质量验收记录表(SY4210-2017)挡土墙墙背填土工程检验批质量验收记录表(SY4210-2017)工程名称分项工程名称验收部位施工单位专业负责人项目经理施工执行标准名称及编号检验批编号施工质量验收规范规定施工单位检查评定记录监理(建设)单位验收记录项目序号检查内容规定值或允许偏差主控项目1 压实度不小于设计值=一般项目1 填土表面应平整,边线应直顺2 边坡坡面应平顺稳定,不应亏坡,曲线应圆滑施工单位检查评定结果项目专业质量检查员:年月日监理(建设)单位验收结论监理工程师(建设单位项目代表):年月日土沟(排水沟)工程检验批质量验收记录表(SY4210-2017)(SY4210-2017)(SY4210-2017)拦水带、急流槽工程检验批质量验收记录表(SY4210-2017)管道基础及钢筋砼排水管安装工程检验批质量验收记录表(SY4210-2017)聚乙烯缠绕结构壁排水管安装工程检验批质量验收记录表(SY4210-2017)检查井(雨水口)砌筑工程检验批质量验收记录表(SY4210-2017)(SY4210-2017)(SY4210-2017)工程名称分项工程名称验收部位施工单位专业负责人项目经理施工执行标准名称及编号检验批编号施工质量验收规范规定施工单位检查评定记录监理(建设)单位验收记录项目序号检查内容规定值或允许偏差主控项目1管道顶上铺设路面沟槽回填土压实度(%)主干道、次干道≥95=支道≥93=一般项目1 管道顶上回复自然地面时,沟槽回填土应符合设计要求2 填土表面应平整、无杂物施工单位检查评定结果项目专业质量检查员:年月日监理(建设)单位验收结论监理工程师(建设单位项目代表):年月日水泥混凝土面层工程检验批质量验收记录表(SY4210-2017)沥青混凝土面层和沥青碎石面层工程检验批质量验收记录表(SY4210-2017)工程名称分项工程名称验收部位施工单位专业负责人项目经理施工执行标准名称及编号检验批编号施工质量验收规范规定施工单位检查评定记录监理(建设)单位验收记录项目序号检查内容规定值或允许偏差主控项目1沥青混合料的矿料质量、矿料级配、配合比设计符合设计要求和JTG/T F40的规定2 压实度试验室标准密度的96%=3 厚度(mm)大于或等于85%设计厚度4 弯沉值(0.01mm)符合设计要求一般项目1平整度(mm)标准差σ(mm)≤2.0最大间隙h(mm)≤52 纵断高程(mm)±203 宽度有侧石(mm)±30无侧石(mm)不小于设计值4 横坡(%)±0.55 面层与路缘石及其他构筑物应密贴接顺,不应有积水现象6面层应平整、坚实,不应有松散、泛油脱落、裂缝、堆挤、烂边和粗细料集中现象7施工缝应密实平整,纵向接缝、横向接缝应紧密、平顺,烫缝不应枯焦施工单位检查评定结果项目专业质量检查员:年月日监理(建设)单位验收结论监理工程师(建设单位项目代表):年月日注:弯沉值填写代表值,平整度取值均按每处2点最大值填写沥青贯入式面层工程检验批质量验收记录表(SY4210-2017)注:弯沉值填写代表值,平整度取值均按每处2点最大值填写沥青表面处置面层工程检验批质量验收记录表(SY4210-2017)注:弯沉值填写代表值,平整度取值均按每处2点最大值填写砂石路面工程检验批质量验收记录表(SY4210-2017)工程名称分项工程名称验收部位施工单位专业负责人项目经理施工执行标准名称及编号检验批编号施工质量验收规范规定施工单位检查评定记录监理(建设)单位验收记录项目序号检查内容规定值或允许偏差主控项目1 级配碎石、天然砂砾质量符合设计要求和SY/T 7038的规定2 压实度(%)≥94= 3 厚度(mm)-10一般项目1 平整度(mm)≤152 纵断高程(mm)+5,-153 宽度(mm)不小于设计值4 横坡(%)±0.55 表面应平整密实,边线整齐施工单位检查评定结果项目专业质量检查员:年月日监理(建设)单位验收结论监理工程师(建设单位项目代表):年月日注:平整度取值均按每处2点最大值填写泥(灰)结碎(砾)石面层、基层工程检验批质量验收记录表(SY4210-2017)注:平整度取值均按每处2点最大值填写水泥稳定土基层和底基层工程检验批质量验收记录表(SY4210-2017)工程名称分项工程名称验收部位施工单位专业负责人项目经理施工执行标准名称及编号检验批编号施工质量验收规范规定施工单位检查评定记录监理(建设)单位验收记录项目序号检查内容规定值或允许偏差基层底基层主控项目1 水泥、土质量符合设计要求和JTG/T F20的规定2 水泥用量符合设计要求和JTG/T F20的规定3 压实度(%)≥95 ≥93=4 强度(MPa)在合格标准内5 厚度(mm)±10一般项目1 平整度(mm)≤152 纵断高程(mm)+5,-15 +5,-203 宽度(mm)不小于设计值4 横坡(%)±0.55 碾压后不应有明显轮迹,表面应平整密实,不应有坑洼和明显离析6 施工接茬应平整、稳定施工单位检查评定结果项目专业质量检查员:年月日监理(建设)单位验收结论监理工程师(建设单位项目代表):年月日注:平整度取值均按每处2点最大值填写水泥稳定粒料(级配碎石、级配砾石、砂砾、矿渣)基层和底基层工程检验批质量验收记录表(SY4210-2017)工程名称分项工程名称验收部位施工单位专业负责人项目经理施工执行标准名称及编号检验批编号施工质量验收规范规定施工单位检查评定记录监理(建设)单位验收记录项目序号检查内容规定值或允许偏差基层底基层主控项目1水泥、粒料(级配碎石、级配砾石、砂砾、矿渣)质量符合设计要求和JTG/T F20的规定2 水泥用量符合设计要求和JTG/T F20的规定3 压实度(%)≥97 ≥95=4 强度(MPa)符合设计要求5 厚度(mm)±10一般项目1 平整度(mm)≤152 纵断高程(mm)+5,-15 +5,-203 宽度(mm)不小于设计值4 横坡(%)±0.55 碾压后不应有明显轮迹,表面平整密实,无坑洼、无明显离析6 施工接茬应平整、稳定施工单位检查评定结果项目专业质量检查员:年月日监理(建设)单位验收结论监理工程师(建设单位项目代表):年月日注:平整度取值均按每处2点最大值填写石灰稳定粒料土基层和底基层工程检验批质量验收记录表(SY4210-2017)工程名称分项工程名称验收部位施工单位专业负责人项目经理施工执行标准名称及编号检验批编号施工质量验收规范规定施工单位检查评定记录监理(建设)单位验收记录项目序号检查内容规定值或允许偏差基层底基层主控项目1 石灰、土的质量符合设计要求和JTG/T F20的规定2 石灰用量符合设计要求和JTG/T F20的规定3 压实度(%)≥95 ≥93=4 强度(MPa)符合设计要求5 厚度(mm)-10一般项目1 平整度(mm)≤152 纵断高程(mm)+5,-15 +5,-203 宽度(mm)不小于设计值4 横坡(%)±0.55 表面应平整密实,无坑洼6 施工接茬应平整、稳定施工单位检查评定结果项目专业质量检查员:年月日监理(建设)单位验收结论监理工程师(建设单位项目代表):年月日注:平整度取值均按每处2点最大值填写石灰稳定粒料(级配碎石、级配砾石、砂砾、矿渣)基层和底基层工程检验批质量验收记录表(SY4210-2017)工程名称分项工程名称验收部位施工单位专业负责人项目经理施工执行标准名称及编号检验批编号施工质量验收规范规定施工单位检查评定记录监理(建设)单位验收记录项目序号检查内容规定值或允许偏差基层底基层主控项目1石灰、粒料(级配碎石、级配砾石、砂砾、矿渣)质量符合设计要求和JTG/T F20的规定2 石灰用量符合设计要求和JTG/T F20的规定3 压实度(%)≥97 ≥95=4 强度(MPa)符合设计要求5 厚度(mm)±10一般项目1 平整度(mm)≤152 纵断高程(mm)+5,-15 +5,-203 宽度(mm)不小于设计值4 横坡(%)±0.55 表面应平整密实,无坑洼6 施工接茬应平整、稳定施工单位检查评定结果项目专业质量检查员:年月日监理(建设)单位验收结论监理工程师(建设单位项目代表):年月日注:平整度取值均按每处2点最大值填写水泥粉煤灰土基层和底基层工程检验批质量验收记录表(SY4210-2017)工程名称分项工程名称验收部位施工单位专业负责人项目经理施工执行标准名称及编号检验批编号施工质量验收规范规定施工单位检查评定记录监理(建设)单位验收记录项目序号检查内容规定值或允许偏差基层底基层主控项目1 水泥、粉煤灰、土质量符合设计要求和JTG/T F20的规定2 水泥用量符合设计要求和JTG/T F20的规定3 压实度(%)≥95 ≥93=4 强度(MPa)符合设计要求5 厚度(mm)±10一般项目1 平整度(mm)≤152 纵断高程(mm)+5,-15 +5,-203 宽度(mm)不小于设计值4 横坡(%)±0.55 碾压后不应有明显轮迹,表面平整密实,不应有坑洼和明显离析6 施工接茬应平整、稳定施工单位检查评定结果项目专业质量检查员:年月日监理(建设)单位验收结论监理工程师(建设单位项目代表):年月日注:平整度取值均按每处2点最大值填写水泥粉煤灰稳定粒料(级配碎石、级配砾石、砂砾、矿渣)基层和底基层工程检验批质量验收记录表(SY4210-2017)工程名称分项工程名称验收部位施工单位专业负责人项目经理施工执行标准名称及编号检验批编号施工质量验收规范规定施工单位检查评定记录监理(建设)单位验收记录项目序号检查内容规定值或允许偏差基层底基层主控项目1水泥、粉煤灰、粒料(级配碎石、级配砾石、砂砾、矿渣)质量符合设计要求和JTG/T F20的规定2 水泥用量符合设计要求和JTG/T F20的规定3 压实度(%)≥97 ≥95=4 强度(MPa)符合设计要求5 厚度(mm)±10一般项目1 平整度(mm)≤152 纵断高程(mm)+5,-15 +5,-203 宽度(mm)不小于设计值4 横坡(%)±0.55 碾压后不应有明显轮迹,表面应平整密实,不应有坑洼和明显离析6 施工接茬应平整、稳定施工单位检查评定结果项目专业质量检查员:年月日监理(建设)单位验收结论监理工程师(建设单位项目代表):年月日注:平整度取值均按每处2点最大值填写石灰粉煤灰土基层和底基层工程检验批质量验收记录表(SY4210-2017)工程名称分项工程名称验收部位施工单位专业负责人项目经理施工执行标准名称及编号检验批编号施工质量验收规范规定施工单位检查评定记录监理(建设)单位验收记录项目序号检查内容规定值或允许偏差基层底基层主控项目1 石灰、粉煤灰、土的质量符合设计要求和JTG/T F20的规定2 石灰用量符合设计要求和JTG/T F20的规定3 压实度(%)≥95 ≥93=4 强度(MPa)符合设计要求5 厚度(mm)±10一般项目1 平整度(mm)≤152 纵断高程(mm)+5,-15 +5,-203 宽度(mm)不小于设计值4 横坡(%)±0.55 表面应平整密实,不应有坑洼、浮土、脱皮6 施工接茬应平整、稳定施工单位检查评定结果项目专业质量检查员:年月日监理(建设)单位验收结论监理工程师(建设单位项目代表):年月日注:平整度取值均按每处2点最大值填写石灰粉煤灰稳定粒料(级配碎石、级配砾石、砂砾、矿渣)基层和底基层工程检验批质量验收记录表(SY4210-2017)工程名称分项工程名称验收部位施工单位专业负责人项目经理施工执行标准名称及编号检验批编号施工质量验收规范规定施工单位检查评定记录监理(建设)单位验收记录项目序号检查内容规定值或允许偏差基层底基层主控项目1石灰、粉煤灰、粒料(级配碎石、级配砾石、砂砾、矿渣)质量符合设计要求和JTG/T F20的规定2 石灰用量符合设计要求和JTG/T F20的规定3 压实度(%)≥97 ≥95=4 强度(MPa)符合设计要求5 厚度(mm)±10一般项目1 平整度(mm)≤152 纵断高程(mm)+5,-15 +5,-203 宽度(mm)不小于设计值4 横坡(%)±0.55 表面应平整密实,不应有坑洼、浮土、脱皮6 施工接茬应平整、稳定施工单位检查评定结果项目专业质量检查员:年月日监理(建设)单位验收结论监理工程师(建设单位项目代表):年月日注:平整度取值均按每处2点最大值填写级配碎(砾)石基层和底基层工程检验批质量验收记录表(SY4210-2017)工程名称分项工程名称验收部位施工单位专业负责人项目经理施工执行标准名称及编号检验批编号施工质量验收规范规定施工单位检查评定记录监理(建设)单位验收记录项目序号检查内容规定值或允许偏差基层底基层主控项目1 级配碎(砾)石质量符合设计要求和JTG/T F20的规定2 压实度(%)≥98 ≥96= 3 厚度(mm)±10一般项目1 平整度(mm)≤152 纵断高程(mm)+5,-15 +5,-203 宽度(mm)不小于设计值4 横坡(%)±0.55 表面应平整密实,边线应整齐,无松散现象施工单位检查评定结果项目专业质量检查员:年月日监理(建设)单位验收结论监理工程师(建设单位项目代表):年月日注:平整度取值均按每处2点最大值填写填隙碎石基层和底基层工程检验批质量验收记录表(SY4210-2017)工程名称分项工程名称验收部位施工单位专业负责人项目经理施工执行标准名称及编号检验批编号施工质量验收规范规定施工单位检查评定记录监理(建设)单位验收记录项目序号检查内容规定值或允许偏差基层底基层主控项目1 填隙碎石质量符合设计要求和JTG/T F20的规定2 压实度(固体体积率)(%)≥98 ≥96= 3 厚度(mm)±10一般项目1 平整度(mm)≤152 纵断高程(mm)+5,-15 +5,-203 宽度(mm)不小于设计值4 表面应平整密实,边线应整齐,无松散现象施工单位检查评定结果项目专业质量检查员:年月日监理(建设)单位验收结论监理工程师(建设单位项目代表):年月日注:平整度取值均按每处2点最大值填写沥青路面就地冷再生基层(底基层)工程检验批质量验收记录表(SY4210-2017)工程名称分项工程名称验收部位施工单位专业负责人项目经理施工执行标准名称及编号检验批编号施工质量验收规范规定施工单位检查评定记录监理(建设)单位验收记录项目序号检查内容规定值或允许偏差基层底基层主控项目1 水泥(或石灰)质量符合设计要求2 水泥(或石灰)用量符合设计要求和JTG/T F20的规定3 压实度(%)≥95 ≥93=4 强度(MPa)符合设计要求5 厚度(mm)±10一般项目1 平整度(mm)≤152 纵断高程(mm)+5,-15 +5,-203 宽度(mm)不小于设计值4 横坡(%)±0.55 拌和应均匀,不应有明显轮迹,表面应平整密实,无坑洼6 施工接茬应平整、稳定施工单位检查评定结果项目专业质量检查员:年月日监理(建设)单位验收结论监理工程师(建设单位项目代表):年月日注:平整度取值均按每处2点最大值填写路缘石铺设工程检验批质量验收记录表(SY4210-2017)混凝土路面砖人行道工程检验批质量验收记录表(SY4210-2017)混凝土路面砖、石材地面砖广场或停车场工程检验批质量验收记录表(SY4210-2017)路肩工程检验批质量验收记录表(SY4210-2017)工程名称分项工程名称验收部位施工单位专业负责人项目经理施工执行标准名称及编号检验批编号施工质量验收规范规定施工单位检查评定记录监理(建设)单位验收记录项目序号检查内容规定值或允许偏差基层底基层主控项目1 压实度(%)不小于设计值,无设计要求时≥85%=一般项目1 宽度(mm)不小于设计值2 平整度(mm)≤20 ≤103 横坡(%)±1.04 路肩应直顺,曲线应圆滑,不应有堆积物5 路肩表面应密实平整,横坡应平顺,不应有积水施工单位检查评定结果项目专业质量检查员:年月日监理(建设)单位验收结论监理工程师(建设单位项目代表):年月日注:平整度取值均按每处2点最大值填写。
灌溉与排水工程施工质量评定表(doc 76页)灌溉与排水工程施工质量评定表山西源泉水利工程管理有限公司2015年6月1日目录1.渠(沟)道土方填筑基础面清理单元工程施工质量评定表 (1)2.渠(沟)道土方开挖单元工程施工质量评定表 (8)3.管槽土方开挖单元工程施工质量评定表 (17)4.渠(沟)道石方开挖单元工程施工质量评定表 (23)5.渠(沟)道土方建筑单元工程施工质量评定表 (31)6.管道土方回填单元工程施工质量评定表 (42)7.渠道衬砌垫层单元工程施工质量评定表 (47)8.渠道防渗膜料铺设单元工程施工质量评定表 (54)9.渠道保温板铺设单元工程施工质量评定表 (61)10.浆砌石衬砌渠道单元工程施工质量评定表 (68)11.现浇混凝土衬砌渠道单元工程施工质量评定表 (81)12.混凝土预制板(槽)衬砌渠道单元工程施工质量评定表 (91)12.渠道沥青混凝土衬砌单元工程施工质量评定表 (99)13.渠道斗(农)门单元工程施工质量评定表 (107)14.蓄水池、水窖单元工程施工质量评定表 (116)15.泵房建筑单元工程施工质量评定表 (123)15.阀门井、检查井单元工程施工质量评定表 (132)17.田间道路路基及路面单元工程施工质量评定表 (139)18.机井单元工程施工质量评定表 (148)19.水泵单元工程安装质量评定表 (155)20.微灌首部工程设备仪表单元工程安装质量评定表 (163)21.管道单元工程安装质量评定表 (171)22.微灌灌水器单元工程安装质量评定表 (180)23.喷灌设备(机组)单元工程施工质量评定表 (187)24.重要隐蔽单元工程(关键部位单元工程)质量等级签证表 .. 19525.分部工程施工质量评定表 (197)26.单位工程施工质量评定表 (201)27.单位工程施工质量检验与评定资料核查表 (203)28、单位工程项目施工质量评定表 (208)1.渠(沟)道土方填筑基础面清理单元工程施工质量评定表填表说明检验(测)方法及数量渠(沟)道土方填筑基础面清理单元工程施工质量评定表2.渠(沟)道土方开挖单元工程施工质量评定表填表说明检验(测)方法及数量渠(沟)道土方开挖单元工程施工质量评定表3.管槽土方开挖单元工程施工质量评定表填表说明检验(测)方法及数量管槽土方开挖单元工程施工质量评定表4.渠(沟)道石方开挖单元工程施工质量评定表填表说明检验(测)方法及数量渠(沟)道石方开挖单元工程施工质量评定表5.渠(沟)道土方建筑单元工程施工质量评定表填表说明检验(测)方法及数量渠(沟)道土方填筑单元工程施工质量评定表6.管道土方回填单元工程施工质量评定表填表说明检验(测)方法及数量管道土方回填单元工程施工质量评定表。
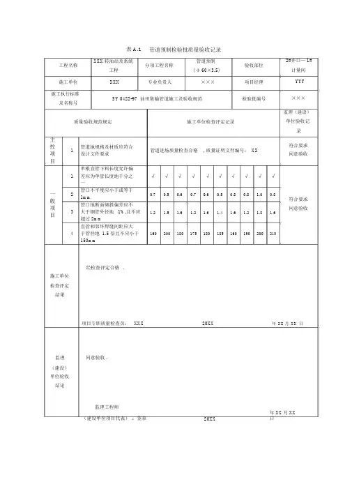
表 A.1管道预制检验批质量验收记录工程名称XXX转油站及系统分项工程名称管道预制验收部位工程( φ 60×3.5)施工单位XXX专业负责人×××项目经理施工执行标准SY 0422-97 油田集输管道施工及验收规范检验批编号及名称号质量验收规范规定施工单位检查评定记录主控1管道地规格及材质应符合管道进场质量检查合格, 质量证明文件编号: XX项设计文件要求目单根直管下料长度允许偏1差应为单管长度地千分之√√√√√√√√√√一一2管口不平度应小于或等于0.70.50.60.70.60.50.80.8 1.00.8 1mm般管口地断面倾斜偏差应不项3大于钢管外径地 1%,且不应 1.2 1.5 1.6 1.2 1.6 1.4 1.6 1.2 1.8 1.6目超过 2mm直管相邻环焊缝间距应大4于管径地 1.5 倍且不应小于160200180175180185160190200215 150mm2#井口— 1#计量间YYY×××监理(建设)单位验收记录符合要求同意验收符合要求同意验收经检查评定合格.施工单位检查评定结果项目专职质量检查员:XXX20XX年XX月XX日监理同意验收 .(建设)单位验收结论监理工程师(建设单位项目代表):签章20XX 年 XX月 XX 日表 A.2管沟开挖检验批质量验收记录工程名称XXX转油站及系分项工程名称管沟开挖验收部位1#井口— 1#统工程计量间施工单位XXX专业负责人×××项目经理YYY 施工执行标准SY 0422-97 油田集输管道施工及验收规范检验批编号×××及名称号监理(建设)质量验收规范规定施工单位检查评定记录单位验收记录主管沟深度应符合设计要求,控1沟底标高允许偏差为0~52852840355735524410符合要求项100mm.同意验收目2位置偏移不大于 100mm.454557一多管道同沟敷设时 , 管沟底1宽应为两边管道外缘各加265230240250231224205235253269般符合要求250mm .项同意验收目2石方段管沟应加深 200mm./施工经检查评定合格.单位检查评定结果项目专职质量检查员:XXX20XX年XX月XX日监理同意验收 .(建设)单位验收结论监理工程师(建设单位项目代表):签章20XX 年 XX月 XX 日表 A.3管道组对检验批质量验收记录工程名称XXX转油站及系统分项工程名称管道组对验收部位工程( φ 60×3.5)施工单位XXX专业负责人×××项目经理施工执行标准SY 0422-97 油田集输管道施工及验收规范检验批编号及名称号质量验收规范规定施工单位检查评定记录2#井口— 1#计量间YYY×××监理(建设)单位验收记录主控管道地规格及材质应符合1设计文件要求项目管道接头地坡口型式坡口型式及坡口角度组对尺寸应1符合焊接工钝边艺规程地规间隙定高压管道对一口错边量不般应超过壁厚项对口错边量地 10%且不目大于 1mm应符合下列2中压管道对要求口错边量不应超过壁厚地15%且不大于 1.6mm直缝或螺旋焊缝错开间距3不应小于100mm 管道进场质量检查合格, 质量证明文件编号:XX符合焊接工艺规程地规定72° 68°72°73°69° 68°69°69°70° 72°1.2 1.5 1.6 1.4 1.4 1.6 1.3 1.8 1.6 1.61.52.3 2.0 1.8 2.2 2.5 2.5 1.8 2.2 2.3/0.30.3000.300.4000/符合要求同意验收符合要求同意验收经检查评定合格.施工单位检查评定结果项目专职质量检查员:XXX20XX年XX月XX日监理同意验收 .(建设)单位验收结论监理工程师(建设单位项目代表):签章20XX 年 XX月 XX 日表 A.4管道焊接检验批质量验收记录工程名称XXX转油站及系统分项工程名称管道焊接验收部位工程( φ 60×3.5)施工单位XXX专业负责人×××项目经理施工执行标准SY 0422-97 油田集输管道施工及验收规范检验批编号及名称号质量验收规范规定施工单位检查评定记录主控1焊接材料地牌号及规格应焊材进场检验合格 , 质量证明文件编号: XX项符合焊接工艺规程地规定目清除坡口表面及其两侧至1少 10mm 范围内地铁锈 . 水√√√√√√√√√√分 . 油污和灰尘等焊缝表面应无裂纹,气孔,2夹渣 , 熔合性飞溅及凹陷等√√√√√√√√√√缺陷 .咬边深度不应大于管壁厚0.30000.300.4000地 12.5 %且不超过 0.8mm.一3在焊缝任何 300mm地连续长度中 , 累计咬边长度不应大120001509000般于 50mm项焊缝宽度每边应超出坡口目4 1.2 1.4 1.5 1.2 1.3 1.1 1.5 1.0 1.6 1.5 1mm~2mm.焊缝余高不大于 1.6mm , 局5部不大于 3mm,但长度不大 1.2 1.5 1.2 1.2 1.60.80.6 1.20.50.5于 50mm.焊高压管道不应超过壁/缝厚地 10%且不大于 1mm6错中压管道不应超过壁边厚地 15%且不大于0.30.50.60.40.60.30.70.30.20.5量 1.6mm.施工单位经检查评定合格 .检查评定结果2#井口— 1#计量间YYY×××监理(建设)单位验收记录符合要求同意验收符合要求同意验收项目专职质量检查员:XXX20XX年XX月XX日监理(建设)同意验收 .单位验收结论监理工程师(建设单位项目代表):签章20XX 年 XX月 XX 日表 A.5管道防腐层补口及补伤检验批质量验收记录工程名称XXX转油站及系分项工程名称管沟防腐层补口验收部位1#井口— 1#统工程及补伤计量间施工单位XXX专业负责人×××项目经理YYY 施工执行标准SY 0422-97 油田集输管道施工及验收规范检验批编号×××及名称号监理(建设)质量验收规范规定施工单位检查评定记录单位验收记录补口及补伤所用材料应具主1备产品质量证明书和复验报告控防腐层补口补伤后不应有项2漏点目热缩套剥离强度试验按3SY/T0413 进行抽查一补口后表面应平整 , 粘结严般1密, 不应有气泡与皱折等缺项陷;接茬处应粘结牢固, 衔目接平整补口及补伤所用材料进场质量检查合格, 质量证明文件编号:XX符合要求补口补伤后经检查没有漏点同意验收剥离强度试验合格, 试验记录编号:XX符合要求√√√√√√√√√√同意验收施工经检查评定合格.单位检查评定结果项目专职质量检查员:XXX20XX年XX月XX日监理同意验收 .(建设)单位验收结论监理工程师(建设单位项目代表):签章20XX 年 XX月 XX 日表 A.6管道保温检验批质量验收记录工程名称XXX转油站及系统分项工程名称管道保温验收部位工程施工单位XXX专业负责人×××项目经理施工执行标准SY 0422-97 油田集输管道施工及验收规范检验批编号及名称号质量验收规范规定施工单位检查评定记录主控保温材料应具有产品质量保温材料进场质量检查合格, 质量证明文件编号: XX 1证明书和复验报告项目1铁丝绑扎应牢固 . 充填应密√√√√√√√√√√实 . 无严重凸凹现象2金属薄板保护层咬缝应牢√√√√√√√√√√固 , 包裹应紧凑一管壳预制块保温接缝应错般3开 , 水平管地接缝应在正侧√√√√√√√√√√项面目保温层玻璃布缠绕应紧密,4采用外防腐不应露出玻璃√√√√√√√√√√布纹5石棉水泥保护层厚度应均/匀 , 表面应平滑2#井口— 1#计量间YYY×××监理(建设)单位验收记录符合要求同意验收符合要求同意验收经检查评定合格.施工单位检查评定结果项目专职质量检查员:XXX20XX年XX月XX日监理同意验收 .(建设)单位验收结论监理工程师(建设单位项目代表):签章20XX 年 XX月 XX 日表 A.7管道下沟及回填检验批质量验收记录工程名称XXX转油站及系分项工程名称管道下沟及回填验收部位统工程施工单位XXX专业负责人×××项目经理施工执行标准SY 0422-97 油田集输管道施工及验收规范检验批编号及名称号质量验收规范规定施工单位检查评定记录管道下沟前 , 应对防腐层1进行电火花检查并无漏经电火花检测无漏点, 检查记录编号: XX点2#井口— 1#计量间YYY×××监理(建设)单位验收记录主2控项目341一般项2目管道下沟后,不应有悬空;若有悬空 , 应采用细土进行回填管道埋深应符合设计文件要求管道下沟回填后应用音频检漏仪检测防腐层, 每10km漏点不超过 5 点石方沟底应先回填 200mm厚细软土垫层管道回填应分二次进行,第一次回填用最大粒径不超过10mm细土回填 ,且应高出管顶部300mm;第二次回填用其他土. 农田地带表层应用耕植土回填 , 回填土应高出自然地面 300mm管道下沟施工符合设计要求, 施工记录编号XXX管道埋深符合设计要求, 施工记录编号XXX经音频检漏仪检测合格, 检查记录编号:XX/√√√√√√√√√√符合要求同意验收符合要求同意验收经检查评定合格.施工单位检查评定结果项目专职质量检查员:XXX20XX年XX月XX日监理同意验收 .(建设)单位验收结论监理工程师(建设单位项目代表):签章20XX 年 XX月 XX 日表 A.8管道清扫及试压检验批质量验收记录工程名称XXX转油站及系统分项工程名称管道清扫及试压验收部位1#井口— 1#工程计量间施工单位XXX专业负责人×××项目经理YYY 施工执行标准SY 0422-97油田集输管道施工及验收规范检验批编号×××及名称号监理(建设)质量验收规范规定施工单位检查评定记录单位验收记录主管道试验压力应符合控符合要求114.1.8地规定 , 压降应符合管道水压试验合格 , 试压记录编号: XX项同意验收14.1.12地规定目一管道吹扫时 , 吹出地气体应般符合要求1无铁锈 .尘土.石块.水等杂√ √ √√√√√√ √√项物同意验收目施工经检查评定合格.单位检查评定结果项目专职质量检查员:XXX20XX年XX月XX日监理同意验收 .(建设)单位验收结论监理工程师(建设单位项目代表):签章20XX 年 XX月 XX 日表 A.9输气管道干燥检验批质量验收记录工程名称XXX 转油站及系统分项工程名称输气管道干燥验收部位1#井口— 1#工程计量间施工单位XXX专业负责人 ×××项目经理 YYY施工执行标准 SY 0422-97 油田集输管道施工及验收规范检验批编号×××及名称号监理(建设)质量验收规范规定施工单位检查评定记录单位验收记录当采用空气干燥法和真空 采用真空法干燥 , 符合设计及规范要求 , 见施工记录 , 记主1 干燥法时 , 管道干燥指标:管内空气水露点应比输送录编号 XXX符合要求 控条件下最低环境温度低 5℃项同意验收当采用干燥剂干燥法时 , 管目道干燥指标: 干燥剂占混合 /2液地质量分数不低于 80%一般干燥前管道内游离水应清 √√√√√√√√√√符合要求1扫干净同意验收项目施工经检查评定合格 .单位检查评定结果项目专职质量检查员: XXX20XX年 XX 月 XX 日监理 同意验收 .(建设)单位验收结论监理工程师(建设单位项目代表) :签章20XX年 XX 月 XX 日表 A.10小型穿越检验批质量验收记录工程名称XXX转油站及系统分项工程名称小型穿越工程验收部位工程施工单位XXX专业负责人×××项目经理施工执行标准SY 0422-97油田集输管道施工及验收规范检验批编号及名称号质量验收规范规定施工单位检查评定记录2#井口— 1#计量间YYY×××监理(建设)单位验收记录穿越管道 . 套管及焊接材料1地材质 . 型号 . 规格应符合设计要求穿越管道轴线位置应符合设计要求 , 水平偏差:顶管主2穿越不大于1%L,河底开挖控不大于 200mm,路基开挖不项大于 100mm,( L 为穿越长度)目管沟开挖深度应符合设计要求 , 允许偏差:顶管穿越3为 -40mm~+30mm,河底开挖不大于 200mm,路基开挖为-100mm~+50mm;且埋深应符合设计要求采用套管穿越时 , 输送管地一1绝缘支撑架应安装牢固, 绝般缘垫位置正确 . 套管不应与项带状牺牲阳极带相连目2绝缘电阻值应大于 2МΩ穿越管道 . 套管及焊接材料经质量检查合格, 质量证明文件编号: XX60508050706080908040-60+20 +30+50-30+20-80-80-60+40√1.8符合要求同意验收符合要求同意验收经检查评定合格.施工单位检查评定结果项目专职质量检查员:XXX20XX年XX月XX日监理同意验收 .(建设)单位验收结论监理工程师(建设单位项目代表):签章20XX 年 XX月 XX 日表 A.11小型跨越检验批质量验收记录工程名称XXX转油站及系统分项工程名称小型跨越工程验收部位1#井口— 1#工程计量间施工单位XXX专业负责人×××项目经理YYY 施工执行标准SY 0422-97 油田集输管道施工及验收规范检验批编号×××及名称号监理(建设)质量验收规范规定施工单位检查评定记录单位验收记录主管材 . 焊材 . 防腐保温材料管材 . 焊材 . 防腐保温材料和建材经质量检查合格,质量符合要求控1和建材地材质 . 规格 . 型号项证明文件编号: XX同意验收应符合设计要求目1管桥基础顶面标高允许偏+22-11-24+25差± 30mm一2管桥基础横截面尺寸允许+35-12+22+20般偏差± 50mm符合要求项3管道轴线偏移允许偏差+20+12同意验收目± 30mm4管道表面油漆应涂刷均匀√√√√√√√√√√施工经检查评定合格.单位检查评定结果项目专职质量检查员:XXX20XX年XX月XX日监理同意验收 .(建设)单位验收结论监理工程师(建设单位项目代表):签章20XX 年 XX月 XX 日表 A.12牺牲阳极阴极保护检验批质量验收记录工程名称XXX转油站及系分项工程名称牺牲阳极阴极保护验收部位1#井口— 1#统工程计量间施工单位XXX专业负责人×××项目经理YYY 施工执行标准SY 0422-97 油田集输管道施工及验收规范检验批编号×××及名称号监理(建设)质量验收规范规定施工单位检查评定记录单位验收记录主1控项目212一3般项目4牺牲阳极保护所用地各种电气材料和防腐材料应符合设计要求绝缘接头地绝缘电阻应大于2М Ω牺牲阳极在装填料前 , 表面应无氧化膜及其他污物 , 牺牲阳极应位于填包料中心 , 且袋口扎紧 , 填包料中不应混入泥土等杂物所有焊接点应无虚焊 . 气孔等缺陷连接点与管道连接处防腐应符合设计要求管道对地电位差V阳极对管道电位差V电阳极对地电位差参V数阳极输出电流mA阳极接地电阻Ω牺牲阳极保护所用电气和防腐材料经质量检查合格, 质量证明文件编号:XX符合要求同意验收1.8 1.5 1.6 1.5√√√√√√√√√√√√符合要求同意验收施工单位经检查评定合格 .检查评定结果项目专职质量检查员: XXX20XX 年 XX月 XX 日监理(建设)同意验收 .单位验收结论监理工程师20XX年 XX月 XX日(建设单位项目代表):签章表 A.13外加电流阴极保护检验批质量验收记录XXX转油站及系分项工程名称外加电流阴极保护验收部位工程名称统工程施工单位XXX专业负责人×××项目经理施工执行标准SY 0422-97 油田集输管道施工及验收规范检验批编号及名称号质量验收规范规定施工单位检查评定记录主1外加电流阴极保护所用地电外加电流阴极保护所用地电源设备及各种电料器材经源设备及各种电料器材应符质量检查合格 , 质量证明文件编号: XX控合设计要求项目管道绝缘接头地绝缘电阻应1.5 1.6 1.8 1.62大于 2МΩ1阳极顶面埋深距地面大于1m1.5 1.3 1.3 1.2 1.4 1.5 1.6 2阳极接地电阻应小于 1Ω0.50.80.60.60.80.80.6 3回填料顶部粗砂厚度应大于0.60.70.60.80.50.80.6一0.5m般管道保护电位项V目管道保护电流电4mA参阳极床接地电阻数Ω直流电源地电位和电压V 1#井口— 1#计量间YYY×××监理(建设)单位验收记录符合要求同意验收符合要求同意验收施工经检查评定合格.单位检查评定结果项目专职质量检查员:XXX20XX年XX月XX日监理同意验收 .(建设)单位验收结论监理工程师(建设单位项目代表):签章20XX 年 XX月 XX 日表 A.14线路截断阀室检验批质量验收记录工程名称XXX转油站及系统分项工程名称线路截断阀室验收部位1#井口— 1#计工程量间施工单位XXX专业负责人×××项目经理YYY施工执行标准SY 0422-97 油田集输管道施工及验收规范检验批编号×××及名称号质量验收规范规定施工单位检查评定记录监理(建设)单位验收记录主控工程所用主材应有产品出工程所用主材经质量检查合格 , 质量证明文件编号: XX 符合要求1项厂质量证明书和检验报告同意验收目墙体轴线位移偏差± 10mm1墙体垂直度偏差± 5mm基础和墙砌体顶面标高允许偏差± 15mm一门窗宽度偏差为± 5mm般2项门窗高度偏差为目-5mm~+10mm墙面抹灰表面不平度不超3过 5mm地面平整度允许偏差不超4过 4mm管墩截面尺寸允许偏差±520mm施工单位经检查评定合格.检查评定结果+8+6-2-6-4+3-5+4+10+12-8-5+3-2+4-2符合要求-2+6+4-3同意验收35240234443232331220+15+10-5-10+15+15-5-10+10+15项目专职质量检查员:XXX20XX年XX月XX日监理(建设)同意验收 .单位验收结论监理工程师(建设单位项目代表):签章20XX 年 XX月 XX 日表 A.15里程桩 . 转角桩 . 测试桩检验批质量验收记录工程名称XXX转油站及系统分项工程名称里程桩 . 转角桩 .验收部位1#井口— 1#计工程测试桩量间施工单位XXX专业负责人×××项目经理YYY施工执行标准SY 0422-97 油田集输管道施工及验收规范检验批编号×××及名称号质量验收规范规定施工单位检查评定记录监理(建设)单位验收记录一1桩尺寸允许偏差为± 10mm+5-2-3+6+5符合要求般项2桩埋设深度允许偏差为±-20+15+10-15-20同意验收目30mm施工经检查评定合格.单位检查评定结果项目专职质量检查员:XXX20XX年XX月XX日监理同意验收 .(建设)单位验收结论监理工程师(建设单位项目代表):签章20XX 年 XX月 XX 日表 A.16线路保护构筑物检验批质量验收记录工程名称XXX转油站及系统分项工程名称线路保护构筑物验收部位1#井口— 1#计工程量间施工单位XXX专业负责人×××项目经理YYY施工执行标准SY 0422-97 油田集输管道施工及验收规范检验批编号×××及名称号质量验收规范规定施工单位检查评定记录监理(建设)单位验收记录主控工程所用主材应有产品出工程所用主材经质量检查合格, 质量证明文件编号: XX 符合要求1项厂质量证明书和检验报告同意验收目1构筑物位置允许偏差 200mm 1531661821861421022顶面标高允许偏差± 25mm+20+10-5-15-20-20一般砌体厚度允许偏差+10+20+15+10+5+10符合要求30mm~+30mm同意验收项目混凝土构筑物表面平整度105108121516104允许偏差 20mm5预埋件坐标允许偏差±+5+6+8-6-8-10-10-5 10mm施工经检查评定合格.单位检查评定结果项目专职质量检查员:XXX20XX年XX月XX日监理同意验收 .(建设)单位验收结论监理工程师(建设单位项目代表):签章20XX 年 XX月 XX 日。
SL703-2015 灌溉与排水工程施工质量评定表1.渠(沟)道土方填筑基础面清理单元工程施工质量评定表 (4)2.渠(沟)道土方开挖单元工程施工质量评定表 (6)3.管槽土方开挖单元工程施工质量评定表 (9)4.渠(沟)道石方开挖单元工程施工质量评定表 (11)5.渠(沟)道土方建筑单元工程施工质量评定表 (14)6.管道土方回填单元工程施工质量评定表 (17)7.渠道衬砌垫层单元工程施工质量评定表 (19)8.渠道防渗膜料铺设单元工程施工质量评定表 (21)9.渠道保温板铺设单元工程施工质量评定表 (23)10.浆砌石衬砌渠道单元工程施工质量评定表 (25)11.现浇混凝土衬砌渠道单元工程施工质量评定表 (29)12.混凝土预制板(槽)衬砌渠道单元工程施工质量评定表 (32)12.渠道沥青混凝土衬砌单元工程施工质量评定表 (34)13.渠道斗(农)门单元工程施工质量评定表 (36)14.蓄水池、水窖单元工程施工质量评定表 (39)15.泵房建筑单元工程施工质量评定表 (41)15.阀门井、检查井单元工程施工质量评定表 (44)17.田间道路路基及路面单元工程施工质量评定表 (46)18.机井单元工程施工质量评定表 (49)19.水泵单元工程安装质量评定表 (51)20.微灌首部工程设备仪表单元工程安装质量评定表 (55)21.管道单元工程安装质量评定表 (59)22.微灌灌水器单元工程安装质量评定表 (63)23.喷灌设备(机组)单元工程施工质量评定表 (66)24.重要隐蔽单元工程(关键部位单元工程)质量等级签证表 (70)25.分部工程施工质量评定表 (71)26.单位工程施工质量评定表 (72)27.单位工程施工质量检验与评定资料核查表 (73)28、单位工程项目施工质量评定表 (75)1.渠(沟)道土方填筑基础面清理单元工程施工质量评定表填表说明渠(沟)道土方填筑基础面清理单元工程施工质量评定表2.渠(沟)道土方开挖单元工程施工质量评定表填表说明检验(测)方法及数量渠(沟)道土方开挖单元工程施工质量评定表3.管槽土方开挖单元工程施工质量评定表填表说明检验(测)方法及数量管槽土方开挖单元工程施工质量评定表4.渠(沟)道石方开挖单元工程施工质量评定表填表说明渠(沟)道石方开挖单元工程施工质量评定表5.渠(沟)道土方建筑单元工程施工质量评定表填表说明渠(沟)道土方填筑单元工程施工质量评定表6.管道土方回填单元工程施工质量评定表填表说明检验(测)方法及数量管道土方回填单元工程施工质量评定表7.渠道衬砌垫层单元工程施工质量评定表填表说明检验(测)方法及数量渠道衬砌垫层单元工程施工质量评定表8.渠道防渗膜料铺设单元工程施工质量评定表填表说明检验(测)方法及数量渠道防渗膜料铺设单元工程施工质量评定表9.渠道保温板铺设单元工程施工质量评定表填表说明检验(测)方法及数量渠道保温板铺设单元工程施工质量评定表10.浆砌石衬砌渠道单元工程施工质量评定表填表说明检验(测)方法及数量浆砌石衬砌渠道单元工程施工质量评定表11.现浇混凝土衬砌渠道单元工程施工质量评定表填表说明检验(测)方法及数量现浇混凝土衬砌渠道单元工程施工质量评定表12.混凝土预制板(槽)衬砌渠道单元工程施工质量评定表填表说明检验(测)方法及数量混凝土预制板(槽)衬砌渠道单元工程施工质量评定表12.渠道沥青混凝土衬砌单元工程施工质量评定表填表说明检验(测)方法及数量沥青混凝土衬砌渠道单元工程施工质量评定表13.渠道斗(农)门单元工程施工质量评定表填表说明检验(测)方法及数量渠道斗(农)门单元工程施工质量评定表14.蓄水池、水窖单元工程施工质量评定表填表说明检验(测)方法及数量蓄水池、水窖单元工程施工质量评定表15.泵房建筑单元工程施工质量评定表填表说明检验(测)方法及数量泵房建筑单元工程施工质量评定表15.阀门井、检查井单元工程施工质量评定表填表说明检验(测)方法及数量阀门井、检查井单元工程施工质量评定表17.田间道路路基及路面单元工程施工质量评定表填表说明检验(测)方法及数量田间道路路基及路面单元工程施工质量评定表18.机井单元工程施工质量评定表填表说明检验(测)方法及数量机井单元工程施工质量评定表。
G2-3-1 沟槽回填(刚性管道)施工检验批质量验收记录表GB 50268-20082主控项目的计数检验项先填写“检验批主控项目计数检验记录表”(G1-1-1);检验批一般项目计数检验数据较多时,可先填写“检验批一般项目计数检验记录表”(G1-1-2),然后将计数检验结果填写在本表相应的检查结果栏内。
将两表作为本表的附页。
3 回填土压实度无设计要求时,按GB 50268-2008中 4.6.3第4条规定填写。
4 表中重型击实标准的压实度和轻型击实标准的压实度,分别以相应的标准击实试验法求得的最大干密度为100%。
沟槽回填(刚性管道)施工质量验收标准(GB 50268-2008)4.6.3 沟槽回填应符合下列规定:主控项目1 回填材料符合设计要求:检查方法:观察;按国家有关规范的规定和设计要求进行检查,检查检测报告。
检查数量:条件相同的回填材料,每铺筑l000㎡,应取样一次,每次取样至少应做两组测试;回填材料条件变化或来源变化时,应分别取样检测。
2 沟槽不得带水回填,回填应密实;检查方法:观察,检查施工记录。
3 柔性管道的变形率不得超过设计要求或本规范第4.5.12条的规定,管壁不得出现纵向隆起、环向扁平和其他变形情况;检查方法:观察,方便时用钢尺直接量测,不方便时用圆度测试板或芯轴仪在管内拖拉量测管道变形率;检查记录,检查技术处理资料;检查数量:试验段(或初始50m)不少于3处,每lOOm正常作业段(取起点、中间点、终点近处各一点),每处平行测量3个断面,取其平均值。
4 回填土压实度应符合设计要求,设计无要求时,应符合表4.6.3—1的规定。
柔性管道沟槽回填部位与压实度见.图4.6.3.一般项目5 回填应达到设计高程,表面应平整;检查方法:观察,有疑问处用水准仪测量。
6 回填时管道及附属构筑物无损伤、沉降、位移;检查方法:观察,有疑问处用水准仪测量。
表4.6.3-1 刚性管道沟槽回填土压实度实试验法求得的最大干密度为100%。
混凝土排水沟现场质量检验表
承包单位:中铁二十局第二工程有限公司合同号:C14
监理单位:北京交科工程咨询有限公司编号:
检表5.6.2
四川省雅安至康定高速公路工程项目
混凝土排水沟分项工程关键工序交验单
承包单位:中铁二十局第二工程有限公司合同号:C14
监理单位:北京交科工程咨询有限公司编号:
监表:46
仅供个人学习参考
仅供个人学习参考
检查人:质检负责人:仅供个人学习参考
四川省雅安至康定高速公路工程项目
检查人:质检负责人:现场监理:专业监理:
仅供个人学习参考
水准测量记录表承包单位:中铁二十局第二工程有限公司合同号:C14
监理单位:北京交科工程咨询有限公司编号:
工程名称:工程部位:检测日期:
测量:计算:复核:
仅供个人学习参考
仅供个人学习参考。
四川省雅安至康定高速公路工程项目
混凝土排水沟现场质量检验表
承包单位:中铁二十局第二工程有限公司合同号: C14
监理单位:北京交科工程咨询有限公司编号:
检表5.6.2
四川省雅安至康定高速公路工程项目
混凝土排水沟分项工程关键工序交验单
承包单位:中铁二十局第二工程有限公司合同号: C14
监理单位:北京交科工程咨询有限公司编号:
监表:46
四川省雅安至康定高速公路工程项目
路侧边沟沟底、平台、护坡顶面高程检查成果记录表
承包单位:中铁二十局第二工程有限公司合同号: C14 监理单位:北京交科工程咨询有限公司编号:
检查人:质检负责人:
四川省雅安至康定高速公路工程项目
排水外观鉴定检查记录表
承包单位:中铁二十局第二工程有限公司合同号: C14
监理单位:北京交科工程咨询有限公司编号:
外观记录10.16.1
检查人:质检负责人:现场监理:专业监理:
四川省雅安至康定高速公路工程项目
水准测量记录表
承包单位:中铁二十局第二工程有限公司合同号: C14 监理单位:北京交科工程咨询有限公司编号:
工程名称:工程部位: 检测日期:
测量:计算:复核:
四川省雅安至康定高速公路工程项目
全站仪平面位置检测表
承包单位:中铁二十局第二工程有限公司合同号:C14
监理单位:北京交科工程咨询有限公司编号:
工程名称: 桩号及工程部位:日期:
测表11
测量:计算:复核:
最新范本,供参考!
【本文档内容可以自由复制内容或自由编辑修改内容期待你的好评和关注,我们将会做得更好】
最新范本,供参考!。
分层填土一、施工准备1、材料⑴回填土:且优先利用基槽中挖出的优质土。
回填土内不得含有有机杂质,粒径不应大于50mm,含水量应符合压实要求。
⑵石屑:不应含有有机杂质。
⑶填土材料如无设计要求,应符合下列规定:1)碎石、砂土(使用细、粉砂时应取得设计单位同意,并办好签证手续)和爆破石碴;可作表层以下的填料。
含水量符合压实要求的粘性土,可作各层的填料。
碎块草皮和有机含量大于8%的粘性土,仅用于无压实要求的填方。
4)淤泥和淤泥质土一般不能用作填料,但在软土或沼泽地区,经处理其含水率符合压实要求的,可用于填方中的次要部位。
5)含有机质的生活垃圾土、流动状态的泥炭土和有机质含量大于8%的粘性土等,不得用作填方材料。
2、作业条件⑴填土基底已按设计要求完成或处理好,并办理验槽签证。
⑵基础、地下构筑物及地下防水层、保护层等已进行检查和办好隐蔽验收手续,其结构已达到规定强度。
⑶大型土方回填前应根据工程特点、填料种类、设计压实系数、施工条件和压实工艺等合理确定填料含水量、每层填土厚度和压实遍数等施工参数。
重要的填方工程和路基,其参数应通过压实测定确定。
⑷室内地台和管沟的回填,应在完成上下水道安装(经试水合格)或间墙砌筑,并将填区内的积水和有机杂物等清除干净后再进行。
⑸在建(构)筑物地面以下的填方,若填筑厚度小于0.5m,应清除基底上的草皮和垃圾;若填筑厚度小于1m,应清除树墩及割去长草。
⑹填土前,应做好水平高程的测设。
基坑(槽)或沟坡边上按需要的间距打入水平桩,室内和散水的墙边应有水平标记。
二、操作工艺1、当填方基底为积土或耕植土时,如设计无要求,可采用推土机或工程机械压实5~6遍。
2、填筑粘性土,应在填土前检验填料的含水率。
含水量偏高时,可采用翻松晾晒,均匀掺入干土等措施;含水量偏低,可预先晒水湿润,增加压实遍数或使用大功率压实机械等措施。
3、使用碎石类土或爆破石渣作填料时,其最大粒径不得超过每层铺填厚度的2/3(当使用振动辗压时,不得超过每层铺填厚度的3/4)。