2016年电工中级实操试卷评分表
- 格式:doc
- 大小:53.00 KB
- 文档页数:5
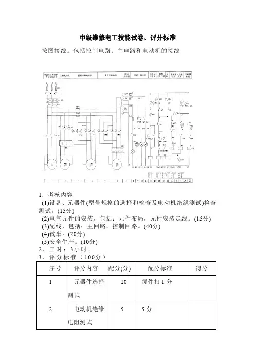
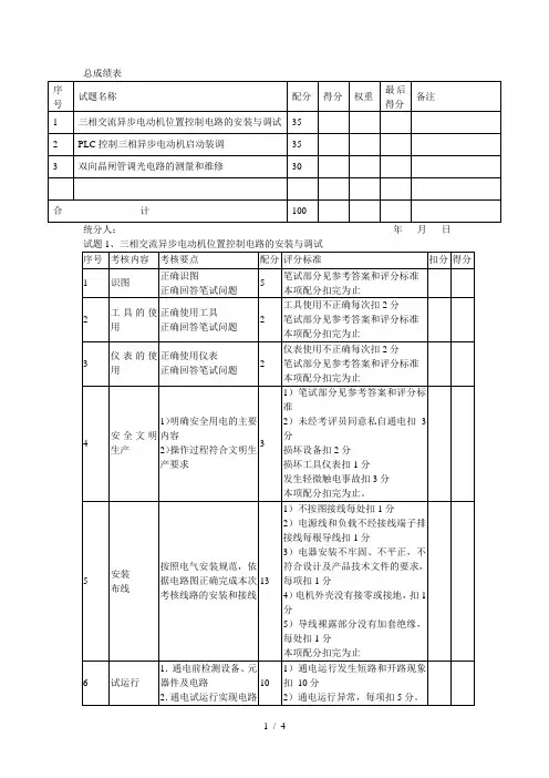
总成绩表合计统分人:年月日试题1、三相交流异步电动机位置控制电路的安装与调试笔试部分参考答案和评分标准:(1)写出下列图形文字符号的名称。
(本题分值5分,每错一处扣1分)QS(电源开关);FU1(熔断器);KM1(交流接触器);SQ1(行程开关);SB1(按钮)。
(2)简述剥线钳使用注意事项。
(本题分值2分,错答或漏答一条扣0.5分)答:1)选择合适的规格;2)确定剥线长度;3)选择合适的槽口;4)用力恰当。
(3)简述钳形电流表的使用方法。
(本题分值2分,错答或漏答一条扣0.5分)答:1)使用前调零;2)预估被测电流的大小,选择量程;3)被测导线置于钳口内中心位置;4)被测电路电流太小时可将被测载流导线在钳口部分的铁心柱上绕几圈。
(4)可能误登的架构上应悬挂什么文字的标示牌?(本题分值3分,回答错误扣3分)答:应悬挂"禁止攀登,高压危险!"的标示牌。
评分人:年月日核分人:年月日笔试部分参考答案和评分标准:(1)绘制PLC的I/O接口图和梯形图。
(本题分值5分,每错一处扣1分)考评员依据具体考核要求,参考运行结果,对I/O接口图和梯形图进行评分。
(2)简述电烙铁使用注意事项。
(本题分值2分,错答或漏答一条扣0.5分)答:1)检查电源线是否完整;2)使用松香等作为助焊剂;3)保持烙铁头清洁;4)暂时不用时应把烙铁放到烙铁架上。
(3)简述指针式万用表电阻挡的使用方法。
(本题分值2分,错答或漏答一条扣0.5分)答:1)预估被测电阻的大小,选择档位;2)调零;3)测出电阻的数值;4)如果档位不合适,更换档位后重新调零和测试。
(4)回答室外高压设备的围栏悬挂什么内容标示牌?(本题分值3分,回答错误扣3分)答:悬挂“止步,高压危险!”的标示牌评分人:年月日核分人:年月日试题3、双向晶闸管调光电路的测量和维修(1)回答电位器VR4变大时,灯泡的亮度如何变化?。
(本题分值5分,每错一处扣2分,扣完为止)答:1)电位器VR4越大,电容器C23充电越慢;2)晶闸管在每个周期中导通越迟;3)灯泡两端的电压越低;4)灯泡的亮度越低。
电工考试评分表格模板1. 介绍电工考试评分表格是一种用于评估电工技能和知识的工具。
这个模板提供了一个结构良好、易于使用的评分表格,用于记录和评分电工考试的不同部分和题目。
2. 考试内容电工考试通常包含以下几个方面的内容:•理论知识:涵盖电工基础、电路原理、电气安全等方面的理论知识。
•电气图纸阅读能力:考察考生对电气图纸的理解和解读能力。
•掌握相关工具:考察考生对电工工具的使用和操作技能。
•安全操作和事故预防:考察考生在电工操作中的安全意识和预防工作。
•电气设备维护和故障排除:考察考生在故障排除和维护方面的能力。
3. 评分表格模板下面是一个基本的电工考试评分表格模板:题目编号题目内容最高分数得分123…4. 使用说明•在每个题目编号后面填写对应的题目内容,每道题目之间用换行分隔。
•在“最高分数”一列中,填写每个题目对应的满分分数。
•在“得分”一列中,评委或考官可以根据考生的答案填写得分,最后总结得分情况。
•每个考生的得分表可以按需创建多个表格进行记录。
5. 评分标准针对每个题目,可以制定相应的评分标准,以便评委或考官进行评分。
评分标准可以根据考试的要求和难度进行调整,具体的评分标准可以在每个题目下方进行注释,或在考试说明中另行说明。
6. 结论电工考试评分表格模板提供了一个简单有效的工具,用于评估电工考试的不同部分和题目。
通过使用这个模板,评委和考官可以更方便地记录和评分考生的答案,进而得出准确的评分结果。
同时,考生也可以通过查看自己的得分情况,了解自己在各个题目上的表现,以便进行进一步的学习和提高。
注意:此模板仅供参考,实际使用中请根据具体考试要求和评分标准进行适当修改。
完美 WORD 格式中级维修电工技能操作考核评分记录表考件编号姓名考号**试题一:继电---接触式控制线路的安装与调试序 主要 号 内容考核要求评分标准扣得 配分分分1、因元件质量问题影响通电成功,每次扣1、元件的质量检查2分2、正确利用工具和仪表,2、元件布置不整齐、不匀称、不合理,每元件 熟练地安装电气元器件1只扣 1 分10 分安装 3、元件在配电板上布置要3、元件安装不牢固、安装元件时漏装螺钉,合理,安装要准确、紧固每只扣 0.5 分4、按钮盒不固定在板上4、损坏元件每只扣 2 分1、未按电气原理图接线扣 5 分1、按图安装接线2、主电路和控制电线色不分扣 2 分2、线路敷设整齐、横平竖 3、线路敷设交叉、跨接每处扣 1 分线路2直、不交叉、不跨接4、线路敷设不整齐,不美观扣 5 分20 分敷设3、导线压接紧固、规范、 4、接点松动、漏铜过长、压绝缘层、反圈不伤线芯等,每个接点扣 0.5 分5、损伤导线绝缘或线芯,每根扣 0.5 分1、 正确整定热继电器整定 1、 热继电器和时间继电器未整定或整定值和时间整定值通电32、 正确选配熔体试车3、 通电一次成功错误扣 2 分 2、 错配熔体扣 1 分 3、一次通电不成功扣 15 分;两次通电不成30 分4、 安全文明操作功扣 20 分1、劳保用品穿戴整齐1、 各项考试中,违反安全文明生产考核要求的任2、电工工具佩戴齐全何一项扣 2 分,扣完为止安全3、遵守操作规程2、 考生在不同的技能试题中,违反安全文明生产4 文明4、尊重考评员,讲文明礼考核要求同一项内容的,要累计扣分生产貌当考评员发现考生有重大事故隐患时,要立即5、考场结束要清理现场予以制止,并每次扣考生安全文明生产总分 5 分备合计 60 分注考评员签字:年月日注:每项扣分不得超过该项配分。
1、本项目的满分 60 分。
2、本项目的考核时间为 180 分钟。
评分人:年月日核分人:年月日专业整理 知识分享完美 WORD 格式中级维修电工试题二技能考核评分记录表考件编号姓名考号第二题:X62W 万能铣床故障检修序号 主要内容考核要求评分标准配分 扣分 得分调查 对每个故障现象进行1排除故障钱不进行调查研究,扣 2 分2研究 调查研究1.错标或标不出故障范围,每个故障点在电气控制线路图上4故障扣2分2分析故障可能的原因,分析2.不能标出最小的故障范围,每个故障思路正确4点扣 2 分1.实际排除故障中思路不清楚,每个故6正确使用工具和仪表, 障点扣 3 分故障3找出故障点并排除故 2.每少查出一处故障点扣 3 分6排除障3.每少排出一处故障点扣 5 分10排除故障方法不正确,每处扣 4 分81. 排除故障时,产生新的故障后操作有误,要从此项总4其他分中扣分不能自行修复,每个扣 10 分; 已经修复,每个扣 5 分2. 损坏电动机扣 10 分备注考评员签字:合计年月日注:每项扣分不得超过该项配分。
电气试验作业安全技术实际操作考试标准1.制定依据《电气试验作业人员安全技术培训大纲及考核标准》。
2.考试方式实际操作、仿真模拟操作、口述。
3.考试要求3.1实操科目及内容3.1.1科目一:安全用具使用(K1)3.1.1.1 电工仪表使用(K11)3.1.1.2 电工安全用具使用(K12)3.1.1.3 电工安全标示的辨识(K13)3.1.2科目二:安全操作技术(K2)3.1.2.1 变压器变压比试验操作(K21)3.1.2.2 氧化锌避雷器直流试验操作(K22)3.1.2.3 电流互感器励磁特性试验操作(K23)3.1.2.4 变压器绕组的介质损测量操作(K24)3.1.2.5 断路器动作时间特性测量操作(K25)3.1.3科目三:作业现场安全隐患排除(K3)3.1.3.1 互感器绝缘劣化隐患排查(K31)3.1.3.2 变压器绕组和引线连接故障排查(K32)3.1.3.3 断路器触头接触故障排查(K33)3.1.4科目四:作业现场应急处置(K4)3.1.4.1 触电事故现场的应急处理(K41)3.1.4.2 单人徒手心肺复苏操作(K42)3.1.4.3 灭火器的选择和使用(K43)3.2组卷方式实操试卷从上述四类考题中,各抽取一道实操题组成。
具体题目由考试系统或考生抽取产生。
3.3考试成绩实操考试成绩总分值为100分,80分(含)以上为考试合格;若考题中设置有否决项,否决项未通过,则实操考试不合格。
科目1、科目2、科目3、科目4的分值权重分别为20%、40%、20%、20%。
3.4考试时间65分钟。
4.考试内容4.1安全用具使用(K1)4.1.1 电工仪表使用(K11)4.1.1.1 考试方式实际操作、口述。
4.1.1.2考试时间10分钟。
4.1.1.3 安全操作步骤(1)按给定的测量任务,选择合适的电工仪表。
(2)对所选的仪器仪表进行检查。
(3)正确使用仪器仪表。
(4)正确读数,并对测量数据进行判断。
电工中级实操考试评分表————————————————————————————————作者:————————————————————————————————日期:总 成 绩 表统分人: 年 月 日序号 试题名称配分 得分 权重 最后得分 备注1 按工艺规程进行无换向器电动机的拆卸、接线及调试70 2 进行安全文明生产配电间操作电工关于断电断闸、通电合闸操作规程方面的培训指导 30合计100试题1、按工艺规程进行无换向器电动机的拆卸、接线及调试配分、评分标准:序号主要内容考核要求评分标准配分扣分得分1 拆装前的准备1.考核前将所需工具、仪器及材料准备好2.正确拆除电动机电源电缆头及电动机外壳保护地线;电缆头应有保安措施3.正确拉下联轴器1.考核前将所需工具、仪器及材料没有准备好,扣1分2.拆除电动机电源电缆头及电动机外壳保护地线工艺不正确,电缆头没有保安措施,共扣1分3.拉联轴器方法不正确,扣1分102 拆卸1.拆卸方法和步骤正确2.不能碰伤绕组3.不损坏零部件4.标记清楚1.拆卸步骤方法不正确,每处扣2分2.碰伤绕组扣5分3.损坏零部件,每处扣2分4.装配标记不清楚,每处扣2分103 装配1.装配方法和步骤正确2.不能碰伤绕组3.不损坏零部件4.轴承清洗干净,加润滑油适量5.螺钉紧固6.装配后转动灵活1.装配步骤方法错误,每处扣5分2.损伤绕组扣10分3.损伤零部件,每处扣5分4.轴承清洗不干净、加润滑油不适量,每只扣5分5.紧固螺钉未拧紧,每只扣5分6.装配后转动不灵活,扣10分204 接线1.接线正确、熟练2.电动机外壳接地良好1.接线不正确、不熟练,扣5分2.电动机外壳接地不好,扣5分105 电气测量1.测量电动机绝缘电阻合格2.测量电动机的电流、振动、转速及温度等1.电动机绝缘电阻不合格,扣5分2.不会测量电动机的电流、振动、转速及温度等,扣10分106 试车1.空载试验方法正确2.根据试验结果判定电动机是否合格1.空运转试验方法不正确,扣5分2.根据试验结果不会判定电动机是否合格,扣5分10备注合计考评员签字年月日评分人:年月日核分人:年月日试题2、进行安全文明生产配电间操作电工关于断电断闸、通电合闸操作规程方面的培训指导配分、评分标准:序号主要内容考核要求评分标准配分扣分得分1 准备工作教具、演示工具准备齐全准备不齐全,扣2分 52 讲课1.主题明确、重点突出2.语言清晰、自然,用词正确3.演示动作正确无误1.主题不明确扣2分2.重点不突出扣2分3.语言不清晰、不自然,用词不正确,每次扣2分4.演示动作不正确,每次扣2分203 时间分配不得超过规定时间每超过规定时间1分钟,从本项总分中扣除5分5备注合计考评员签字年月日评分人:年月日核分人:年月日。
电工实操考核评分表
一、民居供电与照明
考核项目1:民居用电及日光灯照明、二控一灯一插座线路接线考核项目2:三相四线电度表带电流互感器的接线
二、电工仪表使用与测量
考核项目3:万用表、钳形电流表的使用与测量
考核项目4:兆欧表、接地电阻测量仪的使用与测量
三、电力拖动控制电路接线考核项目5:电动机点动与连动控制线路接线
考核项目6:电动机异地控制线路接线
考核项目7:电动机双重联锁正、反转控制线路接线
四、三相交流电机与控制线路考核项目8:Y—△降压起动控制
考核项目9:自耦降压起动控制线路板
考核项目10:绕线式异步电动机控制线路板。
考件编号: 姓名: 准考证号:单位:
总成绩表
统分人:年月日
考件编号: 姓名: 准考证号:单位:
试题1、识读接触器联锁正反转控制电路原理图
配分、评分标准:
选择考核项目时应考虑的其他因素:
(1)本项目满分40分。
(2)本项目考核时间限定在30分钟。
(3)在做通电试验时,现场应有2名考评员,其中1人任现场监护。
(4)本内容作为中级维修电工的重点考核内容之一,考核时应优先选择。
评分人:年月日核分人:年月日
考件编号: 姓名: 准考证号:单位:
试题2、安装和调试三相异步电动机按钮联锁正反转控制电路
配分、评分标准:
选择考核项目时应考虑的其他因素:
(1)本项目满分50分。
(2)本项目考核时间限定在100~120分钟。
(3)在做通电试验时,现场应有2名考评员,其中1人任现场监护。
(4)本内容作为中级维修电工的重点考核内容之一,考核时应优先选择。
评分人:年月日核分人:年月日
考件编号: 姓名: 准考证号:单位:安全文明生产
否定项:要求遵守考场纪律,不能出现重大事故。
出现严重违犯考场纪律或发生重大事故,本次技能考核视为不合格。
选择考核项目时应考虑的其他因素:
(1)本项目满分10分。
(2)本内容为中级维修电工的必考内容之一,考核时应现场评分。
(3)本项目为第一类否定项。
评分人:年月日核分人:年月日。
总成绩表合计统分人:年月日试题1、三相交流异步电动机位置控制电路的安装与调试笔试部分参考答案和评分标准:(1)写出下列图形文字符号的名称。
(本题分值5分,每错一处扣1分)QS(电源开关);FU1(熔断器);KM1(交流接触器);SQ1(行程开关);SB1(按钮)。
(2)简述剥线钳使用注意事项。
(本题分值2分,错答或漏答一条扣0.5分)答:1)选择合适的规格;2)确定剥线长度;3)选择合适的槽口;4)用力恰当。
(3)简述钳形电流表的使用方法。
(本题分值2分,错答或漏答一条扣0.5分)答:1)使用前调零;2)预估被测电流的大小,选择量程;3)被测导线置于钳口内中心位置;4)被测电路电流太小时可将被测载流导线在钳口部分的铁心柱上绕几圈。
(4)可能误登的架构上应悬挂什么文字的标示牌?(本题分值3分,回答错误扣3分)答:应悬挂"禁止攀登,高压危险!"的标示牌。
评分人:年月日核分人:年月日笔试部分参考答案和评分标准:(1)绘制PLC的I/O接口图和梯形图。
(本题分值5分,每错一处扣1分)考评员依据具体考核要求,参考运行结果,对I/O接口图和梯形图进行评分。
(2)简述电烙铁使用注意事项。
(本题分值2分,错答或漏答一条扣0.5分)答:1)检查电源线是否完整;2)使用松香等作为助焊剂;3)保持烙铁头清洁;4)暂时不用时应把烙铁放到烙铁架上。
(3)简述指针式万用表电阻挡的使用方法。
(本题分值2分,错答或漏答一条扣0.5分)答:1)预估被测电阻的大小,选择档位;2)调零;3)测出电阻的数值;4)如果档位不合适,更换档位后重新调零和测试。
(4)回答室外高压设备的围栏悬挂什么内容标示牌?(本题分值3分,回答错误扣3分)答:悬挂“止步,高压危险!”的标示牌评分人:年月日核分人:年月日试题3、双向晶闸管调光电路的测量和维修。
中级维修电工技能操作考核评分记录表考件编号姓名考号
注:每项扣分不得超过该项配分。
1、本项目的满分60分。
2、本项目的考核时间为180分钟。
评分人:年月日核分人:年月日
中级维修电工试题二技能考核评分记录表考件编号姓名考号
第二题:X62W万能铣床故障检修
2、本项目的考核时间为15分钟
3、在本项目考核中,现场应有2名考评员,其中1人任现场监护
评分人:年月日核分人:年月日
200 级维修电工试卷 A
考件编号姓名考号
**一、试题:
安装Y-△降压启动控制线路电路的安装与调试
二、考核要求:
1、本项目的满分为60分。
2、本项目的考核时间为180分钟。
3、采用板前明布线的方法进行安装。
200 级维修电工备料通知单 A
2、本项目的考核时间为180分钟。
3、采用板前明布线的方法进行安装。
试卷C
一
中级维修电工技能竞赛操作试卷 D 考件编号姓名考号
一、试题:
安装时间继电器双速电动机控制电路
二、考核要求:
1、本项目的满分为60分。
2、本项目的考核时间为180分钟。
3、采用板前明布线的方法进行安装。
中级维修电工实操试题及评分标准一、试题1. 综合布线(1) 带电作业时,应注意什么问题?(2) 请根据现场实际情况进行综合布线,包括走线、桥架、插座等设备的选型和数量计算。
2. 电气控制回路(1) 某一控制柜有多个按键和指示灯,请根据要求连线。
(2) 当 PLC 输出 DO 点的状态变化时,执行器驱动方案应该如何设计?3. 三相交流电机(1) 写出三相异步电动机常见故障及处理方法。
(2) 请根据实际情况进行电机的接线,包括启动电路、制动电路、三相交流电动机的正反转等。
4. 避雷与接地(1) 雷电天气时,应该采取哪些措施保证人身安全?(2) 制定某建筑物的接地方案。
二、评分标准1. 综合布线试题评分标准(1) 注意事项得分 10 分,具体细节要求得分 30 分。
(2) 设备选型及数量计算得分 60 分,有误差的扣分,差距大的直接0 分。
2. 电气控制回路试题评分标准(1) 连线得分 40 分,未连好的直接 0 分。
(2) 执行器驱动方案设计得分 60 分,有严重问题直接 0 分。
3. 三相交流电机试题评分标准(1) 常见故障及处理方法得分 30 分,具体措施得分 30 分。
(2) 电机接线得分 40 分,有误差的扣分,差距大的直接 0 分。
4. 避雷与接地试题评分标准(1) 雷电天气措施得分 20 分,具体要求得分 30 分。
(2) 接地方案设计得分 50 分,有严重问题直接 0 分。
总分 400 分,分数越高的考生表现越出色。
三、总结此次实操试题根据中级维修电工的职业要求,考查了综合布线、电气控制回路、三相交流电机、避雷与接地四个方面的知识,试题总量合适、难度适中。
评分标准设置合理,考虑了细节和综合能力的要求,能够准确地反映出应试者的水平。
希望考生们认真复习,充分准备,顺利通过考试。
电气试验作业安全技术实际操作考试标准1.制定依据《电气试验作业人员安全技术培训大纲及考核标准》。
2.考试方式实际操作、仿真模拟操作、口述。
3.考试要求3.1实操科目及内容3.1.1科目一:安全用具使用(K1)3.1.1.1 电工仪表使用(K11)3.1.1.2 电工安全用具使用(K12)3.1.1.3 电工安全标示的辨识(K13)3.1.2科目二:安全操作技术(K2)3.1.2.1 变压器变压比试验操作(K21)3.1.2.2 氧化锌避雷器直流试验操作(K22)3.1.2.3 电流互感器励磁特性试验操作(K23)3.1.2.4 变压器绕组的介质损测量操作(K24)3.1.2.5 断路器动作时间特性测量操作(K25)3.1.3科目三:作业现场安全隐患排除(K3)3.1.3.1 互感器绝缘劣化隐患排查(K31)3.1.3.2 变压器绕组和引线连接故障排查(K32)3.1.3.3 断路器触头接触故障排查(K33)3.1.4科目四:作业现场应急处置(K4)3.1.4.1 触电事故现场的应急处理(K41)3.1.4.2 单人徒手心肺复苏操作(K42)3.1.4.3 灭火器的选择和使用(K43)3.2组卷方式实操试卷从上述四类考题中,各抽取一道实操题组成。
具体题目由考试系统或考生抽取产生。
3.3考试成绩实操考试成绩总分值为100分,80分(含)以上为考试合格;若考题中设置有否决项,否决项未通过,则实操考试不合格。
科目1、科目2、科目3、科目4的分值权重分别为20%、40%、20%、20%。
3.4考试时间65分钟。
4.考试内容4.1安全用具使用(K1)4.1.1 电工仪表使用(K11)4.1.1.1 考试方式实际操作、口述。
4.1.1.2考试时间10分钟。
4.1.1.3 安全操作步骤(1)按给定的测量任务,选择合适的电工仪表。
(2)对所选的仪器仪表进行检查。
(3)正确使用仪器仪表。
(4)正确读数,并对测量数据进行判断。