维修电工中级电工实操试题
- 格式:doc
- 大小:184.00 KB
- 文档页数:11
维修电工中级试题及答案一、选择题(每题2分,共20分)1. 电路中电流的单位是()。
A. 伏特B. 安培C. 瓦特D. 欧姆答案:B2. 以下哪个不是三相交流电的特点?()A. 频率相同B. 幅值相等C. 相位差120度D. 相位差180度答案:D3. 电流通过电阻时产生的热量与电流的平方成正比,这一规律称为()。
A. 欧姆定律B. 焦耳定律C. 基尔霍夫定律D. 法拉第定律答案:B4. 以下哪个是直流电的特点?()A. 电流方向不变B. 电流方向周期性变化C. 电流大小不变D. 电流大小周期性变化答案:A5. 电容器的单位是()。
A. 法拉B. 欧姆C. 伏特D. 安培答案:A6. 以下哪个是电磁感应现象的应用?()A. 电动机B. 发电机C. 变压器D. 电容器答案:B7. 交流电的频率是指()。
A. 电流方向每秒变化的次数B. 电流大小每秒变化的次数C. 电压方向每秒变化的次数D. 电压大小每秒变化的次数答案:A8. 以下哪个是半导体材料的特性?()A. 导电性能介于导体和绝缘体之间B. 导电性能非常好C. 导电性能非常差D. 导电性能随温度变化而变化答案:A9. 以下哪个是电磁波的传播方式?()A. 通过导线传播B. 通过介质传播C. 通过真空传播D. 以上都是答案:D10. 以下哪个是电磁波的特性?()A. 传播速度等于光速B. 传播速度等于声速C. 传播速度等于电流速度D. 传播速度等于电压速度答案:A二、填空题(每题2分,共20分)1. 电流的国际单位是______。
答案:安培2. 欧姆定律的公式是______。
答案:V=IR3. 电阻的单位是______。
答案:欧姆4. 电感的单位是______。
答案:亨利5. 电容器的电容值与其______成反比。
答案:板间距离6. 电磁波的传播速度在真空中是______。
答案:光速7. 半导体材料的导电性能受______影响。
答案:温度8. 三相交流电的三个相位之间相位差是______度。
中级电工实操题总汇本文没有明显的格式错误和有问题的段落,只需要进行小幅度的改写。
维修电工国家职业资格四级技能考核试卷02考试时间为250分钟。
请在试卷标封处填写姓名、准考证号和所在单位名称。
仔细阅读各种题目的回答要求,在规定位置填写答案。
不要在试卷上乱写乱画,也不要在标封区填写无关内容。
试题一、三相异步电动机四点限位控制线路的安装和调试考试时间为100分钟,本题分值为30分。
根据电气安装规范,完成三相异步电动机四点限位控制线路的安装、接线和调试。
考核要求包括正确安装和接线、符合国家电气安装规范、紧固导线、布局合理、导线进线槽,以及通电调试,并达到控制要求。
所有操作必须符合行业安全文明生产规范。
回答问题包括负载为0.75KW、7.5KW、11KW和22KW的三相异步电机所需的铜导线、交流接触器、空气开关和熔断器的额定电流。
试题二、M7130平面磨床、Z35摇臂钻床、(或类似,如M7120平面磨床、T68镗床、C6140车床等)电气控制线路的故障检查、分析及排除考试时间为50分钟,本题分值为20分。
在两个不同电气控制线路对应的工位中随机抽取一个,排除该线路上的故障。
考核要求包括排除电气控制线路中的三个故障、观察设备的运行状况、画出故障点局部电路图并标明故障点位置,以及所有操作必须符合行业安全文明生产规范。
试题三、用PLC对两台电动机顺序启动、逆序停止电路改造考试时间为50分钟,本题分值为30分。
根据电气安装规范,完成用PLC对两台电动机顺序启动、逆序停止电路的编程和调试。
考核要求包括正确完成电路和绘制的I/O接线图、符合国家电气安装规范、编程和调试,以及所有操作必须符合行业安全文明生产规范。
1.正确识读电路图,将控制电路改为PLC控制,并填写I/O分配表和绘制I/O接线图。
2.正确完成PLC控制系统的I/O接线。
3.编制满足控制要求的PLC程序,并下载到PLC中。
4.通电调试,确保控制要求得到满足。
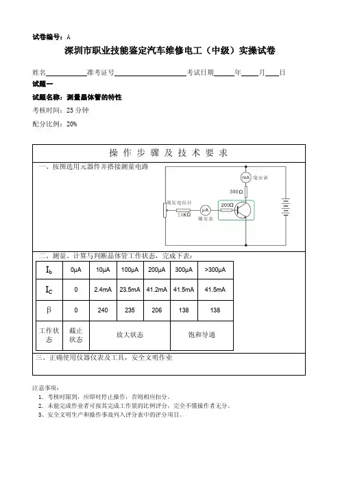
试卷编号:A深圳市职业技能鉴定汽车维修电工(中级)实操试卷姓名准考证号考试日期年月日试题一试题名称:测量晶体管的特性考核时间:25分钟配分比例:20%二、测量、计算与判断晶体管工作状态,完成下表:A 300μA >300μA41.2mA 41.5mA 41.5mA206 138 138注意事项:1.考核时限到,应即时停止操作,否则相应扣分。
2.未能完成作业者可按其完成工作量的比例评分,完全不懂操作者无分。
3、安全文明生产和操作事故列入评分表中的评分项目。
姓名准考证号考试日期年月日试题二试题名称:画出汽车发电机电子调节器基本电路图并搭接线路考核时间:20分钟配分比例:25%三、正确使用仪器仪表及工具,安全文明作业既是工作电源又是电子调节器的检测电源,R1、R2组成分压电路,当+B电压较高时,分压点电压升高,截止,磁场线圈电流消失,从而使+B电压下降,分压点电压也随之下降,VS截止,基极,使VT2导通,发电机重新开始工作,如此周而复始。
注意事项:1.考核时限到,应即时停止操作,否则相应扣分。
2.未能完成作业者可按其完成工作量的比例评分,完全不懂操作者无分。
3、安全文明生产和操作事故列入评分表中的评分项目。
姓名准考证号考试日期年月日试题三试题名称:检修硅整流发电机考核时间:20分钟配分比例:25%注意事项:1.考核时限到,应即时停止操作,否则相应扣分。
2.未能完成作业者可按其完成工作量的比例评分,完全不懂操作者无分。
3、安全文明生产和操作事故列入评分表中的评分项目。
姓名准考证号考试日期年月日试题四试题名称:电喷发动机怠速不稳电路故障的检测与排除考核时间:20分钟配分比例:30%注意事项:1.考核时限到,应即时停止操作,否则相应扣分。
2.未能完成作业者可按其完成工作量的比例评分,完全不懂操作者无分。
3、安全文明生产和操作事故列入评分表中的评分项目。
姓名准考证号考试日期年月日试题二试题名称:检修并装配点火分电器考核时间:20分钟配分比例:25%注意事项:1.考核时限到,应即时停止操作,否则相应扣分。
电工中级等级实操考试题库一、安全用电与电工操作规程1. 电工在进行操作前应进行哪些安全检查?2. 描述电工在高压环境下的安全操作规程。
3. 电工在进行电气设备维修时应注意哪些安全事项?4. 简述电工在遇到紧急情况时的应急处理流程。
二、电气元件识别与测试1. 列举常见的低压电气元件,并简述其功能。
2. 如何使用万用表测试电阻、电压和电流?3. 描述使用钳形电流表测量电流的步骤。
4. 简述如何判断一个电容器是否损坏。
三、电路图识读与分析1. 解释电路图中常见的符号及其代表的元件。
2. 描述如何根据电路图进行电路故障分析。
3. 简述如何根据电路图进行电路连接。
4. 举例说明如何使用电路图进行电路设计。
四、电气线路安装与调试1. 描述电气线路的安装流程。
2. 简述电气线路安装中的接线规范。
3. 描述如何进行电气线路的调试。
4. 简述电气线路安装完成后的检查与测试。
五、电动机与变压器的维护与检修1. 简述三相异步电动机的工作原理。
2. 描述电动机的日常维护要点。
3. 简述电动机常见故障及其检修方法。
4. 描述变压器的工作原理及维护要点。
六、PLC编程与自动化控制1. 解释PLC的基本概念及其在工业自动化中的应用。
2. 简述PLC编程的基本步骤。
3. 描述如何使用PLC进行自动化控制电路的设计。
4. 举例说明PLC在实际工程中的应用案例。
七、电气故障诊断与处理1. 简述电气故障的常见类型及其原因。
2. 描述电气故障诊断的基本方法。
3. 简述电气故障处理的一般流程。
4. 举例说明如何使用专业工具进行电气故障诊断。
八、电工实操技能1. 描述如何进行电缆的剥线和接线操作。
2. 简述如何进行电气设备的拆装。
3. 描述如何进行电气设备的绝缘电阻测试。
4. 简述如何进行电气设备的接地测试。
九、电工工具与仪器使用1. 列举电工常用的工具和仪器,并简述其用途。
2. 描述如何正确使用螺丝刀、钳子等基本电工工具。
3. 简述如何使用电烙铁进行焊接操作。
总成绩表统分人:年月日试题1、设计一个两地启动、停止,用时间继电器自动控制的双速异步电动机继电接触式电路图,并按图进行安装与调试选择考核项目时应考虑的其他因素:(1)本项目满分40分。
(2)本项目考核时间限定在180~240分钟。
(3)在做通电试验时,现场应有2名考评员,其中1人任现场监护。
(4)本内容作为中级维修电工的重点考核内容之一,考核时应优先选择。
(5)本项目具有第二类否定项。
(6)综合设计内容范围的界定:①电动机种类不限,台数一般不超过4台。
②电动机各种保护齐全,这主要指短路保护、过载保护、失压保护、欠压保护、接地保护、欠流保护等。
③电动机一般控制(行程控制、速度控制、时间控制、电流控制)中选两项以下(含两项)。
④电拖基本环节(点动控制、正转自锁控制、正反转控制、降压启动控制、多地控制、制动控制等)至少在3个以上。
⑤线路绘制必须采用GB4728—84.85《电气图用图形符号》和GB7159—87《电气设备通用技术文字符号》、GB6988—86《电气制图》等有关规定。
⑥综合设计时,允许考生带《电工手册》、《物资购销手册》作为选择元器件时参考。
评分人:年月日核分人:年月日试题2、按工艺规程主持检修1000千伏安以下三相电力变压器的故障检修否定项:故障检修得分少于20分,本次技能考核视为不合格。
选择考核项目时应考虑的其他因素:(1)本项目满分40分。
(2)本项目考核时间限定在240分钟。
(3)本项目故障点仅设置1个。
(4)在做通电试验时,现场应有2名考评员,其中1人任现场监护。
(5)从事变压器维修工作的维修电工考核时应优先选择本项目。
(6)本项目为第一类否定项。
评分人:年月日核分人:年月日试题3、用两表跨相法测量三相无功功率否定项:要求不能损坏仪器、仪表。
损坏仪器、仪表,扣10分。
选择考核项目时应考虑的其他因素:(1)本项目满分10分。
(2)本项目考核时间限定在30分钟。
(3)在做通电试验时,现场应有2名考评员,其中1人任现场监护。
汽车维修电工中级实操辅导(考核)题
第一组:电器总成的检修(配分:25分)
1.硅整流发电机的检修
2.起动机的检修
3.分电器的检修
4.仪表的检修
第二组:电器设备线路连接与原理分析(配分:25分)
1.起动系线路连接与原理分析
2. 充电线路连接与原理分析
3. 照明设备与信号装置线路连接与原理分析
4. 点火系线路连接与原理分析
第三组:电器设备故障诊断与排除(配分:25分)
1. 点火系故障诊断与排除
2.起动系故障诊断与排除
3. 充电系故障诊断与排除
4. 照明信号故障诊断与排除
第四组:现代汽车电子控制技术操作技能(配分:25分)
1.电喷发动机的故障码的读取
2. 电喷发动机传感器检测操作
3.电喷发动机点火信号的测试。
中级电工实操试题及答案根据您的要求,我将为您提供一份关于中级电工实操试题及答案的文章。
请注意,由于题目为实操试题及答案,文章将直接给出试题并提供答案解析,不会采用合同或作文的格式。
以下是文章内容:中级电工实操试题及答案本文将为大家提供一些中级电工实操试题及答案,希望能够帮助大家更好地准备相关考试。
一、选择题1. 下列哪项属于直流电的特点?A) 电流大小随时间变化B) 电流大小保持不变C) 电流方向随时间变化D) 电流方向保持不变答案: D2. 在进行电气设备维护时,下列哪个操作是正确的?A) 不需要事先切断电源B) 维修过程中可以随意接触裸露导线C) 可以使用带有切割功能的绝缘工具D) 应先切断电源,并使用绝缘工具进行操作答案: D3. 如果要对一段带电设备进行检修,以下哪个步骤是正确的顺序?A) 检查设备接地是否良好B) 制定相关操作方案C) 切断电源并进行示醒D) 进行设备检修答案: C -> A -> B -> D4. 在下列情况下,应使用绝缘手套进行操作的是:A) 进行电气设备外观检查B) 进行电气设备接线操作C) 进行电气设备开启操作D) 进行电气设备运行状态检测答案: B5. 下列哪项是电工在工作中应当注意的安全措施?A) 不使用个人防护装备B) 长时间趴在地上作业C) 忽视周围环境的电气危险因素D) 使用绝缘工具进行操作答案: D二、填空题1. 直流电与交流电相比,具有__________的特点。
答案: 电流方向保持不变2. 电气设备维护和检修之前,应先__________电源。
答案: 切断3. 在进行电工作业时,应佩戴__________个人防护装备。
答案: 相应4. 电工应保持__________和周围工作人员保持良好的沟通。
答案: 密切5. 进行高处作业时,应使用__________设备确保工作安全。
答案: 安全防护三、解析题1. 电气设备维修过程中,应注意哪些重要的安全措施?答案:在电气设备维修过程中,应首先切断电源,并进行示醒,确保设备不再带电。
中级电工实操试题一、安装单相三极及三相四极插座二、安装白炽灯照明电路三、用数字式万用表测量交、直流电压四、用兆欧表测量三相异步电动机绝缘电阻五:T型连接单股导线一:安装单相三极及三相四极插座1、准备要求(1)设备准备(2)材料准备(3)工用具准备2、操作考核规定及说明(1)操作程序说明:1)安装电路;2)清理现场;3)安全文明操作。
(2)考核规定说明:1)如操作违章或未按操作程序执行操作,将停止考核;2)考核采用百分制,考核项目得分按鉴定比重进行折算。
(3)考核方式说明:该项目为实际操作(结果型),考核过程按评分标准及操作过程进行评分。
(4)测量技能说明:本项目主要测量考生对安装单相三极及三相四极插座的熟练程度。
3、考核时限(1)准备时间:1min(不计入考核时间)。
(2)正式操作时间:10min。
(3)提前完成操作不加分,到时停止操作考核。
4、评分记录表附图单相三极及三相四极插座试题名称:安装单相三极及三相四极插座考核时间:10min序号考核内容评分要素配分评分标准检测结果扣分得分备注1 安装电路安装单相三极插座51相线位置接错扣6分零线位置接错扣6分地线位置接错扣6分相线颜色选错扣6分零线颜色选错扣6分地线颜色选错扣6分接点松动、露铜过长、压绝缘层每处扣1分(最多扣5分)损坏元件扣10分安装三相四级插座49相线位置接错扣6分零线位置接错扣6分相线颜色选错一处扣5分零线颜色选错扣6分接点松动、露铜过长、压绝缘层每处扣1分(最多扣6分)损坏元件扣10分2 清理现场清理现场未清理现场从总分中扣5分3 安全文明操作按国家或企业颁发有关安全规定执行操作每违反一项规定从总分中扣5分,严重违规取消考核二:安装白炽灯照明电路(两只开关两地控制一盏灯)1、准备要求 (1)设备准备(2)材料准备(3)工用具准备2、操作考核规定及说明 (1)操作程序说明: 1)安装电路; 2)通电试验;3)安全文明操作。
(2)考核规定说明:1)如操作违章或未按操作程序执行操作,将停止考核; 2)考核采用百分制,考核项目得分按鉴定比重进行折算。
机械行业特有工种职业技能鉴定统一试卷机电维修电工中级工技能测试试卷及评分标准A注 意 事 项1. 请首先按要求在试卷的标封处填写您的姓需、准号证号和所在单位的名称。
2. 请仔细阅读各种题目的回答要求,在规泄的位置填写您的答案。
3. 请用蓝(或黑色)钢笔、圆珠笔答卷;不要在试卷内填写与答题无关的内容。
4.本试卷满分为100分,考试时间为180分钟。
第一部分 电子设备的组装及调试(60分)一、液位控制器组装焊接与测量(60分)原理电路图配件清单名称数虽 名称 数虽 名称 数虽名称 数虽 电阻1K 1 电容103 1 三极管8050 12. 54三P 座1 电阻2K2 电容1043 M3LED 绿 1 12V5脚继电器1 电阻10K 1 电容220U 1 NE555 1电路板 1 电阻33K 1 1N4007 5 8P IC 座 1图纸 1电阻1M 1 1W12V 稳压管 1 2P 接线柱 1电阻1W1K1M3 红 LED13P 接线柱1--------- 綜--------------- 并#如犁.密评分标准:所有数据以考评员在电路安装正确的前提下实测±10%内得分1、元器件识別及检测:学生能独立挑选识别元器件淸单列出的元器件,在开考15分钟后发现元器件损坏的按自己烧坏扣分。
(配分15分)2、整机装配:严格按照无线电设备装接工艺组装焊接,元器件整形美观整齐,布局合理规范,焊点明亮光滑, 没有安装错误,没有脱焊连焊。
(配分20分,每个错误减2分,每个工艺差点减1分不得负分)3、性能测试根据测试填写水位变化后电路发生的相关逻辑功能。
(配分15分)1I載3. 文明安全生产。
第二部分 电工仪表的使用及电气设备测试(40分)一、原理图1. 〔2.按给定电气原理图,选择元件接线,布局合理正确使用行线槽布线(仅接控制电路)O 正确使用万用表,摇表及钳形表等电工具及仪表,测得相关数据填写在下表中(4分)电动机线圈电阻交流接触器线圈电阻I二、 备料单如图:接触器3个,热继电器1个,熔断器5个,3联按钮1个软线布线行线槽米, 软线20米,线号管1米,25MM 自攻钉50支,15MM 20支,绝缘胶布1卷,优质焊锡丝3心 三^考核内容:三相电动机控制接线配分、评分标准:评分人: 核分人:。
维修电工中级工试题及答案一、选择题1. 电工通常使用下列哪一种工具来测量电流?A. 电压表B. 电阻表C. 电流钳D. 断路器2. 在电路中,电压和电流之间的关系是:A. 电流等于电压除以电阻B. 电压等于电流乘以电阻C. 电流等于电压减去电阻D. 电流与电压无关3. 下列哪种电器故障最容易导致火灾:A. 插座接触不良B. 电线短路C. 电线过载D. 开关损坏4. 以下哪种措施是防止电击事故的有效方法:A. 减少接地线的使用B. 经常漏电保护器的测试和维护C. 忽略电工操作规程D. 借助金属器件进行维修5. 电动机启动时电流会急剧上升,这种现象称为:A. 电流过载B. 电压下降C. 电流跳闸D. 启动电流冲击二、填空题1. 电流的单位是________。
2. 对接触不良的插座进行修复,首先应________。
3. 标准的家庭电压为________伏特。
4. 在电气事故中,通常使用的救援工具是________。
5. 较为普遍的三相电压标准是________伏特。
三、简答题1. 请简要解释电阻的概念以及其在电路中的作用。
2. 请列举并解释导致电器故障的常见原因。
3. 描述漏电保护器的工作原理,并说明其在电路安全中的作用。
4. 简要描述三相电系统的结构和优势。
四、实际操作题1. 在进行家庭电器维修时,你发现插座接触不良,导致部分插口无法正常供电。
请描述你的解决方法和步骤。
2. 请列出进行电器维修所需的基本工具,并说明其用途。
五、答案选择题:1. C2. B3. B4. B5. D填空题:1. 安培(A)2. 切断电源3. 220V4. 绝缘手套5. 380V简答题:1. 电阻是物质对电流流动的阻碍程度的量度。
在电路中,电阻用于限制电流的流动,并将电能转化为热能。
2. 常见的导致电器故障的原因包括短路、过载、老化、接触不良等。
3. 漏电保护器通过监测电流的差异来检测电流是否存在于错误的路径中。
当漏电发生时,漏电保护器会迅速切断电路,以防止电击事故发生。
中级维修电工试题及答案一、单项选择题(每题2分,共10题,共20分)1. 电流的单位是()。
A. 伏特B. 安培C. 欧姆D. 瓦特答案:B2. 电路中电流的流动方向是()。
A. 从正极流向负极B. 从负极流向正极C. 从高电势流向低电势D. 从低电势流向高电势答案:B3. 电阻的单位是()。
A. 伏特B. 安培C. 欧姆D. 瓦特答案:C4. 电感器的作用是()。
A. 储存电能B. 储存磁能C. 阻止电流变化D. 阻止电压变化答案:B5. 电容器的作用是()。
A. 储存电能B. 储存磁能C. 阻止电流变化D. 阻止电压变化答案:A6. 交流电的频率是指()。
A. 每秒电流方向变化的次数B. 每秒电压变化的次数C. 每秒电流大小变化的次数D. 每秒电压大小变化的次数答案:A7. 变压器的工作原理是()。
A. 电磁感应B. 电磁转换C. 电磁辐射D. 电磁屏蔽答案:A8. 电路中的短路是指()。
A. 电路完全断开B. 电路部分断开C. 电路中电流过大D. 电路中电流过小答案:C9. 电路中的开路是指()。
A. 电路完全断开B. 电路部分断开C. 电路中电流过大D. 电路中电流过小答案:A10. 电路中的负载是指()。
A. 电源B. 导线C. 用电器D. 开关答案:C二、多项选择题(每题3分,共5题,共15分)1. 以下哪些是电工常用的测量工具?()A. 万用表B. 绝缘电阻表C. 电压表D. 电流表答案:A、B、C、D2. 以下哪些是电工安全操作规程?()A. 穿戴绝缘手套B. 使用绝缘工具C. 断电操作D. 带电操作答案:A、B、C3. 以下哪些是电工常用的接线方式?()A. 串联B. 并联C. 串并联D. 混联答案:A、B、C4. 以下哪些是电工常用的绝缘材料?()A. 橡胶B. 塑料C. 玻璃D. 陶瓷答案:A、B、C、D5. 以下哪些是电工常用的导线连接方式?()A. 焊接B. 压接C. 扭接D. 插接答案:A、B、C三、判断题(每题1分,共10题,共10分)1. 电流的大小与电阻成反比。
中级维修电工试题及答案一、选择题1. 电流通过导体时,导体发热的现象称为:A. 电磁感应B. 电流的热效应C. 电流的磁效应D. 电流的化学效应答案:B2. 以下哪种情况不适合使用万用表测量电流?A. 直流电路B. 交流电路C. 测量电阻时D. 测量电压时答案:C3. 三相交流电的相序通常指的是:A. 电压的相位差B. 电流的相位差C. 电压和电流的相位差D. 电压和电流的频率答案:A二、判断题1. 所有类型的电容器都可以用于直流电路中。
(错误)2. 电动机的启动电流通常比运行电流大。
(正确)3. 绝缘电阻表可以用来测量电路的绝缘电阻。
(正确)三、简答题1. 简述三相异步电动机的工作原理。
答:三相异步电动机的工作原理基于电磁感应。
当三相交流电通过定子绕组时,产生旋转磁场。
转子在旋转磁场中因电磁感应产生电流,进而产生电磁力,使转子跟随旋转磁场旋转,但由于转子的转速低于旋转磁场的同步转速,故称为异步电动机。
2. 什么是接地故障?它有什么危害?答:接地故障是指电气设备或线路的非正常接地部分意外地与地面或接地系统连接。
接地故障可能导致设备损坏、电气火灾或人身触电事故。
四、计算题1. 已知一个电阻为100Ω,通过它的电流为2A,求该电阻两端的电压。
答:根据欧姆定律,电压U = 电流I × 电阻R,即U = 2A ×100Ω = 200V。
2. 一个三相四线制电路,每相负载电阻为30Ω,求三相负载的总电阻。
答:三相四线制电路中,每相负载并联。
因此,总电阻Rt = 1 / (1/30 + 1/30 + 1/30) = 10Ω。
五、实操题1. 如何使用万用表测量电阻?答:首先,将万用表调至电阻测量档。
然后,将万用表的两个探头分别接触待测电阻的两端。
观察万用表的读数,即为待测电阻的阻值。
2. 简述三相异步电动机的启动过程。
答:启动三相异步电动机时,首先确保电动机接线正确,然后闭合电源开关,电动机开始运转。
职业技能鉴定操作技能考核试卷(七)
维修电工(中级工)
一、考核项目及内容:使用脚扣蹬木质电杆
(一)测量模块
1、考试要求
(1)按照规定确认工作内容及杆号,检查电杆、脚扣、安全帽、安全带,扣结安全带,蹬杆, 蹬杆到施工位置时,两脚扣交叉,下杆。
(2)必须穿戴劳动保护用品。
(3)必备的工具、用具应准备齐全。
(4)正确使用工具、用具。
(5)符合安全文明生产。
2、考试时限
(1)准备时间:10min。
(2)操作时间:60min。
从正式操作开始计时。
考试时,提前完成操作不加分,超过规定操作时间按规定标准评分。
(二)考试试题
1、使用脚扣蹬木质电杆
1)准备要求
(1)设备准备
(2)工具准备
2)操作考试的规定说明
(1)如操作违章,将停止考试。
(2)考试采用100分制,然后按鉴定比重折算。
(3)具体考试要求同鉴定点。
(4)考试时限同测量模块。
(5)配分与评分标准同测量模块。
二、配分与评分标准
维修电工实操考核表(初级工)
考生姓名:单位:得分:
考评组长:2014
考评员:A:B:C:12014安全监护:督导:2014
年月日。
中级维修电工技能操作考核评分记录表考件编号姓名考号
注:每项扣分不得超过该项配分。
1、本项目的满分60分。
2、本项目的考核时间为180分钟。
评分人:年月日核分人:年月日
中级维修电工试题二技能考核评分记录表考件编号姓名考号
第二题:X62W万能铣床故障检修
2、本项目的考核时间为15分钟
3、在本项目考核中,现场应有2名考评员,其中1人任现场监护
评分人:年月日核分人:年月日
200 级维修电工试卷 A
考件编号姓名考号
**一、试题:
安装Y-△降压启动控制线路电路的安装与调试
二、考核要求:
1、本项目的满分为60分。
2、本项目的考核时间为180分钟。
3、采用板前明布线的方法进行安装。
200 级维修电工备料通知单 A
2、本项目的考核时间为180分钟。
3、采用板前明布线的方法进行安装。
试卷C
一
中级维修电工技能竞赛操作试卷 D 考件编号姓名考号
一、试题:
安装时间继电器双速电动机控制电路
二、考核要求:
1、本项目的满分为60分。
2、本项目的考核时间为180分钟。
3、采用板前明布线的方法进行安装。
考件编号:注 意 事 项 一、本试卷依据2001年颁布的《维修电工》国家职业标准命制。
二、请根据试题考核要求,完成考试内容。
三、请服从考评人员指挥,保证考核安全顺利进行。
试题1、安装和调试双速交流异步电动机自动变速控制电路(2) 考核要求: (1) 按图纸的要求进行正确熟练地安装;元件在配线板上布置要合理,安装要正确、紧固,布线要求横平竖直,应尽量避免交叉跨越,接线紧固、美观。
正确使用工具和仪表。
(2) 按钮盒不固定在板上,电源和电动机配线、按钮接线要接到端子排上,要注明引出端子标号。
(3) 安全文明操作。
(4) 注意事项:满分40分,考试时间240分钟。
试题2、按工艺规程检修10千伏以下电压互感器 在电压互感器上设隐蔽故障1处。
考生向考评员询问故障现象时,考评员可以将故障现象告诉考生,考生必须单独排除故障。
考核要求:(1) 调查研究。
考生答题不准超过此线考件编号:①对故障进行调查,弄清出现故障时的现象。
②查阅有关记录。
(2) 故障分析。
①根据故障现象,分析故障原因。
②判明故障部位。
③采取有针对性的处理方法进行故障部位的修复。
(3) 故障排除。
①正确使用工具和仪表。
②排除故障中思路清楚。
③排除故障中按工艺要求进行。
(4) 测试及判断。
①根据故障情况进行电气试验合格。
②对互感器进行观察和试验,判断是否合格。
(5) 考核注意事项。
①满分40分,考试时间120分钟。
②正确使用工具和仪表。
③遵守故障检修的有关规程。
否定项:故障检修未达20分,本次鉴定操作考核视为不通过。
试题3、用示波器观察交流电压波形考核要求:(1) 用示波器观察机内试验电压的波形,要求屏幕上显示1个稳定的波形,并将被测波形调至高为6厘米,宽为8厘米。
(2) 考核注意事项:满分10分,考核时间20分钟。
否定项:不能损坏仪器、仪表,损坏仪器、仪表扣10分。
试题4、在各项技能考核中,要遵守安全文明生产的有关规定考核要求:(1) 劳动保护用品穿戴整齐。
电工中级工实操试题及答案一、选择题1. 电动机的主回路一般由以下哪些元件组成?A. 电流互感器、电压互感器B. 断路器、接触器C. 电容器、电阻器D. 变压器、变频器2. 以下哪种电流保护器在电动机过载时能够自动断开电路?A. 熔断器B. 隔离开关C. 接触器D. 断路器3. 颜色为绿、黄相间的电缆一般用于连接哪个设备?A. 地线B. 直流电源C. 三相电源D. 中性线4. 已知单相交流电压为220V,负载为10A,则负载功率为多少?A. 2.2WB. 22WC. 220WD. 2.2kW5. 如果要测量直流电路的电流大小,应该使用哪种仪器?A. 电流表B. 电压表C. 示波器D. 频谱分析仪二、填空题1. 电动机启动时,启动电流一般是额定电流的()倍。
2. 三相电压为380V的电动机,线电压为()V。
3. ()是用于保护电路中线路过载和短路的一种电器。
4. 最常用的直流电源形式是()。
5. 三相电路中,如果L1-L2之间的电压为220V,那么L1-L3之间的电压为()V。
6. 电工安全用具中用来保护眼睛的是()。
7. 电流表的测量范围一般用()表示。
三、简答题1. 请简述交流电和直流电的区别及特点。
2. 什么是电动机直接启动?它的优缺点是什么?3. 什么是短路故障?如何确定短路的位置?4. 请说明电动机传动方式中皮带传动和齿轮传动的优缺点。
5. 电焊机的工作原理是什么?6. 什么是低压电器?它的特点和应用领域是什么?7. 请解释什么是电气接地?在电工操作中,为什么要进行接地保护?四、实操题1. 请列举出电工实操中常见的手工工具及其用途。
2. 请拟定一份电工设备维护计划,包括维护项目、频率和责任人。
3. 请绘制一张三相电路的线路图,标明各个元件的连接方式和电压值。
4. 请描述电气事故的类型及预防措施。
答案部分:一、选择题1. B2. D3. A4. C5. A二、填空题1. 5-72. 2203. 断路器4. 电池5. 3806. 护目镜7. A~20A三、简答题(略,可根据实际知识填写)四、实操题1. 手工工具及用途:- 螺丝刀:拧紧松动的螺丝- 剥线钳:剥去电线的绝缘层- 钳子:夹持、固定物体- 锤子:敲击、砸击物体- 隔离胶带:绝缘、包扎电线- 测量工具:用于测量电流、电压、电阻等参数2. 电工设备维护计划(示例):- 维护项目:清洁、紧固、润滑、测量、更换零部件等- 频率:每月一次、每季度一次、每年一次等- 责任人:指定负责人或班组进行维护工作3. 三相电路线路图(示例):(绘制线路图)4. 电气事故的类型及预防措施:- 电击事故:加强电安全知识培训、合理使用电器设备、规范安装线路等- 短路事故:正确选择保护装置、进行定期检修和维护、严禁乱接线、做好接地保护- 漏电事故:定期进行绝缘电阻测试、加强设备的防护和维护工作、及时更换老化设备和接线盒以上为电工中级工实操试题及答案,希望对你有所帮助。
中级维修电工实操试题及评分标准一、试题1. 综合布线(1) 带电作业时,应注意什么问题?(2) 请根据现场实际情况进行综合布线,包括走线、桥架、插座等设备的选型和数量计算。
2. 电气控制回路(1) 某一控制柜有多个按键和指示灯,请根据要求连线。
(2) 当 PLC 输出 DO 点的状态变化时,执行器驱动方案应该如何设计?3. 三相交流电机(1) 写出三相异步电动机常见故障及处理方法。
(2) 请根据实际情况进行电机的接线,包括启动电路、制动电路、三相交流电动机的正反转等。
4. 避雷与接地(1) 雷电天气时,应该采取哪些措施保证人身安全?(2) 制定某建筑物的接地方案。
二、评分标准1. 综合布线试题评分标准(1) 注意事项得分 10 分,具体细节要求得分 30 分。
(2) 设备选型及数量计算得分 60 分,有误差的扣分,差距大的直接0 分。
2. 电气控制回路试题评分标准(1) 连线得分 40 分,未连好的直接 0 分。
(2) 执行器驱动方案设计得分 60 分,有严重问题直接 0 分。
3. 三相交流电机试题评分标准(1) 常见故障及处理方法得分 30 分,具体措施得分 30 分。
(2) 电机接线得分 40 分,有误差的扣分,差距大的直接 0 分。
4. 避雷与接地试题评分标准(1) 雷电天气措施得分 20 分,具体要求得分 30 分。
(2) 接地方案设计得分 50 分,有严重问题直接 0 分。
总分 400 分,分数越高的考生表现越出色。
三、总结此次实操试题根据中级维修电工的职业要求,考查了综合布线、电气控制回路、三相交流电机、避雷与接地四个方面的知识,试题总量合适、难度适中。
评分标准设置合理,考虑了细节和综合能力的要求,能够准确地反映出应试者的水平。
希望考生们认真复习,充分准备,顺利通过考试。
中级电工实操试题
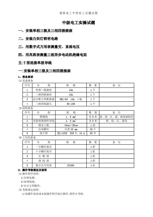
一、安装单相三极及三相四极插座
二、安装白炽灯照明电路
三、用数字式万用表测量交、直流电压
四、用兆欧表测量三相异步电动机绝缘电阻
五:T型连接单股导线
一:安装单相三极及三相四极插座
1、准备要求
(1)设备准备
(2)材料准备
(
2
(1)操作程序说明:
1)安装电路;
2)清理现场;
3)安全文明操作。
(2)考核规定说明:
1)如操作违章或未按操作程序执行操作,将停止考核;
2)考核采用百分制,考核项目得分按鉴定比重进行折算。
(3)考核方式说明:该项目为实际操作(结果型),考核过程按评分标准及操作过程进行评分。
(4)测量技能说明:本项目主要测量考生对安装单相三极及三相四极插座的熟练程度。
3、考核时限
(1)准备时间:1min(不计入考核时间)。
(2)正式操作时间:10min。
(3)提前完成操作不加分,到时停止操作考核。
4、评分记录表
附图
单相三极及三相四极插座
试题名称:安装单相三极及三相四极插座考核时间:10min
序号考核
内容
评分要素
配
分
评分标准
检测
结果
扣
分
得
分
备
注
1安装
电路
安装单相三极插座51
相线位置接错扣6分
零线位置接错扣6分
地线位置接错扣6分
相线颜色选错扣6分
零线颜色选错扣6分
地线颜色选错扣6分
接点松动、露铜过长、压绝缘
层每处扣1分(最多扣5分)
损坏元件扣10分
安装三相四级插座49
相线位置接错扣6分
零线位置接错扣6分
相线颜色选错一处扣5分
零线颜色选错扣6分
接点松动、露铜过长、压绝缘
层每处扣1分(最多扣6分)
损坏元件扣10分
2清理
现场
清理现场未清理现场从总分中扣5分
3安全
文明
操作
按国家或企业颁发有关安
全规定执行操作
每违反一项规定从总分中扣5
分,严重违规取消考核
4考核
时限
在规定时间内完成到时停止操作考核
合计100
二:安装白炽灯照明电路(两只开关两地控制一盏灯)
1、准备要求
(1)设备准备
(2)材料准备
)工用具准备
(3
1)安装电路;
2)通电试验;
3)安全文明操作。
(2)考核规定说明:
1)如操作违章或未按操作程序执行操作,将停止考核;
2)考核采用百分制,考核项目得分按鉴定比重进行折算。
(3)考核方式说明:该项目为实际操作(结果型),考核过程按评分标准及操作过程进行评分。
(4)测量技能说明:本项目主要测量考生对安装白炽灯照明线路的熟练程度。
3、考核时限
(1)准备时间:1min(不计入考核时间)。
(2)正式操作时间:15min。
(3)提前完成操作不加分,到时停止操作考核。
4、评分记录表
附图
白炽灯照明线路
N
L
K2
试题名称:安装白炽灯照明线路(两只开关两地控制一盏灯)考核时间:15min
三:用数字式万用表测量交、直流电压
1、准备要求
(1)设备准备
(2)材料准备
(3)工用具准备
2
(1)操作程序说明:
1)准备工作;
2)闭合数字万用表电源开关;
3)测量交流电压和直流电压;
4)归档;
5)清理现场。
(2)考核规定说明
1)如操作违章或未按操作程序执行操作,将停止考核;
2)考核采用百分制,考核项目得分按鉴定比重进行折算。
(3)考核方式说明:该项目为实际操作(过程结果型),考核过程按评分标准及操作过程进行评分。
(4)测量技能说明:本项目主要测量考生对用数字式万用表测量交、直流电压的熟练程度。
3、考核时限
(1)准备时间:1min(不计入考核时间)。
(2)正式操作时间:7min。
(3)提前完成操作不加分,到时停止操作考核。
4、评分记录表
试题名称:用数字式万用表测量交、直流电压考核时间:7min
四:用兆欧表测量三相异步电动机绝缘电阻
1、准备要求
(1)设备准备
(2)材料准备
(3)工用具准备
(1)操作程序说明:
1)准备工作;
2)拆连接片;
3)选表及接线前检查;
4)测量记录;
5)分析结果;
6)清理现场。
(2)考核规定说明:
1)如操作违章或未按操作程序执行操作,将停止考核;
2)考核采用百分制,考核项目得分按鉴定比重进行折算。
(3)考核方式说明:该项目为实际操作(过程结果型),考核过程按评分标准及操作过程进行评分。
(4)测量技能说明:本项目主要测量考生对用兆欧表测量三相异步电动机绝缘电阻的熟练程度。
3、考核时限
(1)准备时间:1min(不计入考核时间)。
(2)正式操作时间:15min。
(3)提前完成操作不加分,到时停止操作考核。
4、评分记录表
附表
试题名称:用兆欧表测量三相异步电动机绝缘电阻考核时间:15min
五:T型连接单股导线
1、准备要求
(1)材料准备
序号名称规格数量备注
1绝缘胶带A级1卷
2单股铜芯线 6 mm2及以下1米
(2)工用具准备
序号名称规格数量备注
1电工刀1把
2钢丝钳1把
3尖嘴钳1把
4剥线钳1把
2、操作考核规定及说明
(1)操作程序说明:
1)准备工作;
2)剖削导线绝缘层;
3)连接导线;
4)恢复绝缘层;
5)清理现场。
(2)考核规定说明:
1)如操作违章或未按操作程序执行操作,将停止考核;
2)考核采用百分制,考核项目得分按鉴定比重进行折算。
(3)考核方式说明:该项目为实际操作(过程型),考核过程按评分标准及操作过程进行评分。
(4)测量技能说明:本项目主要测量考生对直线连接多股导线的熟练程度。
3、考核时限
(1)准备时间:1min(不计入考核时间)。
(2)正式操作时间:15min。
(3)提前完成操作不加分,到时停止操作考核。
4、评分记录表
试题名称:T型连接多股导线考核时间:15min。