维修电工中级操作技能考核试卷概要
- 格式:doc
- 大小:138.00 KB
- 文档页数:6
国家职业技能鉴定统一试卷中级维修电工技能考试说明(0903122-003)1.本试卷组卷目的是用于中级维修电工国家职业技能鉴定。
本试卷适用于使用电工工具和仪器、仪表,对设备电气部分(含机电一体化)进行安装、调试、维修的人员,本试卷所考核的内容无地域限制。
2.本试卷整体试题(项目)共有4题。
其中安装、调试操作技能1题,故障分析、修复及设备检修技能1题,工具、仪器、仪表的使用与维护技能1题,安全文明生产1题。
3.本试卷整体考核时间共计340分钟。
4.其它主要特点说明:(1)本试卷试题的考核要求、评分标准、配分、扣分、得分和现场记录均以表格的形式表示,各项试题配分累计为100分。
(2)技能考试中的笔试部分主要是绘图和在故障排除试题中用笔在图纸上标出故障的范围。
(3)技能试卷中工具、设备的使用与维护第2小题和安全文明生产试题,贯穿于整个技能考试中。
(4)技能试卷中各项技能考试时间均不包括准备时间,准备通知书中的考试时间也是如此。
在具体的考试中,各鉴定单位一定要把每一试题的考试准备时间考虑进去。
(5)维修电工国家职业技能鉴定统一技能试卷每一道试题必须在规定的时间内完成,不得延时;在某一试题考试中节余的时间不能在另一试题考试中使用。
中级维修电工技能考试说明0903122-003 第1页共1页国家职业技能鉴定统一试卷中级维修电工技能考试组卷计划书(0903122-003)一、说明1.本试卷组卷目的是用于中级维修电工国家职业技能鉴定。
本试卷适用于使用电工工具和仪器、仪表,对设备电气部分(含机电一体化)进行安装、调试、维修的人员,本试卷所考核的内容无地域限制。
2.本试卷整体试题(项目)共有4题。
其中安装、调试操作技能1题,故障分析、修复及设备检修技能1题,工具、仪器、仪表的使用与维护技能1题,安全文明生产1题。
3.本试卷整体考核时间共计340分钟。
4.其它主要特点说明:(1)本试卷试题的考核要求、评分标准、配分、扣分、得分和现场记录均以表格的形式表示,各项试题配分累计为100分。
维修电工中级操作技能考核试卷注意事项一、本试卷依据2009年颁布的《维修电工》国家职业标准命制。
二、请根据试题考核要求,完成考试内容。
三、请服从考评人员指挥,保证考核安全顺利进行。
试题1、三相异步电动机双重联锁正反转启动能耗制动控制电路的安装与调试(1)考试时间:120分钟(2)考核方式:实操+笔试(3)本题分值:35分(4)具体考核要求:按照电气安装规范,依据图1.1.5-3正确完成三相异步电动机双重联锁正反转启动能耗制动控制电路的安装、接线和调试。
图L1.5-3笔试部分:(1)正确识读给定的电路图;写出下列图形文字符号的名称。
QS( );FUl( );KMl( );KT( );SBl( )。
(2)正确使用工具;简述电工刀使用注意事项。
答:(3)正确使用仪表;简述指针式万用表电阻挡的使用方法。
答:(4)安全文明生产,回答触电事故主要有那两类?答:操部作分:(5)按照电气安装规范,依据图LL5-3正确完成三相异步电动机双重联锁正反转启动能耗制动控制线路的安装和接线;(6)通电试运行。
试题2、三相交流异步电动机变频器控制装调(1)考试时间:60分钟(2)考核方式:实操+笔试(3)本题分值:35分(4)具体考核要求:依据图2.2.1-2的控制要求,绘制三相异步电动机的变频器控制线路图;按照电气安装规范,正确完成变频调速线路的安装、接线和调试。
按下启动按钮后,电动机按照图2.2.1-2要求运行。
工作方式设置:手动时,按下手动启动按钮,完成一次工作过程;自动时,按下自动按钮,能够重复循环工作过程。
有必要的电气保护环节。
图2.2.1-2笔试部分:(1)依据控制要求,在答题纸上正确绘制三相异步电动机的变频器控制线路图,并正确设置变频器参数。
(2)正确使用工具;简述电烙铁使用注意事项。
答:(3)正确使用仪表;简述指针式万用表电阻挡的使用方法。
答:(4)安全文明生产,回答在室外地面高压设备四周的围栏上悬挂什么内容的标示牌?答:操部作分:(5)按照电气安装规范,依据绘制的三相异步电动机变频器控制线路图,正确完成变频调速线路的安装和接线;(6)正确设置变频器的参数;(7)通电试运行。
中级电工实操试题一、安装单相三极及三相四极插座二、安装白炽灯照明电路三、用数字式万用表测量交、直流电压四、用兆欧表测量三相异步电动机绝缘电阻五:T型连接单股导线一:安装单相三极及三相四极插座1、准备要求(1)设备准备(2)材料准备(2(1)操作程序说明:1)安装电路;2)清理现场;3)安全文明操作。
(2)考核规定说明:1)如操作违章或未按操作程序执行操作,将停止考核;2)考核采用百分制,考核项目得分按鉴定比重进行折算。
(3)考核方式说明:该项目为实际操作(结果型),考核过程按评分标准及操作过程进行评分。
(4)测量技能说明:本项目主要测量考生对安装单相三极及三相四极插座的熟练程度。
3、考核时限(1)准备时间:1min(不计入考核时间)。
(2)正式操作时间:10min。
(3)提前完成操作不加分,到时停止操作考核。
4、评分记录表附图单相三极及三相四极插座试题名称:安装单相三极及三相四极插座考核时间:10min 序号考核内容评分要素配分评分标准检测结果扣分得分备注1 安装电路安装单相三极插座51相线位置接错扣6分零线位置接错扣6分地线位置接错扣6分相线颜色选错扣6分零线颜色选错扣6分地线颜色选错扣6分接点松动、露铜过长、压绝缘层每处扣1分(最多扣5分)损坏元件扣10分安装三相四级插座49相线位置接错扣6分零线位置接错扣6分相线颜色选错一处扣5分零线颜色选错扣6分接点松动、露铜过长、压绝缘层每处扣1分(最多扣6分)损坏元件扣10分2清理现场清理现场未清理现场从总分中扣5分3安全文明操作按国家或企业颁发有关安全规定执行操作每违反一项规定从总分中扣5分,严重违规取消考核4 考核时限在规定时间内完成到时停止操作考核合计100二:安装白炽灯照明电路(两只开关两地控制一盏灯)1、准备要求 (1)设备准备(2)材料准备(3)工用具准备(1)操作程序说明: 1)安装电路; 2)通电试验; 3)安全文明操作。
(2)考核规定说明:1)如操作违章或未按操作程序执行操作,将停止考核; 2)考核采用百分制,考核项目得分按鉴定比重进行折算。
维修电工中级操作技能考核试卷维修电工中级操作技能考核试卷考件编号:_______ 姓名:________ 准考证号:________ 单位:___________试题1、安装和调试三相异步电动机正反转运行手动控制线路及通电运行(给定电机)总分60分,考核时间60分钟。
试题2、三相异步电动机的拆装、检测总分40分,考核时间60分钟。
维修电工中级操作技能考核准备通知单(考生)姓名:_________ 准考证号:______________ 单位:___________试题1、安装和调试三相异步电动机正反转运行手动控制线路及通电运行(给定电机)(由考场准备)根据考核题图,在规定的时间内完成控制电路的接线、调试,达到考核题规定的要求。
试题2、三相异步电动机的拆装、检测(由考场准备)根据考核要求,在规定的时间内完成电动机的拆装、调试,达到考核题规定的要求。
维修电工中级操作技能考核准备通知单(考场)试题1、安装和调试三相异步电动机正反转运行手动控制线路及通电运行(给定电机)1.电工工具1套2.电机1个3.导线若干4.检测仪器1套5.正反转运行手动控制线路图试题2、三相异步电动机的拆装、检测1.电机1个2.电工工具1套3.导线若干4.检测仪器1套5.其他必要的器材若干维修电工中级操作技能考核试卷考件编号:_______ 姓名:________ 准考证号:________ 单位:___________总成绩表序号试题名称配分(权重)得分备注1 安装和调试三相异步电动机正反转运行手动控制线路及通电运行(给定电机) 602 三相异步电动机的拆装、检测 40合计 100统分人:年月日维修电工中级操作技能考核评分记录表考件编号:_______ 姓名:________ 准考证号:________ 单位:___________试题1、安装和调试三相异步电动机正反转运行手动控制线路及通电运行(给定电机)完成题操作时间为60分钟,每超出1分钟从本题中扣1%,操作超过10分钟,本题为零分。
职业技能鉴定国家题库维修电工中级理论知识试卷注意事项 1、本试卷依据2001年颁布的《维修电工》国家职业标准命制, 考试时间:90分钟。
2、请在试卷标封处填写姓名、准考证号和所在单位的名称。
3、请仔细阅读答题要求,在规定位置填写答案。
一、单项选择题 (第 1题~第 80题。
选择一个正确的答案,将相应的字母填入题内的括号中。
每题 1分,满分 80分。
1.在商业活动中,不符合待人热情要求的是 ( 。
A 、严肃待客,表情冷漠B 、主动服务,细致周到C 、微笑大方,不厌其烦D 、亲切友好,宾至如归 2.市场经济条件下, ( 不违反职业道德规范中关于诚实守信的要求。
A 、通过诚实合法劳动,实现利益最大化B 、打进对手内部,增强竞争优势C 、根据服务对象来决定是否遵守承诺D 、凡有利于增大企业利益的行为就做 3.电路的作用是实现 ( 的传输和转换、信号的传递和处理。
A 、能量 B 、电流 C 、电压 D 、电能 4. ( 的一端连在电路中的一点,另一端也同时连在另一点,使每个电阻两端都承受相同的电压,这种联结方式叫电阻的并联。
A 、两个相同电阻 B 、一大一小电阻C 、几个相同大小的电阻 D 、几个电阻 5.电流流过负载时,负载将电能转换成 ( 。
A 、机械能B 、热能C 、光能D 、其他形式的能 6.变压器具有改变 ( 的作用。
A 、交变电压B 、交变电流C 、变换阻抗D 、以上都是 7.当ωt=360°时,i 1、i 2、i 3分别为 ( 。
A 、负值、正值、 0 B 、 0、正值、负值 C 、负值、 0、正值 D 、0、负值、正值 8.按钮联锁正反转控制线路的优点是操作方便,缺点是容易产生电源两相 ( 事故。
A 、断路 B 、短路 C 、过载 D 、失压9. ( 测量前应清理干净,并将两量爪合并,检查游标卡尺的精度情况。
A 、卷尺B 、游标卡尺C 、钢直尺D 、千分尺10.电压表的内阻 ( 被测负载的电阻。
试题1、"安装和调试断电延时带直流能耗制动的Y-△启动的控制电路考核要求:(1)按图纸的要求进行正确熟练地安装;元件在配线板上布置要合理,安装要正确、紧固,布线要求横平竖直,应尽量避免交叉跨越,接线紧固、美观。
正确使用工具和仪表。
(2)按钮盒不固定在板上,电源和电动机配线、按钮接线要接到端子排上,要注明引出端子标号。
(3)安全xx操作。
(4)注意事项:满分40分,考试时间240分钟。
试题2、"检修并励直流电动机正反转启动和反接制动控制电路考核要求:(1)从设故障开始,考评员不得进行提示。
(2)根据故障现象,在电气控制线路图上分析故障可能产生的原因,确定故障发生的范围。
(3)排除故障过程中如果扩大故障,在规定时间内可以继续排除故障。
(4)正确使用工具和仪表。
(5)考核注意事项:①满分40分,考试时间45分钟。
②在考核过程中,要注意安全。
否定项:故障检修得分未达20分,本次鉴定操作考核视为不通过。
试题3、"用三相功率表测量三相有功功率考核要求:(1)按要求正确接线,测量三相笼型异步电动机消耗的功率。
(2)考核注意事项:满分10分,考核时间30分钟。
否定项:不能损坏仪器、仪表,损坏仪器、仪表扣10分。
试题4、"在各项技能考核中,要遵守安全文明生产的有关规定考核要求:(1)劳动保护用品穿戴整齐。
(2)电工工具佩带xx。
(3)遵守操作规程。
(4 )尊重考评员,讲文明礼貌。
(5)考试结束要清理现场。
(6)遵守考场纪律,不能出现重大事故。
(7)考核注意事项:①本项目满分10分。
②安全文明生产贯穿于整个技能鉴定的全过程。
③考生在不同的技能试题中,违犯安全文明生产考核要求同一项内容的,要累计扣分。
否定项:出现严重违犯考场纪律或发生重大事故,本次技能考核视为不合格。
机械行业特有工种职业技能鉴定统一试卷机电维修电工中级工技能测试试卷及评分标准A注 意 事 项1. 请首先按要求在试卷的标封处填写您的姓需、准号证号和所在单位的名称。
2. 请仔细阅读各种题目的回答要求,在规泄的位置填写您的答案。
3. 请用蓝(或黑色)钢笔、圆珠笔答卷;不要在试卷内填写与答题无关的内容。
4.本试卷满分为100分,考试时间为180分钟。
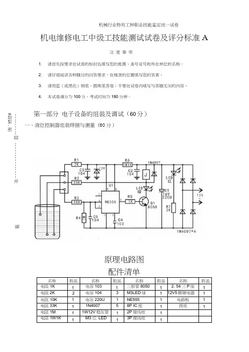
第一部分 电子设备的组装及调试(60分)一、液位控制器组装焊接与测量(60分)原理电路图配件清单名称数虽 名称 数虽 名称 数虽名称 数虽 电阻1K 1 电容103 1 三极管8050 12. 54三P 座1 电阻2K2 电容1043 M3LED 绿 1 12V5脚继电器1 电阻10K 1 电容220U 1 NE555 1电路板 1 电阻33K 1 1N4007 5 8P IC 座 1图纸 1电阻1M 1 1W12V 稳压管 1 2P 接线柱 1电阻1W1K1M3 红 LED13P 接线柱1--------- 綜--------------- 并#如犁.密评分标准:所有数据以考评员在电路安装正确的前提下实测±10%内得分1、元器件识別及检测:学生能独立挑选识别元器件淸单列出的元器件,在开考15分钟后发现元器件损坏的按自己烧坏扣分。
(配分15分)2、整机装配:严格按照无线电设备装接工艺组装焊接,元器件整形美观整齐,布局合理规范,焊点明亮光滑, 没有安装错误,没有脱焊连焊。
(配分20分,每个错误减2分,每个工艺差点减1分不得负分)3、性能测试根据测试填写水位变化后电路发生的相关逻辑功能。
(配分15分)1I載3. 文明安全生产。
第二部分 电工仪表的使用及电气设备测试(40分)一、原理图1. 〔2.按给定电气原理图,选择元件接线,布局合理正确使用行线槽布线(仅接控制电路)O 正确使用万用表,摇表及钳形表等电工具及仪表,测得相关数据填写在下表中(4分)电动机线圈电阻交流接触器线圈电阻I二、 备料单如图:接触器3个,热继电器1个,熔断器5个,3联按钮1个软线布线行线槽米, 软线20米,线号管1米,25MM 自攻钉50支,15MM 20支,绝缘胶布1卷,优质焊锡丝3心 三^考核内容:三相电动机控制接线配分、评分标准:评分人: 核分人:。
中级维修电工操作技能考核试卷
单位__________________准考证号___________姓名_________得分__________
试题:安装和调试三相异步电动机接触器连锁正反转控制线路
考核要求:
1、按图纸的要求进行正确熟练地安装;元件在配线板上布置要合理,安装要正确、紧固,布线要求横平竖直,应尽量避免交叉跨越,接线紧固、美观。
正确使用工具和仪表。
2、按钮盒不固定在板上,电源和电动机配线、按钮接线要接到端子排上。
3、注意事项:
⑴满分100分,考试时间150分钟。
⑵在考核过程中,要注意安全。
评分标准
考评员:___________________
考核时间:_________________。
职业技能鉴定操作技能考核试卷(七)
维修电工(中级工)
一、考核项目及内容:使用脚扣蹬木质电杆
(一)测量模块
1、考试要求
(1)按照规定确认工作内容及杆号,检查电杆、脚扣、安全帽、安全带,扣结安全带,蹬杆, 蹬杆到施工位置时,两脚扣交叉,下杆。
(2)必须穿戴劳动保护用品。
(3)必备的工具、用具应准备齐全。
(4)正确使用工具、用具。
(5)符合安全文明生产。
2、考试时限
(1)准备时间:10min。
(2)操作时间:60min。
从正式操作开始计时。
考试时,提前完成操作不加分,超过规定操作时间按规定标准评分。
(二)考试试题
1、使用脚扣蹬木质电杆
1)准备要求
(1)设备准备
(2)工具准备
2)操作考试的规定说明
(1)如操作违章,将停止考试。
(2)考试采用100分制,然后按鉴定比重折算。
(3)具体考试要求同鉴定点。
(4)考试时限同测量模块。
(5)配分与评分标准同测量模块。
二、配分与评分标准
维修电工实操考核表(初级工)
考生姓名:单位:得分:
考评组长:2014
考评员:A:B:C:12014安全监护:督导:2014
年月日。
中级维修电工技能操作考核评分记录表考件编号姓名考号
注:每项扣分不得超过该项配分。
1、本项目的满分60分。
2、本项目的考核时间为180分钟。
评分人:年月日核分人:年月日
中级维修电工试题二技能考核评分记录表考件编号姓名考号
第二题:X62W万能铣床故障检修
2、本项目的考核时间为15分钟
3、在本项目考核中,现场应有2名考评员,其中1人任现场监护
评分人:年月日核分人:年月日
200 级维修电工试卷 A
考件编号姓名考号
**一、试题:
安装Y-△降压启动控制线路电路的安装与调试
二、考核要求:
1、本项目的满分为60分。
2、本项目的考核时间为180分钟。
3、采用板前明布线的方法进行安装。
200 级维修电工备料通知单 A
2、本项目的考核时间为180分钟。
3、采用板前明布线的方法进行安装。
试卷C
一
中级维修电工技能竞赛操作试卷 D 考件编号姓名考号
一、试题:
安装时间继电器双速电动机控制电路
二、考核要求:
1、本项目的满分为60分。
2、本项目的考核时间为180分钟。
3、采用板前明布线的方法进行安装。
中级维修电工实操试题及评分标准一、试题1. 综合布线(1) 带电作业时,应注意什么问题?(2) 请根据现场实际情况进行综合布线,包括走线、桥架、插座等设备的选型和数量计算。
2. 电气控制回路(1) 某一控制柜有多个按键和指示灯,请根据要求连线。
(2) 当 PLC 输出 DO 点的状态变化时,执行器驱动方案应该如何设计?3. 三相交流电机(1) 写出三相异步电动机常见故障及处理方法。
(2) 请根据实际情况进行电机的接线,包括启动电路、制动电路、三相交流电动机的正反转等。
4. 避雷与接地(1) 雷电天气时,应该采取哪些措施保证人身安全?(2) 制定某建筑物的接地方案。
二、评分标准1. 综合布线试题评分标准(1) 注意事项得分 10 分,具体细节要求得分 30 分。
(2) 设备选型及数量计算得分 60 分,有误差的扣分,差距大的直接0 分。
2. 电气控制回路试题评分标准(1) 连线得分 40 分,未连好的直接 0 分。
(2) 执行器驱动方案设计得分 60 分,有严重问题直接 0 分。
3. 三相交流电机试题评分标准(1) 常见故障及处理方法得分 30 分,具体措施得分 30 分。
(2) 电机接线得分 40 分,有误差的扣分,差距大的直接 0 分。
4. 避雷与接地试题评分标准(1) 雷电天气措施得分 20 分,具体要求得分 30 分。
(2) 接地方案设计得分 50 分,有严重问题直接 0 分。
总分 400 分,分数越高的考生表现越出色。
三、总结此次实操试题根据中级维修电工的职业要求,考查了综合布线、电气控制回路、三相交流电机、避雷与接地四个方面的知识,试题总量合适、难度适中。
评分标准设置合理,考虑了细节和综合能力的要求,能够准确地反映出应试者的水平。
希望考生们认真复习,充分准备,顺利通过考试。
1、17 划为二进制数为()(A)10001 (B)10101 (C)10111 (D)100102、判断通电导体或通电线圈产生磁场的方向是用()(A )左手定则(B)右手螺旋定则C)右手定则(D )楞次定律3、描述磁场中各点磁场强弱和方向的物理量是()(A)磁通(B)磁感应强度C)磁场强度(D )磁通密度4、兆欧表又称摇表,是一种专门用来测量()的便携式仪表(A )直流电阻(B )绝缘电阻C)中值电阻(D)小电阻5、变压器短路试验时,如果在高压边加额定电压,副边短路,则变压器()(A)原绕组中的电流很大(B)副绕组的电流很大(C)原副绕组的电流都很大(D)原绕组中的电流很大,副绕组的电流过小6、当变压器原边电源电压增大时,则()。
(A)铁损耗都增大(B)铁损耗为零(C)铁损耗都不变(D)铁损耗都减小7、在变压器绕组匝数、电源电压及频率一定的情况下,将变压器的铁芯截面积减小,则铁心中的主磁通()。
(A)增大(B)减小C)不变(D)倍增8、当变压器带电容性负载运行时,其电压调整率厶U%()。
(A)大于零(B)等于零C)小于零(D)大于19、要使电流表量程扩大n倍,所并联的分流电阻应是测量机构内阻的()。
(A)1/(n-1)(B)n-1 C)1/(n+1)(D)n+110、两台容量相同变压器并联运行时,出现负载分配不匀的原因是()。
(A )阻抗电压不相等(B)连接组标号不同(C)电压比不相等(D)变压比不相等11、在测定变压器线圈电阻时,如发现其电阻值比上次测定(换算温度时)的数值下降()时,应做绝缘油试验。
(A)10%-20% (B)20%-30% C)30%-40%(D)30%-50%12、变压器吊芯检修时,当空气相对湿度不超过65%,芯子暴露在空气中的时间不许超过()。
(A)16h (B)24h C)48h(D)18h 13、由于直流电机受到换向条件的限制,一般直流电机中允许通过的最大电流不应超过额定电流的( )。
试题1、电冰箱充注制冷剂的操作(1)本题分值:80分。
(2)考核时间:120min。
(3)考核形式:实际操作。
(4)具体考核要求:a) 能够根据电冰箱不制冷的现象判断制冷剂的多少。
b) 正确掌握焊接方法连接修理阀和焊接设备。
c) 能够对电冰箱进行制冷剂充注操作。
并根据充注过程中压力、温度、压缩机运转电流等诸多参数的变化情况,确定合适的充注量。
d) 充注完毕正确进行封离修理管的操作。
e) 充注中要注意安全操作,正确使用测量仪器仪表。
f) 否定项说明:若考生发生下列情况之一,则应及时终止考试,考生该试题成绩计为零分。
1. 带电情况下拆卸电冰箱制冷系统元件。
2. 因安全防护措施不当造成电冰箱制冷系统元件或检测仪表损坏。
3. 因操作不当引发燃爆事故或其他安全事故。
4. 在规定考核时间内不能正确排除故障。
试题2、电暖气石英管发热元件更换(1)本题分值:20分(2)考核时间:30min(3)考核形式:实际操作(4)具体考核要求:a)熟悉远红外石英管式电暖气控制电路的工作原理、电路元器件的检测方法。
b)了解石英管发热元件工作原理和它的性能检测判定方法。
c)掌握远红外石英管式电暖气电路总体结构的正确拆卸和安装方法。
d)更换石英管发热元件注意安全操作。
e)否定项说明:若考生发生下列情况之一,则应及时终止考试,考生该试题成绩计为零分。
1.带电情况下拆卸远红外石英管式电暖气零部件。
2.因安全防护措施不当造成检测仪表损坏。
3.不能根据故障现象在规定时间内正确判断故障部位使电风扇正常运行。
中级维修电工技能操作考核评分记录表考件编号姓名考号**试题一:继电---接触式控制线路的安装与调试序 主要 号 内容考核要求评分标准扣得 配分分分1、因元件质量问题影响通电成功,每次扣1、元件的质量检查2分2、正确利用工具和仪表,2、元件布置不整齐、不匀称、不合理,每元件 熟练地安装电气元器件1只扣 1 分10 分安装 3、元件在配电板上布置要3、元件安装不牢固、安装元件时漏装螺钉,合理,安装要准确、紧固每只扣 0.5 分4、按钮盒不固定在板上4、损坏元件每只扣 2 分1、未按电气原理图接线扣 5 分1、按图安装接线2、主电路和控制电线色不分扣 2 分2、线路敷设整齐、横平竖 3、线路敷设交叉、跨接每处扣 1 分线路2直、不交叉、不跨接4、线路敷设不整齐,不美观扣 5 分20 分敷设3、导线压接紧固、规范、 4、接点松动、漏铜过长、压绝缘层、反圈不伤线芯等,每个接点扣 0.5 分5、损伤导线绝缘或线芯,每根扣 0.5 分1、 正确整定热继电器整定 1、 热继电器和时间继电器未整定或整定值和时间整定值通电32、 正确选配熔体试车3、 通电一次成功错误扣 2 分 2、 错配熔体扣 1 分 3、一次通电不成功扣 15 分;两次通电不4、 安全文明操作成功扣 20 分30 分1、劳保用品穿戴整齐1、 各项考试中,违反安全文明生产考核要求的任2、电工工具佩戴齐全何一项扣 2 分,扣完为止安全3、遵守操作规程2、 考生在不同的技能试题中,违反安全文明生产4 文明4、尊重考评员,讲文明礼考核要求同一项内容的,要累计扣分生产貌当考评员发现考生有重大事故隐患时,要立即5、考场结束要清理现场予以制止,并每次扣考生安全文明生产总分 5 分备合计 60 分注考评员签字:年月日注:每项扣分不得超过该项配分。
1、本项目的满分 60 分。
2、本项目的考核时间为 180 分钟。
评分人:年月日核分人:年月日1中级维修电工试题二技能考核评分记录表考件编号姓名考号第二题:X62W 万能铣床故障检修序号 主要内容考核要求评分标准配分 扣分 得分调查 对每个故障现象进行1排除故障钱不进行调查研究,扣 2 分2研究 调查研究1.错标或标不出故障范围,每个故障在电气控制线路图上4故障点扣 2 分2分析故障可能的原因,分析2.不能标出最小的故障范围,每个故思路正确4障点扣 2 分1.实际排除故障中思路不清楚,每个6正确使用工具和仪表, 故障点扣 3 分故障3找出故障点并排除故 2.每少查出一处故障点扣 3 分6排除障3.每少排出一处故障点扣 5 分10排除故障方法不正确,每处扣 4 分81. 排除故障时,产生新的故障操作有误,要从此项4其他总分中扣分后不能自行修复,每个扣 10 分;已经修复,每个扣 5 分2. 损坏电动机扣 10 分备注考评员签字:合计年月日注:每项扣分不得超过该项配分。
维修电工等级鉴定中级电工实操试题一、维修电工实操试题简介维修电工是指拥有一定电气知识和技能,能够安全维修和保养电气设备的专业人员。
为了准确评估维修电工的实际操作能力,维修电工等级鉴定考试中,通常设置实操试题。
本文将针对维修电工等级鉴定中级电工实操试题进行论述。
二、电气故障排除试题1. 试题描述:某企业的一台电动机在运行中突然停机,试题要求考生根据电动机突然停机的现象,分析可能的故障原因,并给出相应的排除方法。
2. 解答要求:考生需要根据电动机突然停机的情况,通过检查电源供应、保护装置、电动机本体以及控制回路等方面,逐一排查可能存在的故障原因,并且提供相应的排除方法。
要求考生回答详细,思路清晰。
三、电气设备维修试题1. 试题描述:某建筑工地的临时用电线路出现故障,试题要求考生检查故障并进行维修。
故障现象为临时用电线路短路,考生需要定位故障点并修复。
2. 解答要求:考生需要首先了解临时用电线路的布线和连接情况,然后通过检查线路各部分,使用合适的工具和测试仪器,找出短路的具体位置,并采取相应的维修措施。
要求考生回答准确,操作规范。
四、电气设备保养试题1. 试题描述:某工厂的电气设备需要进行定期保养,试题要求考生制定一份可行的设备保养计划,并说明具体的保养措施。
2. 解答要求:考生需要根据设备的特点和使用情况,制定一份简明实用的设备保养计划,包括保养周期、保养内容、保养方法等。
保养措施要科学合理,操作规范。
要求考生回答详尽,且具有可操作性。
五、电气设备安装及接线试题1. 试题描述:某工程项目需要进行电气设备的安装和接线,试题要求考生根据给定的设备接线图,进行正确的设备安装和接线。
2. 解答要求:考生需要根据设备接线图和相关规范要求,正确安装设备并进行接线。
要求考生操作规范,接线正确,保证设备安装和接线的质量可靠。
六、维修电工实操试题总结维修电工等级鉴定中级电工实操试题是对电工维修人员综合实际操作能力的考核。
中级维修电工试题(五)一、选择填空(1分/空, 共60分)1、三相四线制供电系统中, 线电压指的是(A)。
A.两相线间的电压B.零对地电压C.相线与零线电压D.相线对地电压2、三相对称负载三角形联接于380V线电压的电源上, 其三个相电流均为10A, 功率因数为0.6, 则其无功功率应为(B)。
A.0.38千乏B.9.12千乏C.3800千乏D.3.08千乏3、三相对称负载三角形联接于380V线电压的电源上, 其三个相电流均为10A, 功率因数为0.6, 则其无功功率应为(B)。
A.0.38千乏B.9.12千乏C.3800千乏D.3.08千乏4、PLC较之于继电器控制系统, 主要特点是(C)发展起来的。
A.速度快B.编程简单C.高可靠性D.投资少5、一台三相变压器的联接组别为YN, d11, 其中的“11”表示变压器的低压边(B)电角度。
A.线电势相位超前高压边线电势相位330˚ B、线电势相位滞后高压边线电势相位330˚C.相电势相位超前高压边相电势相位30˚D.相电势相位滞后高压边相电势相位30˚6、“220、100W”的灯泡经一段导线接在220V电源上时, 它的实际功率为81W, 则导线上损耗的功率是(B)。
A.19WB.9WC.10WD.387、要扩大直流电压表的量程, 应采用(C)。
A.并联分流电阻 B、串联分流电阻 C、串联分压电阻 D、并联分压电阻8、一般万用表可直接测量(D)物理量。
A.有功功率B.无功功率C.电能D.音频电平9、手摇式兆欧表的测量机构, 通常是用(C)做成。
A.铁磁电动系B.电磁系比率表C.磁电系比率表D.电动系比率表10、当检修继电器发现触头接触部分磨损到银或银基合金触头厚度的(D)时, 应更换新触头。
A.1/3B.2/3C.1/4D.3/411.晶体三极管要处于放大状态必须满足(A)。
A.发射结集电结构正偏 B、发射结集电结均反偏C.发射结正偏集电结反偏D.发射结及偏集电结正偏12.如图所示正弦交流电的角频率为(C)rad/s。