中级电工实操题
- 格式:pdf
- 大小:4.22 MB
- 文档页数:38
【下载本文档,可以自由复制内容或自由编辑修改内容,更多精彩文章,期待你的好评和关注,我将一如既往为您服务】中级电工职业技能鉴定电气排故考核要求一、考核内容:车床电气控制线路故障检查及排除。
根据故障难易程度设置故障点2~4个。
二、考核时间1、正式操作时间:60分钟。
根据给定的设备和仪器仪表,在规定时间内完成故障排除工作,达到考试规定的要求。
2、规定时间内完成,不加分,超时每分钟扣1分,超过10min应停止操作并扣10分。
三、考核要求:1、观察故障现象,填写入答题卷。
2、根据故障现象,简要分析可能引起故障的原因,填写入答题卷。
3、确定检修步骤,填写入答题卷。
或编写电气故障检修流程图。
4、能够依据检修工艺用万用表等工具进行检查,寻找故障点,将实际故障点填入答题卷。
5、制定处理故障的措施和方法,排除故障。
6、安全生产、文明操作。
中级电工职业技能鉴定电气排故评分细则1、维修电工中级工考核需3名以上考评员;2、按照完成的工作是否达到了全部和部分要求,由考评员按考核评分表中规定的评分点各自独立评分,取平均分为该生最终评定得分;3、满分为100分,60分为及格。
具体评分细则见附表。
中级电工职业技能鉴定电气控制电路故障检修考核评分表姓名:准考证号:考核柜号设置故障:(由考评员填写)车床故障号:铣床故障号:时间:40分钟考评员: 考评组长:中级电工职业技能鉴定电气控制电路故障检修试卷姓名 准考证号 考核柜号答题要求:故障现象叙述用简明的专业术语,从电动机转否、接触器吸否两方面说明。
从某分支线、某元件两方面进行:如7—SB2断,8断 型普通车床电气原理图车床故障: (1)故障现象: (2)列出可能的故障: (3)故障检修步骤 :(4)在原理图中标出确切的故障位置:断路用×,短路用连线连起来。
X62W 型万能铣床电气原理图铣床故障:(1)故障现象:(2)列出可能的故障:(3)故障检修步骤:(4)在原理图中标出确切的故障位置:断路用×,短路用连线连起来。
中级电工实操试题一、安装单相三极及三相四极插座二、安装白炽灯照明电路三、用数字式万用表测量交、直流电压四、用兆欧表测量三相异步电动机绝缘电阻五:T型连接单股导线一:安装单相三极及三相四极插座1、准备要求(1)设备准备(2)材料准备(2(1)操作程序说明:1)安装电路;2)清理现场;3)安全文明操作。
(2)考核规定说明:1)如操作违章或未按操作程序执行操作,将停止考核;2)考核采用百分制,考核项目得分按鉴定比重进行折算。
(3)考核方式说明:该项目为实际操作(结果型),考核过程按评分标准及操作过程进行评分。
(4)测量技能说明:本项目主要测量考生对安装单相三极及三相四极插座的熟练程度。
3、考核时限(1)准备时间:1min(不计入考核时间)。
(2)正式操作时间:10min。
(3)提前完成操作不加分,到时停止操作考核。
4、评分记录表附图单相三极及三相四极插座试题名称:安装单相三极及三相四极插座考核时间:10min 序号考核内容评分要素配分评分标准检测结果扣分得分备注1 安装电路安装单相三极插座51相线位置接错扣6分零线位置接错扣6分地线位置接错扣6分相线颜色选错扣6分零线颜色选错扣6分地线颜色选错扣6分接点松动、露铜过长、压绝缘层每处扣1分(最多扣5分)损坏元件扣10分安装三相四级插座49相线位置接错扣6分零线位置接错扣6分相线颜色选错一处扣5分零线颜色选错扣6分接点松动、露铜过长、压绝缘层每处扣1分(最多扣6分)损坏元件扣10分2清理现场清理现场未清理现场从总分中扣5分3安全文明操作按国家或企业颁发有关安全规定执行操作每违反一项规定从总分中扣5分,严重违规取消考核4 考核时限在规定时间内完成到时停止操作考核合计100二:安装白炽灯照明电路(两只开关两地控制一盏灯)1、准备要求 (1)设备准备(2)材料准备(3)工用具准备(1)操作程序说明: 1)安装电路; 2)通电试验; 3)安全文明操作。
(2)考核规定说明:1)如操作违章或未按操作程序执行操作,将停止考核; 2)考核采用百分制,考核项目得分按鉴定比重进行折算。
完美 WORD 格式中级维修电工技能操作考核评分记录表考件编号姓名考号**试题一:继电---接触式控制线路的安装与调试序 主要 号 内容考核要求评分标准扣得 配分分分1、因元件质量问题影响通电成功,每次扣1、元件的质量检查2分2、正确利用工具和仪表,2、元件布置不整齐、不匀称、不合理,每元件 熟练地安装电气元器件1只扣 1 分10 分安装 3、元件在配电板上布置要3、元件安装不牢固、安装元件时漏装螺钉,合理,安装要准确、紧固每只扣 0.5 分4、按钮盒不固定在板上4、损坏元件每只扣 2 分1、未按电气原理图接线扣 5 分1、按图安装接线2、主电路和控制电线色不分扣 2 分2、线路敷设整齐、横平竖 3、线路敷设交叉、跨接每处扣 1 分线路2直、不交叉、不跨接4、线路敷设不整齐,不美观扣 5 分20 分敷设3、导线压接紧固、规范、 4、接点松动、漏铜过长、压绝缘层、反圈不伤线芯等,每个接点扣 0.5 分5、损伤导线绝缘或线芯,每根扣 0.5 分1、 正确整定热继电器整定 1、 热继电器和时间继电器未整定或整定值和时间整定值通电32、 正确选配熔体试车3、 通电一次成功错误扣 2 分 2、 错配熔体扣 1 分 3、一次通电不成功扣 15 分;两次通电不成30 分4、 安全文明操作功扣 20 分1、劳保用品穿戴整齐1、 各项考试中,违反安全文明生产考核要求的任2、电工工具佩戴齐全何一项扣 2 分,扣完为止安全3、遵守操作规程2、 考生在不同的技能试题中,违反安全文明生产4 文明4、尊重考评员,讲文明礼考核要求同一项内容的,要累计扣分生产貌当考评员发现考生有重大事故隐患时,要立即5、考场结束要清理现场予以制止,并每次扣考生安全文明生产总分 5 分备合计 60 分注考评员签字:年月日注:每项扣分不得超过该项配分。
1、本项目的满分 60 分。
2、本项目的考核时间为 180 分钟。
评分人:年月日核分人:年月日专业整理 知识分享完美 WORD 格式中级维修电工试题二技能考核评分记录表考件编号姓名考号第二题:X62W 万能铣床故障检修序号 主要内容考核要求评分标准配分 扣分 得分调查 对每个故障现象进行1排除故障钱不进行调查研究,扣 2 分2研究 调查研究1.错标或标不出故障范围,每个故障点在电气控制线路图上4故障扣2分2分析故障可能的原因,分析2.不能标出最小的故障范围,每个故障思路正确4点扣 2 分1.实际排除故障中思路不清楚,每个故6正确使用工具和仪表, 障点扣 3 分故障3找出故障点并排除故 2.每少查出一处故障点扣 3 分6排除障3.每少排出一处故障点扣 5 分10排除故障方法不正确,每处扣 4 分81. 排除故障时,产生新的故障后操作有误,要从此项总4其他分中扣分不能自行修复,每个扣 10 分; 已经修复,每个扣 5 分2. 损坏电动机扣 10 分备注考评员签字:合计年月日注:每项扣分不得超过该项配分。
试卷编号:A贵州职业技能鉴定汽车维修电工(中级)实操试卷姓名准考证号考试日期年月日试题一试题名称:测量晶体管的特性考核时间:25分钟配分比例:20%注意事项:1.考核时限到,应即时停止操作,否则相应扣分。
2.未能完成作业者可按其完成工作量的比例评分,完全不懂操作者无分。
3、安全文明生产和操作事故列入评分表中的评分项目。
贵州职业技能鉴定汽车维修电工(中级)实操评分表试题一姓名准考证号考试日期年月日考核时间: 25分钟开考时间:时分交卷时间:时分监考人:评卷人:得分:(注):1.考核时限到,应即时停止操作,否则相应扣分。
2.未能完成作业者可按其完成工作量的比例评分,完全不懂操作者无分。
3.评分时,考评员应在对应的扣分项下方用笔划上记号,以示该项扣分。
贵州职业技能鉴定汽车维修电工(中级)实操考场准备单试题一----------------------------------------------------------- 试卷编号:A贵州职业技能鉴定汽车维修电工(中级)实操考生准备单试题一试卷编号:A贵州职业技能鉴定汽车维修电工(中级)实操试卷姓名准考证号考试日期年月日试题三试题名称:检修硅整流发电机考核时间:20分钟配分比例:25%注意事项:1.考核时限到,应即时停止操作,否则相应扣分。
2.未能完成作业者可按其完成工作量的比例评分,完全不懂操作者无分。
3、安全文明生产和操作事故列入评分表中的评分项目。
试卷编号:A贵州职业技能鉴定汽车维修电工(中级)实操评分表试题三姓名准考证号考试日期年月日考核时间: 20分钟开考时间:时分交卷时间:时分监考人:评卷人:得分:(注):1.考核时限到,应即时停止操作,否则相应扣分。
2.未能完成作业者可按其完成工作量的比例评分,完全不懂操作者无分。
3.评分时,考评员应在对应的扣分项下方用笔划上记号,以示该项扣分。
试卷编号:A贵州职业技能鉴定汽车维修电工(中级)实操考场准备单试题三----------------------------------------------------------- 试卷编号:A贵州职业技能鉴定汽车维修电工(中级)实操考生准备单试题三试卷编号:B贵州职业技能鉴定汽车维修电工(中级)实操试卷姓名准考证号考试日期年月日试题一试题名称:识别和检测常用电器元器件考核时间:15分钟配分比例:20%注意事项:1.考核时限到,应即时停止操作,否则相应扣分。
连接行走小车电路实际操作打分表
说明:1、根据普通电葫芦行走小车原理,通过正确的接线使电机能实现正反转,系统中必须接入小车前后撞停行程开关,当前进位行程开关有信号时,电机不能正转但可以反转,同理当后退位行程开关有信号时,电机只能正转,不能反转。
2、系统必须带有急停功能。
使用变频器启动变频电机操作打分表
1
2、根据电机功率正确选择合适的导线线径及颜色并连接好全系统。
3、系统必须带有急停功能。
4、系统具有备妥、运行、停止、故障,指示灯
使用软启动器启动变频电机操作打分表
1
2、根据电机功率正确选择合适的导线并连接好全系统。
3、系统必须带有急停功能。
4、系统具有备妥、运行、停止、故障,指示灯。
本套试卷为电工精选题库,总共200道题!题目几乎覆盖电工常考的知识点。
题库说明:本套电工题库包含(单项选择题100道,判断题100道)一、单选题(共计100题,每题1分)1.变压器分( )两种,一般均制成三相变压器以直接满足输配电的要求。
A.单相和三相B.二相和三相C.四相和三相D.五相和三相答案:A2. 小电流真空灭弧室一般选用( )触头。
A.园盘形B.横向磁场C.纵向磁场答案:A3. 对于KYN错错800-10型高压开关柜,当( )时,小车可以由定位状态转变为移动状态。
A.断路器处于合闸状态B.断路器处于断开状态C.接地开关摇把未拔出答案:B4. dx系列电流型信号继电器是与其它元件( )在电路中工作。
A.串联B.并联C.串联或并联答案:A5. 热继电器的整定电流为电动机额定电流的( )%。
A.120B.100C.130答案:B6. 操作票填写要严格按倒闸操作原则,根据电气主接线和( )及操作任务和操作中的要求进行,操作步骤要绝对正确,不能遗漏。
A.工作状态B.设备状况C.接地方式D.运行方式答案:D7. 1D5-cosφ型功率因数表,标尺的右半部表示( )的功率因数。
A.滞后感性B.超前感性C.超前容性D.滞后容性答案:A8. 非自动切换电器是依靠( )直接操作来进行工作的。
A.电动B.外力(如手控)C.感应答案:B9. ( )变压器是指铁芯和绕组不浸渍在绝缘液体中的变压器。
A.卷铁芯B.油浸C.干式D.非晶合金答案:C10. 测量绝缘电阻的仪表是( )A.接地摇表B.摇表C.万用表D.钳形电流表答案:B11. 电压继电器使用时其吸引线圈直接或通过电压互感器( )在被控电路中。
A.并联B.串联C.串联或并联答案:A12. 过渡时间T,从控制或扰动作用于系统开始,到被控制量n进入( )稳定值区间为止的时间称做过渡时间。
A. 2B. 5C.10D.15答案:B13. 沟通高压真空触摸器广泛应用于( )等领域电气设备的操控。
本套试卷为电工精选题库,总共500道题!题目几乎覆盖电工常考的知识点。
题库说明:本套电工题库包含(选择题300道,多选题100道,判断题100道)一、单选题(共计300题,每题1分)1.电动机( )作为电动机磁通的通路,要求材料有良好的导磁性能。
A.端盖B.机座C.定子铁芯答案:C2. 如果在某线圈中放入铁磁性材料,该线圈的自感系数将会( )。
A.不变B.显著增大C.显著减小D.稍减小答案:B3. 在同杠架设的多层电力线路上挂接地线时应( )A.先挂低压,后挂高压B.先挂高压,后挂低压C.不分先后D.不需挂接地线答案:A4. 对带有接地闸刀的高压开关柜必须在主闸刀( )的情况下才能闭合接地闸刀。
A.合闸B.分闸C.操作时答案:B5. 各点磁感应强度相同的是( )。
A.地球同经度线各点B.地球同纬度线各点C.U型磁场四周D.条形磁场四周答案:B6. 绝缘材料根限工作温度为105℃时,耐热等级为( )。
A.A级B.E级C.B级答案:A7. 下列( )是保证电气作业安全的组织措施。
A.工作许可制度B.停电C.悬挂接地线答案:A8. 降压启动是指启动时降低加在电动机( )绕组上的电压,启动运转后,再使其电压恢复到额定电压正常运行。
B.转子C.定子及转子答案:A9. N型硅材料普通二极管用( )表示。
A.2CPB.2CWC.2CZD.2CL答案:A10. 变压器在电力系统中运行,其电源电压一般不得超过额定值的( )%。
A.±5B.±lOC.+5~一10D.-5~+10答案:A11. 室外雨天使用高压绝缘棒,为隔阻水流和保持一定的干燥表面,需加适量的防雨罩,防雨罩安装在绝缘棒的中部,额定电压10kV及以下的,装设防雨罩不少于( )。
A.2只B.3只C.4只D.5只答案:A12. 电压互感器二次回路允许有( )接地点。
A.一个B.两个C.三个D.多个答案:A13. SF6断路器在结构上可分为( )和罐式两种。
总成绩表
合计
统分人:年月日
试题1、连接安装成品配电箱各部件
评分人:年月日核分人:年月日
试题2、停送电操作
评分人:年月日核分人:年月日中
队管理制度
一、工作及管理制度
(一)请假制度:
1、请假时间在四小时以内的应向中队长(中队长不在由指导员代替)请假,并记入中队工作日记(写明请假起止时间);
2、请假四小时以上事假及读书请假的报大队领导批准;
3、病假、婚假、丧假、产假、年休假等必须写请假条,经
中队长批准后,提请分管局长批准,并交督导科备案。
(二)车辆使用制度
1、中队车辆落实专人专管,专管人员遇事,由中队长指派管理:XXXXX(主:XXXXX,副:XXXX)、浙XXXXX(主:XXXX,副:XXXXX).
2、严禁无证驾车、酒后驾车、鲁莽驾车,不得将车辆私自外借,需借车的必须经局分管领导同意;
3、车辆保管人员应保持车容整洁、车况良好,发现故障应及时报告局办公室安排修理;
4、下班期间,车辆必须停放在指定停车场;
5、如发生交通事故或车辆造成损坏的,必须及时如实向局领导汇报,不得拖延隐瞒;
(三)队容风纪规定。
姓名____________________ 准考证号____________________ 单位名称____________________--------------------------------------------------------------装-------------------------订-------------------------线--------------------------------------------------------------:机械行业特有工种职业技能鉴定统一试卷机电维修电工中级工技能测试试卷及评分标准A注 意 事 项1. 请首先按要求在试卷的标封处填写您的姓名、准号证号和所在单位的名称。
2. 请仔细阅读各种题目的回答要求,在规定的位置填写您的答案。
3. 请用蓝(或黑色)钢笔、圆珠笔答卷;不要在试卷内填写与答题无关的内容。
4. ~5.本试卷满分为100分,考试时间为180分钟。
第一部分 电子设备的组装及调试(60分)一、液位控制器组装焊接与测量(60分)【([评分标准:所有数据以考评员在电路安装正确的前提下实测±10%内得分;1、元器件识别及检测:学生能独立挑选识别元器件清单列出的元器件,在开考15分钟后发现元器件损坏的按自己烧坏扣分。
(配分15分) 元件名称 测量档位 测量方法和数值结论 二极管1N4007 ~三极管8050发光二极管Led-2、整机装配:严格按照无线电设备装接工艺组装焊接,元器件整形美观整齐,布局合理规范,焊点明亮光滑,没有安装错误,没有脱焊连焊。
(配分20分,每个错误减2分,每个工艺差点减1分不得负分)3、性能测试根据测试填写水位变化后电路发生的相关逻辑功能。
(配分15分) $水位 Q1基极电压 Q1集电极极电压 LED 状态结论 高水位 ~中间水位低水位【分数统计表 )序号 考核题目 配分 扣分原因 实得分1元器件识别及检测15!姓名____________________ 准考证号____________________ 单位名称____________________--------------------------------------------------------------装-------------------------订-------------------------线--------------------------------------------------------------第二部分 电工仪表的使用及电气设备测试(40分) 一、 ^二、原理图三、 备料单如图:接触器3个,热继电器1个,熔断器5个,3联按钮1个软线布线行线槽米,软线20米,线号管1米,25MM 自攻钉50支,15MM 20支,绝缘胶布1卷,优质焊锡丝3M 。
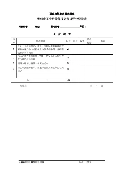
考件编号: 姓名: 准考证号:单位:总成绩表统分人:年月日考件编号: 姓名: 准考证号:单位:试题1、设计一个两地启动、停止,用时间继电器自动控制的双速异步电动机继电接触式电路图,并按图进行安装与调试配分、评分标准:选择考核项目时应考虑的其他因素:考件编号: 姓名: 准考证号:单位:(1)本项目满分40分。
(2)本项目考核时间限定在180~240分钟。
(3)在做通电试验时,现场应有2名考评员,其中1人任现场监护。
(4)本内容作为中级维修电工的重点考核内容之一,考核时应优先选择。
(5)本项目具有第二类否定项。
(6)综合设计内容范围的界定:①电动机种类不限,台数一般不超过4台。
②电动机各种保护齐全,这主要指短路保护、过载保护、失压保护、欠压保护、接地保护、欠流保护等。
③电动机一般控制(行程控制、速度控制、时间控制、电流控制)中选两项以下(含两项)。
④电拖基本环节(点动控制、正转自锁控制、正反转控制、降压启动控制、多地控制、制动控制等)至少在3个以上。
⑤线路绘制必须采用GB4728—84.85《电气图用图形符号》和GB7159—87《电气设备通用技术文字符号》、GB6988—86《电气制图》等有关规定。
⑥综合设计时,允许考生带《电工手册》、《物资购销手册》作为选择元器件时参考。
评分人:年月日核分人:年月日考件编号: 姓名: 准考证号:单位:试题2、按工艺规程主持检修1000千伏安以下三相电力变压器的故障检修配分、评分标准:否定项:故障检修得分少于20分,本次技能考核视为不合格。
选择考核项目时应考虑的其他因素:(1)本项目满分40分。
(2)本项目考核时间限定在240分钟。
(3)本项目故障点仅设置1个。
(4)在做通电试验时,现场应有2名考评员,其中1人任现场监护。
(5)从事变压器维修工作的维修电工考核时应优先选择本项目。
(6)本项目为第一类否定项。
考件编号: 姓名: 准考证号:单位:评分人:年月日核分人:年月日考件编号: 姓名: 准考证号:单位:试题3、用两表跨相法测量三相无功功率否定项:要求不能损坏仪器、仪表。
电工(中级)实操模拟考试1、【判断题】()Z3050钻床,摇臂升降电动机的正反转控制继电器,不充许同时得电动作,以防止电源短路事故发生,再上升和下降控制电路中只采用了接触器的铺助触头互锁。
(×)2、【判断题】()同步电压为锯齿波的触发电路;其产生的锯齿波线性度最好.(×)3、【判断题】三相异步电动机变极调速属于无级调速.()(×)4、【判断题】()晶闸管的控制极与阳极之间是一个PN结,其判别方法同晶体二极管极性判别方法一样。
(×)5、【判断题】()三相电源绕组的三角形联接,是将电源的三相绕组任意联接成一个闭合回路。
(×)6、【判断题】()10(6)KV高压配电线路双回线杆顶排列方式有三角、水平加水平、垂直三种。
(√)7、【判断题】给母线涂以变色漆是判断发热的一种方法。
(√)8、【判断题】戴维南定理最适用于求复杂电路中某一条支路的电流.(√)9、【判断题】三相异步电动机变极调速属于无级调速.(×)10、【判断题】()对25#新绝缘油的闪点应不高于140℃。
(×)11、【单选题】运行的变压器发生( )现象应立即停运检修。
(D )A、储油柜或安全气道喷油B、严重漏油,使油面低于油位表指示限度C、套管有严重破损和放电现象D、有上述情况之一均可12、【单选题】三相异步电动机的正反转控制关键是改变( )。
(B )A、电源电压B、电源相序C、电源电流D、负载大小13、【单选题】有功功率主要是()元件消耗的功率。
(C )A、电感B、电容C、电阻D、感抗14、【单选题】氢弧焊是利用惰性气体()的一种电弧焊接方法.(C )A、氧B、氢C、氩D、氖15、【单选题】交流电路中,无功功率是()。
(C )A、电路消耗的功率B、瞬时功率的平均值C、电路与电源能量交换的最大规模D、电路的视在功率16、【单选题】耐压试验现场工作必须执行工作票制度,工作许可制度,工作监护制度,还有()制度。
中级电工实践考试试题中级电工实践考试试题主要考察考生对电工基础知识的掌握程度以及实际操作能力。
以下是一份模拟的中级电工实践考试试题,旨在帮助考生了解考试内容和形式。
一、选择题(每题2分,共10题,满分20分)1. 电路中电流的单位是()。
A. 伏特B. 安培C. 欧姆D. 瓦特2. 以下哪种材料不适合作为导体使用?()。
A. 铜B. 铝C. 橡胶D. 银3. 电路中电压的单位是()。
A. 伏特B. 安培C. 欧姆D. 瓦特4. 电阻的单位是()。
A. 伏特B. 安培C. 欧姆D. 瓦特5. 并联电路中,总电阻与各分电阻的关系是()。
A. 总电阻等于各分电阻之和B. 总电阻等于各分电阻之差C. 总电阻小于任一分电阻D. 总电阻大于任一分电阻6. 交流电的频率单位是()。
A. 赫兹B. 伏特C. 安培D. 欧姆7. 电路中功率的单位是()。
A. 伏特B. 安培C. 欧姆D. 瓦特8. 星形接法的三相电路中,线电压与相电压的关系是()。
A. 相电压等于线电压B. 线电压等于相电压的根号3倍C. 相电压等于线电压的根号3倍D. 线电压与相电压无关9. 电容器的单位是()。
A. 伏特B. 安培C. 法拉D. 欧姆10. 电感器的单位是()。
A. 伏特B. 安培C. 亨利D. 欧姆二、判断题(每题1分,共10题,满分10分)1. 电路中的电流总是从电压高的一端流向电压低的一端。
()2. 电阻的阻值越大,通过它的电流就越小。
()3. 并联电路中,各支路的电流之和等于总电流。
()4. 串联电路中,各电阻的电压之和等于总电压。
()5. 交流电的有效值等于其最大值除以根号2。
()6. 电容器可以储存电荷,但不能通过交流电。
()7. 电感器对交流电有阻碍作用,对直流电没有阻碍作用。
()8. 三相电路中,星形接法的线电压等于相电压的根号3倍。
()9. 电路中的功率等于电压乘以电流。
()10. 电路中的功率因数等于电压与电流之间的相位差。
本套试卷为电工精选题库,总共300道题!题目几乎覆盖电工常考的知识点。
题库说明:本套电工题库包含(单项选择题200道,多选题50道,判断题50道)一、单选题(共计200题,每题1分)1.导线接头.控制器触点等接触不良是诱发电气火灾的重要原因。
所谓"接触不良",其本质原因是( )。
A.触头.接触点电阻变化引发过电压B.触头接触点电阻变小C.触头.接触点电阻变大引起功耗增大答案:C2. 下列( )是保证电气作业安全的组织措施。
A.工作许可制度B.停电C.悬挂接地线答案:A3. 对于中小型电力变压器,投入运行后每隔( )要大修一次。
A.1年B.2~4年C.5~10年D.15年答案:C4. 三相鼠笼式异步电动机定子绕组是三相对称的,各相绕组彼此互差( )的电角度。
A.60°B.90°C.120°D.180°答案:C5. 采用金属管配线时,应将金属管与( )连接后再重复接地。
A.保护接地;B.零线;C.工作接地;D.地线;答案:B6. 下列电缆编号属于110KVII段电压互感器间隔的是( )。
A.2UYHB.1UYHC.2YYHD.1YYH答案:C7. 属于控制电器的是( )A.熔断器B.接触器C.刀开关答案:B8. 触电危险和人体抵抗力( )。
A.成正比B.成反比C.无关D.以上这些都不对答案:B9. SF6负荷开关一般不设置( )。
A.气体吹弧设备B.灭弧设备C.磁吹灭弧设备答案:A10. 作业人员对《电业安全工作规程》电力线路部分应( )年考试一次。
A. 1B. 2C. 3答案:A11. 电气设备的绝缘电阻应该满足什么要求?( )A.绝缘电阻应该越大越好。
B.绝缘电阻应该越小越好。
C.绝缘电阻应该符合国家标准。
D.绝缘电阻应该越大越好,但不能低于国家标准。
答案:D12. 便携式交流电压表,通常采用( )仪表测量机构。
A.电动系B.电磁系C.静电系D.磁电系答案:A13. 施行口对口( )人工呼吸时,大约每分钟进行()。
试卷编号:A深圳市职业技能鉴定汽车维修电工(中级)实操试卷姓名准考证号考试日期年月日试题一试题名称:测量晶体管的特性考核时间:25分钟配分比例:20%二、测量、计算与判断晶体管工作状态,完成下表:A 300μA >300μA41.2mA 41.5mA 41.5mA206 138 138注意事项:1.考核时限到,应即时停止操作,否则相应扣分。
2.未能完成作业者可按其完成工作量的比例评分,完全不懂操作者无分。
3、安全文明生产和操作事故列入评分表中的评分项目。
姓名准考证号考试日期年月日试题二试题名称:画出汽车发电机电子调节器基本电路图并搭接线路考核时间:20分钟配分比例:25%三、正确使用仪器仪表及工具,安全文明作业既是工作电源又是电子调节器的检测电源,R1、R2组成分压电路,当+B电压较高时,分压点电压升高,截止,磁场线圈电流消失,从而使+B电压下降,分压点电压也随之下降,VS截止,基极,使VT2导通,发电机重新开始工作,如此周而复始。
注意事项:1.考核时限到,应即时停止操作,否则相应扣分。
2.未能完成作业者可按其完成工作量的比例评分,完全不懂操作者无分。
3、安全文明生产和操作事故列入评分表中的评分项目。
姓名准考证号考试日期年月日试题三试题名称:检修硅整流发电机考核时间:20分钟配分比例:25%注意事项:1.考核时限到,应即时停止操作,否则相应扣分。
2.未能完成作业者可按其完成工作量的比例评分,完全不懂操作者无分。
3、安全文明生产和操作事故列入评分表中的评分项目。
姓名准考证号考试日期年月日试题四试题名称:电喷发动机怠速不稳电路故障的检测与排除考核时间:20分钟配分比例:30%注意事项:1.考核时限到,应即时停止操作,否则相应扣分。
2.未能完成作业者可按其完成工作量的比例评分,完全不懂操作者无分。
3、安全文明生产和操作事故列入评分表中的评分项目。
姓名准考证号考试日期年月日试题二试题名称:检修并装配点火分电器考核时间:20分钟配分比例:25%注意事项:1.考核时限到,应即时停止操作,否则相应扣分。
2.未能完成作业者可按其完成工作量的比例评分,完全不懂操作者无分。
3、安全文明生产和操作事故列入评分表中的评分项目。
试卷编号:B深圳市职业技能鉴定汽车维修电工(中级)实操试卷姓名准考证号考试日期年月日试题三试题名称:搭接发动机的起动/点火系电路考核时间:20分钟配分比例:25%注意事项:1.考核时限到,应即时停止操作,否则相应扣分。
2.未能完成作业者可按其完成工作量的比例评分,完全不懂操作者无分。
3、安全文明生产和操作事故列入评分表中的评分项目。
试卷编号:B深圳市职业技能鉴定汽车维修电工(中级)实操试卷姓名准考证号考试日期年月日试题四试题名称: EFI发动机调码故障的排除考核时间:20分钟配分比例:30%注意事项:1.考核时限到,应即时停止操作,否则相应扣分。
2.未能完成作业者可按其完成工作量的比例评分,完全不懂操作者无分。
3、安全文明生产和操作事故列入评分表中的评分项目。
姓名准考证号考试日期年月日试题一试题名称:汽车低压导线的选定考核时间:15分钟配分比例:20%注意事项:1.考核时限到,应即时停止操作,否则相应扣分。
2.未能完成作业者可按其完成工作量的比例评分,完全不懂操作者无分。
3、安全文明生产和操作事故列入评分表中的评分项目。
姓名准考证号考试日期年月日试题二试题名称:搭接前照灯电路考核时间:20分钟配分比例:25%注意事项:1.考核时限到,应即时停止操作,否则相应扣分。
2.未能完成作业者可按其完成工作量的比例评分,完全不懂操作者无分。
3、安全文明生产和操作事故列入评分表中的评分项目。
试卷编号:C深圳市职业技能鉴定汽车维修电工(中级)实操试卷姓名准考证号考试日期年月日试题三试题名称:识别并指出空调膨胀阀的特点考核时间:20分钟配分比例:25%二、指出其他常用三种膨胀阀的特点,完成下表:注意事项:1.考核时限到,应即时停止操作,否则相应扣分。
2.未能完成作业者可按其完成工作量的比例评分,完全不懂操作者无分。
3、安全文明生产和操作事故列入评分表中的评分项目。
姓名准考证号考试日期年月日试题四试题名称:发动机点火系故障的检测与排除考核时间:15分钟配分比例:30%注意事项:1.考核时限到,应即时停止操作,否则相应扣分。
2.未能完成作业者可按其完成工作量的比例评分,完全不懂操作者无分。
3、安全文明生产和操作事故列入评分表中的评分项目。
姓名准考证号考试日期年月日试题一试题名称:检测点火信号波形并计算闭合角考核时间:15分钟配分比例:20%初级线圈的通电时间为3ms三、正确使用仪器仪表及工具,安全文明作业注意事项:1.考核时限到,应即时停止操作,否则相应扣分。
2.未能完成作业者可按其完成工作量的比例评分,完全不懂操作者无分。
3、安全文明生产和操作事故列入评分表中的评分项目。
姓名准考证号考试日期年月日试题二试题名称:搭接汽车转向灯电路考核时间:20分钟配分比例:25%二、搭接转向灯电路三、正确使用工量具,安全文明作业注意事项:1.考核时限到,应即时停止操作,否则相应扣分。
2.未能完成作业者可按其完成工作量的比例评分,完全不懂操作者无分。
3、安全文明生产和操作事故列入评分表中的评分项目。
姓名准考证号考试日期年月日试题三试题名称:检测并装配点火分电器考核时间:20分钟配分比例:25%注意事项:1.考核时限到,应即时停止操作,否则相应扣分。
2.未能完成作业者可按其完成工作量的比例评分,完全不懂操作者无分。
3、安全文明生产和操作事故列入评分表中的评分项目。
姓名准考证号考试日期年月日试题四试题名称:发动机充电系故障的检测与排除考核时间:20分钟配分比例:30%注意事项:1.考核时限到,应即时停止操作,否则相应扣分。
2.未能完成作业者可按其完成工作量的比例评分,完全不懂操作者无分。
3、安全文明生产和操作事故列入评分表中的评分项目。
姓名准考证号考试日期年月日试题一试题名称:测试汽车起动机性能考核时间:16分钟配分比例:20%注意事项:1.考核时限到,应即时停止操作,否则相应扣分。
2.未能完成作业者可按其完成工作量的比例评分,完全不懂操作者无分。
3、安全文明生产和操作事故列入评分表中的评分项目。
姓名准考证号考试日期年月日试题二试题名称:空调压缩机的检测与组装考核时间:20分钟配分比例:25%注意事项:1.考核时限到,应即时停止操作,否则相应扣分。
2.未能完成作业者可按其完成工作量的比例评分,完全不懂操作者无分。
3、安全文明生产和操作事故列入评分表中的评分项目。
试卷编号:E深圳市职业技能鉴定汽车维修电工(中级)实操试卷姓名准考证号考试日期年月日试题三试题名称:搭接风机调速电路考核时间:20分钟配分比例:25%测量数值注意事项:1.考核时限到,应即时停止操作,否则相应扣分。
2.未能完成作业者可按其完成工作量的比例评分,完全不懂操作者无分。
3、安全文明生产和操作事故列入评分表中的评分项目。
试卷编号:E深圳市职业技能鉴定汽车维修电工(中级)实操试卷姓名准考证号考试日期年月日试题四试题名称:判断组合开关控制前照灯电路考核时间:20分钟配分比例:30%当灯光被打至远光位时,近光灯电流在开关内被切断,但近光灯丝的电压仍在,近光指示灯和其中的一个近光灯串联,由于近光指示灯的功率非常小,所以它处于完全点亮的状态,起到了远光指示灯的作用。
四、正确使用工量具,安全文明作业:注意事项:1.考核时限到,应即时停止操作,否则相应扣分。
2.未能完成作业者可按其完成工作量的比例评分,完全不懂操作者无分。
3、安全文明生产和操作事故列入评分表中的评分项目。
姓名准考证号考试日期年月日试题二试题名称:检修并组装起动机考核时间:18分钟配分比例:25%注意事项:1.考核时限到,应即时停止操作,否则相应扣分。
2.未能完成作业者可按其完成工作量的比例评分,完全不懂操作者无分。
3、安全文明生产和操作事故列入评分表中的评分项目。
姓名准考证号考试日期年月日试题三试题名称:识别空调风道部件考核时间:15分钟配分比例:25%注意事项:1.考核时限到,应即时停止操作,否则相应扣分。
2.未能完成作业者可按其完成工作量的比例评分,完全不懂操作者无分。
3、安全文明生产和操作事故列入评分表中的评分项目。