2019年维修电工国家题库 中级实操考试试题、评分表、考场记录单(可打印修改) (2)
- 格式:pdf
- 大小:231.58 KB
- 文档页数:6
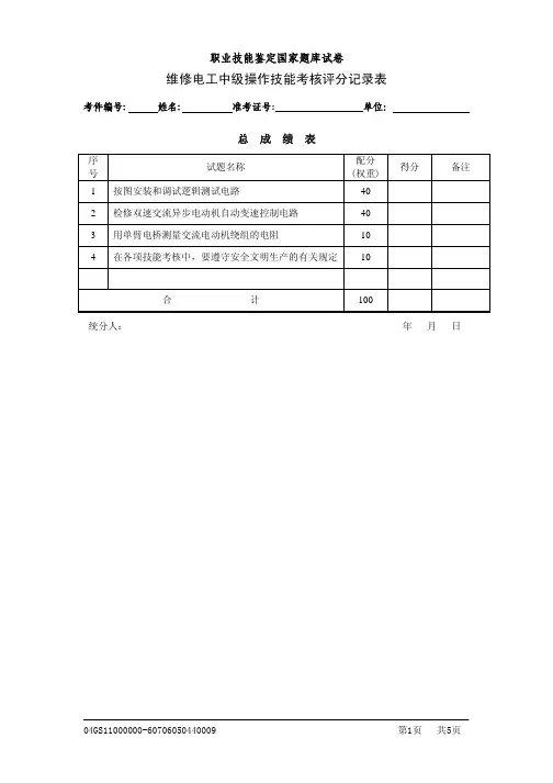
考件编号: 姓名: 准考证号:单位:总成绩表序号试题名称配分(权重)得分备注1 按图安装和调试逻辑测试电路402 检修双速交流异步电动机自动变速控制电路403 用单臂电桥测量交流电动机绕组的电阻104 在各项技能考核中,要遵守安全文明生产的有关规定10合 计100统分人:年月日考件编号: 姓名: 准考证号:单位: 试题1、按图安装和调试逻辑测试电路序号主要内容考核要求评分标准配分扣分得分1 按图焊接正确使用工具和仪表,装接质量可靠,装接技术符合工艺要求1.布局不合理扣1分2.焊点粗糙、拉尖、有焊接残渣,每处扣1分3.元件虚焊、气孔、漏焊、松动、损坏元件,每处扣1分4.引线过长、焊剂不擦干净,每处扣1分5.元器件的标称值不直观、安装高度不合要求扣1分6.工具、仪表使用不正确,每次扣1分7.焊接时损坏元件,每个扣2分202 调试后通电试验在规定时间内,使用仪器仪表调试后进行通电试验1.通电调试1次不成功扣5分;2次不成功扣10分;3次不成功扣15分2.调试过程中损坏元件,每个扣2分20合计40备注考评员签字年月日评分人:年月日核分人:年月日考件编号: 姓名: 准考证号:单位: 试题2、检修双速交流异步电动机自动变速控制电路序号主要内容考核要求评分标准配分扣分得分1 调查研究对每个故障现象进行调查研究排除故障前不进行调查研究,扣1分 11.错标或标不出故障范围,每个故障点扣2分62 故障分析在电气控制线路上分析故障可能的原因,思路正确2.不能标出最小的故障范围,每个故障点扣1分31.实际排除故障中思路不清楚,每个故障点扣2分62.每少查出一个故障点扣2分 63.每少排除一个故障点扣3分93 故障排除正确使用工具和仪表,找出故障点并排除故障4.排除故障方法不正确,每处扣3分94 其他操作有误,要从此项总分中扣分1.排除障时产生新的故障后不能自行修复,每个扣10分;已经修复,每个扣5分2.损坏电动机扣10分合计40备注本项目故障点不能设在电动机上,其故障数量为3个。
中级电工实操试题一、安装单相三极及三相四极插座二、安装白炽灯照明电路三、用数字式万用表测量交、直流电压四、用兆欧表测量三相异步电动机绝缘电阻五:T型连接单股导线一:安装单相三极及三相四极插座1、准备要求(1)设备准备(2)材料准备(3)工用具准备2、操作考核规定及说明(1)操作程序说明:1)安装电路;2)清理现场;3)安全文明操作。
(2)考核规定说明:1)如操作违章或未按操作程序执行操作,将停止考核;2)考核采用百分制,考核项目得分按鉴定比重进行折算.(3)考核方式说明:该项目为实际操作(结果型),考核过程按评分标准及操作过程进行评分。
(4)测量技能说明:本项目主要测量考生对安装单相三极及三相四极插座的熟练程度。
3、考核时限(1)准备时间:1min(不计入考核时间)。
(2)正式操作时间:10min。
(3)提前完成操作不加分,到时停止操作考核.4、评分记录表附图单相三极及三相四极插座试题名称:安装单相三极及三相四极插座考核时间:10min序号考核内容评分要素配分评分标准检测结果扣分得分备注1 安装电路安装单相三极插座51相线位置接错扣6分零线位置接错扣6分地线位置接错扣6分ﻫ相线颜色选错扣6分零线颜色选错扣6分ﻫ地线颜色选错扣6分ﻫ接点松动、露铜过长、压绝缘层每处扣1分(最多扣5分)损坏元件扣10分安装三相四级插座49相线位置接错扣6分零线位置接错扣6分ﻫ相线颜色选错一处扣5分ﻫ零线颜色选错扣6分接点松动、露铜过长、压绝缘层每处扣1分(最多扣6分)损坏元件扣10分2 清理现场清理现场未清理现场从总分中扣5分3 安全文明操作按国家或企业颁发有关安全规定执行操作每违反一项规定从总分中扣5分,严重违规取消考核4 考核时限在规定时间内完成到时停止操作考核二:安装白炽灯照明电路(两只开关两地控制一盏灯)1、准备要求(2)材料准备2、操作考核规定及说明(1)操作程序说明:1)安装电路;2)通电试验;3)安全文明操作.(2)考核规定说明:1)如操作违章或未按操作程序执行操作,将停止考核;2)考核采用百分制,考核项目得分按鉴定比重进行折算。
考件编号: 姓名: 准考证号:单位:总成绩表合计统分人:年月日考件编号: 姓名: 准考证号:单位:试题1、M7475B平面磨床电气控制电路故障检查、分析及排除笔试部分参考答案和评分标准:(1)叙述正反转接触器不会同时通电的原理。
(本题分值5分,错答或漏答一条扣2.5考件编号: 姓名: 准考证号:单位:分)答:1)按下按钮SB4时,接触器KM5接通,工作台退出,接触器KM5的常闭触点断开,保证接触器KM6不会接通;2)同理,按下按钮SB5时,接触器KM6接通,工作台进入,接触器KM6的常闭触点断开,保证接触器KM5不会接通。
(2)简述冲击电钻装卸钻头注意事项。
(本题分值2分,错答或漏答扣2分)答:装卸钻头时,必须用钻头钥匙,不能用其它工具敲打夹头。
(3)简述兆欧表使用注意事项。
(本题分值2分,错答或漏答一条扣0.5分)答:1)正确选用兆欧表规格型号;2)正确接线,3)均匀地摇动手柄;4)待指针稳定下来再读数;5)注意被测电路中的电容;6)注意兆欧表输出高压。
(4)回答三相五线制系统中采用保护接地还是保护接零?(本题分值3分,错答扣3分)答:采用保护接零方式。
评分人:年月日核分人:年月日考件编号: 姓名: 准考证号:单位:试题2、PLC控制三相异步电动机串电阻降压启动装调笔试部分参考答案和评分标准:考件编号: 姓名: 准考证号:单位:(1)绘制PLC的I/O接口图和梯形图。
(本题分值5分,每错一处扣1分)考评员依据具体考核要求,参考运行结果,对I/O接口图和梯形图进行评分。
(2)简述螺丝刀使用注意事项。
(本题分值2分,错答或漏答一条扣1分)答:1)正确选用螺丝刀规格型号;2)螺丝刀压紧螺丝的槽口后旋拧。
(3)简述指针式万用表电阻挡的使用方法。
(本题分值2分,错答或漏答一条扣0.5分) 答:1)预估被测电阻的大小,选择档位;2)调零;3)测出电阻的数值;4)如果档位不合适,更换档位后重新调零和测试。
(4)回答何为安全电压?(本题分值3分,回答错误扣3分)答:加在人体上在一定时间内不致造成伤害的电压。
维修电工中级操作技能考核试卷维修电工中级操作技能考核试卷考件编号:_______ 姓名:________ 准考证号:________ 单位:___________试题1、安装和调试三相异步电动机正反转运行手动控制线路及通电运行(给定电机)总分60分,考核时间60分钟。
试题2、三相异步电动机的拆装、检测总分40分,考核时间60分钟。
维修电工中级操作技能考核准备通知单(考生)姓名:_________ 准考证号:______________ 单位:___________试题1、安装和调试三相异步电动机正反转运行手动控制线路及通电运行(给定电机)(由考场准备)根据考核题图,在规定的时间内完成控制电路的接线、调试,达到考核题规定的要求。
试题2、三相异步电动机的拆装、检测(由考场准备)根据考核要求,在规定的时间内完成电动机的拆装、调试,达到考核题规定的要求。
维修电工中级操作技能考核准备通知单(考场)试题1、安装和调试三相异步电动机正反转运行手动控制线路及通电运行(给定电机)1.电工工具1套2.电机1个3.导线若干4.检测仪器1套5.正反转运行手动控制线路图试题2、三相异步电动机的拆装、检测1.电机1个2.电工工具1套3.导线若干4.检测仪器1套5.其他必要的器材若干维修电工中级操作技能考核试卷考件编号:_______ 姓名:________ 准考证号:________ 单位:___________总成绩表序号试题名称配分(权重)得分备注1 安装和调试三相异步电动机正反转运行手动控制线路及通电运行(给定电机) 602 三相异步电动机的拆装、检测 40合计 100统分人:年月日维修电工中级操作技能考核评分记录表考件编号:_______ 姓名:________ 准考证号:________ 单位:___________试题1、安装和调试三相异步电动机正反转运行手动控制线路及通电运行(给定电机)完成题操作时间为60分钟,每超出1分钟从本题中扣1%,操作超过10分钟,本题为零分。
考件编号: 姓名: 准考证号:单位:总成绩表统分人:年月日考件编号: 姓名: 准考证号:单位:试题1、M7475B平面磨床电气控制电路故障检查、分析及排除笔试部分参考答案和评分标准:(1)叙述正反转接触器不会同时通电的原理。
(本题分值5分,错答或漏答一条扣2.5分)考件编号: 姓名: 准考证号:单位:答:1)按下按钮SB4时,接触器KM5接通,工作台退出,接触器KM5的常闭触点断开,保证接触器KM6不会接通;2)同理,按下按钮SB5时,接触器KM6接通,工作台进入,接触器KM6的常闭触点断开,保证接触器KM5不会接通。
(2)简述冲击电钻装卸钻头注意事项。
(本题分值2分,错答或漏答扣2分)答:装卸钻头时,必须用钻头钥匙,不能用其它工具敲打夹头。
(3)简述兆欧表使用注意事项。
(本题分值2分,错答或漏答一条扣0.5分)答:1)正确选用兆欧表规格型号;2)正确接线,3)均匀地摇动手柄;4)待指针稳定下来再读数;5)注意被测电路中的电容;6)注意兆欧表输出高压。
(4)回答三相五线制系统中采用保护接地还是保护接零?(本题分值3分,错答扣3分)答:采用保护接零方式。
评分人:年月日核分人:年月日考件编号: 姓名: 准考证号:单位:试题2、PLC控制三相异步电动机串电阻降压启动装调笔试部分参考答案和评分标准:(1)绘制PLC的I/O接口图和梯形图。
(本题分值5分,每错一处扣1分)考件编号: 姓名: 准考证号:单位:考评员依据具体考核要求,参考运行结果,对I/O接口图和梯形图进行评分。
(2)简述螺丝刀使用注意事项。
(本题分值2分,错答或漏答一条扣1分)答:1)正确选用螺丝刀规格型号;2)螺丝刀压紧螺丝的槽口后旋拧。
(3)简述指针式万用表电阻挡的使用方法。
(本题分值2分,错答或漏答一条扣0.5分) 答:1)预估被测电阻的大小,选择档位;2)调零;3)测出电阻的数值;4)如果档位不合适,更换档位后重新调零和测试。
(4)回答何为安全电压?(本题分值3分,回答错误扣3分)答:加在人体上在一定时间内不致造成伤害的电压。
完美 WORD 格式中级维修电工技能操作考核评分记录表考件编号姓名考号**试题一:继电---接触式控制线路的安装与调试序 主要 号 内容考核要求评分标准扣得 配分分分1、因元件质量问题影响通电成功,每次扣1、元件的质量检查2分2、正确利用工具和仪表,2、元件布置不整齐、不匀称、不合理,每元件 熟练地安装电气元器件1只扣 1 分10 分安装 3、元件在配电板上布置要3、元件安装不牢固、安装元件时漏装螺钉,合理,安装要准确、紧固每只扣 0.5 分4、按钮盒不固定在板上4、损坏元件每只扣 2 分1、未按电气原理图接线扣 5 分1、按图安装接线2、主电路和控制电线色不分扣 2 分2、线路敷设整齐、横平竖 3、线路敷设交叉、跨接每处扣 1 分线路2直、不交叉、不跨接4、线路敷设不整齐,不美观扣 5 分20 分敷设3、导线压接紧固、规范、 4、接点松动、漏铜过长、压绝缘层、反圈不伤线芯等,每个接点扣 0.5 分5、损伤导线绝缘或线芯,每根扣 0.5 分1、 正确整定热继电器整定 1、 热继电器和时间继电器未整定或整定值和时间整定值通电32、 正确选配熔体试车3、 通电一次成功错误扣 2 分 2、 错配熔体扣 1 分 3、一次通电不成功扣 15 分;两次通电不成30 分4、 安全文明操作功扣 20 分1、劳保用品穿戴整齐1、 各项考试中,违反安全文明生产考核要求的任2、电工工具佩戴齐全何一项扣 2 分,扣完为止安全3、遵守操作规程2、 考生在不同的技能试题中,违反安全文明生产4 文明4、尊重考评员,讲文明礼考核要求同一项内容的,要累计扣分生产貌当考评员发现考生有重大事故隐患时,要立即5、考场结束要清理现场予以制止,并每次扣考生安全文明生产总分 5 分备合计 60 分注考评员签字:年月日注:每项扣分不得超过该项配分。
1、本项目的满分 60 分。
2、本项目的考核时间为 180 分钟。
评分人:年月日核分人:年月日专业整理 知识分享完美 WORD 格式中级维修电工试题二技能考核评分记录表考件编号姓名考号第二题:X62W 万能铣床故障检修序号 主要内容考核要求评分标准配分 扣分 得分调查 对每个故障现象进行1排除故障钱不进行调查研究,扣 2 分2研究 调查研究1.错标或标不出故障范围,每个故障点在电气控制线路图上4故障扣2分2分析故障可能的原因,分析2.不能标出最小的故障范围,每个故障思路正确4点扣 2 分1.实际排除故障中思路不清楚,每个故6正确使用工具和仪表, 障点扣 3 分故障3找出故障点并排除故 2.每少查出一处故障点扣 3 分6排除障3.每少排出一处故障点扣 5 分10排除故障方法不正确,每处扣 4 分81. 排除故障时,产生新的故障后操作有误,要从此项总4其他分中扣分不能自行修复,每个扣 10 分; 已经修复,每个扣 5 分2. 损坏电动机扣 10 分备注考评员签字:合计年月日注:每项扣分不得超过该项配分。
中级电工实操试题一、安装单相三极及三相四极插座二、安装白炽灯照明电路三、用数字式万用表测量交、直流电压四、用兆欧表测量三相异步电动机绝缘电阻五:T型连接单股导线一:安装单相三极及三相四极插座1、准备要求(1)设备准备(2)材料准备(3)工用具准备2、操作考核规定及说明(1)操作程序说明:1)安装电路;2)清理现场;3)安全文明操作。
(2)考核规定说明:1)如操作违章或未按操作程序执行操作,将停止考核;2)考核采用百分制,考核项目得分按鉴定比重进行折算。
(3)考核方式说明:该项目为实际操作(结果型),考核过程按评分标准及操作过程进行评分。
(4)测量技能说明:本项目主要测量考生对安装单相三极及三相四极插座的熟练程度。
3、考核时限(1)准备时间:1min(不计入考核时间)。
(2)正式操作时间:10min。
(3)提前完成操作不加分,到时停止操作考核。
4、评分记录表附图单相三极及三相四极插座试题名称:安装单相三极及三相四极插座考核时间:10min序号考核内容评分要素配分评分标准检测结果扣分得分备注1 安装电路安装单相三极插座51相线位置接错扣6分零线位置接错扣6分地线位置接错扣6分相线颜色选错扣6分零线颜色选错扣6分地线颜色选错扣6分接点松动、露铜过长、压绝缘层每处扣1分(最多扣5分)损坏元件扣10分安装三相四级插座49相线位置接错扣6分零线位置接错扣6分相线颜色选错一处扣5分零线颜色选错扣6分接点松动、露铜过长、压绝缘层每处扣1分(最多扣6分)损坏元件扣10分2 清理现场清理现场未清理现场从总分中扣5分3 安全文明操作按国家或企业颁发有关安全规定执行操作每违反一项规定从总分中扣5分,严重违规取消考核二:安装白炽灯照明电路(两只开关两地控制一盏灯)1、准备要求 (1)设备准备(2)材料准备(3)工用具准备2、操作考核规定及说明 (1)操作程序说明: 1)安装电路; 2)通电试验;3)安全文明操作。
(2)考核规定说明:1)如操作违章或未按操作程序执行操作,将停止考核; 2)考核采用百分制,考核项目得分按鉴定比重进行折算。
连接行走小车电路实际操作打分表
说明:1、根据普通电葫芦行走小车原理,通过正确的接线使电机能实现正反转,系统中必须接入小车前后撞停行程开关,当前进位行程开关有信号时,电机不能正转但可以反转,同理当后退位行程开关有信号时,电机只能正转,不能反转。
2、系统必须带有急停功能。
使用变频器启动变频电机操作打分表
1
2、根据电机功率正确选择合适的导线线径及颜色并连接好全系统。
3、系统必须带有急停功能。
4、系统具有备妥、运行、停止、故障,指示灯
使用软启动器启动变频电机操作打分表
1
2、根据电机功率正确选择合适的导线并连接好全系统。
3、系统必须带有急停功能。
4、系统具有备妥、运行、停止、故障,指示灯。
电工中级实操考试评分表————————————————————————————————作者:————————————————————————————————日期:总 成 绩 表统分人: 年 月 日序号 试题名称配分 得分 权重 最后得分 备注1 按工艺规程进行无换向器电动机的拆卸、接线及调试70 2 进行安全文明生产配电间操作电工关于断电断闸、通电合闸操作规程方面的培训指导 30合计100试题1、按工艺规程进行无换向器电动机的拆卸、接线及调试配分、评分标准:序号主要内容考核要求评分标准配分扣分得分1 拆装前的准备1.考核前将所需工具、仪器及材料准备好2.正确拆除电动机电源电缆头及电动机外壳保护地线;电缆头应有保安措施3.正确拉下联轴器1.考核前将所需工具、仪器及材料没有准备好,扣1分2.拆除电动机电源电缆头及电动机外壳保护地线工艺不正确,电缆头没有保安措施,共扣1分3.拉联轴器方法不正确,扣1分102 拆卸1.拆卸方法和步骤正确2.不能碰伤绕组3.不损坏零部件4.标记清楚1.拆卸步骤方法不正确,每处扣2分2.碰伤绕组扣5分3.损坏零部件,每处扣2分4.装配标记不清楚,每处扣2分103 装配1.装配方法和步骤正确2.不能碰伤绕组3.不损坏零部件4.轴承清洗干净,加润滑油适量5.螺钉紧固6.装配后转动灵活1.装配步骤方法错误,每处扣5分2.损伤绕组扣10分3.损伤零部件,每处扣5分4.轴承清洗不干净、加润滑油不适量,每只扣5分5.紧固螺钉未拧紧,每只扣5分6.装配后转动不灵活,扣10分204 接线1.接线正确、熟练2.电动机外壳接地良好1.接线不正确、不熟练,扣5分2.电动机外壳接地不好,扣5分105 电气测量1.测量电动机绝缘电阻合格2.测量电动机的电流、振动、转速及温度等1.电动机绝缘电阻不合格,扣5分2.不会测量电动机的电流、振动、转速及温度等,扣10分106 试车1.空载试验方法正确2.根据试验结果判定电动机是否合格1.空运转试验方法不正确,扣5分2.根据试验结果不会判定电动机是否合格,扣5分10备注合计考评员签字年月日评分人:年月日核分人:年月日试题2、进行安全文明生产配电间操作电工关于断电断闸、通电合闸操作规程方面的培训指导配分、评分标准:序号主要内容考核要求评分标准配分扣分得分1 准备工作教具、演示工具准备齐全准备不齐全,扣2分 52 讲课1.主题明确、重点突出2.语言清晰、自然,用词正确3.演示动作正确无误1.主题不明确扣2分2.重点不突出扣2分3.语言不清晰、不自然,用词不正确,每次扣2分4.演示动作不正确,每次扣2分203 时间分配不得超过规定时间每超过规定时间1分钟,从本项总分中扣除5分5备注合计考评员签字年月日评分人:年月日核分人:年月日。
考件编号: 姓名: 准考证号:单位:
总成绩表
统分人:年月日
考件编号: 姓名: 准考证号:单位:
试题1、识读接触器联锁正反转控制电路原理图
配分、评分标准:
选择考核项目时应考虑的其他因素:
(1)本项目满分40分。
(2)本项目考核时间限定在30分钟。
(3)在做通电试验时,现场应有2名考评员,其中1人任现场监护。
(4)本内容作为中级维修电工的重点考核内容之一,考核时应优先选择。
评分人:年月日核分人:年月日
考件编号: 姓名: 准考证号:单位:
试题2、安装和调试三相异步电动机按钮联锁正反转控制电路
配分、评分标准:
选择考核项目时应考虑的其他因素:
(1)本项目满分50分。
(2)本项目考核时间限定在100~120分钟。
(3)在做通电试验时,现场应有2名考评员,其中1人任现场监护。
(4)本内容作为中级维修电工的重点考核内容之一,考核时应优先选择。
评分人:年月日核分人:年月日
考件编号: 姓名: 准考证号:单位:安全文明生产
否定项:要求遵守考场纪律,不能出现重大事故。
出现严重违犯考场纪律或发生重大事故,本次技能考核视为不合格。
选择考核项目时应考虑的其他因素:
(1)本项目满分10分。
(2)本内容为中级维修电工的必考内容之一,考核时应现场评分。
(3)本项目为第一类否定项。
评分人:年月日核分人:年月日。
职业技能鉴定国家题库 维修电工中级操作技能考核试卷考件编号:注 意 事 项一、本试卷依据2001年颁布的《维修电工》国家职业标准命制。
二、请根据试题考核要求,完成考试内容。
三、请服从考评人员指挥,保证考核安全顺利进行。
试题1、按图安装和调试如下互补对称式OTL 电路较复杂分立元件模拟电子线路的安装与调试考核要求:(1) 装接前要先检查元器件的好坏,核对元件数量和规格,如在调试中发现元器件损坏,则按损坏元器件扣分。
(2) 在规定时间内,按图纸的要求进行正确熟练地安装,正确连接仪器与仪表,能正确进行调试。
(3) 正确使用工具和仪表,装接质量要可靠,装接技术要符合工艺要求。
(4) 考核注意事项:① 满分40分,考试时间120分钟。
② 安全文明操作。
试题2、检修M1432万能外圆磨床电气线路故障在M1432万能外圆磨床上,设隐蔽故障3处,其中主回路1处,控制回路2处。
考生向考评员询问故障现象时,考评员可以将故障现象告诉考生,考生必须单独排除故障。
考核要求:(1) 从设故障开始,考评员不得进行提示。
(2) 根据故障现象,在电气控制线路图上分析故障可能产生的原因,确定故障发生的范围。
(3) 排除故障过程中如果扩大故障,在规定时间内可以继续排除故障。
(4) 正确使用工具和仪表。
考 生 答 题 不 准 超 过 此 线(5) 考核注意事项:①满分40分,考试时间45分钟。
②在考核过程中,要注意安全。
否定项:故障检修得分未达20分,本次鉴定操作考核视为不通过。
试题3、用三端钮接地电阻测量仪测量避雷装置的接地电阻考核要求:(1) 用接地电阻测量仪测量避雷装置的接地电阻,测量结果准确无误。
(2) 考核注意事项:满分10分,考核时间20分钟。
否定项:不能损坏仪器、仪表,损坏仪器、仪表扣10分。
试题4、在各项技能考核中,要遵守安全文明生产的有关规定考核要求:(1) 劳动保护用品穿戴整齐。
(2) 电工工具佩带齐全。
2019最新维修电工中级工考试题库500题(含答案)一、选择题1.旋紧电磁式电流继电器的反力弹簧, (A ) 。
A. 吸合电流与释放电流增大B. 吸合电流与释放电流减小C. 吸和电流减小、释放电流增大D. 吸和电流增大、释放电流减小2.电动机的短路保护,一般采用(C ) 。
A. 热继电器B. 过电流继电器c. 熔断器 D. 接触器3.Y—△减压启动自动控制线路时按(A )来控制。
A. 时间控制原则B. 电压控制原则C. 速度控制原则D. 行程控制原则4.电动机控制一般原则有行程控制原则、 (A ) 、速度控制原则及电流控制原则。
A. 时间控制原则 B. 电压控制原则C. 电阻控制原则D. 位置控制原则5.LXJ0型三极管结晶开关电路的振荡电路采用(B )振荡回路。
A. 电感三点式B. 电容三点式C. 电阻三点式D. 电压三点式6.低压断路器中的热脱扣器承担(B )保护作用。
A. 过流B. 过载C. 短路D. 欠电压7.在选择熔断器时,下列正确的是(A ) 。
A. 分断能力应大于带你路可能出现的最大短路电流B. 额定电压等于或大于线路的额定电压C. 额定电流可以等于或小于所装熔体的额定电流D. 额定电流可以等于或大于所装熔体的额定电流230低压断路器欠电压脱扣器的额定电压(B )线路额定电压A. 大于B. 等于C. 小于D. 等于 50%8.当通过熔断器的电流达到额定值的两倍时,经(B )后熔体熔断。
A.1hB.30~40sC.10~20hD.1~5s9.FX2N可编程序控制器面板上“PROG.E”指示灯闪烁是( B )。
A.设备正常运行状态电源指示B.忘记设置定时器或计数器常数C.梯形图电路有双线圈D.在通电状态进行存储卡盒的装卸10.对(A )的电动机来说,应采用带断电相保护的热继电器起断相保护作用。
A. 三角形接法B. 星形接法C. 星形接法或三角形接法D. 任一种解法11.为了能在两地控制同一台电动机,两地的启动按钮 SB1、 SB2应采用(A )的接法。
2019最新维修电工中级工考试题库500题(含答案)一、选择题1.交流接触器的灭弧装置有双端口结构及(D )等装置。
A. 静触点灭弧B. 动触点灭弧C. 磁吹灭弧D. 金属栅片灭弧2.在电流互感器使用时不正确的方法是(C ) 。
A. 二次绕组短路B. 铁心及二次绕组的一端接地C. 二次绕组设熔断器D. 二次绕组不准装设熔断器3.对(A )的电动机来说,应采用带断电相保护的热继电器起断相保护作用。
A. 三角形接法B. 星形接法C. 星形接法或三角形接法D. 任一种解法4.过电压及电器适当电压超过规定电压时,衔铁吸和,一般动作为电压为(C )额定电压。
A.40%~70%B.80%~100%C.105%~120%D.200%~250%5.旋松电磁式电流继电器的反力弹簧, (B ) 。
A. 吸合电流与释放电流增大B. 吸合电流与释放电流减小C. 吸和电流减小、释放电流增大D. 吸和电流增大、释放电流减小6.欠电流继电器在正常工作时,线圈通过的电流在正常范围内, (B ) 。
A. 衔铁吸和,常闭触电闭合B. 衔铁吸和,常开触电闭合C. 衔铁不吸和,常开触电断开D. 衔铁不吸和,常闭触电闭合7.当交流接触器的电磁圈通电时, ( A ) 。
A. 常闭触电先断开,常开触电后闭合B. 常开触点先闭合,常闭触电后断开C. 常开、常闭触电同时工作D. 常闭触电可能先断开,常开触点也可能先闭合8.接触器检修后由于灭弧装置损坏,该接触器(B )使用A. 仍能继续B. 不能继续C. 在额定电流下可以D. 短路故障下也可以9.当通过熔断器的电流达到额定值的两倍时,经(B )后熔体熔断。
中级维修电工技能操作考核评分记录表考件编号姓名考号
注:每项扣分不得超过该项配分。
1、本项目的满分60分。
2、本项目的考核时间为180分钟。
评分人:年月日核分人:年月日
中级维修电工试题二技能考核评分记录表考件编号姓名考号
第二题:X62W万能铣床故障检修
2、本项目的考核时间为15分钟
3、在本项目考核中,现场应有2名考评员,其中1人任现场监护
评分人:年月日核分人:年月日
200 级维修电工试卷 A
考件编号姓名考号
**一、试题:
安装Y-△降压启动控制线路电路的安装与调试
二、考核要求:
1、本项目的满分为60分。
2、本项目的考核时间为180分钟。
3、采用板前明布线的方法进行安装。
200 级维修电工备料通知单 A
2、本项目的考核时间为180分钟。
3、采用板前明布线的方法进行安装。
试卷C
一
中级维修电工技能竞赛操作试卷 D 考件编号姓名考号
一、试题:
安装时间继电器双速电动机控制电路
二、考核要求:
1、本项目的满分为60分。
2、本项目的考核时间为180分钟。
3、采用板前明布线的方法进行安装。
2019最新维修电工中级工考试题库500题(含答案)一、选择题1.低压电器按执行功能可分为(B)两大类。
A.低压配电电器和低压开关电器B.有触电电器和无触点电器C.自动切换电器和非自动切换电器D.手动切换电器和非自动切换电器2.使用兆欧表测定的电动机结缘电阻时,如果测出绝缘电阻值在(B )以上,一般可认为电动机绝缘尚好,可继续使用。
A.0.2M QB.0.5M QC.2M QD.10M Q3.过电压及电器适当电压超过规定电压时,衔铁吸和,一般动作为电压为(C )额定电压。
A.40%〜70%B.80%〜100%C. 105%〜120%D.200%〜250%4.旋松电磁式电流继电器的反力弹费,(B)。
A.吸合电流与释放电流增大B.吸合电流与释放电流减小C.吸和电流减小、释放电流增大D.吸和电流增大、释放电流减小5.欠电流继电器在正常工作时,线圈通过的电流在正常范围内,(B ) oA.衔铁吸和,常闭触电闭合B.衔铁吸和,常开触电闭合C.衔铁不吸和,常开触电断开D.衔铁不吸和,常闭触电闭合6.当交流接触器的电磁圈通电时,(A)。
A.常闭触电先断开,常开触电后闭合B.常开触点先闭合,常闭触电后断开C.常开、常闭触电同时工作D.常闭触电可能先断开,常开触点也可能先闭合7.接触器检修后由于灭弧装置损坏,该接触器(B )使用A.仍能继续B.不能继续C.在额定电流下可以D.短路故障下也可以8.交流接触器吸引线圈的额定电压是根据被控电路的(B )来选择。
A.主电路电压B.控制电路电压C.辅助电路电压D.辅助、照明电路电压9.磁吹式灭弧装置的磁吹能力与电弧电流大小的关系是(C) cA.电弧电流越大,磁吹灭弧能力越小B.无关C.电弧电流越大,磁吹灭弧能力越强D.没有固定规律10.对(A)的电动机来说,应采用带断电相保护的热继电器起断相保护作用。
A.三角形接法B.星形接法C.星形接法或三角形接法D.任一种解法11.双触点灭弧的灭弧原理是(A)。
考件编号: 姓名: 准考证号:单位:试题1、按工艺规程,进行55千瓦以上防爆电动机的拆装、接线和调试合计统分人:年月日选择考核项目时应考虑的其他因素:(1)本项目满分40分。
(2)本项目考核时间限定在240分钟。
(3)在做通电试验时,现场应有2名考评员,其中1人任现场监护。
(4)本内容作为专门从事电动机修理工作人员的重点考核内容之一,考核时应优先选择。
评分人:年月日核分人:年月日考件编号: 姓名: 准考证号: 单位:试题2、按工艺规程检修低压电缆中间接线盒 配分、评分标准:否定项:故障检修得分少于20分,本次技能考核视为不合格。
选择考核项目时应考虑的其他因素: (1) 本项目满分40分。
(2) 本项目考核时间限定在120分钟。
(3) 本项目故障点仅设置1个。
(4) 在做通电试验时,现场应有2名考评员,其中1人任现场监护。
评分人:年 月 日 核分人: 年 月 日试题3、用三端钮接地电阻测量仪测量接地装置的接地电阻否定项:要求不能损坏仪器、仪表。
损坏仪器、仪表,扣10分。
选择考核项目时应考虑的其他因素: (1) 本项目满分10分。
(2) 本项目考核时间限定在20分钟。
(3) 现场应有2名考评员,其中1人任现场监护。
(4) 本内容为中级维修电工的必考内容之一。
(5) 本项目具有第二类否定项的内容。
评分人: 年 月 日 核分人: 年 月 日试题4、在各项技能考核中,要遵守安全文明生产的有关规定 配分、评分标准:否定项:要求遵守考场纪律,不能出现重大事故。
出现严重违犯考场纪律或发生重大事故,本次技能考核视为不合格。
选择考核项目时应考虑的其他因素: (1)本项目满分10分。
(2)本内容为中级维修电工的必考内容之一,考核时应现场评分。
(3)本项目为第一类否定项。
评分人: 年 月 日 核分人: 年 月 日。