巨人通力电梯图纸说明
- 格式:docx
- 大小:55.32 KB
- 文档页数:10
目录升级CPU和DRV指导手册(最终版)机房控制柜打上紧急电动, 上电.6—16= 7 断电上电6—1= 11 断电上电1—99= 2 断电上电5—7—2 断电上电1—1 与锁梯层一致(1—72)1—2 6(该参数设置后外呼盒上会有运行箭头)1—12 有提前开门时设 4 无提前开门时设 01—13 01—18 单开门时设 1 双开门时设为 31—24 单开门时设 0 双开门时设为 1 1—42 11—71 31—72 锁梯返回层1—79锁梯时照明关闭=0锁梯时照明不关闭=11—83 11—92 11—930 双开门时设 11—9471—98 17—907—8007—8107—84显示当前位置 1显示下一位置 17—97 1 (锁梯时电梯返回锁梯层关门后外召显示关闭)6—1 116—2 16—26 1.56—28 1.76—34 1.7 (短层时可以小一些)6—60 01—30 基站层锁梯返回层1—32 反基站延时1—33 反基站功能选择1—44 司机功能1—60消防反回曾层1—6111 区域码1—62 1 消防功能选择1—50 为电梯号一号梯为1二号梯为2一类推1—56 为电梯台数1—41 Submenu 1为放到乱功能设为1Submenu2为消号功能设为11用户界面的操作手册 21.1 CPU用户界面的按钮 21.1.1用户界面的按钮 21.1.2 LCE™用户界面的LEDs和按钮71.2变频器用户界面141.2.1面板操作说明142. 慢车运行前需做步骤162.1 修改CPU参数162.2 设置变频器162.2.1同步曳引机162.2.2异步曳引机203.快车调试243.1 DRV抱闸延时调整243.2轿顶检修箱内CCBS拨码开关位置调整243.3 井道自学习243.4 减速距离学习253.5 显示程序设置253.6 减速距离学习25 附录1:参数表28 附录2:OPT拨码开关位置表60 附录3:选项功能缩写62 1用户界面的操作手册1.1 CPU用户界面的按钮1.1.1用户界面的按钮按钮和显示屏1.功能模式2.功能模式的显示3.楼层(轿厢位置)4.新楼层(目标楼层)5.增加数值/楼层6.选择数值/接受7.上召8.内召9.限速器测试10.子菜单11.数值(调整值)12.减小数值/楼层13.下召14.缓冲测试下例描述了召梯的步骤。
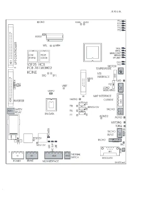
巨人通力电梯图纸说明drawing list 图纸目录position number table 代码对照表machinerymachine room wiring diagrams 机房power supply 电源high voltage 高压controllerexternal connections 外部接线group connections 群控接线option interface unit 选项接口shaft wiring diagrams 井道control panel connectionsserved top floor 顶层服务楼层specials at top floors 特殊顶层服务楼层sered intermetiate floors 中间服务楼层specials at intermediate floors 特殊中间服务楼层extra long fllor to fllor distance 特殊长间距楼层served first fllor 第一层服务楼层specials at first fllor 特殊第一层服务楼层pit wiring 底坑接线key switches at landings 厅开关emergency exits in shaft 井道car diring diagrams 轿厢接线图travelling cable 随缆inspection drive 检修运行safety switches 安全开关limit switches 极限开关doors 门car network,cop 轿厢网络,COPcar calls 轿内召唤car operating panel,general 轿厢操作面板,通用car operating panel,optional 轿厢操作面板,选项car lighting and ventilation 轿厢照明和通风circuit diagramscontactor control 控制machinery control 控制safety chain 安全回路car,door contacts 轿厢,门触点deceleration switches,position switches 检修运行,eceleration switches 减速开关load weighing 称重floor computer network 楼层计算机网络door control AMD 门机控制AMDcar and shaft light 轿厢和井道照明emergency lighting and alarm 和警报remote alarm 远程报警optional circuit diagrams 功能选项wiring between option boards 选项板间接线option board 功能选项板monitoring and command system 监控和firemans drive 消防运行emergency power drive 紧急电源驱动lift announcer 电梯语音报locking of car calls 内呼锁定locking of landing calls 锁定attendant service 司机服务emergency battery drive 紧急traffic supervision display 运监察显intercom system 系统vanes diagram 井道飞器布置图shaft layout,lowest floors 底层井道布置图shaft layout,top floors 顶层井道布置图shaft layout,dummy floors 假楼层井道布置图control panel layout 布置图shaft electrification panel 井道电器控制柜maintenance access panel 维保DWG. NO. 图号ISSUE 版本control panel assembly 控制柜总成position number table 代码对照表hoisting motor 曳引马达thermistorstachome terbrake solenoid 线圈door zone switch 门区开关car call buttons 内呼按钮I/O-board lcecob LCECOB输入输出板attendant switch 司机开关attendent down 司机下attendent up 司机上door open button 开门按钮door close button 关门按钮door extension time 关门延时priority drive switch 优先服务开关switch for car lighting 轿厢照明开关switch for car fan 轿厢风扇开关locking switch 锁开关alarm button 警报按钮stop switch on car roof 轿顶switch for inspection drive 检修运行开关inspection button up 检修上行按钮inspection button down 检修下行按钮inspection button run 检修运行按钮car fan 轿厢风扇car lighting 轿厢照明emergency lightingsocket on car roof 轿顶final limit switch in car 轿厢极限开关safety gear contact 安全嵌触点emergency exit contact 触点impules switch up 感应平层开关上impules switch down 感应平层开关下blocking divice 锁定装置ladder contact 轿顶触点load weighing device 称重装置alarm buzzer on car roof 轿顶out of service switch 锁梯开关fireman`s switch 消防开关deceleration switch up 减速开关上deceleration switch down 减速开关下synchronizntion switch 同步开关safety edge contact 触点door operator 门机door motor 门机马达car door contact 轿门触点door photocell,transmitter 红外线发射端door photocell,receiver 红外线接收端photocell device 红外线装置car position indicator 轿厢显示器alarm received light 警报接收指示灯loudspeaker for elevator speech unit 语音报站扬声器overload indication 超载指示intercom deviceprl-l call switch 厅站优先开关prl-h/hel call switch 医梯优先运行开关out of service switch 退出服务开关concealed door contact 隐藏门触点shaft door contact 厅门触点shaft door lock contact 厅触点tension weight contact 触点buffer contact 触点overspeed governor contact for car 轿厢限速器触点overspeed governor contact for counterweightcar 对重限速器触点fireman`s switch 消防开关button for shaft light 井道照明按钮alarm bell 警铃water sensor 积水传感器shaft lighting 井道照明socket in shaft pit 底坑in use light 运行指示灯out of service light 退出服务指示灯car pos. indicator at floors 层站显示器fire detection at landings 厅站floors board lcefcb 楼层LCEFCBmain contactor 主auxiliary contactor 辅助isolating switch 主开关main switchcontrol panel light 控制柜照明lighting switch 照明开关emergency batter 应急电池remote alarm board lceral 远程报警板LCERALearth fault relaycontrol current transformer 电流shaft lighting relay 井道照明继电器switch for recall drive 紧急电动运行开关recall drive button up 紧急电动运行上recall drive button down 紧急电动运行下recall drive button run 紧急电动运行运行socket 插座car lighting fuse 轿厢照明保险door zone indication 门区指示灯braking resistorserial interface board 板cpu-board lcecpu CPU板LCECPUsafety circuit board lce230/lceADO 安全回路板LCE230/LCEADO drive module 驱动模块network filter 网络connection contactor 接通接触器expansion board lceopt 选项功能板LCEOPTpower supply board 电源板gateway board lcegtw 群控电源信号板LCEGTWcan-board lcecan CAN板LCECANelevator speech unit 电梯语音报站car controller board lceccb 轿厢LCECCBexpansion board lcecceb 扩展板LCECCEBdoor zone contactor 门区接触器speed measurement contactor 速度测量接触器supervisory contactor 监察接触器accurate levelling relay 精确平层继电器emergency battery drive 紧急maintenance access panel 维保shaft electrification panel 井道电器控制柜。
目录升级CPU和DRV指导手册(最终版)机房控制柜打上紧急电动, 上电.6—16= 7 断电上电6—1= 11 断电上电1—99= 2 断电上电5—7—2 断电上电1—1 与锁梯层一致(1—72)1—2 6(该参数设置后外呼盒上会有运行箭头)1—12 有提前开门时设 4 无提前开门时设 01—13 01—18 单开门时设 1 双开门时设为 31—24 单开门时设 0 双开门时设为 1 1—42 11—71 31—72 锁梯返回层1—79锁梯时照明关闭=0锁梯时照明不关闭=11—83 11—92 11—930 双开门时设 11—9471—98 17—907—8007—8107—84显示当前位置 1显示下一位置 17—97 1 (锁梯时电梯返回锁梯层关门后外召显示关闭)6—1 116—2 16—26 1.56—28 1.76—34 1.7 (短层时可以小一些)6—60 01—30 基站层锁梯返回层1—32 反基站延时1—33 反基站功能选择1—44 司机功能1—60消防反回曾层1—6111 区域码1—62 1 消防功能选择1—50 为电梯号一号梯为1二号梯为2一类推1—56 为电梯台数1—41 Submenu 1为放到乱功能设为1Submenu2为消号功能设为11用户界面的操作手册 21.1 CPU用户界面的按钮 21.1.1用户界面的按钮 21.1.2 LCE™用户界面的LEDs和按钮71.2变频器用户界面141.2.1面板操作说明142. 慢车运行前需做步骤162.1 修改CPU参数162.2 设置变频器162.2.1同步曳引机162.2.2异步曳引机203.快车调试243.1 DRV抱闸延时调整243.2轿顶检修箱内CCBS拨码开关位置调整243.3 井道自学习243.4 减速距离学习253.5 显示程序设置253.6 减速距离学习25 附录1:参数表28 附录2:OPT拨码开关位置表60 附录3:选项功能缩写62 1用户界面的操作手册1.1 CPU用户界面的按钮1.1.1用户界面的按钮按钮和显示屏1.功能模式2.功能模式的显示3.楼层(轿厢位置)4.新楼层(目标楼层)5.增加数值/楼层6.选择数值/接受7.上召8.内召9.限速器测试10.子菜单11.数值(调整值)12.减小数值/楼层13.下召14.缓冲测试用户界面的功能模式如下表所示下例描述了召梯的步骤。
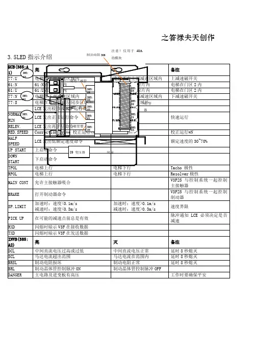
巨⼈通⼒运通系列电梯(主板)参数表新2运通系列电梯(主板)基本参数参数出⼚值功能描述1—1 1 与锁梯层⼀致1—2 6 全集选带运⾏箭头设61—10 5 开门保持时间(可根据现场情况设定)1—12 0 选择ADO/ACL带提前开门设4,不带提前开门设01—13 0 强制关门1—18 1 单开门设1,贯通门设31—23 1 前门类型(所有电梯必须设为1)1—24 0 后门类型,有后门时设11—30 1 泊梯层,和基站设为⼀致1—32 99 泊梯时间1—33 1 泊梯模式1—41 ⽤按钮错误消时设submenu1-0 submenu2-1⽤防捣乱功能时设submenu1-1 submenu2-1关闭此功能两个都设01—42 1 内召注册时蜂鸣1—43 0 外召忽略允许1—44 0 有司机功能时设4,⽆司机功能设01—50 1 在并联或群控时电梯号码,并联时主梯设1副梯设2,群控时按接线设置1,2,3………..⽆并联设11—51 33 并联和群控时设置,1号梯设33,2号梯设34以此类推多⼀台梯向上加11—53 2 重开门类型,重开门⼀次设1,重开门数次设21—54 1 最底层,修改后必须重新进⾏井道⾃学习(并联和群控的最底楼不⼀致时设置)1—56 8 群组容量,两台并联设2,群控时根据实际群控台数设置,⽆并联设81—60 1 消防返回层,和消防层设为⼀致1—61 11 消防区域码,有消防设11,⽆消防设01—62 0 消防功能,有消防设1,⽆消防设01—71 3 检修驱动极限,须设为31—72 1 锁梯返回层,和基站设为⼀致1—79 0 锁梯时轿厢照明状态,关闭设0,不关闭设11—83 1 超载闪烁信号,不闪烁设0,闪烁设11—92 1 风扇类型(1为⾃动且带开关,0为⾃动)1—93 0 COP不可选择,单开门设0,贯通门设11—94 7 到站钟1—98 1 照明类型(1为⾃动且带开关,0为⾃动)6—1 11 驱动类型6—2 1 井道类型(只能设1)6—17 1 ⾃学习前设1,⾃学习完成后设为06—20 -- 77N位置,5-5-1做完后把77N的距离安装成和此值加2CM⼀样(安装完后将电梯开到顶层将6-12设为1来试验是否会冲层,如冲层还应将此距离拉长)6—21 -- 77U位置,5-5-1做完后把77U的距离安装成和此值加2CM⼀样(安装完后将电梯开到底层将6-12设为1来试验是否会冲层,如冲层还应将此距离拉长)6—26 0.3 爬⾏时间5-5-1学习前设0.3。
巨人通力电梯图纸说明drawing list 图纸目录position number table 代码对照表machinery 曳引机machine room wiring diagrams 机房接线图power supply 电源high voltage 高压controller 控制柜external connections 外部接线group connections 群控接线option interface unit 选项接口shaft wiring diagrams 井道接线图control panel connections 控制柜接线图served top floor 顶层服务楼层specials at top floors 特殊顶层服务楼层sered intermetiate floors 中间服务楼层specials at intermediate floors 特殊中间服务楼层extra long fllor to fllor distance 特殊长间距楼层served first fllor 第一层服务楼层specials at first fllor 特殊第一层服务楼层pit wiring 底坑接线key switches at landings 厅门钥匙开关emergency exits in shaft 井道紧急出口car diring diagrams 轿厢接线图travelling cable 随缆inspection drive 检修运行safety switches 安全开关limit switches 极限开关doors 门car network,cop 轿厢网络,COPcar calls 轿内召唤car operating panel,general 轿厢操作面板,通用car operating panel,optional 轿厢操作面板,选项car lighting and ventilation 轿厢照明和通风circuit diagrams 电路图contactor control 接触器控制machinery control 曳引机控制safety chain 安全回路car,door contacts 轿厢,门触点deceleration switches,position switches 检修运行,位置开关eceleration switches 减速开关load weighing 称重floor computer network 楼层计算机网络door control AMD 门机控制AMDcar and shaft light 轿厢和井道照明emergency lighting and alarm 应急照明和警报remote alarm 远程报警optional circuit diagrams 功能选项电路图wiring between option boards 选项板间接线option board 功能选项板monitoring and command system 监控和指令系统firemans drive 消防运行emergency power drive 紧急电源驱动lift announcer 电梯语音报locking of car calls 内呼锁定locking of landing calls 外呼锁定attendant service 司机服务emergency battery drive 紧急电池驱动traffic supervision display 运载流量监察显intercom system 对讲机系统vanes diagram 井道飞器布置图shaft layout,lowest floors 底层井道布置图shaft layout,top floors 顶层井道布置图shaft layout,dummy floors 假楼层井道布置图control panel layout 控制柜布置图shaft electrification panel 井道电器控制柜maintenance access panel 维保控制屏DWG. NO. 图号ISSUE 版本control panel assembly 控制柜总成position number table 代码对照表hoisting motor 曳引马达thermistors 热敏电阻tachome ter 测速发电机brake solenoid 抱闸线圈door zone switch 门区开关car call buttons 内呼按钮I/O-board lcecob LCECOB输入输出板attendant switch 司机开关attendent down 司机下attendent up 司机上door open button 开门按钮door close button 关门按钮door extension time 关门延时priority drive switch 优先服务开关switch for car lighting 轿厢照明开关switch for car fan 轿厢风扇开关locking switch 锁开关alarm button 警报按钮stop switch on car roof 轿顶急停开关switch for inspection drive 检修运行开关inspection button up 检修上行按钮inspection button down 检修下行按钮inspection button run 检修运行按钮car fan 轿厢风扇car lighting 轿厢照明emergency lighting 应急照明socket on car roof 轿顶电源插座final limit switch in car 轿厢极限开关safety gear contact 安全嵌触点emergency exit contact 紧急出口触点impules switch up 感应平层开关上impules switch down 感应平层开关下blocking divice 锁定装置ladder contact 轿顶机械锁触点load weighing device 称重装置alarm buzzer on car roof 轿顶报警器out of service switch 锁梯开关fireman`s switch 消防开关deceleration switch up 减速开关上deceleration switch down 减速开关下synchronizntion switch 同步开关safety edge contact 安全触板触点door operator 门机door motor 门机马达car door contact 轿门触点door photocell,transmitter 红外线发射端door photocell,receiver 红外线接收端photocell device 红外线装置car position indicator 轿厢显示器alarm received light 警报接收指示灯loudspeaker for elevator speech unit 语音报站扬声器overload indication 超载指示intercom device 对讲机prl-l call switch 厅站优先开关prl-h/hel call switch 医梯优先运行开关out of service switch 退出服务开关concealed door contact 隐藏门触点shaft door contact 厅门触点shaft door lock contact 厅门锁触点tension weight contact 涨紧轮触点buffer contact 缓冲器触点overspeed governor contact for car 轿厢限速器触点overspeed governor contact for counterweightcar 对重限速器触点fireman`s switch 消防开关button for shaft light 井道照明按钮alarm bell 警铃water sensor 积水传感器shaft lighting 井道照明socket in shaft pit 底坑电源插座in use light 运行指示灯out of service light 退出服务指示灯car pos. indicator at floors 层站显示器fire detection at landings 厅站火警探测器floors board lcefcb 楼层电脑板LCEFCBmain contactor 主接触器auxiliary contactor 辅助接触器isolating switch 主开关main switch 辅助开关control panel light 控制柜照明lighting switch 照明开关emergency batter 应急电池remote alarm board lceral 远程报警板LCERALearth fault relay 漏电继电器control current transformer 电流感应器shaft lighting relay 井道照明继电器switch for recall drive 紧急电动运行开关recall drive button up 紧急电动运行上recall drive button down 紧急电动运行下recall drive button run 紧急电动运行运行socket 插座car lighting fuse 轿厢照明保险door zone indication 门区指示灯braking resistor 制动电阻serial interface board 串行接口板cpu-board lcecpu CPU板LCECPUsafety circuit board lce230/lceADO 安全回路板LCE230/LCEADO drive module 驱动模块network filter 网络过滤器connection contactor 接通接触器expansion board lceopt 选项功能板LCEOPTpower supply board 电源板gateway board lcegtw 群控电源信号板LCEGTWcan-board lcecan CAN板LCECANelevator speech unit 电梯语音报站car controller board lceccb 轿厢控制板LCECCB expansion board lcecceb 扩展板LCECCEB door zone contactor 门区接触器speed measurement contactor 速度测量接触器supervisory contactor 监察接触器accurate levelling relay 精确平层继电器emergency battery drive 紧急电池驱动maintenance access panel 维保控制屏shaft electrification panel 井道电器控制柜。
版本记录版本更改内容简述编制日期- CR-14-08-001 葛晓敏2014-09-01目次1用户界面的操作手册 11.1 CPU用户界面的按钮 11.2 CPU端口定义和状态指示 51.3 操作面板用户界面的按钮 72 慢车调试 152.1 先决条件与准备152.2 断电操作 152.3 检查接线 152.4 检查检修状态 152.5 系统上电162.6 设置参数 162.7 电机调谐 172.8 检查运行方向182.9 轿顶检修运行183.快车调试193.1 楼层信息自学习193.2 外呼自动寻址193.3 称量自学习 193.4 监控运行电流 203.5 平层精度调整 203.6 舒适感调整213.7 检查安全 23附录A CPU错误代码表24附录B CPU参数表371用户界面的操作手册1.1 CPU用户界面的按钮1.1.1用户界面的按钮按钮和显示屏CPU用户界面如上图,3 个按钮分别定义为PRG、UP、SET。
按键名称具体功能PRG按钮在任何状态下,按下PRG按钮,显示的是当前的功能组菜单号,可以通过UP按钮,改变功能组菜单号;UP按钮在功能组菜单下,可以通过UP按钮进行组号递增,目前定义CPU有13个功能组菜单,因此,UP按钮可以将功能组菜单号循环变化,即0、1、2、3、4、5、6、7、8、9、A、B、C、0。
另外,在特定功能组数据菜单中,UP按钮也可以进行数据输入;SET按钮在功能组菜单下,按SET按钮进入该功能组的数据菜单。
在特定功能组下的数据菜单中,输入简单命令后,按SET按钮保存后,操作面板默认进入F0的菜单显示。
呼梯设定过程如上图所示,使用3个按钮呼梯至5楼操作示意图。
小键盘各菜单功能说明如下:功能名称具体功能描述F0:楼层及运行方向信息上电默认为F0的数据菜单显示,3位数码管的后两位数字显示当前电梯所在的楼层,第1位的数码管用于方向显示。
在电梯停止情况下,第1位数码管不显示,当电梯上行或下行时,该数码管对应地闪烁指示“”或“”。
巨人通力电梯图纸说明 Document serial number【UU89WT-UU98YT-UU8CB-UUUT-UUT108】巨人通力电梯图纸说明drawing list 图纸目录position number table 代码对照表machinerymachine room wiring diagrams 机房power supply 电源high voltage 高压controllerexternal connections 外部接线group connections 群控接线option interface unit 选项接口shaft wiring diagrams 井道control panel connectionsserved top floor 顶层服务楼层specials at top floors 特殊顶层服务楼层sered intermetiate floors 中间服务楼层specials at intermediate floors 特殊中间服务楼层extra long fllor to fllor distance 特殊长间距楼层served first fllor 第一层服务楼层specials at first fllor 特殊第一层服务楼层pit wiring 底坑接线key switches at landings 厅开关emergency exits in shaft 井道car diring diagrams 轿厢接线图travelling cable 随缆inspection drive 检修运行safety switches 安全开关limit switches 极限开关doors 门car network,cop 轿厢网络,COPcar calls 轿内召唤car operating panel,general 轿厢操作面板,通用car operating panel,optional 轿厢操作面板,选项car lighting and ventilation 轿厢照明和通风circuit diagramscontactor control 控制machinery control 控制safety chain 安全回路car,door contacts 轿厢,门触点deceleration switches,position switches 检修运行,eceleration switches 减速开关load weighing 称重floor computer network 楼层计算机网络door control AMD 门机控制 AMDcar and shaft light 轿厢和井道照明emergency lighting and alarm 和警报remote alarm 远程报警optional circuit diagrams 功能选项wiring between option boards 选项板间接线option board 功能选项板monitoring and command system 监控和firemans drive 消防运行emergency power drive 紧急电源驱动lift announcer 电梯语音报locking of car calls 内呼锁定locking of landing calls 锁定attendant service 司机服务emergency battery drive 紧急traffic supervision display 运监察显intercom system 系统vanes diagram 井道飞器布置图shaft layout,lowest floors 底层井道布置图shaft layout,top floors 顶层井道布置图shaft layout,dummy floors 假楼层井道布置图control panel layout 布置图shaft electrification panel 井道电器控制柜maintenance access panel 维保DWG. NO. 图号ISSUE 版本control panel assembly 控制柜总成position number table 代码对照表hoisting motor 曳引马达thermistorstachome terbrake solenoid 线圈door zone switch 门区开关car call buttons 内呼按钮I/O-board lcecob LCECOB输入输出板attendant switch 司机开关attendent down 司机下attendent up 司机上door open button 开门按钮door close button 关门按钮door extension time 关门延时priority drive switch 优先服务开关switch for car lighting 轿厢照明开关switch for car fan 轿厢风扇开关locking switch 锁开关alarm button 警报按钮stop switch on car roof 轿顶switch for inspection drive 检修运行开关inspection button up 检修上行按钮inspection button down 检修下行按钮inspection button run 检修运行按钮car fan 轿厢风扇car lighting 轿厢照明emergency lightingsocket on car roof 轿顶final limit switch in car 轿厢极限开关safety gear contact 安全嵌触点emergency exit contact 触点impules switch up 感应平层开关上impules switch down 感应平层开关下blocking divice 锁定装置ladder contact 轿顶触点load weighing device 称重装置alarm buzzer on car roof 轿顶out of service switch 锁梯开关fireman`s switch 消防开关deceleration switch up 减速开关上deceleration switch down 减速开关下synchronizntion switch 同步开关safety edge contact 触点door operator 门机door motor 门机马达car door contact 轿门触点door photocell,transmitter 红外线发射端door photocell,receiver 红外线接收端photocell device 红外线装置car position indicator 轿厢显示器alarm received light 警报接收指示灯loudspeaker for elevator speech unit 语音报站扬声器overload indication 超载指示intercom deviceprl-l call switch 厅站优先开关prl-h/hel call switch 医梯优先运行开关out of service switch 退出服务开关concealed door contact 隐藏门触点shaft door contact 厅门触点shaft door lock contact 厅触点tension weight contact 触点buffer contact 触点overspeed governor contact for car 轿厢限速器触点overspeed governor contact for counterweightcar 对重限速器触点fireman`s switch 消防开关button for shaft light 井道照明按钮alarm bell 警铃water sensor 积水传感器shaft lighting 井道照明socket in shaft pit 底坑in use light 运行指示灯out of service light 退出服务指示灯car pos. indicator at floors 层站显示器fire detection at landings 厅站floors board lcefcb 楼层LCEFCBmain contactor 主auxiliary contactor 辅助isolating switch 主开关main switchcontrol panel light 控制柜照明lighting switch 照明开关emergency batter 应急电池remote alarm board lceral 远程报警板LCERALearth fault relaycontrol current transformer 电流shaft lighting relay 井道照明继电器switch for recall drive 紧急电动运行开关recall drive button up 紧急电动运行上recall drive button down 紧急电动运行下recall drive button run 紧急电动运行运行socket 插座car lighting fuse 轿厢照明保险door zone indication 门区指示灯braking resistorserial interface board 板cpu-board lcecpu CPU板LCECPUsafety circuit board lce230/lceADO 安全回路板LCE230/LCEADO drive module 驱动模块network filter 网络connection contactor 接通接触器expansion board lceopt 选项功能板LCEOPTpower supply board 电源板gateway board lcegtw 群控电源信号板LCEGTWcan-board lcecan CAN板LCECANelevator speech unit 电梯语音报站car controller board lceccb 轿厢LCECCBexpansion board lcecceb 扩展板LCECCEB door zone contactor 门区接触器speed measurement contactor 速度测量接触器supervisory contactor 监察接触器accurate levelling relay 精确平层继电器emergency battery drive 紧急maintenance access panel 维保shaft electrification panel 井道电器控制柜。