巨人通力电梯的所有故障代码
- 格式:pdf
- 大小:231.10 KB
- 文档页数:2
巨人通力电梯常见故障处理方法0001 运行监控时间超时0003 超时0004 在连续三次同步效正运行中错误0007 门区开关30或B30粘连0014 提前开门错误。
跟在0076错误后0015 连续两次提前开门监控故障,跟在0082故障后0021 安全回路不通0022 在运行时厅门打开0023 在运行时轿门打开0025 启动允许错误0026 DRV板故障0036 在运行时主接触器释放0037 抱闸打开错误0039 77:U,77:N 旁边按钮粘联0042 轿箱照明监控0043 关门到位丢失0044 多次关门失败0046 轿门触点,厅门触点或关门到位不工作0048 重开装置运作超时1分钟0051启动失败0052上下同步开关同时运作0058 不启动超时0061 强制关门时间过长0062 轿修方向按钮粘联0071 无30或B30(门区)信号0072 61:U输入粘联错误0073 无61:N输入0074 61:N输入粘联错误0166 在平层过快0169 自动电池测试探测到电池电压过底0170 AC供电故障0172 24VDC轿箱和井道供电0213 未发现楼层节点以下为DRV板故障0101 驱动停止0102 LCEDRV缓冲测试按钮粘联0104电机过热0105 变频器故障0106 LCEDRV板故障0107 LWD故障0109 位置丢失以下为在SETUP学习时的故障0113 同步开关77:S故障0114 楼层距离过近0117 没有楼层位置自学习以下为网络LCECCBS轿顶连接板1201 操纵箱内第一块CEB板故障1202 操纵箱内第二块CEB板故障12nn 操纵箱内第n块板故障LCECOB前门1301 前门COB板故障后门2301 后门COB板故障LCEFCB前门1401~~14nn 第n块FCB板故障后门2401~~24nn 第n块FCB板故障LCEFOB前门15~~ 后门25~~15nn~~25nn 第n块FOB板故障LCEGTW板1601 网关板故障LCEOPT17nn~~27nn 第n块OPT板故障LCECIB前门1801 前门轿箱司机功能板故障后门2801 后门轿箱司机功能板故障巨人通力电梯常见故障处理方法以下几点是针对LCE控制系统的0091、0101、0001、0083、0036、0003等故障的基本处理方法,通过技术支持分析,许多现场故障是由信号干扰或钢带不垂直、门锁触点没调整到位造成的,现发给大家以便参考。
(找高薪电梯工作尽在一览电梯英才网)0001 运行监控时间超时0003 超时0004 在连续三次同步效正运行中错误0007 门区开关30或B30粘连0014 提前开门错误。
跟在0076错误后0015 连续两次提前开门监控故障,跟在0082故障后0021 安全回路不通0022 在运行时厅门打开0023 在运行时轿门打开0025 启动允许错误0026 DRV板故障0036 在运行时主接触器释放0037 抱闸打开错误0039 77:U,77:N 旁边按钮粘联0042 轿箱照明监控0043 关门到位丢失0044 多次关门失败0046 轿门触点,厅门触点或关门到位不工作0048 重开装置运作超时1分钟0051启动失败0052上下同步开关同时运作0058 不启动超时0061 强制关门时间过长0062 轿修方向按钮粘联0071 无30或B30(门区)信号0072 61:U输入粘联错误0073 无61:N输入0074 61:N输入粘联错误0166 在平层过快0169 自动电池测试探测到电池电压过底0170 AC供电故障0172 24VDC轿箱和井道供电0213 未发现楼层节点以下为DRV板故障0101 驱动停止0102 LCEDRV缓冲测试按钮粘联0104电机过热0105 变频器故障0106 LCEDRV板故障0107 LWD故障0109 位置丢失以下为在SETUP学习时的故障0113 同步开关77:S故障0114 楼层距离过近0117 没有楼层位置自学习以下为网络LCECCBS轿顶连接板1201 操纵箱内第一块CEB板故障1202 操纵箱内第二块CEB板故障12nn 操纵箱内第n块板故障LCECOB前门1301 前门COB板故障后门2301 后门COB板故障LCEFCB前门1401~~14nn 第n块FCB板故障后门2401~~24nn 第n块FCB板故障LCEFOB前门15~~ 后门25~~15nn~~25nn 第n块FOB板故障LCEGTW板1601 网关板故障LCEOPT17nn~~27nn 第n块OPT板故障LCECIB前门1801 前门轿箱司机功能板故障后门2801 后门轿箱司机功能板故障。
巨人通力电梯故障代码0007 门区开关30或B30粘连门区信号连续有效需要重启或检修驱动0014 门区监控电路内的533继电器在俩个连续的运行中无作用。
该错误跟在76错误后面553继电器电路未充电需要重启或检修驱动0015 连续俩次有不正确的门区监控操作ADO/ACL线路未被充电。
443:1或443:2或486未在轿厢层站时充电或轿厢速度大于SL1速度(5-20-9设置)时放电需要重启或检修驱动0021 安全回路不通在回路板上用万用表检测全通正常运行0022 在运行时厅运行时安全回关闭厅门门打开路输入口3缺电。
安全回路输入口1和2必须是230V正常0023 在运行时轿门打开关闭轿门正常0025 启动允许错误启动允许回路内接触器未闭合,电梯不运行输入口XD1/3有230V交流电压0026 驱动不成功驱动系统错误。
驱动板报错给主板。
参见驱动板错误代码0027 K7(主继电器)粘连由继电器自己物理损坏。
三级管保持充电给K7继电器需要更换安全回路板0036 运行时接触器释放驱动板输出驱动无效。
驱动有错误电梯停止重新设置后自动复位0037 抱闸打开错误1.在启动时抱闸打不开2.在电梯运行时报站关闭3.抱闸接触器输入链接器释放重启0039 77U/N旁路按钮粘连重启0041 无法紧急抱闸0042 轿厢照明监控无轿厢照明轿厢照明电源打开恢复0043 关门到位丢失厅门轿门关闭10秒后门到位未关闭或不工作调整到位开关恢复正常0044 多次关门失败系统尝试关门未收到关门信号检查驱动或输入新召唤0046 轿门或厅门关门到位不工作关门到位不工作未闭合0048 重开装置运作超过1分钟光幕或开门按钮运作超过1分障碍物清除移开0051 启动失败电梯不能启动检修运行或新召唤0052 上下同步开关同时运作减速开关77U/N同时运作一个输入无效0058 不启动超时150秒内电梯不能启动也许同时有86错误在一定时间自动恢复(单梯10秒群为100秒00061 强制关门时间过长门有障碍物门机故障0062 检修按钮粘连轿顶或机房检修信号持续有效开关问题0063 门旁路开关轿顶机房检修重启故障开关轿门厅门旁路开关故障0064 K637继电器反馈故障轿顶主板上的K637故障需要重启0065 Normal继电器不能粘连检查NORM继电器需要重启0071 无30或B30门区信号没有发现30或B30信号重启或查看驱动0072 61U输入粘连错误61U不改变状态重启或查看驱动0073 无61N输入无61N输入重启或查看驱动0074 61N输入粘连错误61N不改变状态重启或查看驱动0075 无61U输入无61U输入重启或查看驱动0076 门区监控电路533继电器不工作连续2次报14错误ADO/ACL电路未被充电10秒后自动复位0077 开门到位持续无效在门开始关闭时自动复位0078 内招粘连至少一个内招粘连在恢复正常内招有效0079 外招粘连至少一个外招粘连恢复正常外招有效0080 锁检查回路故障553 ADO故障输入3恢复正常状态0081 在平层故障开关信号或钢丝绳故障调好正常运行0082 门区监控回路故障连续俩次报15错误ADO/AC线路未被充电。
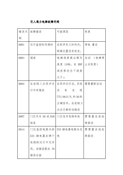
巨人通力电梯故障代码错误代码故障描述可能原因恢复0001 运行监控时间超时在软件定义时间内,轿厢位置没有改变。
停电重启0003 超速电梯速度高出额定速度110%。
在RDF或检修状态下速度大于0.66m/s 自动(电梯停止后恢复)0004 在连续三次同步运行中有错误在同步运行后,系统没有发现77U/N61U/N,和30的正确信号。
在连续3次运行都有该错误需要重新启动0007 门区开关30或B30粘连门区信号连续有效需要重启或检修驱动0014 门区监控电路内的533继电器在俩个连续的运行中无作用。
该错误跟在76错误后面553继电器电路未充电需要重启或检修驱动0015 连续俩次有不正确的门区监控操作ADO/ACL线路未被充电。
443:1或443:2或486未在轿厢层站时充电或轿厢速度大于SL1速度(5-20-9设置)时放电需要重启或检修驱动0021 安全回路不通在回路板上用万用表检测全通正常运行0022 在运行时厅门打开运行时安全回路输入口3缺电。
安全回路输入口1和2必须是230V关闭厅门正常0023 在运行时轿门打开关闭轿门正常0025 启动允许错误启动允许回路内接触器未闭合,电梯不运行输入口XD1/3有230V交流电压0026 驱动不成功驱动系统错误。
驱动板报错给主板。
参见驱动板错误代码0027 K7(主继电器)粘连由继电器自己物理损坏。
三级管保持充电给K7继电器需要更换安全回路板0036 运行时接触器释放驱动板输出驱动无效。
驱动有错误电梯停止重新设置后自动复位0037 抱闸打开错误 1.在启动时抱闸打不开2.在电梯运行时报站关闭3.抱闸接触器输入链接器释放重启0039 77U/N旁路按钮粘连重启0041 无法紧急抱闸0042 轿厢照明监控无轿厢照明轿厢照明电源打开恢复0043 关门到位丢失厅门轿门关闭10秒后门到位未关闭或不工作调整到位开关恢复正常0044 多次关门失败系统尝试关门未收到关门信号检查驱动或输入新召唤0046 轿门或厅门关门到位不工作关门到位不工作未闭合0048 重开装置运作超过1分钟光幕或开门按钮运作超过1分障碍物清除移开0051 启动失败电梯不能启动检修运行或新召唤0052 上下同步开关同时运作减速开关77U/N同时运作一个输入无效0058 不启动超时150秒内电梯不能启动也许同时有86错误在一定时间自动恢复(单梯10秒群为100秒00061 强制关门时间过长门有障碍物门机故障0062 检修按钮粘连轿顶或机房检修信号持续有效开关问题0063 门旁路开关故障轿顶机房检修开关轿门厅门旁路开关故障重启0064 K637继电器反馈故障轿顶主板上的K637故障需要重启0065 Normal继电器不能粘连检查NORM继电器需要重启0071 无30或B30门区信号没有发现30或B30信号重启或查看驱动0072 61U输入粘连错误61U不改变状态重启或查看驱动0073 无61N输入无61N输入重启或查看驱动0074 61N输入粘连错误61N不改变状态重启或查看驱动0075 无61U输入无61U输入重启或查看驱动0076 门区监控电路533继电器不工作连续2次报14错误ADO/ACL电路未被充电10秒后自动复位0077 开门到位持续无效在门开始关闭时自动复位0078 内招粘连至少一个内招粘连在恢复正常内招有效0079 外招粘连至少一个外招粘连恢复正常外招有效0080 锁检查回路故障553 ADO故障输入3恢复正常状态0081 在平层故障开关信号或钢丝绳故障调好正常运行0082 门区监控回路故障连续俩次报15错误ADO/AC线路未被充电。
巨人通力电梯故障代码巨人通力电梯是一家领先的电梯制造公司,其产品以高质量和可靠性而闻名。
然而,在使用过程中,电梯故障可能会发生。
这篇文章将介绍巨人通力电梯常见的故障代码以及解决方法,以帮助用户更好地理解和处理电梯故障。
1. E001 故障代码 - 开门故障当电梯开门机构出现故障时,电梯控制器会显示E001故障代码。
这可能是由于门簧片、开门机构或开门驱动装置损坏或松动导致的。
解决方法是检查和修理开门机构,确保门簧片和驱动装置正常运作。
2. E002 故障代码 - 关门故障当电梯关门机构发生故障时,电梯控制器会显示E002故障代码。
此问题可能是由于关门装置、关门驱动器或其他关门机构部件出现问题造成的。
解决方法是检查和修复关门机构的各个部分,确保它们正常工作。
3. E003 故障代码 - 缓冲器故障电梯控制器显示E003故障代码时,表示电梯的缓冲器发生故障。
缓冲器是保证电梯平稳停靠的重要部件。
如果出现此故障代码,需要检查缓冲器是否受损或需要更换。
4. E004 故障代码 - 平层故障当电梯不能准确停在指定层时,电梯控制器会显示E004故障代码。
这可能是由于楼层传感器故障、磁轨装置损坏或控制器设置问题引起的。
解决方法是检查并修复楼层传感器、磁轨装置或重新设置控制器。
5. E005 故障代码 - 限速器故障限速器是电梯的重要安全装置,用于控制电梯在超过安全速度时的制动。
当限速器出现问题时,电梯控制器将显示E005故障代码。
解决方法是检查限速器并进行必要的维修或更换。
6. E006 故障代码 - 电梯停电电梯控制器显示E006故障代码时,表示电梯供电中断。
这可能是由于电力故障、保险丝烧断或电源故障引起的。
解决方法是检查电源供应是否正常,排除供电问题。
7. E007 故障代码 - 急停开关故障急停开关是电梯内的紧急停止装置,当急停开关故障时,电梯控制器会显示E007故障代码。
解决方法是检查急停开关的连接,并确保其正常工作。