汽油机气门组零件的拆装与维修
- 格式:ppt
- 大小:1.26 MB
- 文档页数:16
气门组的构造与拆装(2课时)一、教材分析本教学设计方案选自高等教育出版社孔宪峰主编的《汽车发动机构造与维修》第三章“配气机构的构造与维修”中的“气门组的构造与拆装”。
第三章“配气机构的构造与维修”是重点章节。
气门组是配气机构重要的组成部分,气门组的性能良好与否对发动机的功率、油耗和排气污染等影响很大。
二、学情分析授课班级为汽车运用及维修专业二年级学生,班里的学生有共同的特点:①具备了一定的发动机结构的知识;②掌握了一定的工具正确使用方法;③实操课兴趣浓厚,理论课程的学习有困难。
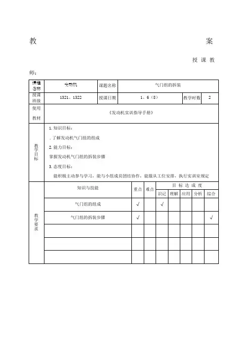
三、教学目标①理解气门组的基本知识理论②掌握气门组结构与拆装;③培养良好的安全和卫生习惯。
四、教学重难点重点①掌握气门组拆装基本操作过程难点①气门组拆装基本操作过程中的规范性五、教学方法任务驱动法、情景创设法、示范教学法等六、板书设计(一)气门组组件的认识1、气门锁片2、气门导管3、气门弹簧4、油封5、气门座6、气门(二)气门组拆装七、教学过程阶段教学内容教师活动学生活动教学意图旧课复习(3分钟)一、配气机构:1、作用2、组成提问,归纳回答、聆听,跟着老师的思路回顾旧知识复习旧知识,为引入新课奠定基础。
新课引入(3分钟)故障案例分析早晨发动机起动后排气管有冒蓝烟的现象,怠速工作一会儿后就不冒蓝烟了,其他一切正常。
创建情境,提供引导,导入新课思考,分析,回答通过案例的引入,提高学生对课程的兴趣新知学习(32分钟)一、气门组组件知识介绍1、气门锁片2、气门导管3、气门弹簧4、油封5、气门座6、气门(一)气门作用:密封进排气道类型:进气门排气门组成:头部(封闭气道)杆身(导向及导热作用)气门锥角:功用:接触良好,密封45°进、排气门。
30°进气门(二)、气门座功用:密封,散热类型:直接在气缸盖上镗出单独制成气门座圈(三)、气门导管功用:导向、导热安装时,注意高度!伸入深度应适量。
锥度可减少气通过文字,结合图片,讲解,有效组织教学认知过程,以有效吸引学生注意力,注意课堂学习效率和课堂纪律状况。
发动机气门组的拆卸、检查和装配任务书
一.实训任务:实训内容为发动机气门机构的检修。
要求在规定时间内,按照维修手册要求对发动机气门机构进行检查、测量,并根据测量结果进行分析做出零件好坏及维修方案的判断。
重点考核工量具选择与使用、零部件检查及测量、作业规范及安全,并正确填写《发动机气门机构的拆卸、检查和装配维修记录表》。
二.实训器材:科鲁兹1.6L发动机(LDE)汽缸盖总成(含进排气门组,不含进、排气歧管和正时齿轮、汽缸垫等附件,并已拆除气门室盖)一套。
3.实训步骤
(1)拆卸指定的某一个气缸的全部进气门和排气门组件;
(2)对该气缸(两组四个进排气门)中指定其中的一组进、排气门进行:
①外观检查;
②进、排气门的长度测量;
③进、排气门头部的直径测量;
④进、排气门锥面上的接触面宽度测量;
⑤气缸盖上该组进、排气门座的接触面宽度测量,使用红印油
检查检测;
⑥该组进、排气门对气门座的同心度检查;
⑦气门与气门座接触面的位置检查检测。
(3)填写作业记录表和维修工单;
(4)清洁零部件;
(5)装配进、排气门组;(6)清洁整理打扫工位。
内容二:丰田汽油发动机的拆装一、结构简介1.汽车发动机由曲柄连杆机构、配气机构、供给系、点火系、冷却系、润滑系和起动系组成。
2.曲柄连杆机构包括机体组、活塞连杆组、曲轴飞轮组等,这是发动机产生动力,并将活塞的直线往复运动转变为曲轴的旋转运动而输出动力的机构。
3.配气机构:包括气门组和气门传动组,其功用是使可燃混合气及时充入气缸并及时从气缸排出废气。
4.供给系:包括燃油供给装置、空气供给装置、可燃混合气形成装置、可燃混合气供给和废气排出装置,其作用是使汽油和空气混合成成份合适的可燃混合气并供入气缸,以供燃烧,并将燃烧生成的废气排出发动机。
5.点火系:分为蓄电池点火系、半导体点火系和磁电机点火系等,其功用是保证按规定的时刻及时点燃气缸中被压缩的混合气。
6.冷却系:包括水泵、散热器、风扇、分水管、气缸体放水阀、水套等。
其功用是把受热机件的热量散到大气中去,以保证发动机正常工作。
7.润滑系:包括机油泵、集滤器、限压阀、润滑油道、机油滤清器等。
其功用是将润滑油供给作相对运动的零件以减少它们之间的摩擦阻力,减轻机件的磨损,并部分地冷却摩擦零件,清洗摩擦表面。
8.起动系:包括起动机及其附属装置,用以使静止的发动机起动并转入自行运转。
二、拆装过程及步骤1、发动机机体组件的拆卸1)拆下气缸盖的固定螺钉,注意螺钉应从两端向中间交叉旋松,并且分3次才卸下螺钉。
2)抬下气缸盖。
3)取下气缸垫,注意气缸垫的安装朝向。
4)旋松油底壳的放油螺钉,放出油底壳内机油。
5)翻转发动机,拆卸油底壳固定螺钉(注意螺钉也应从两端向中间旋松),拆下油底壳和油底壳密封垫。
6)旋松机油粗滤清器固定螺钉,拆卸机油滤清器、机油泵链轮和机油泵。
2、发动机活塞连杆组的拆卸1)转动曲轴,使发动机1、4缸活塞处于下止点。
日产阳光发动机气门拆装-回复日产阳光是一款非常受欢迎的小型车型,而发动机作为车辆的核心部件,对于车辆的性能和动力非常关键。
在发动机中,气门是控制燃气进出发动机缸内的关键部件。
在汽车使用一段时间后,气门可能会出现磨损或损坏的情况,此时就需要进行气门的拆装维修。
本文将一步一步回答关于日产阳光发动机气门拆装的方法和要点。
第一步:准备工作在进行气门拆装维修之前,需要先将车辆停在平整的地面上,并且将发动机冷却至室温,以免因为高温而造成烫伤。
此外,为了保证工作的安全和顺利进行,建议戴上护目镜和手套,并使用稳固的支撑来固定发动机。
第二步:卸下发动机罩要进行气门的拆装维修,首先需要将发动机罩卸下。
一般来说,发动机罩由一些螺丝和卡扣固定,可以使用相应的工具进行拆卸。
务必小心操作,避免刮伤或碰撞发动机罩。
第三步:排气系统拆卸气门位于发动机缸头上方,而缸头周围则被排气系统所覆盖。
在进行气门拆装之前,需要先将排气系统进行拆卸。
一般来说,排气系统由多个螺栓和管道连接,可以使用扳手或扳手套进行拆卸。
第四步:发动机缸盖拆卸气门位于发动机缸头上方,而缸头则由发动机缸盖固定。
因此,在进行气门拆装之前,需要将发动机缸盖进行拆卸。
发动机缸盖通常由多个螺丝固定,一般位于发动机缸盖的四周。
使用扳手或扳手套逆时针拧动螺丝,将其逐个拆下。
第五步:气门拆卸在拆卸发动机缸盖之后,可以看到各个气门的存在。
气门通常由气门杆和气门弹簧固定。
首先,需要使用气门卡子将气门弹簧夹住,然后卸下气门杆上的螺栓。
拆卸气门时应该小心,避免对周围零部件造成损坏。
第六步:清洁和检查在拆卸下来的气门中,可能会有沉积物或积碳。
在进行气门组装之前,需要将气门进行清洁。
可以使用油品稀释液或汽车清洗剂来清洁气门,并用刷子进行刷洗。
此外,在清洁的同时,可以对气门进行检查,看是否有磨损或损坏的情况。
第七步:气门组装在清洁和检查完气门之后,可以进行气门组装。
首先,将清洁后的气门放回原位,并用气门杆上的螺栓固定。