气门组的拆装与检测
- 格式:ppt
- 大小:9.30 MB
- 文档页数:51
气门组的拆装与检测步骤
气门组的拆装与检测步骤通常如下:
1. 准备工作:在拆装气门组之前,首先需要确保发动机已经冷却,并拆下冷却系统的相关连接件,以避免发生烫伤事故。
2. 拆卸:将气门盖拆下,并逐个拧下每个气门螺栓。
然后,将每个气门杆和气门杆密封拧下,并清洁净化。
3. 检测:使用专业的测量工具,如游标卡尺和万用表等,对气门杆进行检测。
检查气门杆是否磨损或变形,并量取其长度和直径。
此外,还需要对气门导管进行清洁和检查,以确保其通畅性。
4. 更换:如果发现气门杆或气门导管存在严重的磨损或损坏,需要及时更换。
同时,在更换新的气门杆时,还需要涂抹一层机油以减少摩擦,并确保气门间隙的正确调整。
5. 安装:将更换后的气门杆和气门杆密封按照正确的顺序装回气门盖上,并逐个拧紧气门螺栓,以确保气门杆稳固地固定在发动机上。
6. 检测:装配完成后,使用万用表等工具对气门杆进行电路测试,以确保其正常工作。
此外,还需要对整个气门组进行漏气测试,以确保气门的密封性和正常工作。
7. 调整:根据实际情况,对气门间隙进行调整,以保证发动机
的正常工作。
同时,也要注意校正气门间隙的相关参数,以确保每个气门都保持适当的间隙。
总之,拆装和检测气门组是一项繁琐且精细的工作,需要专业的工具和技术来完成。
因此,在进行该项工作时,最好由经验丰富的技术人员或专业维修机构来完成。
配气机构气门组检测拆装心得体会一百字篇一:
通过这次配气机构气门组的检测拆装,我深刻认识到了细心和耐心的重要性。
只有准确地进行检测和拆装,才能保证发动机正常工作,提高整体效率和性能。
尽管工作繁琐,但只要我们经过认真学习和实际操作,掌握正确的技巧和方法,就能够胜任这项工作,并提升自身的专业水平。
篇二:
在进行配气机构气门组的检测与拆装过程中,我深刻体会到了操作的细致和谨慎的重要性。
准备工作要充分,确保所需工具和设备齐全,并仔细研读技术手册。
要仔细观察气门组件的磨损情况,判断是否需要更换或修复。
在拆卸和安装过程中,要注意细节,避免损坏部件,并保持清洁。
通过这次经历,我提高了自己的操作技巧和专业水平,也更加明白了细致和谨慎对于工作的重要性。
一、实验目的1. 了解汽车发动机气门的结构和工作原理。
2. 掌握气门拆装的步骤和注意事项。
3. 培养动手操作能力和故障排除能力。
二、实验原理汽车发动机气门是发动机配气机构的重要组成部分,其主要作用是控制进气和排气过程。
气门拆装实验通过对气门的拆卸和组装,使学生了解气门的结构、工作原理以及拆装过程。
三、实验器材1. 汽车发动机气门一套2. 气门拆装工具一套3. 磁力棒4. 钳子5. 钢丝刷6. 气门油封拔取钳7. 防护眼镜8. 气门弹簧压缩工具9. 气门锁片四、实验步骤1. 气门拆卸(1)确认气门组位置,认识气门拆装专用工具,选择合适大小的气门拆装接头和接杆。
(2)组装气门组的拆装工具,将其组装到气缸盖中所需拆卸的位置,一边固定,一边调整。
(3)调整气门组拆装工具,压缩气门弹簧。
(4)用一字起沾黄油,取出气门锁片,拆松气门组专用拆装工具。
(5)取出气门弹簧座、气门弹簧、气门。
(6)使用磁力棒吸取气门弹簧锁片,若锁片无法以磁力棒吸取,使用另一段将锁片挑松。
(7)拆卸气门油封,使用气门油封拔取钳拔取气门油封。
(8)拆卸之后,零配件按顺序排列。
2. 气门检查(1)气门外观目视检测:气门座部位点腐蚀、头部锥面厚度、气门杆部弯曲、气门杆部点蚀磨损、锁片槽磨损、气门杆顶端磨损。
(2)气门长度检测。
(3)气门头部直径检测。
(4)气门锥面上的接触面宽度检测。
3. 气门组装(1)按照先拆后装的顺序,依次安装。
(2)安装气门弹簧时,注意将其压缩到位。
(3)安装气门锁片,确保其牢固。
(4)安装气门油封,使用气门油封拔取钳。
(5)安装气门,确保气门与气门座接触良好。
(6)组装完成后,检查气门间隙,确保符合要求。
五、实验结果与分析通过本次实验,掌握了汽车发动机气门的拆装步骤和注意事项。
在拆卸过程中,应注意以下几点:1. 操作过程中,要轻拿轻放,避免损坏气门及气门座。
2. 使用专用工具,避免使用不当工具损坏气门。
3. 拆卸过程中,注意零配件的顺序和位置,便于组装。
发动机双⽓门、三⽓门、四⽓门拆装教程及检修⽅法!⽓门是发动机的⼀个重要零件。
⽓门的作⽤是专门负责向发动机内输⼊空⽓并排出燃烧后的废⽓。
⽓门⼯作环境恶劣,直接与燃⽓接触,排⽓门最⾼温度可达800℃,⼜处于润滑循环的末端,再加上⽓门⼯作时开启关闭动作频繁,⽓门组零件极易产⽣损伤。
因此,要注意对⽓门组零件的检修,以保证其处于正常的⼯作状态。
⼀、⽓门的检修1.⽓门组的拆却⽓门组在组装完毕后,弹簧处于预紧状态,如拆卸不当,弹簧弹出会击伤⼈体,因此,在拆卸⽓门组时必须使⽤专门的⽓门弹簧拆卸器进⾏规范操作,⽅能保证安全拆卸⽓门组。
拆卸时使⽤弹簧拆卸器将弹簧座连同已被预紧的弹簧⼀起压下,使锁销处于⾃由状态可⽅便取下。
然后再将弹簧座连同弹簧⼀起慢慢放松,直⾄弹簧处于完全放松的⾃由状态,即可轻松取出弹簧座、弹簧和⽓门。
拆双⽓门发动机1、将螺栓拧⼊上缸盖对应位置2、使⽤⽓门拆卸⼯具下压取出⽓门弹簧上锁⽚3、配合磁⼒棒将⽓门锁⽚吸出4、取出⽓门弹簧与⽓门⽓座拆三⽓门发动机1、将⽓门拆卸⼯具放⼊对应位置,拧紧螺栓2、将⽓门压⽚放置对应位置,并拧⼊螺母3、⽤扳⼿顺时针旋转,下压⽓门压⽚,漏出⽓门弹簧锁⽚4、配合磁⼒棒将⽓门锁⽚吸出5、慢慢松开螺母,取出⽓门弹簧拆四⽓门发动机1、将⽓门弹簧压缩器顶端拧⼊上缸盖对应位置2、下压⽓门弹簧压缩器⼀端,配合磁⼒棒将⽓门锁⽚吸出3、取出⽓门弹簧后,可调节位置拆卸另外⽓门⽓门的检查与修理(1)检查⽓门头部和杆的弯度,⽓门杆端部变形或磨损时应进⾏修正,修正值必须是最⼩值。
研磨⽓门⾯。
(2)⽓门厚度⼩于极限值时更换⽓门。
在维修时,要检验每个⽓门杆尾端有⽆偏摆、磨损和弯曲。
(3)检查每个⽓门的⼯作⾯和杆有⽆磨损、烧毁或变形,如有必要,应进⾏更换。
(4)⽓门杆尾端偏摆使⽤限度:进⽓门为0. 1 mm,排⽓门为0.1 mm。
测量⽓门头厚度标准值:进⽓门为1. 0 mn,排⽓门为1. 5 mm。
使⽤限度:进⽓门为0.7 mm,排⽓门为1. 0 mm。
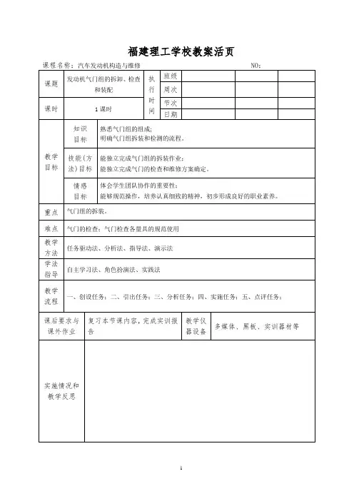
教学过程时间安排教学内容与教师活动学生活动设计意图创设任务引出任务分析任务分析任务课前2分钟3分钟2分钟课前准备:编写发动机气门组的拆卸、检查和装配任务书简案。
教师:下发课前任务—气门组的组成和拆装流程。
教学:1.案例导入。
一台发动机因为某一气缸压力较低,导致发动机动力不足。
教师:创设情境,引出任务。
教学:2.气门组的拆装教师:引导学生,讲述气门组拆装的流程以及注意要点。
拆装流程:(1)使用专用工具释放松开汽门座圈(2)选择专用工具拆卸指定的某一汽缸全部进排气门组件,(3)取下该气缸全部气门油封教学:3.气门的外观检查:(1)气门座部位(锥面)点蚀(2)气门余量厚度检查(3)气门杆弯曲检查(4)气门杆点蚀或严重磨损(5)气门锁片槽磨损(6)气门杆顶端磨损检查气门前应该用吸油纸清洁气门查阅资料:学生根据下发任务,查阅学习,进行预学气门组拆装流程。
领取任务学生聆听,明确任务。
看图答题:根据教师给出的图片和自己课前预习情况回答PPT中气门组的组成和拆装先后流程。
认真聆听,仔细分析,共同探讨,发表观点。
提出在拆装过程中应该注意的细节。
记录笔记,组间讨论,确定气门各类目视检查项目的操作方法。
培养学生独立思考、查找搜寻、整理信息的能力;进行有针对性的教学,更好的完成教学目标。
引发学生思考,活跃课堂气氛,激发学习兴趣。
培养自主学习能力,增强团队合作意识。
福建理工学校教案活页。
发动机气门组的拆卸、检查和装配任务书
一.实训任务:实训内容为发动机气门机构的检修。
要求在规定时间内,按照维修手册要求对发动机气门机构进行检查、测量,并根据测量结果进行分析做出零件好坏及维修方案的判断。
重点考核工量具选择与使用、零部件检查及测量、作业规范及安全,并正确填写《发动机气门机构的拆卸、检查和装配维修记录表》。
二.实训器材:科鲁兹1.6L发动机(LDE)汽缸盖总成(含进排气门组,不含进、排气歧管和正时齿轮、汽缸垫等附件,并已拆除气门室盖)一套。
3.实训步骤
(1)拆卸指定的某一个气缸的全部进气门和排气门组件;
(2)对该气缸(两组四个进排气门)中指定其中的一组进、排气门进行:
①外观检查;
②进、排气门的长度测量;
③进、排气门头部的直径测量;
④进、排气门锥面上的接触面宽度测量;
⑤气缸盖上该组进、排气门座的接触面宽度测量,使用红印油
检查检测;
⑥该组进、排气门对气门座的同心度检查;
⑦气门与气门座接触面的位置检查检测。
(3)填写作业记录表和维修工单;
(4)清洁零部件;
(5)装配进、排气门组;(6)清洁整理打扫工位。
2013-2014年春季《发动机构造与维修》一体化课程期末考试
“气门的拆装与检测”评分标准
姓名:学号:班级:成绩:
序号考核项目配分扣分标准(每项累计扣分不超过配分)得分
1 安全文明否决造成人身、设备重大事故,或恶意顶撞考官、严重扰乱考场秩序,立即终止考试,考试计0 分
2 安全文明生产
与6S
10分
(1)不穿工作服扣 1 分、不穿工作鞋扣 1 分、不戴工作帽扣 1 分
(2)工量具与零件混放、或摆放凌乱,每次每处扣1 分
(3)工量具或零件随意摆放在地上,每次扣1 分
(4)油、水洒落在地面或零部件表面未及时清理,每次扣1 分
(5)竣工后未清理工量具,每件扣1 分
(6)竣工后未清理考核场地,扣2 分
(7)不服从考官、出言不逊,每次扣3 分
3 工具准备10分
(1)工具每少准备 1 件扣 1 分
(2)工具选择不当,每次扣 2 分
4 拆卸气门组零件1
个
25分
(1)未使用专用工具拆卸气门扣3 分
(2)工具使用不正确扣5 分
(3)未标记气门每个扣1 分
(4)零件未按顺序摆放整齐扣5 分
(5)零件落地每次扣2 分
5 气门组零件识别15分(1)不能识别零件每个扣2 分
6 装复气门组零件30分(1)气门装错位置扣5 分
(2)未使用专用工具压缩气门弹簧扣5 分(3)气门弹簧安装方向错误扣5 分
(4)工具使用不正确扣5 分
(5)零件落地每次扣2 分
7 时间管理10分(1)时间:10分钟,实际用时:(2)每超时1分钟扣2分,扣完为止
合计100 分。
发动机气缸盖、气门组拆装检查作业评分表一、引言在汽车维修中,发动机的气缸盖和气门组的检查与拆装是一项重要且复杂的任务。
此评分表旨在为维修人员提供一套系统化、标准化的操作流程,确保在执行此项任务时,能够进行全面、准确的检查,并能在规定的时间内完成高质量的维修工作。
二、评分项目与标准1、工具准备与使用(10分)(1)工具齐全,包括火花塞套筒、气门弹簧套筒、气门弹簧压缩器、气门油封拆卸工具等。
(2)正确使用工具,确保在操作过程中不损坏工具或零件。
2、操作流程与规范(20分)(1)按照正确的顺序拆装气缸盖和气门组,避免因操作不当导致零件损坏。
(2)在拆装过程中,确保各零件的清洁,防止杂质进入发动机。
(3)对拆卸的气门组进行仔细检查,确认气门、气门座、气门导管等无磨损、无裂纹。
3、零件检查与修复(30分)(1)对气门进行外观检查,确认无磨损、无变形、无裂纹。
(2)检查气门座,确认其密封面无磨损、无裂纹。
(3)检查气门导管,确认其无磨损、无变形。
(4)对发现的问题进行及时修复或更换。
4、组装与调试(20分)(1)按照规范重新组装气缸盖和气门组。
(2)在调试过程中,确保气门间隙在规定范围内,且各零件工作正常。
5、安全与卫生(10分)(1)在整个操作过程中,确保安全操作,如使用防护眼镜、手套等。
(2)保持工作区域的清洁卫生,废弃物及时清理。
6、时间与效率(10分)(1)在规定的时间内完成拆装检查作业。
(2)提高工作效率,减少不必要的时间浪费。
三、总评与改进意见根据以上评分项目与标准,对维修人员的操作进行全面评估。
对表现优秀的维修人员进行表扬和奖励,对存在问题的维修人员进行指导与改进。
同时,根据实际工作情况,对评分表进行不断完善与更新,以适应行业发展和维修需求的变化。
四、结语通过使用此评分表,我们可以更好地规范发动机气缸盖、气门组拆装检查作业的操作流程,提高维修人员的技能水平和工作效率。
确保维修工作的安全性与质量可靠性,为顾客提供更好的服务体验。