成都市规划管理局《建设工程规划许可证》(建筑类)申请表
- 格式:docx
- 大小:44.38 KB
- 文档页数:14
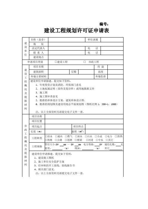
项目报规程序流程及所需资料一、《建设工程规划许可证(建筑类)》报建指南(一)项目概述1、项目名称:建设工程规划许可证(建筑类)2、办理单位:成都市规划管理局3、办理窗口:市、区政务服务中心各规划局窗口(在预约时确定)4、法定时限:30个工作日5、承诺时限:即办,损毁建筑原址恢复重建办理《建设工程规划许可证》的项目20个工作日6、收费标准及收费依据:不收费7、窗口电话:86917530、869248448、投诉电话:86924837、86921930(二)法定依据1、《中华人民共和国城乡规划法》第四十条2、《四川省城乡规划条例》第四十六条、四十七条、四十八条、四十九条3、《成都市城乡规划条例》三十一条、三十二条、三十三条4、经依法批准的控制性详细规划(三)办理程序第一步:预约办理的规划局窗口;第二步:申请人向预约窗口提交申请资料,材料齐全、符合法定形式的,予以受理;申请材料存在可以当场更正的错误的,允许申请人当场更正;申请材料不齐全或者不符合法定形式的,应当场或者在五个工作日内一次性告知申请人需要补正的全部内容;第三步:窗口工作人员按标准查验申请材料,对材料齐全、规范、有效的予以受理,并将有关材料转项目管理经办人。
对申请材料不齐或不符合法定形式的,一次性告知申请人;第四步:对申请材料齐全的当场办理,经审查符合规划要求的,依法作出准予许可的书面决定。
(四)申请材料1、申请以建筑工程设计方案发证的项目(1)建设工程规划许可证申请表(原件1份);(2)申请人身份证明材料(身份证或军官证复印件1份,核原件)及建设单位委托函(原件1份);(3)建设用地使用权批准文件或者土地使用权证书(复印件1份,核原件);(注:方案阶段已提供3份建筑设计方案图的,本次申请不用再提供。
)2、申请建筑工程施工图发证的项目(1)建设工程规划许可证申请表(原件1份);(2)申请人身份证明材料(身份证或军官证复印件1份,核原件)及建设单位委托函(原件1份);(3)经审批通过的建施总平面图(含平、立、剖面图,比例1:500或1:1000)(原件1份);(4)经审批通过的施工图审查批准文件(复印件1份,核原件);(5)建设用地使用权批准文件或者土地使用权证书(复印件1份,核原件);(6)成都市建设项目三维模型检验单1份(临时建设、独立建设的小型配套设施不需提供;方案阶段提供此检验单的项目,本阶段不需提供)。
建设工程规划许可证申请表(建造工程)名称地址电话建设地点名称地址勘察设计证书编号设计负责人批准机关投资性质建建造物名称筑工程内容围墙基地情况(在括号内划√ )建设性质(在括号内划√ )单位隶属联系人邮政编码邮政编码电话批准文号工程造价(万元)结构层数高度底层建造面积栋数(m) (m2)地上地下长度m 高度自有( ),征用或者调拨(用( )新建( ),改扩建( ),装修(告( ),雕塑( )建设单位盖章设计单位盖章建造总面积(m2 )m),暂时使),广土建建设单位设计单位建设计划水电上级主管单位审核意见:联系人:电话:(盖章) 年月日建设单位遵守事项:一、凡以下工程应填写此申请表。
1、新建、改建、扩建的建造工程;2、建造外装修、改造工程;3、户外广告牌匾设置;4、沿城市道路或者在广场、公共用地设置的城市雕塑工程。
二、随同本申请表应附送下列图纸、文件:1、《建设工程设计方案审核意见单》2、建造施工图叁套及电子文件壹套3、《建设工程规划申请附件》三、本表应由建设单位如实填写,如由于填写不实而发生的一切矛盾、纠纷,均由建设单位负责。
送审的文件、图纸清单序号文件名称应送份数实送份数备注《建设工程设计方案审核意见1 单》1建造施工图叁套及电子文件壹2 套 13 《建设工程规划申请附件》 145678910建设工程规划许可证申请单(管线工程)建 设 计 划申工 请程 管项线目 名 称 地 址 电 话 建设地点 名 称 地 址 勘察设计 证书编号 设计负责人 批准机关 投资性质 建设理由架空管线 地下管线说 明开工日期联 系 人邮政编码邮政编码电 话 批 准 文 号 工程造价(万元),对地距离 毫米,埋设深度(电力、电讯需说明电压、对数及导管孔数等)施工单位上级 单位 审核 意见联系人(上级单位盖章)电话 审核日期米,规格 米,口径建设单位 盖 章设计单位 盖 章长度 长度米。
米。
建 设 单 位 设 计 单 位管线工程路径示意图:北建设单位应随同本单位申请单附送下列图纸、文件:1、管线平面设计图、纵断各两份,CAD DWG 电子文件壹套(市区1/500,郊区1/1000)图上应表明工程范围内的地上、地下管线、绿化、构筑物、建造物,管线穿越的道路交叉口、桥梁、河道、隧道、铁路等设施的最新现状资料。
成都市工程建设项目审批“一张表单”(注:此表由市大数据和电子政务办提供,并负责解释)一、项目生成阶段1.策划生成阶段成都市工程建设项目策划生成申请表2.前置审查阶段立项用地规划许可阶段前置审查并联并行办事指南一、项目概述1.事项名称:立项用地规划许可阶段前置审查并联并行2.审查类型:承诺件3.受理机构:成都市国土资源局、成都市规划管理局4.办理窗口:成都市工程建设项目综合窗口5.法定时限:暂无6.承诺时限:暂无7.收费依据及标准:暂无8.窗口电话:869223679.投诉电话:8692483710.办公地址及时间:青羊区草市街2号;工作日9:00-17:00,11.网上预审:是12.网上审批:否二、审批依据暂无三、办理流程1.窗口办理第一步:申请人在成都市工程建设项目审批管理平台上下载并填写《成都市工程建设项目立项用地前置审查申请表》,凭《申请表》及申请材料在项目拟用地属地区(市)县政府确定的成都市工程建设项目审批管理平台项目申请窗口发起申请,勾选项目类型(单独选址/非单独选址),勾选产业类别,并在“多规合一”平台上标示形成用地范围示意图,上传申请资料。
第二步:成都市工程建设项目审批管理平台将申请资料推送至“多规合一”平台进入立项用地规划许可前置审查并联并行阶段。
第三步:项目拟用地属地区(市)县政府确定的平台项目申请窗口将国土部门归集各并联审查单位的并联审查意见后出具的《会审意见表》、《技术审查报告》或《关于工程建设项目用地拟供地方式的函》通知申请人领取。
四、申请材料(一)单独选址项目1.建设项目用地预审申请表(四川省统一定制)2.建设项目用地预审申请报告3.负责初审的国土部门的初审意见(包含有无违法用地情况说明)4.项目建设依据(项目建议书批复文件、项目列入相关规划文件或相关产业政策文件)5.标注项目用地范围的土地利用总体规划图、土地利用现状图及其他相关图件6.建设项目用地需要修改土地利用总体规划的,提供土地利用总体规划修改方案7.项目可行性研究报告或申请报告书8.建设项目无用地标准或确需突破用地标准的,提供节地评价报告9.建设项目占用基本农田或占用耕地规模较大的(线性工程占用耕地100公顷以上、块状工程70公顷以上或占用耕地达到用地总面积50%以上,不包括水库类项目),提供踏勘论证报告10.项目用地边界拐点坐标表(1980国家大地坐标系)11.提供shape格式矢量数据(包含项目名称、项目用地总面积两个属性字段)(二)非单独选址项目:土地权属文件(含征地批文、不动产权属证明文件)五、申请条件暂无成都市工程建设项目立项用地规划许可阶段前置审查并联并行申请表二、立项用地规划许可阶段立项用地规划许可阶段并联并行审批(一般政府投资项目)一、项目概述1.事项名称:立项用地规划许可阶段并联并行审批(一般政府投资项目)2.审查类型:承诺件3.受理机构:成都市国土资源局、成都市发展与改革委员会、成都市规划管理局4.办理窗口:成都市工程建设项目综合窗口5.法定时限:市国土:20-30个工作日市发改委:15-45个工作日市规划局:30-45个工作日6.承诺时限:13个工作日7.收费依据及标准:市国土局:部分审批事项收费成国土资发〔2006〕519号、〔2007〕436号、〔2011〕302号、成国土资发〔2007〕338、436、528号。
成都市规划管理局规划条件、《建设用地规划许可证》(建筑类)申请表成都市规划管理局建设项目报建回执编号:(建设单位):你单位在(建设地址)修建(项目名称)(项目编号为)的规划条件、用地规划申请,我局于年月日时分受理。
按承诺时限,请于年月日时分后到市政务中心规划窗口领取审批结果。
收件处:收件人:收件时间:联系电话:备注:1、请妥善保管报建回执,取件时出示该回执原件。
2、在下阶段审批申报过程中,其申报资料的真实性及数据的准确性由建设单位自行负责,如因虚报、瞒报、造假等不正当手段而产生的一切矛盾、纠纷以及法律责任,由建设单位自行负责。
成都市规划管理局航空限高控制表局规限高(200 ) 号成都市规划管理局规划条件审批表成都市规划管理局规划条件通知书一、用地位置二、用地规划要求1、规划建设净用地面积:平方米。
2、道路用地面积:平方米,绿化用地面积:平方米,其他用地面积:平方米。
(不参与各项指标计算)。
3、用地使用性质:用地。
4、用地使用强度:。
二、建筑规划要求1、建筑高度:建筑主体高度(含构筑物及设施)不大于航空限高(绝对高程)米,若要突破限高须取得空军书面批复。
2、建筑间距及后退各种城市规划控制线的距离应符合《成都市规划管理技术规定》的有关规定。
3、新建建筑以用地周边永久合法现状建筑为准退够间距。
三、交通规划要求1、交通出入口方位:机动车:。
2、停车数量:符合《成都市规划管理技术规定》的相关要求。
四、绿化环境规划要求1、绿地率:2、主要绿地位置及面积:五、城市设计要求1、规划方案应考虑建筑群体的空间布置及景观环境艺术设计。
需报送A3规格建筑渲染图(要求实景嵌入,反映与周边建筑或环境的关系),在建筑渲染图和总平面图说明上,按《成都市规划管理技术规定》要求的标准格式注明建筑主色调号并附色卡。
2、建筑色彩控制要求:主色调色号(色相明度/彩度):,且明度在之间,彩度不大于。
3、空调室外机应统一设置,集中收水,装饰遮挡,外墙管线设置应隐蔽。
成都市规划管理局
《建设项目选址意见书》(建筑类)申请表
受理申请时间:
项目编号:
成都市规划管理局规划条件、
《建设用地规划许可证》(建筑类)申请表项目编号:受理申请时间:
成都市规划管理局建设工程设计方案申请表
项目编号:受理申请时间:
成都市规划管理局
《建设工程规划许可证》(建筑类)申请表项目编号:受理申请时间:
成都市规划管理局
《临时建设工程规划许可证》(建筑类)申请表项目编号:受理时间:
成都市规划管理局市政工程规划申请表(1)
10
备注:1、“★”为各阶段必须要件.2、建设工程规划许可证市政项目数据信息附表须在建设工程规划许可证阶段填写.3、要件中未注明复印件的均要求原件.
成都市规划管理局市政工程规划申请表(即办)(2)★为必填字段项目编号:(由规划局填写)受理时间:
建筑工程规划核实申请表
申请
成都市规划管理局:
我单位/公司在__________修建的__________项目于____年____月____日申请规划核实,现已按成都市规划管理局规划管理函复意见(成规验收函[] 号)完成,我单位/公司向你局申请核发《建设工程规划合格证》。
建设单位名称(签章)
年月日。
建设工程规划许可证(管线)申请表
注:1、请认真填写申请表的有关事项,本表填报的内容及提交的所有材料的原件或复印件及其内容是真实的。
如因虚假而引致的法律责任,概由申请人承担,与审批(或核准)机关无关。
2、所提交的图纸符合国家、省、市有关技术规范要求。
图纸和电子文件内容一致。
申请办理《建设(市政)工程规划许可证》所需要件
1、申请表;
2、立项批准文件;
3、全套施工图纸电子文件一套(刻光盘,并注明建设单位及项目名称);
4、中标通知书;
5、放线通知单;
6、验线回执单;
7、建设工程档案报送责任书;
8、道路管线横断面布置图;
9、竣工测量委托单;
10、施工图审查合格书;
11、现状管线地形图;
12、土地批复相关手续;
13、其他相关文件。
申请《建设工程规划许可证》须知(市政类)一、为什么要申请《建设工程规划许可证》?《中华人民共和国城市规划法》第三十二条规定:“在城市规划区内新建、扩建和改建建筑物、构筑物、道路、管线和其他工程设施,必须持有关批准文件向城市规划行政主管部门提出申请,由城市规划行政主管部门根据城市规划提出的规划设计要求,核发建设工程规划许可证,建设单位或者个人在取得建设工程规划许可证件和其他有关批准文件后,方可申请办理开工手续”。
二、哪些市政工程需要申请《建设工程许可证》?(一)新建、改建(指改变现状道路中心线和道路横断面)、扩建的城市道路和桥梁工程。
(二)新建、改建(指改变现状道路中心线和道路横断面)、扩建的上跨、下穿立交及道路隧道工程。
(三)新建的有轨交通工程及地下铁路工程。
(四)新建、改建的人行天桥和人行地道。
(五)雨水、污水、给水、煤气等市政公用管线。
(六)电力、通信、路灯等排管浅沟和埋设电缆、架空线缆。
(七)热力、气体、油料、化工物料等特殊管道。
三、哪些市政工程不需申请《建设工程规划许可证》?(一)城市道路和桥梁工程的大修和养护工程。
(二)为解决施工期间临时交通而建的便道、便桥工程。
(三)在城市道路上新建、改建、扩建长度在100米以内的地下管线工程(须进行施工图审批,但不发放建设工程规划许可证)。
(四)各类临时管线工程(须进行施工图审批,但不发放建设工程规划许可证)。
(五)建设单位用地范围内的专业管线工程(须进行施工图审批,但不发放建设工程规划许可证)。
四、申请《建设工程规划许可证》前需要办理哪些手续?(一)需要到计划管理部门进行任务立项的,应向规划管理部门申请建设项目选址意见书。
(二)申请规划设计要求。
(三)需要办理用地的,应向规划管理部门申请建设用地规划许可证。
五、申请《建设工程规划许可证》需报送哪些图纸和文件?取得哪些审批文件?并应注意哪些事项?(一)建设单位应报送下列图纸和文件:1、《市政工程规划申请表》一份。
项目报规程序流程及所需资料一、《建设工程规划许可证(建筑类)》报建指南(一)项目概述1、项目名称:建设工程规划许可证(建筑类)2、办理单位:成都市规划管理局3、办理窗口:市、区政务服务中心各规划局窗口(在预约时确定)4、法定时限:30个工作日5、承诺时限:即办,损毁建筑原址恢复重建办理《建设工程规划许可证》的项目20个工作日6、收费标准及收费依据:不收费7、窗口电话:86917530、869248448、投诉电话:86924837、86921930(二)法定依据1、《中华人民共和国城乡规划法》第四十条2、《四川省城乡规划条例》第四十六条、四十七条、四十八条、四十九条3、《成都市城乡规划条例》三十一条、三十二条、三十三条4、经依法批准的控制性详细规划(三)办理程序第一步:预约办理的规划局窗口;第二步:申请人向预约窗口提交申请资料,材料齐全、符合法定形式的,予以受理;申请材料存在可以当场更正的错误的,允许申请人当场更正;申请材料不齐全或者不符合法定形式的,应当场或者在五个工作日内一次性告知申请人需要补正的全部内容;第三步:窗口工作人员按标准查验申请材料,对材料齐全、规范、有效的予以受理,并将有关材料转项目管理经办人。
对申请材料不齐或不符合法定形式的,一次性告知申请人;第四步:对申请材料齐全的当场办理,经审查符合规划要求的,依法作出准予许可的书面决定。
(四)申请材料1、申请以建筑工程设计方案发证的项目(1)建设工程规划许可证申请表(原件1份);(2)申请人身份证明材料(身份证或军官证复印件1份,核原件)及建设单位委托函(原件1份);(3)建设用地使用权批准文件或者土地使用权证书(复印件1份,核原件);(注:方案阶段已提供3份建筑设计方案图的,本次申请不用再提供.)2、申请建筑工程施工图发证的项目(1)建设工程规划许可证申请表(原件1份);(2)申请人身份证明材料(身份证或军官证复印件1份,核原件)及建设单位委托函(原件1份);(3)经审批通过的建施总平面图(含平、立、剖面图,比例1:500或1:1000)(原件1份);(4)经审批通过的施工图审查批准文件(复印件1份,核原件);(5)建设用地使用权批准文件或者土地使用权证书(复印件1份,核原件);(6)成都市建设项目三维模型检验单1份(临时建设、独立建设的小型配套设施不需提供;方案阶段提供此检验单的项目,本阶段不需提供)。
成都市规划管理局
《建设项目选址意见书》(建筑类)申请表
受理申请时间:
项目编号:
成都市规划管理局规划条件、
《建设用地规划许可证》(建筑类)申请表
成都市规划管理局建设工程设计方案申请表
项目编号:受理申请时间:
成都市规划管理局
《建设工程规划许可证》(建筑类)申请表
成都市规划管理局
《临时建设工程规划许可证》(建筑类)申请表项目编号:受理时间:
成都市规划管理局市政工程规划申请表(1)
备注:1、“★”为各阶段必须要件。
2、建设工程规划许可证市政项目数据信息附表须在建设工程规划许可证阶段填写。
3、要件中未注明复印件的均要求原件。
成都市规划管理局市政工程规划申请表(即办)(2)★为必填字段项目编号:(由规划局填写)受理时间:
.
注:建设项目所涉及上述表单内容均为必填项(其他除外);长度、宽度均为米(管线规模除外)。
建筑工程规划核实申请表
申请
成都市规划管理局:
我单位/公司在__________修建的__________项目于____年____月____日申请规划核实,现已按成都市规划管理局规划管理函复意见(成规验收函[ ] 号)完成,我单位/公司向你局申请核发《建设工程规划合格证》。
建设单位名称(签章)
年月日。