成都市城市规划管理技术规定-用地和建筑分册(2017版)
- 格式:pdf
- 大小:1.87 MB
- 文档页数:59
成都市规划管理技术规定(2008)用地和建筑规划管理第一章总则第1.0.1条为加强城市规划管理,确保城市规划有效实施,根据《中华人民共和国城乡规划法》等法律、法规、规章及有关技术规范,结合我市实际,制定本规定。
第1.0.2条本规定适用于本市中心城区域内的城乡规划、设计和管理活动。
温江、双流、龙泉驿、青白江、郫县、新都、金堂、新津、蒲江、邛崃、大邑、都江堰、崇州、彭州等区(市、县)的相应地区应遵照本规定,并结合本地区实际情况制定相应的补充规定。
第1.0.3条《中心城城市形态分区控制规划》根据中心城不同区域的特点及实际情况划定不同的城市形态分区,在城市形态分区内制定、实施城市规划和进行建设应当符合所在城市形态分区的规划控制要求。
第1.0.4条为丰富城市景观,提升城市价值,在中央商务区、人民南路(锦江至火车南站段)两侧地块、城市副中心核心区域、地铁站点周边以及规划确定的城市重要节点范围内的建设工程,强调以修建性详细规划方案的合理性为规划管理的核心和原则。
第1.0.5条历史文化保护区、风景名胜区范围内的各项建设工程的规划管理,应当按照已批准的控制性详细规划执行;尚无批准控制性详细规划的,应当按照已批准的保护专项规划和本规定执行。
第1.0.6条为引导城市有序发展,在近期建设重点区域,将结合修建性详细规划和相关专业规划的要求,进一步优化规划控制指标。
第1.0.7条建设最佳人居环境,加强对建筑色彩的管理,加强环境保护,提高居住的舒适性。
第1.0.8条鼓励在控制性详细规划和本规定的指导下编制修建性详细规划,地块规划要求按照审批后的修建性详细规划执行。
第二章建设用地规划管理2.1 建设用地性质及兼容第2.1.1条在城市建设用地规划管理中,对用地性质的确定应依据已批准的控制性详细规划。
无控制性详细规划或控制性详细规划尚未批准的,按已批准的上一级规划执行。
第2.1.2条建设用地的划分、使用应遵循兼容性原则。
控制性详细规划已明确兼容性内容的,按控制性详细规划执行;控制性详细规划未明确兼容性内容的,根据表2.1.2的规定确定其兼容范围。
成都市城市规划管理技术规定2017一、规划设计环节(一)拟建行政区(划)国有建设用地规划设计结合方式1.拟建行政区(划)国有建设用地拟定业务规划及规划设计环节中,业务规划应结合城市规划决策,联合成都市及相关部门,择优聘请市内一级以上有规划设计资质、专业熟悉本市规划政策、可行性强的建设用地业务规划设计机构,对拟定的拟建行政区(划)国有建设用地规划设计,进行深入的调研、分析、调整、完善和推演,形成产业结构深度结合、景观乡村化的地块规划设计方案。
2.拟定业务规划阶段,应充分考虑周边现状、生态资源利用情况、道路既有条件、市政设施布局、新建行政功能安排、资源裨益和技术经济指标、城乡社会经济发展状况及政策要求等,分析区域内外联系条件和关联性,绿色污水处理、水位调控、水质保护等应加入规划设计结合方案的编制范围,成都市城市规划局可指导规划设计机构开展拟建行政区(划)国有建设用地拟定业务规划时的具体实施规程,并指引拟建行政区(划)国有建设用地规划设计工作。
3.拟定业务规划必须制定《能耗节约规划设计评价报告》,报送市城规委及城市管理局审核,规划设计单位应对拟定业务规划结果的能耗节约情况进行客观分析,明确能耗节约的措施及其效果。
1.拟建行政区(划)规划设计应遵循以下原则:(a)坚持以服务发展、和谐发展、绿色发展为导向,合理安排拟建行政区(划)功能;(b)突出拟建行政区(划)网格结构的界定,科学规划节点、空间结构和空间布局;(c)实行可持续发展的设计理念,降低资源消耗和生态环境影响;(d)注重拟建行政区(划)外观形象,结合现代化文化精神,做到留住成都历史文化特色。
2.拟建行政区(划)规划设计应结合城市规划决策,在节约资源、保护生态环境和充分发挥安置承载功能的基础上,具体遵循以下规定:(a)突出“核心-环线-组织”的空间结构;(b)把握街区设计空间格局和景观构图;(c)突出公共空间设计,实施公共性服务设施融入;(d)拟建行政区(划)将实施建筑低碳高效节能,利用节能、环保、智能技术,全面推进设计环保标准实施;(e)建筑群落、基础设施设计结合提升轨道交通工程复合型功能定位;(f)遵循“空间、结构、景观、环境”的规劃设计原则,把握拟建行政区(划)的建筑形式、色彩、线条、园林绿化;(g)街区居住环境宜居性的改善,做到生态环境与建筑景观融合、绿化种植结合,满足人居环境的均衡性发展,形成和谐美景、和睦宜居、发展文明宜人社区环境。
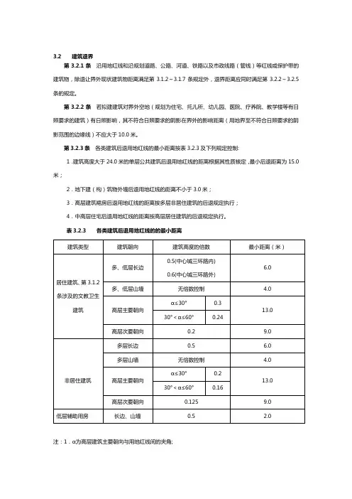
3.2 建筑退界第3.2.1条沿用地红线和沿规划道路、公路、河道、铁路以及市政线路(管线)等红线或保护带的建筑物,除退让界外现状建筑物距离满足第3.1.2~3.1.7条规定外,退界距离应同时满足第3.2.2~3.2.5条的规定。
第3.2.2条若拟建建筑对界外空地(规划为住宅、托儿所、幼儿园、医院、疗养院、教学楼等有日照要求的建筑)有日照影响,其不符合日照要求的阴影在界外的影响距离(用地界至不符合日照要求的阴影范围的边缘线)不应大于10.0米。
第3.2.3条各类建筑后退用地红线的最小距离按表3.2.3及下列规定控制:1.建筑高度大于24.0米的单层公共建筑后退用地红线的距离根据其性质核定,最小后退距离为15.0米;2.地下建(构)筑物外墙后退用地红线的距离不小于3.0米;3.高层建筑裙房后退用地红线的距离按多层非居住建筑的后退规定执行;4.中高层住宅后退用地红线的距离按高层居住建筑的后退规定执行。
表3.2.3 各类建筑后退用地红线的的最小距离注:1.α为高层建筑主要朝向与用地红线间的夹角;2.建筑高度超过80.0米的建筑工程,按80.0米高度计算建筑退距。
第3.2.4条各类建筑临规划绿地布置时,其后退规划绿地的距离应满足以下规定:1.纯住宅后退规划带状绿地不小于3.0米,且满足第3.2.5条的规定;2.其他建筑后退规划带状绿地不小于5.0米,且满足第3.2.5条的规定;3.在已取得国有土地使用权用地内规划新增块状绿地,当规划块状绿地由建设单位负责实施时,建筑后退该规划块状绿地不小于5.0米,后退其它的规划块状绿地按第3.2.3条的规定执行;4.后退规划作为避灾场所的绿地,其退规划绿地的距离按用地界进行控制。
第3.2.5条各类建筑后退规划道路红线的最小距离按表3.2.5及下列规定控制:表3.2.5 各类建筑后退规划道路红线的最小距离业品市场、综合市场等;2.本表中的大型公共建筑特指在控制性详细规划中用地性质为(C3*)上修建的建筑面积大于2万平方米的各类建设项目,如:影剧院、艺术中心、展览馆、博物馆、图书馆等;3.建筑后退道路中心线的距离必须符合后退用地红线的相应规定,当道路对面的用地性质为规划绿地、河道等时,只须满足退规划道路红线的要求;4.当道路对面建筑为高层建筑时,在退让道路对面建筑距离满足本规定第3.1.2~3.1.7条间距规定的基础上,只须满足退规划道路红线的要求;5.建筑后退规划道路切角红线的距离按较宽规划道路退线距离要求控制;6.建筑后退规划的绿线、蓝线、紫线、黑线、黄线等色线的距离还须符合相关规定。
成都市城镇及村庄规划管理技术规定(2015)成都市规划管理局目录第一部分总则 (1)1、目的 (1)2、适用范围 (1)3、临第一、第二、第三绕城高速公路退界 (1)第二部分卫星城及区域中心城规划管理技术规定 (2)第一章建设用地规划管理 (2)1.1“三线” (2)1.2 用地比例 (2)1.3 建设用地规划指标控制 (2)1.4 建设用地停车 (4)第二章建筑形态管理 (5)2.1城市形态 (5)2.2建筑面宽 (5)2.3建筑高度 (5)2.4建筑间距 (6)2.5建筑屋顶 (7)2.6建筑退界要求 (7)第三章公共开敞空间规定 (8)3.1城市中心 (8)3.2 公园绿地 (8)3.3 湖泊水系 (9)3.4 环城公园 (9)第四章公共服务设施规定 (9)4.1城市公共服务中心 (10)4.2 社区服务中心 (10)4.3工业集中发展区(点)公服设施配置 (11)第五章城市道路交通规划 (12)5.1 总体要求 (12)5.2 公共交通 (12)5.3 慢行交通 (13)第六章地下空间规定 (13)6.1 推动地下空间开发利用 (13)6.2 地下综合管廊 (13)第七章市政公用设施规定 (14)7.1 给水 (14)7.2 排水 (14)7.3 再生水 (15)7.4 能源 (15)7.5 防灾减灾 (16)第三部分小城市规划管理技术规定 (17)第一章建设用地规划管理 (17)1.1“三线” (17)1.2用地比例 (17)1.3 建设用地规划指标控制 (17)1.4建设用地停车 (18)第二章建筑形态管理 (19)2.1建筑面宽 (19)2.2建筑高度 (19)2.3建筑间距 (19)2.4建筑屋顶 (20)2.5 建筑退界 (20)第三章公共开敞空间规定 (22)3.1城市中心 (22)3.2 公园绿地 (22)3.3 湖泊水系 (22)第四章公共服务设施规定 (23)4.1公共服务中心 (23)4.2 社区服务中心 (23)4.3工业集中发展区(点)公服设施配置 (24)第五章城市道路交通规定 (24)5.1 总体要求 (24)5.2 公共交通 (25)5.3 慢行交通 (25)第六章地下空间规定 (26)6.1 推动地下空间开发利用 (26)第七章市政设施规定 (26)7.1 给水 (26)7.2 排水 (26)7.3 再生水 (27)7.4 能源 (27)7.5 防灾减灾 (28)第四部分特色镇规划管理技术规定 (29)第一章建设用地规划管理 (29)1.1生态保护红线 (29)1.2 城镇发展边界 (29)1.3用地分类与标准 (29)1.4 空间布局 (30)1.5建筑容量规划控制 (30)第二章建筑形态及风貌 (30)2.1建筑高度 (30)2.2建筑界面 (31)2.3建筑间距 (31)2.4建筑退界 (31)2.5建筑风格与细部 (32)第三章公共开敞空间规划 (32)3.1绿地体系 (32)3.2 节点及标志物 (32)第四章公共服务设施 (32)4.1 镇区公共服务设施配套标准 (32)4.2其他设施 (34)4.3 旅游设施配置 (34)第五章功能复合与更新 (34)5.1功能复合 (34)5.2功能更新 (34)第六章道路交通规定 (34)6.1镇域道路 (34)6.2城镇道路 (35)第七章市政设施规定 (35)7.1 给水 (35)7.2 排水 (35)7.3 电力 (36)7.4 环卫 (36)7.5 综合防灾 (36)第五部分农村新型社区规划管理技术规定 (37)第一章建设用地规划管理 (37)1.1 用地选址 (37)1.2 用地标准 (37)1.3建筑布局及风貌 (38)1.4 建筑退界 (38)第二章公共服务设施 (39)2.1 布局原则 (39)2.2公共配套设施指标 (39)2.3 其他设施 (39)第三章市政基础设施 (39)3.1 基本原则 (39)3.2 道路工程 (39)3.3 给水 (40)3.4 排水 (40)3.5 电力 (40)3.6 燃料 (40)3.7 综合防灾 (40)第六部分历史文化保护规划管理规定 (41)6.1 历史文化街区保护 (41)6.2文物保护单位和优秀近现代建筑 (42)6.3 小城市历史文化资源保护 (42)6.4 川西林盘传统聚落保护与改造 (42)第七部分附则 (43)附表 (44)附表1:成都市域城镇体系 (44)附表2:成都市特色镇名单 (44)附表3: 建筑间距图示 (45)附表4: 城乡用地分类及代码 (46)附表5: 镇建设用地分类及代码 (46)附录名词解释 (48)第一部分总则1、目的为统筹全市城乡规划管理工作,加快推进市域城镇及村庄在空间、形态、生态和管理等方面的转型升级,提升城乡规划建设质量,特制定本规划管理技术规定(以下简称“本规定”)。
成都市规划管理技术规定HEN system office room 【HEN16H-HENS2AHENS8Q8-HENH1688】成都市规划管理技术规定(2008)用地和建筑规划管理第一章总则第1.0.1条为加强城市规划管理,确保城市规划有效实施,根据《中华人民共和国城乡规划法》等法律、法规、规章及有关技术规范,结合我市实际,制定本规定。
第1.0.2条本规定适用于本市中心城区域内的城乡规划、设计和管理活动。
温江、双流、龙泉驿、青白江、郫县、新都、金堂、新津、蒲江、邛崃、大邑、都江堰、崇州、彭州等区(市、县)的相应地区应遵照本规定,并结合本地区实际情况制定相应的补充规定。
第1.0.3条《中心城城市形态分区控制规划》根据中心城不同区域的特点及实际情况划定不同的城市形态分区,在城市形态分区内制定、实施城市规划和进行建设应当符合所在城市形态分区的规划控制要求。
第1.0.4条为丰富城市景观,提升城市价值,在中央商务区、人民南路(锦江至火车南站段)两侧地块、城市副中心核心区域、地铁站点周边以及规划确定的城市重要节点范围内的建设项目,强调以修建性详细规划方案的合理性为规划管理的核心和原则。
第1.0.5条历史文化保护区、风景名胜区范围内的各项建设工程的规划管理,应当按照已批准的控制性详细规划执行;尚无批准控制性详细规划的,应当按照已批准的保护专项规划和本规定执行。
第1.0.6条为引导城市有序发展,在近期建设重点区域,将结合修建性详细规划和相关专业规划的要求,进一步优化规划控制指标。
第1.0.7条建设最佳人居环境,加强对建筑色彩的管理,加强环境保护,提高居住的舒适性。
第1.0.8条鼓励在控制性详细规划和本规定的指导下编制修建性详细规划,地块规划要求按照审批后的修建性详细规划执行。
第二章建设用地规划管理建设用地性质及兼容第2.1.1条在城市建设用地规划管理中,对用地性质的确定应依据已批准的控制性详细规划。
无控制性详细规划或控制性详细规划尚未批准的,按已批准的上一级规划执行。
成都市城市规划管理技术规定(2017)成都市规划管理局成都市城市规划管理技术规定(2017)用地和建筑分册成都市规划管理局2017年目录用地和建筑规划管理第一章总则 (1)第二章建设用地规划管理 (2)2.1 建设用地性质及兼容 (2)2.2 建设用地规划指标控制 (2)2.3 建设用地规划控制 (10)第三章建筑工程规划管理 (13)3.1 建筑间距 (13)3.2 建筑退界 (18)3.3 天府广场中央商务区建筑规划管理 (22)3.4 天府中心中央商务区建筑规划管理 (25)3.5 建筑形态及其他管理要求 (26)第四章建筑工程竣工规划核实管理 (30)第五章附则 (34)附录一名词解释 (35)附录二计算规则 (39)附录三建筑间距图示 (41)附录四综合技术经济指标表 (42)附录五成都市建筑工程方案设计总平面图编制规定 (44)附录六城市建设用地分类 (46)附图一:成都市中心城区形态分区图 (50)附图二:成都市天府广场中央商务区、春熙路片区及天府广场范围示意图 (51)附图三:成都市天府中心中央商务区范围示意图 (52)附图四:成都市中心城区“四边”控制要素示意图 (50)用地和建筑规划管理第一章总则第 1.0.1 条为加快建设国家中心城市,加强规划管理,确保规划有效实施,根据《中华人民共和国城乡规划法》、《成都市城乡规划条例》等法律、法规、规章及相关技术规范,结合成都市(以下简称本市)实际,制定本规定。
第 1.0.2 条本规定适用于本市中心城区城市建设用地内各类建设项目的规划设计和规划管理,本分册为用地和建筑规划管理部分。
第 1.0.3 条根据中心城区不同区域特点划定不同城市形态分区,在城市形态分区内制定、实施城市规划和进行建设时应当符合所在城市形态分区的规划控制要求。
第 1.0.4 条城市建设应以城市设计为重要手段,提升城市品质,强化精细化管理。
在城市重点地区强调以城市设计为规划管理的核心和原则。
成都市规划管理技术规定(2015)市政工程规划管理分册(公示版)成都市规划管理局目录市政工程规划管理分册第一章总则 (1)第二章城市交通 (2)2.1城市道路 (2)2.2城市铁路、桥梁、隧道 (5)2.3道路交通工程 (6)2.4城市有轨电车 (9)第三章城市地下空间 (10)3.1一般规定 (10)3.2地下街 (10)3.3城市轨道交通 (12)3.4地下人行通道 (13)3.5地下综合管廊 (14)3.6地下人防设施 (15)3.7地下设施出入口及通风井 (16)第四章市政公用设施 (17)4.1一般规定 (17)4.2给水工程 (18)4.3排水工程 (19)4.4电力工程 (21)4.5通信工程 (23)4.6燃气及输油管工程 (25)4.7管线综合 (25)第五章其他市政设施 (28)第六章防灾工程 (29)第七章市政项目规划核实 (30)第八章天府新区市政工程规划管理补充规定 (31)第九章附则 (33)附录一道路红线切角转弯图示 (34)附录二城市快速轨道禁建范围和控制建设范围示意图 (35)附录三道路切边绿带图示 (36)附录四综合管廊参考断面图 (37)附录五名词解释 (38)市政工程规划管理分册第一章总则为确保城乡规划有效实施,根据《中华人民共和国城乡规划法》及有关技术规范,结合本市实际情况,制定本规定。
第1.0.1条本规定适用于本市中心城区域内的各类与市政工程有关的城市规划、设计和管理活动。
温江、双流、龙泉驿、青白江、郫县、新都、金堂、新津、蒲江、邛崃、大邑、都江堰、崇州、彭州等区(市、县)的相应地区应参照本规定,并结合本地区实际情况制定相应的补充规定。
本规定所称市政工程是指城市交通设施工程、河湖水系工程及雨水、污水、再生水、给水、燃气、输油、热力、通信、广播电视、电力等管线及其附属设施的建设工程。
本市中心城区域内的市政工程,应根据本市的城市总体规划和城市建设计划,统一规划,分期实施。
成都市规划管理技术规定(2014)用地和建筑分册成都市规划管理局目 录用地和建筑规划管理第一章 总 则 (1)第二章 建设用地规划管理 (2)2.1 建设用地性质及兼容 (2)2.2 建筑用地规划指标控制 (2)2.3 建设用地规划控制 (14)第三章 一般地区建筑规划管理 (18)3.1 建筑间距 (18)3.2 建筑退界 (22)第四章 中央商务区建筑规划管理 (26)第五章 建筑形态及其他管理要求 (29)第六章 建筑工程竣工规划核实管理 (34)第七章 附 则 (37)附录一 名词解释 (38)附录二 计算规则 (43)附录三 建筑间距图示 (47)附录四 综合技术经济指标 (48)附录五 成都市建设工程方案设计总平面图编制规定 (52)附录六 成都市建筑日照分析管理办法(试行) (55)附录七 规划城市用地分类 (58)附图一 成都市中心城形态分区图 (62)附图二 成都市中央商务区、春熙路片区及天府广场片区范围示意图 (63)用地和建筑规划管理第一章 总 则第1.0.1条 为推进城乡统筹科学发展,加强规划管理,确保规划有效实施,根据《中华人民共和国城乡规划法》等法律、法规、规章及有关技术规范,结合成都市(以下简称本市)实际,制定本规定。
第1.0.2条 本规定适用于本市中心城区的城乡规划、设计和管理活动,本分册为用地和建筑规划管理部分。
第1.0.3条 《成都市中心城形态分区图》根据中心城不同区域的特点及实际情况划定不同的城市形态分区,在城市形态分区内制定、实施城市规划和进行建设时应当符合所在城市形态分区的规划控制要求。
第1.0.4条 为丰富城市景观,提升城市价值,在中央商务区、人民南路(锦江至火车南站段)两侧地块、城市副中心核心区域、地铁站点周边以及规划确定的城市重要节点范围内的建设项目,强调以城市设计、方案合理性为规划管理的核心和原则。
第1.0.5条 历史文化保护区、风景名胜区范围内的各项建设工程的规划管理,应当按照已批准的控制性详细规划执行;尚无批准控制性详细规划的,应当按照已批准的保护专项规划和本规定执行。
成都市规划管理技术规定(2008)用地和建筑规划管理第一章总则第1.0.1条为加强城市规划管理,确保城市规划有效实施,根据《中华人民共和国城乡规划法》等法律、法规、规章及有关技术规范,结合我市实际,制定本规定。
第1.0.2条本规定适用于本市中心城区域内的城乡规划、设计和管理活动。
温江、双流、龙泉驿、青白江、郫县、新都、金堂、新津、蒲江、邛崃、大邑、都江堰、崇州、彭州等区(市、县)的相应地区应遵照本规定,并结合本地区实际情况制定相应的补充规定。
第1.0.3条《中心城城市形态分区控制规划》根据中心城不同区域的特点及实际情况划定不同的城市形态分区,在城市形态分区内制定、实施城市规划和进行建设应当符合所在城市形态分区的规划控制要求。
第1.0.4条为丰富城市景观,提升城市价值,在中央商务区、人民南路(锦江至火车南站段)两侧地块、城市副中心核心区域、地铁站点周边以及规划确定的城市重要节点范围内的建设项目,强调以修建性详细规划方案的合理性为规划管理的核心和原则。
第1.0.5条历史文化保护区、风景名胜区范围内的各项建设工程的规划管理,应当按照已批准的控制性详细规划执行;尚无批准控制性详细规划的,应当按照已批准的保护专项规划和本规定执行。
第1.0.6条为引导城市有序发展,在近期建设重点区域,将结合修建性详细规划和相关专业规划的要求,进一步优化规划控制指标。
第1.0.7条建设最佳人居环境,加强对建筑色彩的管理,加强环境保护,提高居住的舒适性。
第1.0.8条鼓励在控制性详细规划和本规定的指导下编制修建性详细规划,地块规划要求按照审批后的修建性详细规划执行。
第二章建设用地规划管理2.1 建设用地性质及兼容第2.1.1条在城市建设用地规划管理中,对用地性质的确定应依据已批准的控制性详细规划。
无控制性详细规划或控制性详细规划尚未批准的,按已批准的上一级规划执行。
第2.1.2条第2.1.3条建设用地范围内存在多种规划用地性质,且规划要求单独占地的,应按控制性详细规划将土地使用性质分类划定,并在《建设用地规划许可证》中明确各类用地面积;不需要单独占地的,应在规划条件中明确规模及位置。
成都市规划管理技术规定(2008)用地和建筑规划管理第一章总则第1.0.1条为加强城市规划管理,确保城市规划有效实施,根据《中华人民共和国城乡规划法》等法律、法规、规章及有关技术规范,结合我市实际,制定本规定。
第1.0.2条本规定适用于本市中心城区域内的城乡规划、设计和管理活动。
温江、双流、龙泉驿、青白江、郫县、新都、金堂、新津、蒲江、邛崃、大邑、都江堰、崇州、彭州等区(市、县)的相应地区应遵照本规定,并结合本地区实际情况制定相应的补充规定。
第1.0.3条《中心城城市形态分区控制规划》根据中心城不同区域的特点及实际情况划定不同的城市形态分区,在城市形态分区内制定、实施城市规划和进行建设应当符合所在城市形态分区的规划控制要求。
第1.0.4条为丰富城市景观,提升城市价值,在中央商务区、人民南路(锦江至火车南站段)两侧地块、城市副中心核心区域、地铁站点周边以及规划确定的城市重要节点范围内的建设项目,强调以修建性详细规划方案的合理性为规划管理的核心和原则。
第1.0.5条历史文化保护区、风景名胜区范围内的各项建设工程的规划管理,应当按照已批准的控制性详细规划执行;尚无批准控制性详细规划的,应当按照已批准的保护专项规划和本规定执行。
第1.0.6条为引导城市有序发展,在近期建设重点区域,将结合修建性详细规划和相关专业规划的要求,进一步优化规划控制指标。
第1.0.7条建设最佳人居环境,加强对建筑色彩的管理,加强环境保护,提高居住的舒适性。
第1.0.8条鼓励在控制性详细规划和本规定的指导下编制修建性详细规划,地块规划要求按照审批后的修建性详细规划执行。
第二章建设用地规划管理2.1 建设用地性质及兼容第2.1.1条在城市建设用地规划管理中,对用地性质的确定应依据已批准的控制性详细规划。
无控制性详细规划或控制性详细规划尚未批准的,按已批准的上一级规划执行。
第2.1.2条建设用地的划分、使用应遵循兼容性原则。
控制性详细规划已明确兼容性内容的,按控制性详细规划执行;控制性详细规划未明确兼容性内容的,根据表2.1.2的规定确定其兼容范围。
成都市土地使用和建筑规划管理技术规定(2005)发布时间:01/03/2006访问次数:69注:①H:南侧建筑或东西向建筑平均高度。
②H d:多、低层建筑高度。
③H g:高层建筑高度。
二、居住建筑高层主要朝向、多低层长边成角度布置时的最小间距按表4-2控制。
表4-2建筑间夹角高层与高层高层与多、低层多、低层与多、低层α≤300按表4-1中主要朝向相对规定控制按表4-1中主要朝向对长边规定控制按表4-1中长边相对规定控制300<α<600按表4-1中主要朝向相对规定的0.8倍控制按表4-1中主要朝向对长边规定的0.8倍控制按表4-1中长边相对规定的0.8倍控制α≥600按表4-1中主要朝向对次要朝向规定控制分别按表4-1中次要朝向对长边、主要朝向对山墙规定控制按表4-1中长边对山墙规定控制注:①表中α指两栋居住建筑的锐角夹角。
②如东西向与南北向同时存在,计算南北向。
三、居住建筑错位布置时的最小间距按表4-3控制。
表4-3注:①H:南侧建筑或东西向建筑平均高度。
②H D:较低建筑高度。
③H d:多、低层建筑高度。
二、非居住建筑高层主要朝向、多低层长边成角度布置时的最小间距按表4-5控制。
表4-5建筑间夹角高层与高层高层与多、低层多、低层与多、低层α≤300按表4-4中主要朝向相对规定控制按表4-4中主要朝向对长边规定控制按表4-4中长边相对规定控制300<α<600按表4-4中主要朝向相对规定的0.8倍控制按表4-4中主要朝向对长边规定的0.8倍控制按表4-4中长边相对规定的0.8倍控制α≥600按表4-4中主要朝向对次要朝向规定控制分别按表4-4中次要朝向对长边、主要朝向对山墙规定控制按表4-4中长边对山墙规定控制注:①表中α指两栋居住建筑之锐角夹角。
②如东西向与南北向同时存在,计算南北向。
三、非居住建筑错位布置时的最小控制间距按表4-6控制。
注:L x、L y为最小控制间距的两个方向上的垂直距离,参见附录三建筑间距图示。
成都市规划管理技术规定(2008)用地和建筑规划管理第一章总则第1.0.1条为加强城市规划管理,确保城市规划有效实施,根据《中华人民共和国城乡规划法》等法律、法规、规章及有关技术规范,结合我市实际,制定本规定。
第1.0.2条本规定适用于本市中心城区域内的城乡规划、设计和管理活动。
温江、双流、龙泉驿、青白江、郫县、新都、金堂、新津、蒲江、邛崃、大邑、都江堰、崇州、彭州等区(市、县)的相应地区应遵照本规定,并结合本地区实际情况制定相应的补充规定。
第1.0.3条《中心城城市形态分区控制规划》根据中心城不同区域的特点及实际情况划定不同的城市形态分区,在城市形态分区内制定、实施城市规划和进行建设应当符合所在城市形态分区的规划控制要求。
第1.0.4条为丰富城市景观,提升城市价值,在中央商务区、人民南路(锦江至火车南站段)两侧地块、城市副中心核心区域、地铁站点周边以及规划确定的城市重要节点范围内的建设项目,强调以修建性详细规划方案的合理性为规划管理的核心和原则。
第1.0.5条历史文化保护区、风景名胜区范围内的各项建设工程的规划管理,应当按照已批准的控制性详细规划执行;尚无批准控制性详细规划的,应当按照已批准的保护专项规划和本规定执行。
第1.0.6条为引导城市有序发展,在近期建设重点区域,将结合修建性详细规划和相关专业规划的要求,进一步优化规划控制指标。
第1.0.7条建设最佳人居环境,加强对建筑色彩的管理,加强环境保护,提高居住的舒适性。
第1.0.8条鼓励在控制性详细规划和本规定的指导下编制修建性详细规划,地块规划要求按照审批后的修建性详细规划执行。
第二章建设用地规划管理建设用地性质及兼容第2.1.1条在城市建设用地规划管理中,对用地性质的确定应依据已批准的控制性详细规划。
无控制性详细规划或控制性详细规划尚未批准的,按已批准的上一级规划执行。
第2.1.2条建设用地的划分、使用应遵循兼容性原则。
控制性详细规划已明确兼容性内容的,按控制性详细规划执行;控制性详细规划未明确兼容性内容的,根据表的规定确定其兼容范围。
成都市城乡规划条例(2017修订)【法规类别】城市规划与开发建设【批准部门】四川省人大(含常委会)【批准日期】2017.06.03【发布部门】成都市人大(含常委会)【发布日期】2017.06.03【实施日期】2017.08.01【时效性】已被修改【效力级别】设区的市地方性法规【修改依据】成都市人民代表大会常务委员会关于修改《成都市城乡规划条例》的决定(2018)成都市城乡规划条例(2009年8月12日成都市第十五届人民代表大会常务委员会第十二次会议通过,2009年9月25日四川省第十一届人民代表大会常务委员会第十一次会议批准;2012年8月31日成都市第十五届人民代表大会常务委员会第三十四次会议修订,2012年11月30日四川省第十一届人民代表大会常务委员会第三十四次会议批准;2017年2月24日成都市第十六届人民代表大会常务委员会第三十一次会议修订,2017年6月3日四川省第十二届人民代表大会常务委员会第三十三次会议批准。
)目录第一章总则第二章城乡规划的制定与修改第三章城乡规划的实施第四章城乡规划监督检查第五章法律责任第六章附则第一章总则第一条为了促进城乡规划的科学民主制定和严格实施、监督,完善规划治理,优化和拓展城市发展空间,保护生态资源,改善人居环境,加快建设国家中心城市,促进城乡经济社会全面协调可持续发展,根据《中华人民共和国城乡规划法》《四川省城乡规划条例》等法律、法规,结合成都市实际,制定本条例。
第二条本市行政区域内城乡规划的制定、实施、修改、监督检查以及在城乡规划区内进行建设活动,应当遵守本条例。
本条例所称城乡规划区是指城市、镇(乡)、村的建成区以及因城乡建设和发展需要,应当实行规划控制的区域。
本市行政区域内的各类规划区应当相互衔接。
第三条本市城乡规划包括城市规划、镇(乡)规划和村规划。
城市规划、镇(乡)规划分为总体规划和控制性详细规划。
第四条制定和实施城乡规划,应当遵循下列原则:(一)坚持规划先行、建管并重、城乡统筹、分类指导,促进经济社会和生态环境全面协调发展;(二)贯彻绿色、低碳、生态、可持续发展理念,促进资源、能源节约和综合利用;(三)保障社会公众利益,确保公共空间优先、公共交通优先和公共配套优先;(四)坚持传承与创新并重,注重延续传统文化和历史遗存,保护有地方特色的历史风貌和自然景观;(五)维护城乡规划的权威性和稳定性,增强城乡规划的科学性和前瞻性,兼顾城乡规划的可操作性。
成都市城市规划管理技术规定2017成都市是一座经济发达、文化氛围浓厚的城市,对城市规划管理技术提出了更高的要求,为此,成都市立法机关依据相关法律法规,调整制定本技术规定(以下简称本规定),为城市规划管理提供技术支撑。
本规定以更高的要求,对城市规划管理工作进行了规范。
首先,本规定对城市规划管理工作范围作出定义,明确了城市规划管理工作的目的是维护城市现状,营造良好的居住环境,促进城市发展。
其次,本规定分别针对城市规划活动、建筑开发活动、环境保护活动、道路建设活动、水利工程活动等,规定了具体的实施措施,统一了城市规划管理工作的标准,使城市发展更加有序高效。
此外,本规定还重点规定了城市规划管理工作需要遵守的责任、禁止以及各种必要的技术措施等内容,如规定城市规划管理工作必须遵循“职责明确,权责一致,分工合作,配合衔接”的原则,对禁止的行为指出了具体的规定;对城市规划管理工作必要的技术措施,明确了城市规划管理工程必须符合城市发展规律,如城市在建设过程中,必须考虑环境问题,以及必须建立可持续发展的技术体系等。
另外,本规定还提出了城市规划管理实施中可能存在的问题应如何解决的具体措施,规定在进行城市规划管理活动时,要求技术人员及时跟踪把握实施进度,要及时发现和解决问题,实现工作的顺利实施;并且强调要落实相关法律规定,以及遵守城市规划管理技术标准等。
总而言之,本规定以更高的要求,以城市规划管理为主线,结合相关法律法规,从实施活动、责任义务、禁止行为、技术措施、解决方案等几个方面,规范了城市规划管理工作,为可持续性发展奠定了坚实的基础,使城市发展更加有序高效。
成都市将持续减少城市规划管理活动的污染,合理资源利用、改善居民环境、提高交通安全及效率、保护历史遗址及文物、实施科学可持续性发展等方面,推动城市健康发展,以期为成都市和每一个市民创造更加美好的未来。
成都市城市规划管理技术规定2017《成都市城市规划管理技术规定 2017》城市规划管理技术规定是城市发展的重要指引和规范,对于保障城市的有序建设、合理布局以及可持续发展具有关键意义。
成都市的城市规划管理技术规定2017 版,更是结合了成都的城市特色和发展需求,为城市的未来描绘了清晰的蓝图。
首先,在用地规划方面,规定对各类用地的性质、规模和布局进行了明确界定。
这有助于合理分配土地资源,确保不同功能的区域能够协调发展。
例如,商业用地的规划要考虑到市场需求和交通便利性,居住用地则要注重环境质量和配套设施的完善。
通过科学规划用地,能够提高土地的利用效率,避免浪费和无序开发。
建筑规划管理也是规定中的重要内容。
对于建筑的高度、面积、间距等都有详细的要求。
合理的建筑高度控制可以保障城市的天际线美观,避免出现高楼大厦过度集中或突兀的情况。
建筑间距的规定则能保证采光、通风和消防安全,提高居民的生活质量。
同时,对于建筑的外观设计也有一定的引导,以体现成都的地域文化特色,使城市建筑既具有现代感又不失传统韵味。
交通规划在城市发展中占据着举足轻重的地位。
成都市城市规划管理技术规定 2017 明确了道路的等级、宽度以及交通设施的配置标准。
这有助于构建一个高效、便捷的交通网络,缓解交通拥堵问题。
合理规划公交线路、地铁站点以及停车场等设施,能够提高公共交通的吸引力,减少私人汽车的使用,从而降低能源消耗和环境污染。
市政公用设施的规划也是不可或缺的一部分。
包括供水、排水、供电、供气、通信等基础设施的布局和建设标准都在规定中有详细说明。
这些设施的完善与否直接关系到城市的正常运转和居民的生活品质。
例如,排水系统的规划要考虑到雨水的排放和污水处理,以防止城市内涝和水污染。
在绿化与景观规划方面,规定强调了城市绿地的比例和分布。
公园、街头绿地、防护绿地等的建设能够增加城市的绿色空间,改善生态环境,为居民提供休闲娱乐的场所。
同时,对于城市景观的塑造也提出了要求,注重保护历史文化风貌和自然景观,使城市在发展的过程中保持独特的魅力。
成都市城市规划管理技术规定(2017)成都市规划管理局成都市城市规划管理技术规定(2017)用地和建筑分册成都市规划管理局2017年目录用地和建筑规划管理第一章总则 (1)第二章建设用地规划管理 (2)2.1 建设用地性质及兼容 (2)2.2 建设用地规划指标控制 (2)2.3 建设用地规划控制 (10)第三章建筑工程规划管理 (13)3.1 建筑间距 (13)3.2 建筑退界 (18)3.3 天府广场中央商务区建筑规划管理 (22)3.4 天府中心中央商务区建筑规划管理 (25)3.5 建筑形态及其他管理要求 (26)第四章建筑工程竣工规划核实管理 (30)第五章附则 (34)附录一名词解释 (35)附录二计算规则 (39)附录三建筑间距图示 (41)附录四综合技术经济指标表 (42)附录五成都市建筑工程方案设计总平面图编制规定 (44)附录六城市建设用地分类 (46)附图一:成都市中心城区形态分区图 (50)附图二:成都市天府广场中央商务区、春熙路片区及天府广场范围示意图 (51)附图三:成都市天府中心中央商务区范围示意图 (52)附图四:成都市中心城区“四边”控制要素示意图 (50)用地和建筑规划管理第一章总则第 1.0.1 条为加快建设国家中心城市,加强规划管理,确保规划有效实施,根据《中华人民共和国城乡规划法》、《成都市城乡规划条例》等法律、法规、规章及相关技术规范,结合成都市(以下简称本市)实际,制定本规定。
第 1.0.2 条本规定适用于本市中心城区城市建设用地内各类建设项目的规划设计和规划管理,本分册为用地和建筑规划管理部分。
第 1.0.3 条根据中心城区不同区域特点划定不同城市形态分区,在城市形态分区内制定、实施城市规划和进行建设时应当符合所在城市形态分区的规划控制要求。
第 1.0.4 条城市建设应以城市设计为重要手段,提升城市品质,强化精细化管理。
在城市重点地区强调以城市设计为规划管理的核心和原则。
第 1.0.5 条已编制片区城市设计且已将容积率指标落实在控制性详细规划中的片区(环城生态区除外),应按照本规定要求,结合片区实际优化完善片区城市设计,并将主要规划指标纳入控制性详细规划进行规划管理。
环城生态区按原控制性详细规划执行。
第 1.0.6 条控制性详细规划所确定的规划控制指标及要求与本规定不一致时,按控制性详细规划执行。
第二章建设用地规划管理2.1建设用地性质及兼容第 2.1.1 条在建设用地规划管理中,用地性质的确定应依据已批准的控制性详细规划。
第 2.1.2 条建设用地的使用应遵循兼容性原则。
控制性详细规划已明确兼容性范围的,按控制性详细规划执行;控制性详细规划未明确兼容性范围的,根据表2.1.2的规定确定其兼容性范围。
第 2.1.3 条建设用地范围内存在多种规划用地性质,且规划需要单独占地的,应按控制性详细规划来确定土地使用性质分类,并在《建设用地规划许可证》中明确各类用地面积;不需要单独占地的,应在规划条件中明确规模及位置。
2.2建设用地规划指标控制第 2.2.1 条按规划区位、交通条件、产业发展和市政基础设施的综合承载能力,将中心城区居住、商业服务业设施等建设用地划分为核心区、一般地区和特别地区,形成疏密有致、高低错落、建筑与自然环境和谐相融的城市空间形态。
(详见附图一)核心区,指综合交通枢纽、城市轴线、城市中心区等建设强度相对较高的区域。
特别地区,指临历史文化街区、环城生态区、主要山体、主要河道、城市风道区等区域及环城生态区。
一般地区,指中心城区除核心区、特别地区以外的大部分一般城市建设区域。
特别控制区,指受特别设施影响、景观环境影响或其他特定因素影响的区域。
当控制性详细规划无明确要求时,建设用地的容积率必须符合本章关于建筑容积率的规划控制指标要求。
第 2.2.2 条确定用地的总容积率、总建筑密度等规划控制指标时,本规定中有针对小类相关要求的应按小类指标确定,如无对应的小类规划控制指标则按对应的中类指标确定,如无对应的中类规划控制指标则按对应的大类指标确定。
表2.1.2 部分城市建设用地兼容性一览表注:①×禁止兼容;◎兼容比例不超过50%;●兼容比例100%;②本表中B12批发市场用地仅指普通商品的批发市场,不含危险品等特种商品的特殊批发市场;B9其他服务设施用地中不含殡葬设施;③兼容比例系指兼容类的计容建筑面积与该项目计入容积率的建筑面积的比例;④本表未涉及的规划用地类别的兼容应符合规划要求;⑤规划控制指标按主导用地类别进行管理;⑥B1商业用地、B2商务用地、B3娱乐康体用地之间可以相互兼容,兼容比例为100%(批发市场用地除外)。
4第 2.2.3 条特别控制区范围内规划控制指标参照周边分区的规划控制指标确定,同时应满足控制性详细规划的要求。
第 2.2.4 条住宅用地、住宅兼容商业服务业设施用地的规划控制指标按以下规定执行。
表2.2.4.1 住宅用地规划控制指标表注:①控制性详细规划中确定了总容积率未确定总建筑密度的住宅用地,总容积率大于1.5的,总建筑密度不得大于20%;②本表中总容积率及总建筑密度均为上限,因建设工程性质、功能、区位及用地情况的不同,相应指标可能达不到上限。
表2.2.4.2 住宅兼容商业服务业设施用地规划控制指标表注:①控制性详细规划中确定了总容积率未确定总建筑密度的住宅兼容商业服务业设施用地,总容积率大于1.5的,总建筑密度不得大于25%;②本表中总容积率及总建筑密度均为上限,因建设工程性质、功能、区位及用地情况的不同,相应指标可能达不到上限。
若受航空限高、规划限高或用地条件限制,建筑高度低于15米时,总建筑密度不得大于35%。
当控制性详细规划明确规划地块(仅指住宅用地)中须配建农贸市场或其它建筑面积不小于2000平方米的公共服务配套设施时,该规划地块总建筑密度可增加5%。
原有建设用地的总容积率已超过本规定的,或加建后不能满足配套要求的,或严重破坏空间环境的,不得在原有建设用地内进行扩建。
住宅用地的绿地率规划控制指标应符合《城市居住区规划设计规范》。
第 2.2.5 条棚户区改造、保障性住房(廉租房、公租房)、农民安置房和城中村改造的住宅用地、住宅兼容商业服务业设施用地、商业服务业设施兼容住宅用地的规划控制指标按以下规定执行(特别地区除外)。
特别地区的以上用地按特别地区规划控制指标执行。
表2.2.5 棚户区改造、保障性住房、农民安置房、城中村改造用地规划控制指标表(特别地区除外)第 2.2.6 条服务设施用地的规划控制指标按以下规定执行。
表2.2.6 服务设施用地规划控制指标表注:①车位数<300辆的社会停车场(库),其停车管理用房建筑面积不宜大于150平方米;车位数≥300辆的社会停车场(库),其停车管理用房建筑面积不宜大于250平方米;②农贸市场的建筑面积不小于计入容积率建筑面积的50%。
第 2.2.7 条公建配套设施必须按规划要求的面积标准配建,且以下设施不应设置在地下(含半地下)空间内:社区服务中心、社区用房、街道办事处、农贸市场、邮政服务网点、文化活动中心、文化活动站、社区卫生服务中心、社区卫生服务站、体育活动中心。
其中: 农贸市场应优先设置于地面一、二层,且设置于一楼的建筑面积不应小于设置于二楼的建筑面积。
第 2.2.8 条商业服务业设施用地(不含批发市场用地、加油加气站用地)的规划控制指标按以下规定执行。
表2.2.8.1 商业服务业设施用地规划控制指标表(高层)注:①单个地块具体容积率可根据城市设计在控制性详细规划中确定。
城市设计可在同一片区同期建设的项目中总体平衡容积率指标,但平均容积率不得大于本表规定,最高容积率核心区不大于8.0,一般地区不大于4.5,特别地区不大于2.5;②未进行城市设计区域,单个地块规划控制指标按本表执行。
表2.2.8.2 商业服务业设施用地规划控制指标表(多层)若受航空限高、规划限高或用地条件限制,建筑高度不高于15米时,总建筑密度不大于60%。
控制性详细规划中确定了总容积率未确定总建筑密度的商业服务业设施用地,总容积率大于1.5的,总建筑密度不得大于55%。
第 2.2.9 条商业兼容住宅用地、商务兼容住宅用地的规划控制指标按以下规定执行。
表2.2.9 商业兼容住宅用地、商务兼容住宅用地规划控制指标表若受航空限高、规划限高或用地条件限制,建筑高度不高于15米时,总建筑密度不大于50%。
控制性详细规划中确定了总容积率未确定总建筑密度的商业兼容住宅用地、商务兼容住宅用地,总容积率大于1.5的,总建筑密度不得大于40%。
第 2.2.10 条行政办公用地规划控制指标按第2.2.8条执行。
第 2.2.11 条高等院校用地、中等专业学校用地的总容积率不小于0.5且不大于2.5。
有特殊需求的高校,如体校、航校等,可结合上述要求个案研究。
第 2.2.12 条中小学用地的总容积率、总建筑密度应结合方案合理性确定。
第 2.2.13 条科研用地的总容积率不小于1.2且不大于3.0,总建筑密度不大于40%。
第 2.2.14 条社会福利用地的总容积率不大于2.5,总建筑密度不大于30%;若受航空限高、规划限高或用地条件限制,建筑高度不高于24米时,总容积率不大于1.8,总建筑密度不大于30%。
第 2.2.15 条公共管理与公共服务设施用地,如文化设施用地、体育用地、文物古迹用地、外事用地、宗教用地等规划用地的规划控制指标结合方案合理性确定,其中:1. 新建、迁建医院的总容积率不大于3.0,总建筑密度结合方案合理性确定;改扩建医院的总容积率、总建筑密度等规划控制指标结合方案合理性确定。
2. 控制性详细规划中规划的体育用地除市级、区级体育中心外,其余均为综合运动场地。
综合运动场地按每100平方米用地面积配置不大于3平方米,且总建筑面积不大于500平方米的服务设施。
第 2.2.16 条批发市场用地的总容积率不小于1.5且不大于3.0,总建筑密度不大于50%。
第 2.2.17 条工业用地的规划控制指标应满足以下要求:1. 工业用地的总容积率不小于1.0且不大于3.0,总建筑密度不小于40%。
2. 除特殊要求外,工业厂房层高不宜高于8.0米,当层高超过8.0米时,在计算总容积率时该层建筑面积加倍计算。
其他工业用房层高不应高于4.2米。
3.如涉及特殊工艺要求,经有关主管部门认定后,总建筑密度可减少5%。
第 2.2.18 条物流仓储用地的总容积率不小于1.0且不大于3.0,总建筑密度不小于30%且不大于60%。
当层高超过8.0米时,在计算总容积率时该层建筑面积加倍计算。
第 2.2.19 条道路与交通设施用地、加油加气站用地、公用设施用地(主要指供水用地、供电用地、消防用地、环卫用地等)的规划控制指标结合方案合理性确定。