QUY50t履带吊性能参数
- 格式:xls
- 大小:19.50 KB
- 文档页数:1
附
2
QUY50履带式起重机技术参数(一)、QUY50履带起重机基本参数表
1.下表中所示的额定起重量(单位为吨),是在坚硬、平坦的地面上吊载工作的值,该值在倾翻载荷78%以内。
2.实际可以吊升载荷,是由上表起重量扣除(主钩+副钩)等一切吊具重量后的值。
3.平衡重为16吨,4吨钩重0.087吨。
4.工作时必须扩张履带。
5.工作幅度是吊重以后的实际工作幅度。
二)、QUY50履带起重机主臂起重性能表
三、QUY50起重机副臂起重作业性能表
三、QUY50起重机副臂起重作业性能表(续)
三、QUY50起重机副臂起重作业性能表(续)。
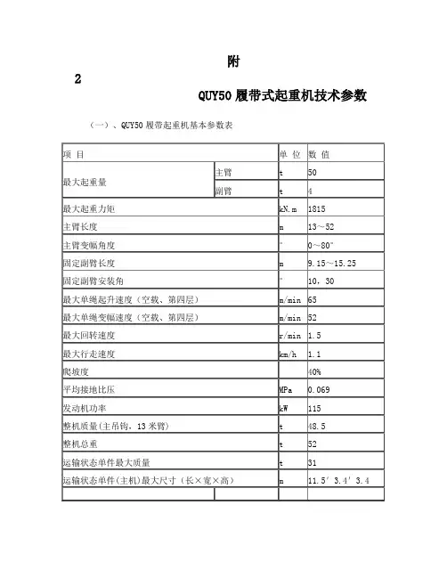
附2 QUY50履带式起重机技术参数
(一)、QUY50履带起重机基本参数表
1.下表中所示的额定起重量(单位为吨),是在坚硬、平坦的地面上吊载工作的值,该值在倾翻载荷78%以内。
2.实际可以吊升载荷,是由上表起重量扣除(主钩+副钩)等一切吊具重量后的值。
3.平衡重为16吨,4吨钩重0.087吨。
4.工作时必须扩张履带。
5.工作幅度是吊重以后的实际工作幅度。
第 1 页共5 页
二)、QUY50履带起重机主臂起重性能表
第 2 页共5 页
三、QUY50起重机副臂起重作业性能表
第 3 页共5 页
三、QUY50起重机副臂起重作业性能表(续)
第 4 页共5 页
三、QUY50起重机副臂起重作业性能表(续)
第 5 页共5 页。
船机名称履带式起重机型号QUY50B制造厂家抚顺挖掘机制造有限公司购置时间2004.6/2004.7最大起重量50T整体参数外形尺寸(长×宽×高)mm6810×3300×3044最大起升重量t 50整机重量t 50 起重力矩t.m 180配重重量t 16 钩头重量kg877(50T)310(15T)使用参数主臂长度m 13~52 起重臂下降钢绳速度m/min 45 主臂加副臂最大长度m 43+15.25 回转速度r/min 2.7 起重臂变幅角度°30~80 行走速度km/h 1.1 提升钢绳速度m/min 54~27 爬坡能力% 40 下降钢绳速度m/min 54~27 主提升倍率——9 起重臂上升钢绳速度m/min 45 接地比压MPa 0.069发动机参数型号——上柴D6114ZG2B 点火顺序——1-5-3-6-2-4 型式——四冲程水冷、直列直喷、涡轮增压发电机V/A 28/36~55 缸数—缸径×行程mm 6-114×135 起动机V/KW 24/7.5 排量L 8.27 蓄电池V/Ah 12/170×2 压缩比——18 发动机机油L 24额定功率/转速KW /r/min 128/2000 发动机冷却水L 60 最大扭矩Nm/r/min 720/1400 净重量Kg 640使用条件1、工作地面必需平整、坚实,作业过程中不得有下陷。
2、工作幅度是吊重后的实际幅度。
3、可在360度范围内作业。
4、起重作业前必须扩张履带。
5、起重的重量包含钩头、吊具的重量。
6、工作时风力应小于10m/s即6级风速以下。
7、单块履带板的接地面积=25cm×75cm8、最大重量=吊车自重+最大吊重=50000kg+50000kg9、最大接地比压:53.3kg/cm2(此参数为最大负荷时临界状态,仅供参考)用途用于起重、安装、转运物资、强夯、打拔桩(钢板桩和钢管桩)QUY50B 履带吊的尺寸图90015007607603170920304432995520469015973450(2540)4300(3300)起重臂角度5470R405042401097364Q U Y 50B 液压履带式起重机主臂额定总载荷表 单位:t528.006.204.964.023.292.702.221.821.481.180.930.714910.457.936.245.024.103.382.802.331.791.601.321.070.854610.55 8.066.355.134.213.492.912.432.041.701.411.160.954312.4510.688.166.475.254.343.623.052.572.181.851.561.311.104012.5010.738.226.535.324.413.703.122.652.261.931.651.401.18 3714.9012.5710.818.326.645.444.533.833.262.792.402.071.791.5434 15.00 12.65 10.898.40 6.735.534.623.913.342.882.492.161.883118.30 15.11 12.79 11.03 8.556.885.684.774.063.503.032.642823.1518.4215.2112.8911.13 8.64 6.97 5.77 4.86 4.16 3.59 3.122526.5523.23 18.48 15.25 12.9211.158.66 6.98 5.77 4.86 4.15 3.582231.1026.77 23.45 18.71 15.49 13.16 11.40 8.91 7.23 6.03 5.12 4.411937.30 31.00 26.70 23.40 18.70 15.50 13.20 11.50 9.007.346.141644.9536.4030.6026.4023.0018.5015.3013.1011.308.907.3013 50.00 43.00 35.00 29.00 25.00 22.00 18.00 15.00 12.60 11.00 8.60 起重臂长(m ) 工作半径(m )3.74.0 4.55.0 5.56.07.08.09.0 10.0 12.0 14.0 16.0 18.0 20.0 22.0 24.0 26.0 28.0 30.0 32.0 34.0起升高度 (m)40°30°60°70°80°10202530工 作 幅 度 (m)1052025303540455055主臂长度(m)52494328161313米主臂米主臂米主臂米主臂米主臂米主臂米主臂米主臂米主臂米主臂米主臂米主臂米主臂米主臂50°QUY50A履带吊主要技术参数船机名称履带式起重机型号QUY50A制造厂家抚顺挖掘机制造有限公司购置时间1983.9最大起重量50T整体参数外形尺寸(长×宽×高)mm6745×3300×3080最大起升重量t 50整机重量T 50 起重力矩t.m 180配重重量t 15.5 钩头重量kg930(50T)310(15T)使用参数主臂长度m 13~52 起重臂下降钢绳速度m/min 45 主臂加副臂最大长度m 43+15.25 回转速度r/min 2.7 起重臂变幅角度°30~80 行走速度km/h 1.1 提升钢绳速度m/min 70~35 主提升倍率——9 下降钢绳速度m/min 70~35 爬坡能力% 20 起重臂上升钢绳速度m/min 45空载接地比压MPa 0.069发动机参数型号——6135G--1 点火顺序——1-5-3-6-2-4 型式——四冲程水冷、直列直喷发电机V/A 28/18~30 缸数—缸径×行程mm 6-135×140 起动机V/KW 24/6.6 排量L 12 蓄电池V/Ah 12/195×2 压缩比——17 发动机机油L 28.7额定功率/转速KW /r/min 117/1800 发动机冷却水L 80 最大扭矩Nm/r/min 650/1400 净重量kg 640使用条件1、工作地面必需平整、坚实,作业过程中不得有下陷。
附2 QUY50履带式起重机技术参数
(一)、QUY50履带起重机基本参数表
1.下表中所示的额定起重量(单位为吨),是在坚硬、平坦的地面上吊载工作的值,该值在倾翻载荷78%以内。
2.实际可以吊升载荷,是由上表起重量扣除(主钩+副钩)等一切吊具重量后的值。
3.平衡重为16吨,4吨钩重0.087吨。
4.工作时必须扩张履带。
5.工作幅度是吊重以后的实际工作幅度。
二)、QUY50履带起重机主臂起重性能表
三、QUY50起重机副臂起重作业性能表
三、QUY50起重机副臂起重作业性能表(续)
三、QUY50起重机副臂起重作业性能表(续)
THANKS !!!
致力为企业和个人提供合同协议,策划案计划书,学习课件等等
打造全网一站式需求
欢迎您的下载,资料仅供参考。
QUY -50吨液压履带式起重机主要技术参数表表一项目单位参数最大额定起重量t 50 最大起重力矩kN.m 1813 主臂架长度m 13-52 主臂架工作仰角°30-80单绳速度主起升机构m/min 0-65 副起升机构m/min 0-65 变幅机构m/min 0-52爬坡度°20回转速度r/min 0-1.5行走速度Km/h 0-1.1接地比压MPa 0.069发动机最大功率kw 115副臂长度m 9.15-15.25副臂安装角度°10/30倍率和额定起重量的关系表二臂长(米)13 16 19 22 25 28 31 倍率12 10 8 7 6 5 4 起重量(吨)50 45 37.5 29.5 26 22.5 18.5臂长(米)34 37 40 43 46 49 52 倍率 4 4 3 3 3 3 2 起重量(吨)15 14.9 10.8 10.7 10.4 10.3 8.00起重钩的最大起重量及本身重量表三最大起重量(吨)吊钩重量(吨)主钩50 0.51中长臂26 0.205副钩 4 0.087起重机工作条件:⑴起重机作业时,地面应平坦坚实,地面倾斜度不大于5%,作业过程中地面不得下陷。
⑵环境温度-20~40℃⑶可在360°范围内工作。
⑷风速小于10米/秒。
QUY -50履带起重机主要钢丝绳规格表四主卷扬钢丝绳副卷扬钢丝绳变幅钢丝绳直径/长度直径/长度直径/长度φ18mm/215m φ18mm/160m φ18.5mm/165m 注:QUY -50吨液压履带式起重机均采用防自转D型钢丝绳。
主、副卷扬均应采用钢芯钢丝绳。
中联牌ZLJ5419JQZ50V汽车起重机产品介绍书QY50V532中联重科工程起重机公司中联牌QY50V532汽车起重机1.产品特点中联牌ZLJ5419JQZ50V汽车起重机是我公司为适应市场需求,集多年经验和先进技术自主开发的新一代高性能产品。
本起重机的起升高度、主臂长度、工作速度、起重能力等性能参数均处于国外目前先进水平。
该产品是一种全回转、伸缩动臂式、手动控制的五节臂汽车起重机。
底盘采用本公司自制的V系列四桥专用底盘,视野宽广,装饰豪华舒适,排放达国III标准,8×4驱动,液压动力转向,轻便灵活。
液压系统采用了最新的三联泵系统,确保各执行机构的工作能力得到充分发挥,设有溢流阀、平衡阀、液压锁、制动阀等安全装置,以防液压系统压力过高,避免由于油管破裂而引起的意外事故发生,提高了系统的可靠性和安全性。
产品配备了力矩限制器等多种安全装置和齐全的照明系统,可保证操作安全可靠,并便于夜间作业。
2.整机规格2.1产品型号汽车行业型号:ZLJ5419JQZ50V工程行业型号: QY50V产品特征号: QY50V5322.2 主要技术参数产品主要配套件2.3额定起重量表本起重机有6种不同使用工况的额定起重量表,操作者应根据实际作业情况选择相对应的额定起重量表来确定额定起重量,详见表2-1~2-6。
表中“Ⅰ”栏的数值表示:与之对应的主臂长度工况下,Ⅰ缸伸出的长度;“Ⅱ”栏的数值表示:与之对应的主臂长度工况下,Ⅱ缸伸出长度的3倍。
表 1 单位:kg表3 单位:kg表4 单位:kg表5 单位:kg表6 单位:kg文档2.4 行驶状态外形尺寸图(尺寸单位:mm)3.上车部分规格3.1主臂及伸缩机构五节箱型伸缩臂,六边形截面,截面抗弯性能优良。
主臂筒体采用低合金高强度钢板制作,承载能力强,自重轻,侧向刚度大,端部挠度小。
采用了自创的滑块角支撑结构,通过一连串的优化设计,使吊臂的自重大幅降低、局部应力分布更趋均匀,完全杜绝了吊臂局部受力凹陷变形的现象,并具有良好的导向性和可调性。