中联180T吊车参数
- 格式:doc
- 大小:352.50 KB
- 文档页数:18
一、QAY180全地面起重机主臂起重性能表平衡重64吨,支腿跨距8.3米幅度13.2 17.7 17.7 22.2 22.2 22.2 26.7 26.7 26.7 31.2 31.2 31.2 35.7 35.735.7 3 *1803.5 135.0120.076.04 122.0116.073.0115.0109.052.04.5 115.0108.070.0105.0102.049.595.094.052.05 109.0101.067.0101.096.046.792.091.049.877.076.049.06 90.089.061.087.085.541.486.085.045.370.069.745.664.062.0 44.07 79.078.056.078.077.036.677.076.041.367.064.642.060.057.2 40.38 69.068.053.067.065.733.067.066.036.665.058.738.059.055.7 35.59 61.061.048.061.057.030.461.059.033.461.053.634.855.052.7 32.710 55.054.045.054.052.728.354.053.031.054.052.232.752.050.1 30.4 12 48.040.047.045.124.447.046.027.051.050.028.648.044.7 26.6 14 38.035.041.040.521.741.040.023.843.042.025.742.038.9 23.3 16 35.035.119.235.634.621.236.836.122.936.633.3 21.0 18 29.530.017.229.428.319.131.531.520.831.129.0 19.0 20 24.623.717.527.527.519.127.124.5 17.2 22 20.920.015.924.024.017.624.122.2 15.7 24 20.520.516.221.519.2 14.3 26 18.01815.119.016.8 13.3 28 16.514.8 12.3 30 14.513.1 11.4 323436384042444648505254组合000000100000001110000200000002111002100000012111102110000022111112111000122倍率18、14 11 7 11 10 5 9 9 5 7 7 4 6 6 4 仰角73~2877~2980~2980~3080~3080~30吊钩180t 140t 80t 30t钩重 2.55 2.4 1.15 0.6平衡重64吨,支腿跨距8.3米幅度40.1 40.1 40.1 44.6 44.6 44.6 49.1 49.1 49.1 53.6 53.6 58.1 62 33.544.5567 51.045.032.58 46.743.030.640.135.330.29 45.340.128.738.133.428.534.525.024.510 41.236.826.835.131.526.932.823.823.427.022.512 37.032.623.332.828.423.830.322.421.924.621.120.717.6 14 32.729.820.629.425.621.426.620.019.523.719.819.817.2 16 29.226.918.426.223.419.323.617.917.622.018.119.016.5 18 26.024.816.424.321.417.521.617.115.820.216.618.216.0 20 24.622.914.921.719.516.020.016.315.318.515.316.915.2 22 21.921.213.720.317.914.718.415.215.016.914.015.814.7 24 20.519.712.517.816.813.416.814.113.815.412.914.814.0 26 17.518.612.016.915.612.415.313.112.814.611.913.512.8 28 15.516.611.015.214.511.614.012.111.913.311.112.511.5 30 13.814.910.214.013.410.813.011.311.212.310.311.810.8 32 12.413.49.512.312.710.112.111.011.011.59.511.010.2 34 11.112.18.811.011.59.311.110.410.310.78.910.29.5 36 9.910.58.810.09.99.69.98.39.68.8 38 8.99.58.29.09.29.09.27.78.78.3 40 8.18.78.48.37.17.97.8 42 7.48.17.97.6 6.37.27.2 44 6.9 5.6 6.5 6.5 46 6.2 5.0 5.9 5.8 48 5.4 5.4 50 4.9 4.9 52 4.5 54 4.2组合21111111120022222111111220122222211112220222222221122222222233333倍率 5 4 3 4 3 3 3 3 3 3 2 2 2 仰角80~3080~3180~3180~32吊钩80t 30t钩重 1.15 0.6平衡重46吨,支腿跨距8.3米幅度13.2 17.7 17.7 22.2 22.2 22.2 26.7 26.7 26.7 31.2 31.2 31.2 35.7 35.735.7 3 140.03.5 132.0120.072.24 122.0116.069.4113.0107.049.04.5 114.0108.066.5105.0100.048.593.190.249.95 103.0101.063.799.094.045.791.187.447.875.574.446.66 90.087.259.887.084.640.684.284.243.568.668.343.360.858.941.87 79.078.056.078.074.035.275.173.739.665.763.339.957.054.438.38 69.066.651.965.063.732.065.064.035.263.257.036.156.152.933.79 61.059.847.058.054.128.958.056.132.159.352.133.052.348.231.110 53.552.643.852.651.327.651.350.429.851.349.631.049.447.628.9 12 45.438.444.142.823.243.742.825.943.742.827.242.841.825.3 14 34.933.634.234.921.534.333.322.935.133.824.435.834.422.1 16 27.029.119.227.526.520.428.227.021.829.027.619.9 18 22.023.916.822.521.618.323.322.119.724.022.718.1 20 18.817.916.819.618.318.220.319.016.3 22 15.914.915.316.615.516.717.316.115.7 24 14.313.115.415.013.814.3 26 12.311.214.413.011.913.3 28 11.410.312.3 30 10.18.911.4 323436384042444648505254组合000000100000001110000200000002111002100000012111102110000022111112111000122倍率13 11 7 11 10 5 9 8 5 7 7 4 6 5 4 仰角73~2877~2980~2980~3080~3080~30吊钩140t 80t 30t钩重 2.4 1.15 0.6平衡重46吨,支腿跨距8.3米幅度40.1 40.1 40.1 44.6 44.6 44.6 49.1 49.1 49.1 53.6 53.6 58.1 62 33.544.5567 49.443.731.58 45.341.729.739.234.329.49 44.038.927.937.332.728.032.823.723.210 40.035.626.034.430.926.331.122.622.225.920.912 35.931.622.632.127.923.328.821.220.824.620.320.117.2 14 31.728.920.028.825.020.925.319.018.523.719.019.516.5 16 28.326.117.825.622.919.022.417.016.721.517.418.615.8 18 24.024.015.923.821.017.220.516.315.019.215.917.815.2 20 20.221.314.520.319.115.719.015.514.617.514.716.114.4 22 17.218.213.317.217.514.416.714.514.315.613.415.014.0 24 14.715.912.114.816.013.214.413.413.114.112.413.612.9 26 12.813.911.712.814.012.112.512.512.212.211.411.911.5 28 11.212.210.711.212.311.410.911.511.310.810.610.610.4 30 9.810.99.99.811.010.69.610.710.69.89.89.49.5 32 8.69.79.28.69.79.98.59.79.98.69.09.09.0 34 7.68.68.67.68.79.17.58.68.97.78.48.18.0 36 6.77.78.6 6.77.88.1 6.87.57.27.1 38 5.87.07.7 5.97.07.3 6.1 6.7 6.5 6.5 40 5.1 6.4 6.6 5.4 6.1 5.8 5.8 42 4.4 5.7 6.0 4.8 5.5 5.1 5.1 44 4.1 4.9 4.6 4.7 46 3.6 4.5 4.1 4.1 48 3.5 3.6 50 3.2 3.3 52 2.8 54 2.4组合21111111120022222111111220122222211112220222222221122222222233333倍率 5 4 3 4 3 3 3 3 2 3 2 2 2 仰角80~3080~3180~3180~32吊钩80t 30t钩重 1.15 0.6平衡重34吨,支腿跨距8.3米幅度13.2 17.7 17.7 22.2 22.2 22.2 26.7 26.7 26.7 31.2 31.2 31.2 35.7 35.735.7 3 140.03.5 130.0120.071.44 121.0116.068.6111.0105.048.04.5 112.0108.065.8104.098.047.093.189.349.45 101.098.063.092.291.244.391.186.547.375.574.446.66 86.085.057.381.981.437.283.282.243.168.668.343.360.858.941.87 75.575.052.674.773.535.073.171.839.265.763.339.957.054.438.38 66.266.049.865.062.432.064.063.134.862.257.036.156.152.933.79 58.058.045.157.054.128.055.154.231.855.452.133.052.348.231.110 49.548.642.347.747.424.949.448.529.548.547.531.048.546.628.9 12 37.537.636.637.323.237.136.025.637.936.527.238.737.225.3 14 29.030.428.128.920.828.427.322.629.227.824.429.928.622.1 16 21.823.619.222.321.320.123.121.921.823.922.519.9 18 17.419.016.818.017.018.118.817.619.719.618.218.1 20 14.713.816.615.614.318.216.315.016.3 22 12.311.315.113.011.915.813.812.515.7 24 11.09.913.711.810.513.6 26 9.48.212.110.28.911.9 28 8.77.610.5 30 7.6 6.39.3 323436384042444648505254组合000000100000001110000200000002111002100000012111102110000022111112111000122倍率13 11 7 10 10 5 9 9 5 7 7 4 6 6 4 仰角73~2877~2980~2980~3080~3080~30吊钩140t 80t 30t钩重 2.4 1.15 0.6平衡重34吨,支腿跨距8.3米幅度40.1 40.1 40.1 44.6 44.6 44.6 49.1 49.1 49.1 53.6 53.6 58.1 62 33.544.5567 49.443.731.58 45.341.729.739.234.329.49 44.038.927.937.332.728.032.823.723.210 40.035.626.034.430.926.331.122.622.225.920.912 35.931.622.632.127.923.328.821.220.824.619.020.117.2 14 30.028.920.028.825.020.925.319.018.522.518.818.816.3 16 23.825.017.823.922.919.022.417.016.720.917.218.115.7 18 19.420.615.919.520.717.218.916.315.018.915.717.315.2 20 16.117.314.516.217.315.715.715.514.615.814.516.114.4 22 13.614.613.313.614.814.413.314.514.313.413.313.813.7 24 11.512.612.111.612.713.211.312.512.811.412.211.911.8 26 9.911.011.79.911.111.99.710.911.29.910.510.310.2 28 8.59.510.78.59.610.58.49.69.88.69.28.98.8 30 7.38.39.57.48.49.27.28.58.67.48.27.87.8 32 6.37.48.4 6.37.48.2 6.37.47.7 6.57.1 6.8 6.8 34 5.3 6.57.6 5.3 6.67.4 5.3 6.6 6.8 5.6 6.4 6.0 6.0 36 4.4 5.8 6.6 4.5 5.9 6.1 4.8 5.6 5.3 5.2 38 3.6 5.1 5.9 3.7 5.2 5.4 4.1 4.9 4.6 4.7 40 3.1 4.7 4.8 3.5 4.4 4.0 4.0 42 2.5 4.1 4.3 2.9 3.9 3.4 3.4 44 2.3 3.4 2.8 2.9 46 1.9 2.9 2.8 2.8 48 2.4 2.4 50 2.1 2.1 52 1.7 54组合21111111120022222111111220122222211112220222222221122222222233333倍率 5 4 3 4 3 3 3 3 3 3 2 2 2 仰角80~3080~3180~3180~32吊钩80t 30t钩重 1.15 0.6平衡重23吨,支腿跨距8.3米幅度13.2 17.7 17.7 22.2 22.2 22.2 26.7 26.7 26.7 31.2 31.2 31.2 35.7 35.735.7 3 139.03.5 128.0120.068.44 119.0114.065.7109.0103.648.04.5 111.0106.063.0102.096.944.593.189.348.95 98.895.060.391.288.342.091.186.546.875.574.446.66 85.583.654.980.077.337.280.279.242.668.668.343.360.858.941.87 75.171.350.468.566.233.068.366.938.865.763.339.957.054.438.38 65.562.747.760.058.029.759.258.234.458.357.036.156.152.933.79 53.352.543.251.550.827.451.350.431.451.550.533.049.448.231.110 43.542.940.542.041.524.342.541.229.143.341.831.044.342.628.9 12 30.432.731.031.921.930.028.925.431.029.527.231.830.325.3 14 22.725.121.923.819.522.421.422.423.321.924.424.122.722.1 16 16.817.519.217.416.319.918.216.921.219.017.719.9 18 13.214.616.713.812.817.014.513.417.515.414.117.3 20 11.110.214.311.910.714.712.611.414.5 22 9.07.812.19.88.612.510.59.312.4 24 8.1 6.710.88.87.710.6 26 6.7 5.29.47.5 6.19.3 28 6.4 4.88.1 30 5.4 3.87.1 323436384042444648505254组合000000100000001110000200000002111002100000012111102110000022111112111000122倍率13 11 7 11 10 5 9 9 5 7 7 4 6 6 4 仰角73~2877~2980~2980~3080~3080~30吊钩140t 80t 30t钩重 2.4 1.15 0.6平衡重23吨,支腿跨距8.3米幅度40.1 40.1 40.1 44.6 44.6 44.6 49.1 49.1 49.1 53.6 53.6 58.1 62 33.544.5567 49.443.731.58 45.341.729.739.234.329.49 44.038.927.937.332.728.032.823.723.210 40.035.626.034.430.926.331.122.622.225.920.912 31.831.622.631.927.923.328.821.220.824.619.020.116.9 14 24.025.320.024.125.020.923.419.018.522.517.818.215.8 16 18.820.117.818.920.219.018.317.016.719.016.317.515.2 18 15.116.315.915.216.517.214.816.215.014.915.214.914.7 20 12.413.614.512.413.614.512.213.513.812.312.712.312.2 22 10.311.312.510.311.512.310.111.411.610.310.710.310.3 24 8.59.710.88.69.710.68.59.710.08.69.49.08.9 26 7.28.29.47.28.39.17.08.48.67.38.17.77.7 28 5.97.18.1 5.97.27.9 6.07.27.4 6.2 6.9 6.6 6.6 30 4.8 6.17.2 4.8 6.27.0 4.9 6.3 6.5 5.2 6.3 5.6 5.6 32 3.8 5.2 6.3 3.8 5.3 6.1 3.9 5.4 5.6 4.3 5.4 4.8 4.8 34 3.0 4.4 5.6 3.0 4.5 5.4 3.1 4.7 4.9 3.5 4.7 4.0 4.1 36 2.3 3.9 4.7 2.4 4.0 4.2 2.8 4.1 3.3 3.3 38 1.6 3.3 4.1 1.8 3.4 3.6 2.2 3.4 2.7 2.7 40 2.8 3.0 1.7 2.8 2.2 2.3 42 2.3 1.7 1.8 44 1.84648505254组合21111111120022222111111220122222211112220222222221122222222233333倍率 5 4 3 4 3 3 3 3 3 3 2 2 2 仰角80~3080~3180~3680~3780~48吊钩80t 30t钩重 1.15 0.6平衡重12吨,支腿跨距8.3米幅度13.2 17.7 17.7 22.2 22.2 22.2 26.7 26.7 26.7 31.2 31.2 31.2 35.7 35.735.7 3 137.03.5 126.0120.066.94 117.0112.064.2108.0102.046.04.5 109.0105.061.6101.095.043.593.189.348.90.00.00.05 98.095.059.091.085.641.188.183.646.875.574.446.66 81.378.253.769.370.236.474.370.342.668.668.343.360.858.941.47 69.062.149.359.460.332.262.461.138.861.760.839.957.054.438.38 54.252.946.651.851.129.153.451.934.453.552.536.151.350.433.79 42.141.642.540.041.026.840.739.231.442.740.933.042.840.931.110 34.033.236.031.832.724.032.531.229.133.431.831.034.532.728.9 12 22.826.121.722.421.922.321.125.423.221.826.624.122.625.3 14 16.619.515.616.319.316.215.119.717.115.820.218.016.520.1 16 11.612.316.012.311.215.613.011.816.113.912.516.0 18 8.79.312.69.48.212.710.29.013.111.09.712.9 20 7.2 5.810.48.1 6.610.88.87.510.7 22 5.4 4.08.7 6.4 4.79.17.1 5.79.0 24 4.9 3.37.7 5.8 4.27.6 26 3.6 2.1 6.6 4.6 3.0 6.5 28 3.6 2.0 5.5 30 2.7 4.8 323436384042444648505254组合000000100000001110000200000002111002100000012111102110000022111112111000122倍率13 11 7 11 10 5 9 9 5 7 7 4 6 6 4 仰角73~2877~2980~2980~3080~3080~30吊钩140t 80t 30t钩重 2.4 1.15 0.6平衡重12吨,支腿跨距8.3米幅度40.1 40.1 40.1 44.6 44.6 44.6 49.1 49.1 49.1 53.6 53.6 58.1 62 33.544.5567 49.443.731.58 45.341.729.739.234.329.49 42.938.927.937.332.728.032.823.723.210 34.435.626.034.430.926.331.122.622.225.920.912 24.025.322.623.825.223.123.321.220.824.619.020.116.6 14 17.819.020.017.819.220.217.318.818.518.317.018.015.2 16 13.714.816.113.615.016.013.314.715.113.912.814.412.9 18 10.711.913.110.712.012.910.511.912.210.69.911.510.1 20 8.59.710.98.59.710.68.49.710.08.68.79.08.2 22 6.88.09.1 6.88.08.9 6.78.18.3 6.77.57.4 6.7 24 5.2 6.67.7 5.2 6.77.4 5.3 6.7 6.9 5.4 6.1 5.9 5.4 26 4.0 5.4 6.6 4.0 5.5 6.4 4.1 5.6 5.9 4.3 5.0 4.6 4.4 28 3.0 4.4 5.6 2.9 4.5 5.4 3.1 4.7 4.9 3.3 4.2 3.7 3.5 30 2.1 3.5 4.7 2.0 3.7 4.6 2.2 3.9 4.0 2.5 3.5 2.9 2.7 32 2.8 3.9 3.0 3.8 1.5 3.1 3.3 2.0 3.1 2.7 2.6 34 2.1 3.3 2.5 3.1 2.5 2.6 1.3 2.4 2.3 2.2 36 1.9 2.5 1.9 2.1 1.8 1.8 1.7 38 2.04042444648505254组合21111111120022222111111220122222211112220222222221122222222233333倍率 5 4 3 4 3 3 3 3 3 3 2 2 2 仰角80~3080~3180~4580~50 80~55 吊钩80t 30t钩重 1.15 0.6平衡重0吨,支腿跨距8.3米幅度13.2 17.7 17.7 22.2 22.2 22.2 26.7 26.7 26.7 31.2 31.2 31.2 35.7 35.735.7 3 135.03.5 124.0119.064.64 112.0111.062.198.098.044.24.5 100.096.059.589.389.342.185.584.645.85 90.384.657.080.880.839.775.073.042.873.266.839.26 70.266.653.763.963.935.262.160.339.060.358.536.457.651.435.27 51.450.747.649.450.531.149.047.334.748.546.633.647.645.131.18 38.337.840.936.637.628.135.433.831.534.532.730.434.432.527.39 29.128.531.327.428.325.927.225.928.827.125.427.826.224.525.210 23.023.524.921.322.123.421.320.124.121.119.724.720.819.322.5 12 15.517.013.814.517.213.812.616.814.313.017.514.212.815.8 14 10.612.39.39.913.09.88.413.310.18.913.110.28.912.1 16 6.2 6.610.0 6.8 5.310.37.3 5.810.17.9 6.59.7 18 3.8 4.37.7 4.5 3.18.1 5.3 3.78.0 6.2 4.67.9 20 2.8 1.4 6.5 3.6 2.1 6.5 4.6 2.9 6.4 22 1.5 5.2 2.3 5.2 3.3 1.7 5.2 24 4.1 2.2 4.2 26 3.2 3.4 28 2.6 30 2.0 323436384042444648505254组合000000100000001110000200000002111002100000012111102110000022111112111000122倍率13 11 7 9 9 5 8 8 5 7 6 4 5 6 4 仰角73~2877~2980~2980~3080~3080~30吊钩140t 80t 30t钩重 2.4 1.15 0.6平衡重0吨,支腿跨距8.3米幅度40.1 40.1 40.1 44.6 44.6 44.6 49.1 49.1 49.1 53.6 53.6 58.1 62 33.544.5567 43.338.326.68 33.535.224.532.828.724.69 25.527.023.025.326.822.827.821.220.710 20.221.521.420.021.521.522.119.519.220.918.412 13.614.815.713.514.815.716.615.015.314.215.114.714.6 14 9.810.812.09.610.811.611.913.513.810.911.711.311.3 16 7.48.59.67.38.49.38.710.310.68.18.98.68.5 18 5.5 6.87.8 5.5 6.87.6 5.87.27.5 6.1 6.9 6.6 6.5 20 3.9 5.3 6.3 3.8 5.3 6.1 4.1 5.7 5.9 4.5 5.4 5.0 5.0 22 2.6 4.0 5.1 2.5 4.0 4.8 2.8 4.5 4.6 3.2 4.2 3.7 3.7 24 1.5 2.9 4.0 1.5 3.2 3.9 1.7 3.4 3.6 2.1 3.2 2.6 2.6 26 2.1 3.2 2.4 3.0 2.5 2.7 2.3 1.8 1.8 28 2.4 1.7 2.3 1.8 1.930 1.8323436384042444648505254组合21111111120022222111111220122222211112220222222221122222222233333倍率 5 4 3 4 3 3 3 2 2 2 2 2 2 仰角80~3080~5480~5880~6480~68吊钩80t 30t钩重 1.15 0.6平衡重46吨,支腿跨距5.5米幅度13.2 17.7 17.7 22.2 22.2 22.2 26.7 26.7 26.7 31.2 31.2 31.2 35.7 35.735.7 3 128.03.5 117.0112.070.84 108.0103.068.099.099.048.04.5 100.096.065.292.092.047.589.088.048.45 93.089.062.486.086.044.883.082.046.874.072.945.16 82.079.058.676.076.039.774.073.042.767.267.041.657.655.839.67 73.070.054.967.067.034.565.064.035.664.062.038.255.248.634.38 58.958.150.957.157.931.457.056.034.856.055.032.353.145.729.19 48.247.546.146.647.428.347.045.830.247.846.429.546.841.626.810 40.439.941.239.039.727.039.438.329.540.238.828.041.039.525.4 12 29.531.028.729.422.729.228.125.830.028.725.730.829.423.4 14 22.824.322.122.821.122.621.622.423.422.123.224.122.821.0 16 17.418.118.918.017.020.018.817.619.619.518.218.9 18 14.014.716.514.613.617.515.414.217.116.114.917.5 20 12.011.014.912.711.615.513.512.315.3 22 9.98.912.810.79.513.411.410.213.2 24 9.07.811.69.78.511.5 26 7.6 6.210.28.37.110.1 28 7.2 5.88.9 30 6.2 4.67.9 323436384042444648505254组合000000100000001110000200000002111002100000012111102110000022111112111000122倍率12 11 7 11 10 5 9 9 5 7 7 4 6 6 4 仰角73~2877~2980~2980~3080~3080~30吊钩140t 80t 30t钩重 2.4 1.15 0.6平衡重46吨,支腿跨距5.5米幅度40.1 40.1 40.1 44.6 44.6 44.6 49.1 49.1 49.1 53.6 53.6 58.1 62 33.544.5567 47.441.729.58 43.339.726.737.234.329.49 42.036.924.935.332.728.032.821.721.210 38.334.123.333.130.626.131.120.620.225.920.912 30.131.419.627.927.623.126.819.219.524.619.020.117.2 14 23.624.717.023.424.720.723.418.017.523.417.419.516.5 16 19.020.114.118.820.118.818.916.015.718.915.418.615.8 18 15.616.713.715.516.715.815.515.314.015.613.616.015.2 20 13.014.113.412.914.014.413.013.312.813.113.413.513.4 22 10.912.012.310.812.012.810.912.211.511.111.811.511.4 24 9.310.311.29.210.311.19.310.510.89.410.29.99.8 26 7.98.910.07.88.99.77.99.29.48.18.88.58.5 28 6.77.78.8 6.67.78.5 6.88.08.27.07.77.47.3 30 5.6 6.77.8 5.5 6.77.5 5.87.07.3 6.0 6.7 6.4 6.4 32 4.6 5.97.0 4.6 5.9 6.7 4.8 6.1 6.4 5.2 5.9 5.6 5.5 34 3.7 5.1 6.2 3.7 5.1 5.9 3.9 5.4 5.6 4.3 5.2 4.8 4.8 36 2.9 4.5 5.2 3.2 4.7 5.0 3.6 4.5 4.1 4.1 38 2.3 3.9 4.6 2.5 4.2 4.3 2.9 3.9 3.4 3.4 40 1.9 3.6 3.7 2.3 3.4 2.8 2.9 42 3.0 3.2 1.8 2.8 2.3 2.3 44 2.3 1.8 1.8 4648505254组合21111111120022222111111220122222211112220222222221122222222233333倍率 5 4 3 4 3 3 3 2 2 3 2 2 2 仰角80~3080~3180~3180~3080~43吊钩80t 30t钩重 1.15 0.6平衡重34吨,支腿跨距5.5米幅度13.2 17.7 17.7 22.2 22.2 22.2 26.7 26.7 26.7 31.2 31.2 31.2 35.7 35.735.7 3 125.03.5 114.0109.069.34 105.0101.066.696.097.046.64.5 98.093.063.890.090.045.687.086.047.95 91.087.061.184.084.043.081.080.045.973.272.244.66 79.075.055.672.072.036.169.068.039.663.062.741.056.654.837.77 61.460.551.159.460.333.959.858.434.858.057.037.053.644.831.38 48.147.548.346.547.331.146.945.734.146.845.330.946.742.626.49 39.138.639.737.738.527.138.237.029.538.037.628.239.938.326.210 32.532.233.431.332.124.131.830.727.131.731.327.733.532.024.3 12 23.524.722.723.422.523.222.225.423.022.823.724.923.522.6 14 17.919.217.117.820.217.716.720.618.517.320.419.318.020.5 16 13.213.916.413.812.916.714.613.417.515.414.117.3 18 10.411.013.511.010.013.911.810.614.512.511.314.4 20 8.87.611.69.68.412.310.39.112.2 22 7.0 5.69.97.8 6.410.58.67.310.4 24 6.4 4.89.17.2 5.78.9 26 5.1 3.57.9 6.0 4.47.7 28 4.9 3.3 6.7 30 4.0 2.4 5.9 323436384042444648505254组合000000100000001110000200000002111002100000012111102110000022111112111000122倍率12 10 7 9 9 5 8 8 4 7 7 4 5 5 4 仰角73~2877~2980~2980~3080~3080~30吊钩140t 80t 30t钩重 2.4 1.15 0.6平衡重34吨,支腿跨距5.5米幅度40.1 40.1 40.1 44.6 44.6 44.6 49.1 49.1 49.1 53.6 53.6 58.1 62 33.544.5567 43.338.325.68 39.736.524.036.831.527.09 38.534.122.431.227.423.430.121.520.910 32.831.621.129.626.323.228.520.420.025.120.712 24.225.517.824.124.218.523.117.317.022.118.619.517.0 14 18.719.917.018.619.817.218.617.016.618.717.017.815.5 16 14.916.013.914.816.015.814.815.214.914.915.215.414.0 18 12.013.111.311.913.113.012.013.313.612.112.912.612.5 20 9.810.911.19.810.910.79.811.111.410.010.810.410.4 22 8.19.210.38.09.210.08.19.49.78.39.18.78.7 24 6.77.88.9 6.67.78.6 6.78.08.37.07.77.47.3 26 5.4 6.67.7 5.3 6.67.4 5.5 6.87.1 5.8 6.6 6.2 6.2 28 4.2 5.6 6.7 4.2 5.6 6.4 4.4 5.9 6.1 4.8 5.6 5.3 5.3 30 3.3 4.7 5.8 3.2 4.7 5.5 3.5 5.0 5.3 3.9 4.8 4.4 4.4 32 2.5 3.9 5.1 2.4 4.0 4.8 2.6 4.3 4.5 3.0 4.1 3.6 3.6 34 1.7 3.2 4.3 1.7 3.4 4.2 1.9 3.6 3.8 2.3 3.4 2.8 2.9 36 2.8 3.5 2.9 3.1 1.7 2.7 2.2 2.2 38 2.3 3.0 2.4 2.6 2.2 1.6 1.7 40 1.9 2.1 1.742 1.6444648505254组合21111111120022222111111220122222211112220222222221122222222233333倍率 5 4 3 4 3 3 3 2 2 3 2 2 2 仰角80~3080~3180~3780~4480~52吊钩80t 30t钩重 1.15 0.6平衡重23吨,支腿跨距5.5米幅度13.2 17.7 17.7 22.2 22.2 22.2 26.7 26.7 26.7 31.2 31.2 31.2 35.7 35.735.7 3 122.03.5 111.0106.065.04 103.098.063.194.094.046.14.5 95.091.060.587.087.042.883.082.045.95 88.083.057.979.079.040.376.075.044.073.069.940.06 66.865.852.764.565.635.864.063.038.362.061.037.255.653.834.17 49.248.548.447.448.331.647.946.533.748.947.234.347.943.830.38 38.237.738.636.737.628.537.336.030.938.236.729.939.237.525.79 30.830.431.429.530.326.330.128.928.331.029.527.430.929.324.510 25.425.126.224.325.023.424.823.726.223.722.326.725.624.122.7 12 18.019.217.217.920.317.816.720.518.617.320.819.418.020.7 14 13.314.712.613.315.613.212.216.014.012.816.314.813.516.8 16 9.410.012.510.08.912.910.89.613.211.610.313.5 18 6.97.410.27.7 6.310.68.57.110.89.28.011.1 20 5.7 4.38.7 6.6 5.09.07.4 6.09.3 22 4.1 2.77.3 5.0 3.47.6 6.0 4.47.8 24 3.7 2.1 6.4 4.7 3.0 6.6 26 2.6 5.4 3.6 2.0 5.6 28 2.7 4.8 30 1.9 4.0 323436384042444648505254组合000000100000001110000200000002111002100000012111102110000022111112111000122倍率12 10 7 9 9 5 8 8 4 7 7 4 5 6 4 仰角73~2877~2980~2980~3080~3080~30吊钩140t 80t 30t钩重 2.4 1.15 0.6平衡重23吨,支腿跨距5.5米幅度40.1 40.1 40.1 44.6 44.6 44.6 49.1 49.1 49.1 53.6 53.6 58.1 62 33.544.5567 42.337.325.18 37.435.523.535.830.526.09 30.230.621.130.026.422.429.421.020.410 24.925.220.024.724.821.024.219.919.523.819.112 18.920.117.118.720.018.517.316.816.517.316.517.815.4 14 14.315.514.714.215.416.314.215.715.914.415.214.814.4 16 11.112.213.411.012.213.111.112.512.711.312.111.711.6 18 8.89.911.08.79.810.78.810.110.49.09.89.49.4 20 6.98.09.2 6.98.08.97.08.38.67.28.07.67.6 22 5.3 6.67.7 5.3 6.67.4 5.5 6.97.1 5.8 6.6 6.2 6.2 24 4.0 5.4 6.5 3.9 5.4 6.2 4.2 5.7 5.9 4.6 5.4 5.1 5.1 26 2.9 4.4 5.5 2.8 4.4 5.2 3.1 4.7 5.0 3.5 4.5 4.0 4.0 28 2.0 3.4 4.6 1.9 3.6 4.4 2.2 3.8 4.0 2.6 3.6 3.1 3.1 30 2.6 3.8 2.9 3.6 3.0 3.2 1.8 2.8 2.3 2.3 32 1.9 3.1 2.3 2.9 2.4 2.5 2.2 1.6 1.6 34 2.5 1.7 2.3 1.8 1.9 1.636384042444648505254组合21111111120022222111111220122222211112220222222221122222222233333倍率 4 4 3 4 3 3 3 2 2 3 2 2 2 仰角80~3080~3780~4880~5480~60吊钩80t 30t钩重 1.15 0.6二、QAY180全地面起重机副臂起重性能表副臂长度11.55米平衡重64吨,支腿跨距8.3米幅度44.6 49.1 53.6 58 62安装角0 15 30 0 15 30 0 15 30 0 15 30 0 15 30 10 11.012 10.58.610.01410.28.0 6.29.87.59.57.5169.87.3 6.09.57.0 6.19.0 6.97.3 6.8 6.8189.5 6.8 5.79.2 6.6 5.88.7 6.7 5.77.0 6.5 5.6 6.5 6.3 209.1 6.3 5.58.8 6.2 5.68.3 6.3 5.5 6.8 6.1 5.5 6.3 6.0 5.1 228.7 5.9 5.28.5 5.8 5.38.0 6.0 5.3 6.5 5.7 5.3 6.0 5.7 5.0 247.8 5.6 5.08.0 5.6 5.17.7 5.7 5.2 6.1 5.3 5.1 5.7 5.3 4.8 267.2 5.3 4.77.5 5.4 4.97.3 5.3 5.0 5.8 5.1 5.0 5.4 5.1 4.628 6.9 5.1 4.57.2 5.2 4.7 6.9 5.1 4.7 5.5 4.8 4.7 5.2 4.7 4.330 6.6 4.9 4.4 6.8 5.0 4.5 6.2 4.8 4.4 5.3 4.6 4.5 5.0 4.5 4.232 6.4 4.7 4.3 6.4 4.8 4.3 5.7 4.3 4.2 5.1 4.3 4.4 4.6 4.3 4.134 6.2 4.5 4.2 5.8 4.6 4.2 5.1 4.1 4.0 4.7 4.1 4.2 4.1 4.0 4.036 6.0 4.3 4.0 5.2 4.5 4.1 4.6 3.9 3.9 4.2 3.8 4.0 3.7 3.7 3.838 5.8 4.1 3.9 4.7 4.3 4.0 4.1 3.8 3.8 3.8 3.6 3.9 3.3 3.4 3.440 5.2 3.9 3.8 4.3 4.0 3.9 3.7 3.6 3.8 3.5 3.5 3.6 3.0 3.1 3.142 4.8 3.8 3.7 3.9 3.7 3.8 3.4 3.4 3.5 3.1 3.2 3.2 2.7 2.8 2.844 4.4 3.6 3.6 3.5 3.3 3.6 3.1 3.1 3.2 2.9 2.9 2.9 2.3 2.5 2.546 4.1 3.5 2.8 3.2 3.0 3.4 2.7 2.9 2.9 2.6 2.6 2.7 2.1 2.2 2.248 2.3 2.9 2.7 3.0 2.5 2.6 2.6 2.3 2.4 2.4 1.9 2.0 2.050 2.5 2.2 2.6 2.2 2.3 2.3 2.0 2.1 2.2 1.7 1.7 1.852 2.4 2.0 2.1 2.1 1.9 1.9 2.0 1.4 1.5 1.654 1.8 1.8 1.9 1.7 1.7 1.7 1.3 1.3 1.456 1.5 1.5 1.5 1.1 1.2 1.258 1.3 1.4 1.40.9 1.0 1.06062646668组合22111 11122222111122222221122222222233333倍率 1仰角80~3580~3580~3680~3680~40吊钩11t钩重0.46副臂长度11.55米平衡重46吨,支腿跨距8.3米幅度44.6 49.1 53.6 58 62安装角0 15 30 0 15 30 0 15 30 0 15 30 0 15 30 10 11.012 10.58.610.01410.28.0 6.29.87.59.57.5169.87.3 6.09.57.0 6.19.0 6.97.3 6.8 6.8189.5 6.8 5.79.2 6.6 5.88.7 6.7 5.77.0 6.5 5.6 6.5 6.3 209.1 6.3 5.58.8 6.2 5.68.3 6.3 5.5 6.8 6.1 5.5 6.3 6.0 5.1 228.7 5.9 5.28.5 5.8 5.38.0 6.0 5.3 6.5 5.7 5.3 6.0 5.7 5.0 247.8 5.6 5.08.0 5.6 5.17.7 5.7 5.2 6.1 5.3 5.1 5.7 5.3 4.8 267.2 5.3 4.77.5 5.4 4.97.3 5.3 5.0 5.8 5.1 5.0 5.4 5.1 4.628 6.9 5.1 4.57.2 5.2 4.7 6.9 5.1 4.7 5.5 4.8 4.7 5.2 4.7 4.330 6.6 4.9 4.4 6.8 5.0 4.5 6.2 4.8 4.4 5.3 4.6 4.5 5.0 4.5 4.232 6.4 4.7 4.3 6.4 4.8 4.3 5.7 4.3 4.2 5.1 4.3 4.4 4.6 4.3 4.134 6.2 4.5 4.2 5.8 4.6 4.2 5.1 4.1 4.0 4.7 4.1 4.2 4.1 4.0 4.036 6.0 4.3 4.0 5.2 4.5 4.1 4.6 3.9 3.9 4.2 3.8 4.0 3.7 3.7 3.838 5.8 4.1 3.9 4.7 4.3 4.0 4.1 3.8 3.8 3.8 3.6 3.9 3.3 3.4 3.440 5.2 3.9 3.8 4.3 4.0 3.9 3.7 3.6 3.8 3.5 3.5 3.6 3.0 3.1 3.142 4.8 3.8 3.7 3.9 3.7 3.8 3.4 3.4 3.5 3.1 3.2 3.2 2.7 2.8 2.844 4.4 3.6 3.6 3.5 3.3 3.6 3.1 3.1 3.2 2.9 2.9 2.9 2.3 2.5 2.546 4.1 3.5 2.8 3.2 3.0 3.4 2.7 2.9 2.9 2.6 2.6 2.7 2.1 2.2 2.248 2.3 2.9 2.7 3.0 2.5 2.6 2.6 2.3 2.4 2.4 1.9 2.0 2.050 2.5 2.2 2.6 2.2 2.3 2.3 2.0 2.1 2.2 1.7 1.7 1.852 2.4 2.0 2.1 2.1 1.9 1.9 2.0 1.4 1.5 1.654 1.8 1.8 1.9 1.7 1.7 1.7 1.3 1.3 1.456 1.5 1.5 1.5 1.1 1.2 1.258 1.3 1.4 1.40.9 1.0 1.06062646668组合22111 11122222111122222221122222222233333倍率 1仰角80~3580~3580~3680~3680~40吊钩11t钩重0.46副臂长度11.55米平衡重34吨,支腿跨距8.3米幅度44.6 49.1 53.6 58 62安装角0 15 30 0 15 30 0 15 30 0 15 30 0 15 30 10 11.012 10.58.610.01410.28.0 6.29.87.59.57.5169.87.3 6.09.57.0 6.19.0 6.97.3 6.8 6.8189.5 6.8 5.79.2 6.6 5.88.7 6.7 5.77.0 6.5 5.6 6.5 6.3 209.1 6.3 5.58.8 6.2 5.68.3 6.3 5.5 6.8 6.1 5.5 6.3 6.0 5.1 228.7 5.9 5.28.5 5.8 5.38.0 6.0 5.3 6.5 5.7 5.3 6.0 5.7 5.0 247.8 5.6 5.08.0 5.6 5.17.7 5.7 5.2 6.1 5.3 5.1 5.7 5.3 4.8 267.2 5.3 4.77.5 5.4 4.97.3 5.3 5.0 5.8 5.1 5.0 5.4 5.1 4.628 6.9 5.1 4.57.2 5.2 4.7 6.9 5.1 4.7 5.5 4.8 4.7 5.2 4.7 4.330 6.6 4.9 4.4 6.8 5.0 4.5 6.2 4.8 4.4 5.3 4.6 4.5 5.0 4.5 4.232 6.4 4.7 4.3 6.4 4.8 4.3 5.7 4.3 4.2 5.1 4.3 4.4 4.6 4.3 4.134 6.2 4.5 4.2 5.8 4.6 4.2 5.1 4.1 4.0 4.7 4.1 4.2 4.1 4.0 4.036 5.8 4.3 4.0 5.2 4.5 4.1 4.6 3.9 3.9 4.2 3.8 4.0 3.7 3.7 3.838 5.0 4.1 3.9 4.7 4.3 4.0 4.1 3.8 3.8 3.8 3.6 3.9 3.3 3.4 3.440 4.3 3.9 3.8 4.3 4.0 3.9 3.7 3.6 3.8 3.5 3.5 3.6 3.0 3.1 3.142 3.7 3.8 3.7 3.7 3.7 3.8 3.4 3.4 3.5 3.1 3.2 3.2 2.7 2.8 2.844 3.1 3.3 3.4 3.1 3.3 3.5 3.1 3.1 3.2 2.9 2.9 2.9 2.3 2.5 2.546 2.6 2.8 2.8 2.6 2.8 2.9 2.7 2.9 2.9 2.6 2.6 2.7 2.1 2.2 2.248 2.3 2.1 2.3 2.4 2.3 2.5 2.6 2.3 2.4 2.4 1.9 2.0 2.050 1.7 1.9 1.9 1.9 2.0 2.1 2.0 2.1 2.2 1.7 1.7 1.852 1.5 1.5 1.6 1.7 1.7 1.9 2.0 1.4 1.5 1.654 1.1 1.3 1.3 1.4 1.5 1.6 1.3 1.3 1.456 1.1 1.2 1.3 1.0 1.2 1.2586062646668组合22111 11122222111122222221122222222233333倍率 1仰角80~3580~3580~3680~3680~40吊钩11t钩重0.46幅度44.6 49.1 53.6 58 62安装角0 15 30 0 15 30 0 15 30 0 15 30 0 15 30 12 6.0 5.814 5.9 5.6 5.416 5.8 4.3 5.3 5.2 4.8 4.518 5.5 4.3 5.0 3.9 4.9 3.7 4.8 4.520 5.2 4.0 3.1 4.8 3.7 3.1 4.7 3.6 4.8 3.3 4.3 3.022 5.0 3.8 3.0 4.5 3.5 2.9 4.5 3.4 2.8 4.6 3.0 2.9 4.0 2.824 4.7 3.5 2.9 4.3 3.3 2.8 4.3 3.2 2.7 4.1 2.9 2.7 3.9 2.7 2.526 4.3 3.3 2.8 4.1 3.1 2.8 4.1 3.1 2.7 4.0 2.8 2.6 3.7 2.6 2.428 4.0 3.0 2.8 4.0 2.9 2.8 3.9 2.9 2.7 3.8 2.7 2.5 3.5 2.5 2.430 3.8 2.9 2.7 3.8 2.7 2.7 3.8 2.6 2.6 3.7 2.6 2.5 3.4 2.4 2.332 3.7 2.7 2.7 3.8 2.6 2.7 3.6 2.5 2.6 3.5 2.5 2.5 3.3 2.3 2.334 3.5 2.6 2.6 3.6 2.5 2.6 3.5 2.4 2.5 3.4 2.4 2.4 3.2 2.2 2.236 3.4 2.5 2.6 3.4 2.4 2.6 3.4 2.3 2.3 3.3 2.3 2.4 3.1 2.2 2.138 3.3 2.4 2.5 3.2 2.3 2.5 3.3 2.2 2.2 3.0 2.2 2.3 3.0 2.1 2.140 3.1 2.4 2.5 3.1 2.2 2.5 3.1 2.2 2.2 2.8 2.1 2.3 2.8 2.0 2.042 2.9 2.3 2.4 2.9 2.1 2.5 3.0 2.1 2.2 2.7 2.1 2.2 2.4 2.0 2.044 2.8 2.2 2.4 2.8 2.1 2.4 2.8 2.1 2.1 2.6 2.0 2.1 2.1 1.9 1.946 2.6 2.1 2.4 2.6 2.0 2.3 2.7 2.0 2.1 2.4 2.0 2.1 1.9 1.8 1.948 2.5 2.1 2.3 2.5 2.0 2.3 2.4 2.0 1.8 2.1 1.9 1.7 1.7 1.8 1.750 2.3 2.0 2.2 2.4 1.9 2.2 2.1 1.9 1.8 1.9 1.9 1.7 1.5 1.6 1.652 2.3 2.0 2.2 2.3 1.9 2.1 1.9 1.9 1.8 1.7 1.8 1.6 1.3 1.5 1.554 2.3 2.0 2.0 2.0 1.7 2.0 1.7 1.8 1.7 1.5 1.6 1.5 1.1 1.2 1.356 2.0 1.8 1.8 1.6 1.8 1.5 1.6 1.6 1.3 1.4 1.5 1.0 1.1 1.258 1.6 1.7 1.3 1.4 1.5 1.1 1.2 1.30.80.9 1.060 1.1 1.1 1.3 1.0 1.1 1.262 1.0 1.10.9 1.0 1.0646668组合22111 11122222111122222221122222222233333倍率 1仰角80~3580~3780~3780~4380~45吊钩11t钩重0.46幅度44.6 49.1 53.6 58 62安装角0 15 30 0 15 30 0 15 30 0 15 30 0 15 30 12 6.0 5.814 5.9 5.6 5.416 5.8 4.3 5.3 5.2 4.8 4.518 5.5 4.3 5.0 3.9 4.9 3.7 4.8 4.520 5.2 4.0 3.1 4.8 3.7 3.1 4.7 3.6 4.8 3.3 4.3 3.022 5.0 3.8 3.0 4.5 3.5 2.9 4.5 3.4 2.8 4.6 3.0 2.9 4.0 2.824 4.7 3.5 2.9 4.3 3.3 2.8 4.3 3.2 2.7 4.1 2.9 2.7 3.9 2.7 2.526 4.3 3.3 2.8 4.1 3.1 2.8 4.1 3.1 2.7 4.0 2.8 2.6 3.7 2.6 2.428 4.0 3.0 2.8 4.0 2.9 2.8 3.9 2.9 2.7 3.8 2.7 2.5 3.5 2.5 2.430 3.8 2.9 2.7 3.8 2.7 2.7 3.8 2.6 2.6 3.7 2.6 2.5 3.4 2.4 2.332 3.7 2.7 2.7 3.8 2.6 2.7 3.6 2.5 2.6 3.5 2.5 2.5 3.3 2.3 2.334 3.5 2.6 2.6 3.6 2.5 2.6 3.5 2.4 2.5 3.4 2.4 2.4 3.2 2.2 2.236 3.4 2.5 2.6 3.4 2.4 2.6 3.4 2.3 2.3 3.3 2.3 2.4 3.1 2.2 2.138 3.3 2.4 2.5 3.2 2.3 2.5 3.3 2.2 2.2 3.0 2.2 2.3 3.0 2.1 2.140 3.1 2.4 2.5 3.1 2.2 2.5 3.1 2.2 2.2 2.8 2.1 2.3 2.8 2.0 2.042 2.9 2.3 2.4 2.9 2.1 2.5 3.0 2.1 2.2 2.7 2.1 2.2 2.4 2.0 2.044 2.8 2.2 2.4 2.8 2.1 2.4 2.8 2.1 2.1 2.6 2.0 2.1 2.1 1.9 1.946 2.6 2.1 2.4 2.6 2.0 2.3 2.7 2.0 2.1 2.4 2.0 2.1 1.9 1.8 1.948 2.5 2.1 2.3 2.5 2.0 2.3 2.4 2.0 1.8 2.1 1.9 1.7 1.7 1.8 1.750 2.3 2.0 2.2 2.4 1.9 2.2 2.1 1.9 1.8 1.9 1.9 1.7 1.5 1.6 1.652 2.3 2.0 2.2 2.3 1.9 2.1 1.9 1.9 1.8 1.7 1.8 1.6 1.3 1.5 1.554 2.3 2.0 2.0 2.0 1.7 2.0 1.7 1.8 1.7 1.5 1.6 1.5 1.1 1.2 1.356 2.0 1.8 1.8 1.6 1.8 1.5 1.6 1.6 1.3 1.4 1.5 1.0 1.1 1.258 1.6 1.7 1.3 1.4 1.5 1.1 1.2 1.30.80.9 1.060 1.1 1.1 1.3 1.0 1.1 1.262 1.0 1.10.9 1.0 1.0646668组合22111 11122222111122222221122222222233333倍率 1仰角80~3580~3780~3780~4380~45吊钩11t钩重0.46。
吊车吨位参数表
起重臂长度,作业半径与允许起重量对照表(机型QUY35、35t)
起重臂长度,作业半径与允许起重量对照表(机型SCC508、50t)
起重臂长度,作业半径与允许起重量对照表(机型神钢335、35 t)
起重臂长度,作业半径与允许起重量对照表(机型神钢440、40 t)
起重臂长度,作业半径与允许起重量对照表(机型株社LS—78RS、35t)
起重臂长度,作业半径与允许起重量对照表(机型QY25汽车吊、25t)
起重臂长度,作业半径与允许起重量对照表(机型KH150、40t)
(机型神钢5045、45t)
(机型DH500、50t)
起重臂长度,作业半径与允许起重量对照表(机型CCH35、35t)
起重臂长度,作业半径与允许起重量对照表(机型DH400、40t)
起重臂长度,作业半径与允许起重量对照表(机型)。
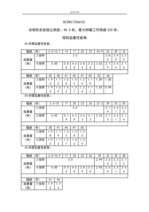
QTZ80(TC5610)该塔机安装独立高度:40.5米,最大附着工作高度220米。
塔机起重性能表56米臂起重性能表:QTZ80(TC5613-6)该塔机安装独立高度:40.5米,最大附着工作高度220米。
塔机起重性能表56米臂起重性能表:QTZ80(TC5613-8)该塔机安装独立高度:46米,最大附着工作高度180米。
塔机起重性能表56米臂起重性能表:QTZ80(TC6010-6)该塔机安装独立高度40.5米,最大附着工作高度220米。
塔机起重性能表42米臂起重性能表:QTZ80(TC6013A-6)该塔机支腿独立固定式安装高度:46米,最大附着工作高度220米。
塔机起重性能表60米臂起重性能表:40米臂起重性能表:QTZ125(TC6015A-10E)该塔机支腿独立固定式安装高度:60米,最大附着工作高度220米。
60米臂起重性能表:QTZ160(TC6517A-10)该塔机支腿独立固定式安装高度:52米,最大附着工作高度200米。
塔机起重性能表65米臂起重性能表:QTZ160(TC6517B-10)该塔机支腿独立固定式安装高度:52米,最大附着工作高度200米。
塔机起重性能表65米臂起重性能表:50米臂起重性能表:QTZ250(TCT7032)该塔机支腿固定独立式安装高度:54米,最大附着工作高度196.5米。
塔机起重性能表70米臂起重性能表:50米臂起重性能表:QTZ250(TC7035A-16)该塔机支腿固定独立式工作高度:61米,最大附着工作高度180米。
塔机起重性能表70米臂起重性能表:QTZ250(TC7035B-16)该塔机支腿固定独立式工作高度:61.5米,最大附着工作高度241.5米。
塔机起重性能表70米臂起重性能表:55米臂起重性能表:QTZ400(TC7052)该塔机支腿固定独立式工作高度:73米,最大附着工作高度180米。
塔机起重性能表70米臂起重性能表:50米臂起重性能表:40米臂起重性能表:D800-42该塔机固定独立式工作高度:75米(此时非工作状态下爬升架必须放置在塔身的最下方),最大附着工作高度257.4米。
180吨缆载起重机使用说明书一、概述180吨缆载起重机是一种由两根箱形端梁、一根桁架主梁构成H形承载结构,由运行机构、起升机构组成主要工作机构,以悬索桥的两根主缆为行走轨道,以主缆索夹为承重支承点,跨度25.2米,起重量180吨的缆索起重机。
180吨缆载式起重机运行机构采用踏步行走,双向牵引方案,其牵引用电动葫芦安装在主缆上,其行走轮跨越障碍通过液压系统操纵行走轮起落来实现,起升机构采用四吊点转换为三吊点的方案,其起重用卷扬机安装在主塔上,各起重钢线绳通过托轮平行主缆进入起重机,其起重力和下滑力均由两端梁的承压和抗滑块直接传递给索夹。
该起重机还设置有防止超载的起重量限止器,防止卷扬机过卷扬的高度限位器,防止起重机运行偏斜的防偏机构、防止动滑轮组偏转的防偏转装置以及使起重机和主缆相对固定的夹紧机构,抱紧机构等安全装置。
二、用途180吨缆载起重机是用于架设广东汕头海湾大桥加劲主梁的专用大型设备,该桥共用四台缆载起重机同步架设加劲主梁,中跨安装两台,两边跨各安装一台,分别以两主塔为起点,对称架设加劲主梁,加劲主梁由铁驳从水上运送至缆载起重机正下方,由缆载起重机将加劲主梁起吊进行安装架设。
三、缆载起重机主要技术性能参数见表一四、缆载起重机结构缆载起重机结构主要由端梁、主梁、栏杆、梯子、承压一抗滑装置组成。
1、端梁缆载起重机两根端梁结构型式完全相同,左、右对称制造,端梁为长8米、高0.8米的箱形结构,是各种机构及结构的骨架,其上安装有行走轮组、定滑轮组、夹紧机构、抱紧机构、承压一抗滑装置、栏杆、梯子等。
2、主梁主梁是由角钢拼焊而成的桁架结构,承受端梁传递来的载重及自身的重量,主梁长23.1米,高1.6米,宽1.0米,由两节长7.54米的主梁分段Ⅱ和一节长8.04米的主梁分段Ⅰ组成,每节主梁之间以及端梁与主梁之间采用螺栓联接,主梁两侧与端梁之间装有稳定拉杆。
3、栏杆栏杆由钢管焊接而成,高1米,分成7片,每片栏杆之间以及栏杆与端梁之间采用可拆卸的联接。
.中联牌 ZLJ5663JQZ150H汽车起重机产品介绍书QAY180长沙中联重科工程起重机公司..主要性能参数项目单位数值备注最大额定总起重量Kg 180000最大起重力矩Kn.m 6480 13.8m 臂长, 9m 幅度主臂最大起升高度m 62.6 不考虑吊臂变形括号内副臂最大起升高度m 72.7/79.7(87) 数值为加上加长臂的值单绳最大速度m/min 128 第四层起重臂伸出时间s ≥ 450起重臂起臂时间s ≥ 80回转速度r/min ≤ 1.5最高行驶速度Km/h 72最大爬坡度% 50最小转弯半径m 12最小离地间隙mm 305尾气排放限值国Ⅲ百公里油耗L ≤ 85行驶状态自重(总质量)kg 71200整车整备质量kg 71000每桥轴荷kg 11866.7外形尺寸(长×宽×高)mm 16984× 3000× 3960支腿横向跨越距m 8.8支腿纵向跨越距m 8.8主臂长m 13.8 ~ 61主臂仰角0 -0.5 ~ 83副臂长m 10、 17副臂 +加长臂m 7.5 、 17.5 、 24副臂安装角0 0、 15、 30型号ZLJ5720类别二类生产企业中联重科..副臂起重量表(主臂61 米、支腿全伸、配重55 吨)主臂加臂长度7.5 米副臂长度10米副臂长度17米副臂 +加长臂副臂 +加长臂17.5(10+7.5 )米24.5( 17+7.5 )米仰角(。
)0。
15。
30。
0。
15。
30。
0。
15。
30。
0。
15。
30。
0。
15。
30。
80 11 9.0 5.3 4.0 5 2.8 2.2 6.5 3.5 2.6 3 78 10.5 8.3 5.0 3.9 4.8 2.8 2.1 5.8 3.3 2.5 2.9 76 10.0 7.5 4.8 3.8 4.3 2.7 2.1 5.5 3.1 2.3 2.9 74 9.6 7.0 4.6 3.7 3.8 2.6 1.9 4.8 3.0 2.2 2.8 72 7.8 6.7 4.4 3.6 3.5 2.5 1.8 4.5 2.9 2.1 2.7 70 7.2 6.3 4.1 3.5 2.5 2.5 1.8 4.2 2.8 2.0 2.6 68 6.8 6.0 4.0 3.4 2.4 2.4 1.7 3.9 2.7 1.9 2.5 66 6.1 5.7 3.9 3.3 2.4 2.2 1.7 3.6 2.6 1.8 2.3 64 5.8 5.4 3.7 3.2 2.2 2.1 1.6 3.4 2.5 1.7 2.2 62 5.3 5.1 3.5 3.1 2.2 2.0 1.6 3.3 2.3 1.6 2.1 60 5.0 5.0 3.4 3.0 2.1 1.9 1.5 3.1 2.2 1.5 2.0 58 4.7 4.7 3.1 2.8 2.1 1.8 1.4 3.0 2.1 1.4 1.9 56 4.4 4.4 3.0 2.0 1.7 2.9 2.0 1.8 54 4.1 4.1 2.9 1.9 1.6 2.8 1.9 1.5 52 3.8 3.8 1.8 2.7 1.8 1.4 50 3.5 3.5 1.6 2.4 1.3 主臂仰角80 78 76 74 72 70 68 66 64 62 60 58 56 54 52 50注:在表中副臂长度7.5 米表示只带加长臂的起重量;副臂长度10 米、 17 米表示常规副臂的起重量;17.5 米表示加长臂加常规程10 米副臂的起重量;副臂长度24 米表示加长臂加常规副臂的起重。
中联重科中联牌QUY180履带起重机技术介绍册长沙中联重工科技发展股份有限公司目录1.整机描述1)带基本臂主机外形尺寸2)主要性能参数3)主要运输部件外形尺寸及重量2.技术说明1)臂架2)机构3)系统4)安全装置5)操纵室6)吊钩3.自拆装功能4.起重性能1)主臂起重特性2)主臂+固定副臂起重特性3)主臂+塔式副臂起重特性5.臂架组合说明1.带基本臂主机外形尺寸1)带基本臂主机外形尺寸2)主要性能参数变幅副臂顶节臂9440 180.891 1宽度1306变幅副臂3m臂节3076 1360.212 1宽度1306变幅副臂6m臂节6076 1360.381 2宽度1306变幅副臂9m臂节9076 1360.55 2宽度1306变幅副臂前撑杆9067 1.011 1宽度:1293变幅副臂后撑杆9067 1.222 1宽度:1631说明:表中尺寸和重量仅供参考。
2.技术说明1)臂架系统桁架式结构,高强度管材,拉板为进口高强度板材。
主臂主臂长度:20~83m主臂调整增加臂节长度:3m、6m、9m轻型主臂长度:86~92m主臂长度:47m-71m固定副臂长度:13~31m固定副臂调整增加臂节长度:6m主臂+固定副臂最大长度:71+31m塔式副臂主臂长度:38m-56m塔式副臂长度:24~51m塔式副臂调整增加臂节长度:3m、6m、9m主臂+塔式副臂最大长度:56+51m2)机构主、副起升机构由变量轴向柱塞液压马达、平衡阀、减速机、常闭式制动器、钢丝绳组成。
可独立于其它机构单独控制。
钢丝绳为德国进口完全非旋转抗扭钢丝绳。
主副机构为双速型,有两种不同的起升速度,可提高工作效率。
由变量轴向柱塞液压马达、平衡阀、减速机、常闭式制动器、钢丝绳组成。
可独立于其它机构单独控制。
钢丝绳为德国进口完全非旋转抗扭钢丝绳。
回转机构回转机构由变量轴向内藏式柱塞液压马达、齿轮减速机、回转制动阀、制动器、小齿轮及回转支承组成,通过小齿轮带动回转支承实现360。
一、总体施工方案1.1概述采用“钓鱼法”逐跨向前推进施工栈桥,即采用履带吊机插打完一跨管桩、铺设一跨桥面板的方式进行,履带吊机站在前一跨前端施工下一跨,直至最后一跨栈桥施工完毕。
其中贝雷梁在后方场地内拼装分组,运至现场整体吊装;桥面板在专业加工厂加工成标准化模块,分块拼装,栈桥“钓鱼法”施工示意如下:图1-1栈桥“钓鱼法”施工示意图2.2施工工艺流程栈桥起点处填土→插打抗滑桩,安装挡土模板,压实填土→第一跨桥墩的管桩插打,连接系、桩帽、分配梁焊接→安装第一跨贝雷梁及标准支撑架→安装第一跨钢桥面板、栏杆、电缆支架→履带吊机在第一跨栈桥上插打第二跨桥墩的管桩,焊接连接系、桩帽、分配梁→安装第二跨贝雷梁及标准支撑架→安装第二跨钢桥面板、栏杆、电缆支架→逐跨向前施工栈桥施工准备方案报批、技术交底测量定位管桩起吊、下沉打桩锤夹持管桩管桩插打切割管桩、桩帽安装管桩检查验收控制垂直度、桩定位,桩顶标高控制桩顶分配梁安装管桩接头对接连接系安装贝雷梁架设、支撑架安装贝雷梁预拼桩帽、连接系、分配梁预制、验收钢桥面板安装钢桥面板分块预制、验收人、机、料进场桥面栏杆安装其他附属设施安装栏杆预制、验收整跨检查验收下一跨循环施工栈桥整体验收图2-2栈桥施工工艺流程图二、具体施工步骤及要求2.1施工准备施工前按设计要求准备施工机械及材料,并对施工队伍做好安全技术交底。
2.2测量定位测量人员根据主栈桥总体规划及施工进度,将桩位进行逐一放样。
2.3栈桥桥头施工利用已有便道作为施工便道,在栈桥起点前通过渣土运输车配合挖掘机、装载车进行填土,利用小型夯实机对填土进行分层夯实,每层厚度30cm,确保密实度满足相关规范、标准要求,然后利用吊机配合打桩锤插打抗滑桩直至贯入度满足要求,焊接连接系和抗滑桩顶部分配梁,吊装挡土模板,填土按照设计及规范要求进行放坡。
2.4栈桥下部结构施工2.4.1钢管桩的制作与加工钢管桩均采用工厂标准化生产的新制螺旋管(见图2-1),标准长度12m,由于栈桥设计单桩长度24m~41m之间,为便于运输考虑最长配节为12m。
JQJ型180t架桥机(步履式)操作、维护及使用说明书武桥重工集团股份有限公司2009年3月目录1、桥面吊机的用途及其主要特点2、桥面吊机主要技术参数3、主要结构4、液压系统5、电气系统6、安装与调试及注意事项7、安全操作规程8、架桥机的操作、维护及使用说明9、备件清单(一组两台吊机共用)10、随机工具11、附图1、JQJ型180t架桥机的用途及其主要特点:1.1用途:JQJ型180t架桥机,主要用于荆岳长江公路大桥北塔主跨及北边跨斜拉桥钢梁的吊装施工。
钢箱梁为单箱三室扁平流线型栓焊钢箱梁,中心梁高 3.8m,钢箱梁宽38.5m,标准节段长度15m。
节段最大重量305.4t.JQJ型180t架桥机采用两台(一组)抬吊的施工工法。
水上部分吊装采用船舶运输到桥位,由架桥机将钢箱梁安全准确的提升至桥面并依变幅机构的配合进行对位和拼接。
岸上部分采用船舶运输到岸边栈桥,由运梁小车运送到桥位,由架桥机将钢箱梁安全准确的提升至桥面并依变幅机构的配合进行对位拼接。
本架桥机设有步履式驱动装置,可在桥面自行前进或后退。
1.3. 桥面吊机的工作特征:1.3.1架桥机前支点站位于已安装节段斜拉索横隔板处,标准节段后锚点距离前支点18m处。
1.3.2架桥机机架设相邻节段;2、架桥机主要技术参数:2.1 起重量:180吨 (不含吊具重量)2.2 架桥机自重:118吨 (单件最大重量: 7t)2.3 抗风能力:空载行走状态: 8级空载锚固状态: 12级满负荷起重状态: 7级2.4起升速度:满载: 0~1.0/min空载: 0~1.5 m/min2.5 变幅速度: 0~0.6 m/min (带载变幅)2.6 工作幅度: Rmin=7m Rmax=12m2.7整机走行方式:步履式(油缸顶推,步履过程中不带载)2.8整机走行速度: 移动全程15m ,包括锚固拆装、倒运轨道、定位全过程时间不大于2小时。
2.9空载整机爬坡能力: 正负3.5度2.10起升高度:桥面下65m、桥面上1m2.11前后锚固距离: 18m(16m,19.5m)2.12工作时左右支承点距离: 外侧10.5m、内侧5.7m前后支承点距离: 16.85m2.13起吊偏斜角: 横桥向1.5度、纵桥向3.5度2.14吊具调平性能: 具备纵向、横向调平功能2.15色标: 秋黄色、厚度120μm2.16电制: 三相四线制交流 380V 50Hz2.17整机装机容量: 110Kw2.18整机稳定系数: 满足GB3811-83要求 ( 各种工况∑M>0 )2.19过载保护及高度和变幅限位:按GB4064-83、GB6067-85要求配齐并设有载荷数字显示及报警,整机运行设有蜂鸣器。
主要技术参数表配重组合表格VHK 0°副臂起重性能表支腿全伸,副臂安装角为0°VHK 20°副臂起重性能表支腿全伸,副臂安装角为20°VHK 40°副臂起重性能表支腿全伸,副臂安装角为40°配重组合表格吊钩负载能力,滑轮数及吊钩质量注:*选装件主要技术参数表主臂起重性能表主臂起重性能表主臂起重性能表主臂起重性能表PAGE21PAGE22副臂起重性能表支腿全伸,副臂安装角为0,副臂长度为43m(36+7),78t配重SAC2200 ALL-TERRAIN CRANE 220 TONS OF LIFTING CAPACITYSAC2200全地面起重机/220吨起重量副臂起重性能表副臂起重性能表 支腿全伸,副臂安装角为20,副臂长度为43m(36+7),78t配重支腿全伸,副臂安装角为40,副臂长度为43m(36+7),78t配重注释起升钢丝绳倍率最大起重量起重模式标志,左边方框表示主臂的工作模式,比如“T”表示伸缩臂;右边方框表示副臂的工作模式,“--”表示副臂没有工作副臂起重工况,如“K”表示可折叠臂,“12.2m”表示副臂长度,“0°”表示副臂安装角“V”表示有主臂延伸臂的情况“HK”表示液压控制安装角可调副臂模式“V”表示有主臂延伸臂的情况,“HK”表示液压控制安装角可调副臂模式主要技术参数表主臂起重性能表注:*需增加附属装置,正后方作业;固定副臂无超起性能表主臂带超起性能表固定副臂带超起性能表固定副臂带超起性能表主要技术参数表主臂起重性能表注:*需增加附属装置,正后方作业;主臂带超起性能表固定副臂无超起性能表固定副臂带超起性能表塔式副臂带超起性能表主要技术参数表主臂性能表(带超起)主臂性能表注:*为必须带辅助装置。
注:*为必须带辅助装置。
副臂性能表(带超起,支腿全伸,360°作业, 165t配重)塔臂性能表(带超起,支腿全伸,360°作业,165t配重)* 副臂连接架2.2m。