两化融合贯标资料准备清单
- 格式:xlsx
- 大小:13.62 KB
- 文档页数:2
两化融合资料清单信息化项目资料清单1.资金申报表(附件1,我司处理);2.资金申请报告(附件2,我司处理);3.企业营业执照、组织机构代码证、税务登记证、法人代表身份证;4.上年度财务审计报告(税审报告)或财务报表,及最近一个月会计报表(含资产负债表、损益表、现金流量表);5.项目“两化”融合应用实施合同(即软件供应商等信息化技术服务商与企业签订的项目实施合同);6.“两化”融合应用项目投入明细表(附件3)和以下证明材料:a.项目相应开支发票(请对照《“两化”融合应用项目投入明细表》的顺序来提供);b.项目相应支出凭证(请对照《“两化”融合应用项目投入明细表》的顺序来提供);c.项目相应银行转账凭证(请对照《“两化”融合应用项目投入明细表》的顺序来提供);7.软件供应商提供的软件产品登记证书和软件验收报告;8.项目软件与系统功能模块和对应工作岗位明细表(我司处理)(详见附件4);9.项目软件与系统运行全流程图片和IT支撑设备图片(如:某ERP项目涉及会计核算、财务管理、生产控制管理、物流管理等不同模块,则须提供相应模块对应工作岗位的现场操作图片)。
10.企业“两化”融合应用项目效益相关评价指标的必要材料,包括不限于以下资料:a.企业成本费用利润率和销售利润率佐证材料(包括不限于:项目开工当月,完工当月和上年度同月的损益表);b.万元产值综合能耗佐证材料(包括不限于:上年度企业用电、用油<指汽油、柴油和燃料油>、用气<指天然气>的数量清单,项目开工当月、完工当月和上年度同月的企业用电、用油、用气的数量清单);c.社会贡献率佐证材料(如:项目开工当月、完工当月和上年度同月的资产负债表和明细损益表,所谓明细损益表应能够反映出工资<含奖金、津贴等工资性收入>、劳保退休统筹及其他社会福利支出、利息支出净额、应交增值税、产品销售税金及附加、应交所得税及其他税、净利润等内容);11.其他材料(企业可自行选择提供)。
XX 企业企业两化融合示范项目申报资料装订顺序(一)2021年度XX市企业两化融合示范项目申请材料(封面)(二)XX(三)申报项目审核表(四)申报企业基本情况表(五)申报项目计划投入情况表(六)项目相关数据一揽表(七)企业信息化建设规划(八)可行性研究报告(九)信息化项目合同(复印)(十)企业营业执照(复印)(十一)企业上一年度纳税证明(十二)高XX企业、名牌产品、技术中心、行业排名等证书(复印);(选用最高级别)(十三)正版化计划及XX书(十四)XX落实《信息化和化融合管理体系要求》计划及XX书(十五)企业上一年度会计报表和审计报告(复印)XX-1 企业2021年度XX市企业两化融合示范项目申报材料(封面)××××(项目名称)申报单位:申报日期:XX XX—2 企业申报项目审核表XX—3企业申报企业基本情况表XX-4企业申报项目计划投入情况表单位名称:单位:万园XX—5企业项目相关数据一览表XX—6 企业项目可行性研究报告编写提纲一、立项依据简述企业规模、历程、方向、和战略目标.简述企业内外部在实现战略目标所存在的有利条件和不利因素。
简述企业信息化建设中、长期规划,包括总体架构图和总体目标,以及阶段目标、时间及重点建设项目.二、项目建设的必要性从信息化规划要求、解决企业当前及今后一段时间将面临问题等方面分析本项目建设的必要性,并在必要性基础上,说明其积极意义。
三、需求分析分析提出项目在功能、性能、范围等方面的需求,以及对时间、组织管理、人力XX等方面的要求。
分析提出XX种约束情况.四、建设目标提出项目建设目标(量化),并与信息化规划目标进行一致性分析。
围绕建设目标,合理划分阶段,并设定阶段目标、主要任务、期限、检验标准。
五、技术方案提出项目建设思路和原则.提出项目的体系框架、逻辑结构、功能组成,并说明其在规划中的位置.简述三大支撑平台(应用、安全、基础网络和数据库)情况,提出项目与三大支撑平台、其他重点项目之间的集成方案。
两化融合贯标材料清单摘要:1.两化融合的背景和意义2.两化融合贯标的概念和作用3.两化融合贯标材料清单的具体内容4.两化融合贯标材料清单的实施流程5.两化融合贯标材料清单的优点和挑战6.结论正文:随着工业化与信息化的深入发展,两化融合成为当前产业升级和转型的关键。
为了更好地实现两化融合,我国推出了一系列相关政策,其中就包括两化融合贯标。
那么,什么是两化融合贯标呢?它又有哪些重要的作用呢?两化融合贯标,是指将工业化与信息化的相关要求贯穿于企业的各项管理和业务活动中,使之形成一个有机的整体。
通过两化融合贯标,可以帮助企业提高生产效率、降低成本、提高产品质量,进一步提升企业的核心竞争力。
在实施两化融合贯标的过程中,需要整理一份两化融合贯标材料清单。
这份清单详细列出了实施两化融合贯标所需的各项材料,包括企业基本情况、贯标工作计划、贯标培训材料、贯标实施记录等。
实施两化融合贯标的流程大致可以分为以下几个步骤:首先,企业需要了解两化融合贯标的相关政策和要求,并制定出符合自身实际情况的贯标工作计划;其次,企业需要对员工进行贯标培训,确保员工能够熟练掌握两化融合贯标的要求和操作方法;然后,企业需要按照贯标材料清单的要求,整理相关材料,并提交给相关部门进行审核;最后,企业需要根据审核意见,对材料进行修改完善,并按照要求进行公示和备案。
两化融合贯标材料清单的实施,不仅可以为企业提供明确的贯标指导,还可以帮助企业更好地管理各项贯标材料,确保贯标的顺利进行。
然而,实施两化融合贯标材料清单也存在一些挑战,如如何确保材料的真实性、准确性,如何处理多余的材料等。
这些问题需要我们在实践中不断探索和解决。
总之,两化融合贯标材料清单是实施两化融合贯标的重要工具,它对于推动工业化与信息化的融合,提高企业的管理水平和竞争力具有重要的作用。
目录一、两化融合管理体系贯标试点企业申请表二、两化融合现状(一)企业两化融合发展历程(二)信息化应用和覆盖情况(三)信息化综合集成及发展模式创新(四)基础设施和系统保障(五)两化融合发展评估(六)取得的成效(七)取得的经验三、两化融合管理现状(一)两化融合方针(二)两化融合目标(三)组织领导与制度化建设(四)两化融合管理机制(五)两化融合推进路径(六)企业推进两化融合的资源保障(七)两化融合问题及分析(八)两化融合持续改进的方向与展望一、两化融合管理体系贯标试点企业申请表(见附件2)二、两化融合现状(一) 企业两化融合发展历程福建容和盛食品集团有限公司,成立于2005年4月,是集饲料生产、种猪繁殖、生猪饲养、生猪屠宰加工、肉制品加工为一体的农业产业化国家重点龙头企业。
总投资10亿元,目前生猪年屠宰能力达200万头。
生产项目采用当今世界先进的荷兰“施托克”生猪屠宰线、韩国“好烤克”分割线及美国“开利”冷却排酸系统等成套设备,采用心脑同步电击晕、蒸汽烫毛、连续式脱毛、自动劈半、快速预冷、低温排酸等先进的生产工艺,实行从加工、运输到终端销售全程0-4℃控制,配置最先进的质量跟踪追溯系统,实现从源头到餐桌全过程的食品安全监控,可靠保证了肉品品质的安全卫生、营养美味。
2008年7月,年屠宰加工生猪冷鲜肉200万头的生产线正式投产。
公司整条生产线采用计算机控制和信息管理。
2009年8月,出口产品出口香港。
公司销售产品纳入计算机信息管理。
2010年1月,公司被福建省经贸委认定为生猪屠宰企业资质等级三星级认定,为龙岩中心城市牲畜定点屠宰唯一一家企业。
公司行政办公、采购、生产管理、销售、财务全面实行计算机信息管理。
2010年12月,公司被中华人民共和国农业部评定为“国家猪肉加工技术研发专业分中心”、“国家农产品加工技术研发分中心”。
公司技术研发、新产品开发和产品检测,技术改造等实行计算机信息管理。
建立肉品可追溯系统。
两化融合贯标材料清单摘要:1.两化融合贯标的概念和背景2.两化融合贯标的内容和目标3.两化融合贯标的实施步骤和关键点4.两化融合贯标的意义和价值5.两化融合贯标的案例分享正文:两化融合贯标是指将企业的信息化和工业化融合起来,通过建立一套管理体系,实现企业的可持续发展。
这一概念源于我国企业信息化发展历程中积累的技术应用成果和管理创新经验。
为了推广这一理念,我国制定了gb/t 23020《工业企业信息化和工业化融合评估规范》,并在一万多家企业开展了两化融合评估工作。
两化融合贯标的内容包括:以获取可持续竞争优势为关注焦点,战略一致性,领导的核心作用,全员参与、全员考核,过程管理,全局优化,循序渐进、持之以恒等九项管理原则。
这些原则旨在帮助企业实现技术融合和产品融合,提高企业的技术含量和竞争力。
实施两化融合贯标的步骤主要包括:评估企业的现状,制定融合策略,建立管理体系,实施和运行管理体系,以及持续改进。
在这些步骤中,企业需要关注以下几个关键点:一是确保管理体系的建立和实施符合国家的相关标准和规定;二是充分考虑企业的实际情况,制定适合企业的融合策略;三是加强对员工的培训,提高员工的技术水平和管理能力;四是定期对管理体系进行评估和改进,确保其有效性和实用性。
两化融合贯标对企业的意义和价值主要体现在以下几个方面:一是提高了企业的管理水平和技术水平,增强了企业的竞争力;二是帮助企业实现了可持续发展,降低了企业的运营成本;三是提高了员工的工作效率和满意度,增强了企业的凝聚力和吸引力。
在实施两化融合贯标的过程中,企业需要关注以下几个关键点:一是确保管理体系的建立和实施符合国家的相关标准和规定;二是充分考虑企业的实际情况,制定适合企业的融合策略;三是加强对员工的培训,提高员工的技术水平和管理能力;四是定期对管理体系进行评估和改进,确保其有效性和实用性。
两化融合贯标的案例分享:某汽车制造企业通过实施两化融合贯标,实现了汽车制造技术和电子信息技术的融合,推出了一款具有高技术含量的汽车电子产品,提高了企业的竞争力和市场份额。
两化融合贯标材料清单
两化融合贯标材料清单:
在实施国家两化融合发展战略的过程中,为了确保各行各业的顺利推进,需要
有一份清单,列出了必要的材料,以便组织和管理工作。
下面是两化融合贯标所需的材料清单:
1. 两化融合工作计划书:这是一个详细阐述两化融合目标、措施和时间表的文件。
它应该包含必要的技术和经济分析,并提供实施策略。
2. 两化融合项目申请报告:该报告包括项目的背景、目标、可行性分析和预期
效益等信息。
它在申请融合项目时起到了重要的引导和说明作用。
3. 两化融合实施方案:该方案是根据工作计划书编制的,包括了项目的详细执
行步骤、责任分工和资源调配等内容。
它为项目实施提供了指导和依据。
4. 两化融合项目进展报告:报告应该定期编制,记录项目的进展情况,包括完
成的任务、存在的问题和解决方案等内容。
它有助于及时发现和解决项目中的困难。
5. 两化融合监测与评估报告:该报告用于监测和评估项目的效果和成果。
它通
过收集和分析相关数据,评估各项指标的完成情况,并提供相应的建议和改进措施。
6. 两化融合项目总结报告:该报告是项目结束后的一份总结性文件,回顾和评
价项目的整体效果,并提供对未来工作的建议和思考。
这些材料对于推进和管理两化融合工作至关重要。
通过准备和使用这些清单材料,可以保证工作的有序进行,进一步推动我国两化融合发展战略的实施。
两化融合贯标材料清单-回复两化融合贯标材料清单是为了推动中国制造业升级和转型而制定的重要文件,该文件是指导企业进行两化融合的具体要求和标准。
本文将详细回答有关两化融合贯标材料清单的问题,以帮助读者更好地理解和应用该文件。
一、什么是两化融合贯标材料清单?两化融合贯标材料清单是根据国家相关政策和要求,由相关部门制定的文件,主要包括指导企业进行两化融合的具体要求和标准。
清单中列举了企业在推进两化融合的过程中应完成的各项工作和需要提交的相关材料。
二、为什么制定两化融合贯标材料清单?制定两化融合贯标材料清单的目的是加强对企业两化融合的指导和管理,规范企业的行为,促进中国制造业高质量发展。
通过制定清单,可以推动企业按照国家相关政策和要求进行两化融合,提高企业的智能化水平和核心竞争力。
三、两化融合贯标材料清单的主要内容有哪些?根据两化融合贯标材料清单的具体要求,企业在推进两化融合的过程中,主要需要完成以下几个方面的工作:1. 提供两化融合的总体规划和实施方案。
企业需要编制详细的两化融合总体规划和实施方案,包括融合目标、计划、时间表等内容,并提交审核。
2. 提供两化融合的基础条件和技术指标。
企业需要提供两化融合的基础条件和技术指标,包括生产设备、信息技术系统、软硬件资源等方面的要求。
3. 提供两化融合的组织结构和人员配备。
企业需要提供两化融合的组织结构和人员配备,包括专业人员、技术人员、管理人员等要求。
4. 提供两化融合的经费支持和设备设施。
企业需要提供两化融合所需的经费支持和设备设施情况,包括资金投入、设备更新等情况。
5. 提供两化融合的进展情况和成果汇报。
企业需要按照要求提交两化融合的进展情况和成果汇报,包括工作计划的完成情况、技术创新成果、经济效益等。
四、如何准备两化融合贯标材料?准备两化融合贯标材料需要企业按照上述清单的要求,具体步骤如下:1. 制定两化融合总体规划和实施方案。
企业需要根据自身实际情况,制定两化融合的总体规划和实施方案,并认真编制详细的计划和时间表。
两化融合贯标材料清单-回复【两化融合贯标材料清单】是指在实施两化融合战略过程中所需的各类标准、规范、方案以及相关资料和文件等。
这些材料清单对于确保两化融合工作的顺利进行、规范发展具有重要的指导作用。
下面将一步一步回答相关问题。
一、两化融合贯标材料清单的意义和目标- 为企业提供明确的目标和指导,推动企业实施两化融合战略;- 为企业开展两化融合评估和审核提供基础;- 为政府监管部门提供依据,推动两化融合工作的有效开展;- 为科研机构和咨询公司等第三方提供服务和支持。
二、两化融合贯标材料清单的内容1. 两化融合的相关政策法规、国家标准和规范文件,如《国家工业信息化和互联网融合发展工作指导意见》等;2. 两化融合的方法论和指南,如《企业信息化和工业化深度融合指南》等;3. 两化融合管理体系和评估方法,如ISO/IEC 18529《信息技术卓越组织框架》等;4. 两化融合案例和成功经验,以促进企业间的交流与学习;5. 相关行业的发展报告和趋势分析,以帮助企业了解行业发展方向。
三、两化融合贯标材料清单的应用方法1. 制定企业内部两化融合工作计划和实施方案时,参考相关政策法规和标准文件,确保其合规性和有效性;2. 进行两化融合的自查和评估时,借助两化融合管理体系和评估方法,对企业进行全面的评估和分析;3. 在项目实施中,参考两化融合案例和成功经验,借鉴前人经验,避免不必要的错误;4. 关注行业的发展报告和趋势分析,及时调整企业的两化融合战略,以适应市场需求和行业发展变化。
四、两化融合贯标材料清单的建设与管理1. 政府部门和标准化组织要加强对两化融合领域标准体系的建设,及时修编和发布相关标准和规范文件;2. 企业要按照相关标准和规范要求,开展两化融合贯标工作,建立健全内部管理体系;3. 科研机构和咨询公司等第三方要积极参与两化融合贯标材料的研究和编制工作,提供技术支持和咨询服务。
五、两化融合贯标材料清单的效果评估与持续改进1. 对两化融合贯标材料的使用情况进行定期评估和调研,统计和分析使用效果;2. 根据评估结果,及时推出新版本的两化融合贯标材料,适应行业变化需求;3. 组织两化融合案例和成功经验的宣传和推广,激励更多企业积极参与两化融合工作,促进行业的健康发展。
两化融合贯标材料清单-回复两化融合贯标材料清单是指在实施两化融合工作过程中,需要使用的文件、标准、规范、指南等一系列相关资料和工具。
这些材料对于推进两化融合具有指导和规范的作用,对于促进企业数字化转型和智能化升级具有重要意义。
下面将逐步回答关于两化融合贯标材料清单的问题。
一、什么是两化融合贯标?两化融合贯标是指将国家相关政策、标准、规范等与两化融合相关的材料、工具有机结合起来,形成一套完整的实施方法和流程,以实现企业在数字化转型和智能化升级方面的目标。
这些贯标材料包括政府文件、技术标准、行业规范、组织指南等,通过引导企业按照统一的标准和规范实施两化融合,推动企业向智能化、信息化方向发展,提升企业的综合竞争力和创新能力。
二、两化融合贯标材料清单包含哪些内容?1. 政府文件和政策:包括中央和地方政府发布的有关两化融合的指导意见、发展规划、行动计划等文件,这些文件规定了政府对于两化融合发展的目标和政策支持的措施。
2. 技术标准和规范:包括国家和行业制定的与两化融合相关的技术标准、行业规范、地方标准等文件,这些文件规定了企业在技术应用、数据标准、网络安全等方面需要遵循的要求。
3. 组织指南和方法论:包括相关组织或学术机构发布的指南、方法论、培训材料等,这些材料提供了企业实施两化融合的具体方法、流程和管理要点,帮助企业制定和实施融合计划。
4. 成功案例和经验分享:包括企业在两化融合方面的典型案例、成功经验和行业分享会议的演讲资料等,这些材料向企业提供了借鉴和学习的机会,帮助企业更好地实施两化融合。
5. 软件工具和平台:包括企业内部或第三方开发的软件工具、平台和系统,这些工具可以用于数据分析、资源管理、生产调度等方面,为企业的两化融合提供支持。
6. 咨询服务和专家意见:包括相关咨询公司、专业机构或行业协会提供的咨询服务和专家意见,这些服务可以帮助企业识别问题、解决难题和指导融合实施。
三、如何使用两化融合贯标材料清单?企业在实施两化融合过程中,可以按照以下步骤使用两化融合贯标材料清单:1. 确定需求和目标:企业首先需要明确自身的需求和目标,包括数字化转型或智能化升级的方向、重点领域和关键问题等。
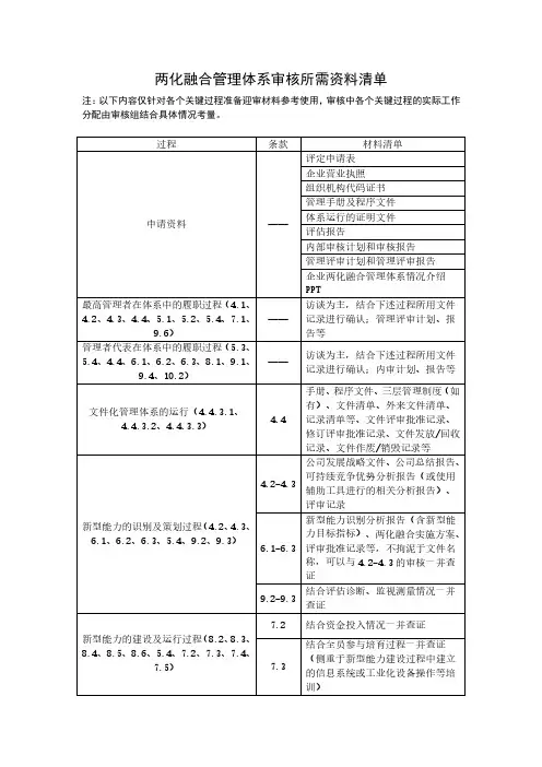
两化融合二阶段审核主要准备资料清单1-公司发展战略文件、公司总结,外来文件清单,法律法规清单,文件发放记录;2-本次评定能力涉及的所有项目的全套资料,包括但不限于:a)项目立项(项目方案、项目开发合同)b) 需求调研阶段(需求分析评审报告;业务流程,组织结构优化需求)c) 业务流程,组织结构优化方案及实施(人员、岗位、流程优化);d) 技术开发方案设计(系统详细设计、系统开发计划)e) 技术实施阶段(技术实现方案、评审报告、测试计划、测试报告(软件功能测试、性能测试、安全性测试等)f) 匹配与规范阶段:系统试运行(业务流程,组织结构,培训记录、系统操作手册)等g) 试运行(变更记录)及系统调整优化h) 系统上线(验收报告)I) 运行控制(运行过程中问题点及其改进情况)3-自评估报告;4-两化融合的监视与测量计划、记录;5-新型能力目标的监视测量计划、记录;6-公司绩效考核制度、能力涉及的主要部门近3次的绩效考核记录;7-内审计划、检查表、不符合报告及其整改、内审报告;8-管理评审计划、管理评审输入资料、管理评审报告、管理评审报告中涉及的改进措施计划;9-人资资源配置情况、人力资源规划、部门总结、部门使用的制度清单;10-能力涉及主要部门的人员招聘全套资料(近一年内招聘,准备的资料不少于3人);11-能力涉及主要部门的人员离职全套资料(近二年内离职的)12-更新后含两化融合职责的主要部门的岗位职责说明书等;13-公司年度培训计划(含两化融合培训)、培训记录、培训效果验证(抽查5份左右记录);14-生产设备设施台账、维修保养记录,主要设备风险识别及其应对措施,近一年采购的生产设备合同、验收记录、操作规程等;15-检验设备设施(计量器具)台账、维修保养记录、检验证书,近一年采购的检验设备(计量器具)合同、验收记录、操作规程等;16-信息设备设施台账、维修保养记录、数据备份记录等,近一年采购的生产信息设备合同、验收记录等;17-机房设备台账、信息安全应急预案及信息安全演练记录、机房管理记录(温湿度、出入登记、点检、备份等)18-2018年信息化和工业化资金预算和执行情况;19-2019年信息化和工业化资金预算,支撑能力涉及的项目合同、支付凭证、发票等;20-2018年第三方审计报告21-财务使用的制度清单。