肱骨大结节骨折手术入路
- 格式:doc
- 大小:10.74 KB
- 文档页数:1
关于髓内钉在各长骨中的适用范围和手术入路本部分主要介绍两大内容:l髓内钉产品在各长骨中的适用范围。
l各长骨在使用不同髓内钉产品时的手术入路。
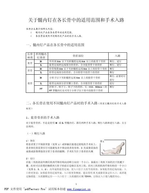
一、髓内钉产品在各长骨中的适用范围长骨种类所用髓内钉类型骨折部位入路IM 外科颈5cm以下至距髓腔远端5cm以上的肱骨干骨折顺行、逆行肱骨IL 肱骨近端和远端部分的骨折,合并肱骨骨干的骨折顺行、逆行IM 胫骨粗隆5cm以下至距髓腔远端5cm以上的胫骨干骨折顺行胫骨IL 胫骨近端部分的骨折,合并胫骨中段骨干的骨折顺行IM 小转子以下至距髓腔远端5cm以上的股骨干骨折顺行,必要时可逆行IL 股骨远端部分甚至髁上骨折,合并股骨骨干的骨折逆行股骨PF 经转子、转子上、转子下的骨折,长(340、380mm)的PF型髓内钉还可用于小转子以下的中段股骨干骨折顺行二、各长骨在使用不同髓内钉产品时的手术入路(同其它髓内钉的手术入路相同)1、肱骨骨折的手术入路对于肱骨骨折,不论是使用IM或IL型髓内钉,都有两种手术入路:顺行入路和逆行入路,且方法相同。
(一)顺行入路1)体位将患者置于半倾斜坐姿(见图1)或仰躺在能透过射线的手术床上,患者体位的设置应尽可能避免术中移动患者的身体。
X光成像设备的成像或影像增强部分置于患者的腿侧,手术医生位于患者的头侧2)切口沿肱三角肌的前外侧有肌肉纤维结构向肩峰方向切一个小口,暴露出三角肌下面的冈下肌腱下囊。
此时可以清楚的触摸到大转子的前后边缘以及冈上肌,沿冈上肌的肌肉纤维结构切一个小口(见图2、3、4、5)。
内外旋转肱骨近端,使入口位于大结节的顶部。
如果肱骨的近端内旋,入口将更靠前;如果肱骨的近端外旋,入口将更靠侧面。
建议使用X光成像设备定位入口,或者通过触摸肱二头肌腱鞘定位——入口位于二头肌腱的后侧10mm,以保证入口能与髓腔同心。
3) 入口通道将3mm 科氏针插进正确的入口位置并进入肱骨近端干骺,期间使用X 光成像设备下调整科氏针的角度,使之与肱骨髓腔同心(必要时可使用弯柄瞄准器—AWL 辅助)。
早读做好肱骨远端骨折手术,从熟悉解剖、分型及手术入路开始!(一)基本概述•占全身骨折的2%,肱骨骨折的33%•肘关节活动度减少50%,上肢功能减少80%•最复杂的关节之一,肱尺关节、肱桡关节、上尺桡关节治疗目标:稳定、有力、无痛、活动范围良好的肘关节。
(二)解剖特点1.解剖生理特点•肱骨远端向下变薄,向两侧变宽、变厚;•外髁与肱骨长轴形成向前30°~50°的前倾角;•内外髁与滑车关节之间形成一薄的骨片;•滑车关节略低于肱骨小头;•肘关节伸直时呈现5°~7°外翻角,称生理性携带角(或提携角);•肱骨内外髁各形成一个骨性隆起,即肱骨内上髁(前臂屈肌总肌腱附着点)和外上髁(前臂伸肌总肌腱附着点);•内上髁后面是尺神经沟的组成部分。
正常肘关节伸直时,肱骨内、外上髁与鹰嘴突三点在一条直线上时,屈肘90°位时此三点形成一个等腰三角形。
滑车轴相对于肱骨长轴在男性近94°,女性近98°。
滑车轴相对于内外侧髁的连线向外旋转3°~8°。
2.骨骺血供特点•肱骨内、外髁和内、外上髁骨骺内的血管呈向心性分布;•肱骨小头和滑车骺软骨交界处血管呈纵向分布;•鹰嘴窝脂肪垫内丰富血管网,在近骺软骨的部位形成弓背向下的血管弓,该弓发出数条大血管呈放射状进入骺软骨内。
(三)应用解剖1.体表测量和活动度•肱骨内上髁、尺骨鹰嘴、肱骨外上髁呈一定的对位关系;•肘关节脱位时,这种对位关系发生改变;•屈伸0°~150°,旋前旋后80°/85°;•骨折治疗后,最低限度屈伸30°~130°,旋前旋后50°/50°2.“三柱”理论•内侧柱:同肱骨干大约有45°的成角,远端形成内上髁•外侧柱:同肱骨干成20°角,远端包含肱骨小头•滑车:连接拱的部分,4°~6°外翻注意:恢复滑车的宽度3.内固定物安放位置的考量以“三柱”理论为基础•垂直安放:考虑到肱骨远端形态•平行安放:考虑“拱门”生物力学“垂直”、“平行”之争4.前后“三窝”•鹰嘴窝:保证肘关节伸直活动范围•冠突窝、桡骨窝:保证肘关节屈曲活动范围内固定物避免进入“三窝”5.肘关节的运动•铰链式关节:手可放置在空间任何位置•肱骨远端及尺骨近端前倾:保证屈伸范围•提携角:10°~15°6.肘关节的稳定结构•伸直:鹰嘴与鹰嘴窝、前方关节囊及韧带、屈肌的张力•屈曲:屈肌的挤压、冠突与冠突窝、后方关节囊、伸肌的张力•内外翻:滑车与尺骨半月形切迹、内侧副韧带、肱骨小头与桡骨头、外侧副韧带(四)损伤机制1.直接暴力:•年轻人高能量损伤•中老年人肘关节直接撞击2.间接暴力:•年轻人的运动损伤•中老年人上肢伸直手部着地3.骨折线方向与受力因素分析:•屈曲小于90°:前臂接受负荷,单柱或单髁骨折•屈曲超过90°:鹰嘴接受负荷,髁上或双柱粉碎骨折(五)骨折分型1.AO分型A型:关节外骨折B型:部分关节内骨折C型:完全关节内骨折27个亚类,61小类2.肱骨小头或肱骨远端冠状面骨折--Bryan&Morrey分型I型:肱骨小头完全骨折,可伴有滑车外侧的少量累及Ⅱ型:肱骨小头前方骨软骨骨折,仅带有少量软骨下骨Ⅲ型:肱骨小头压缩骨折或粉碎骨折Ⅳ型:肱骨小头冠状骨折延伸至内侧累及绝大部分滑车3.肱骨小头或肱骨远端冠状面骨折--David Ring分型I型:骨折仅累及肱骨小头及外侧滑车Ⅱ型:Ⅰ型骨折合并外上髁骨折Ⅲ型:Ⅱ型骨折合并肱骨小头后方的外侧柱骨折Ⅳ型:Ⅲ型骨折合并滑车后部骨折Ⅴ型:Ⅳ型骨折合并内上髁骨折(六)骨折评估1.临床评估•肘关节严重肿胀,体表标志往往不能清楚触及•粗略判断尺骨鹰嘴、内外侧髁是否呈现等腰三角形,除外关节脱位•不要尝试反复诱发骨擦音,可能引起血管神经损伤•近端骨折块末端可能损伤桡动脉、正中神经及桡神经•严重肿胀时,要检测是否发生骨筋膜间室综合征2.影像学评估•X线正位:肱骨远端,但桡骨头内侧、桡骨颈部分与尺骨近端重合•X线侧位:桡骨头、肱骨小头、尺骨鹰嘴和脂肪垫•X线外斜位:减少尺桡骨间影像重叠•X线内斜位:鹰嘴和冠状突•CT扫描:对临床决策有指导意义,常规行CT扫描并三维重建(七)手术指征及目的1.无移位的A1型髁上骨折可行保守治疗,其他干骺端和关节内骨折多数需手术治疗。
肱骨近端骨折分型及手术方式
肱骨近端骨折是一种常见的骨折类型,其分型及手术方式如下:分型:
目前临床应用最广泛的是Neer分型。
该分型依据肱骨近端的四个解剖部位,即肱骨头、大结节、小结节、肱骨干近端,将骨折分为四种类型。
其中,Neer二、三、四部分骨折是指骨折线涉及上述解剖部位中的两个、三个或四个部分。
手术方式:
对于有移位的骨折,特别是Neer二、三、四部分骨折,手术治疗是首选。
具体的手术方式包括以下几种:
1. 切开复位内固定:切开受伤部位以重新对齐骨折,并使用钢板、螺钉等内固定器械固定骨折部位。
2. 髓内钉固定:将髓内钉插入肱骨近端,以固定骨折部位。
3. 钢板内固定:通过钢板将骨折部位固定在适当的位置。
4. 肩关节置换术:对于严重粉碎性骨折或伴有关节面损伤的情况,可以采用肩关节置换术。
需要注意的是,手术方式的选择应根据患者的具体情况和医生的经验来确定。
患者应在医生的指导下进行治疗,并在术后进行康复训练以促进恢复。
肱骨大结节撕脱骨折手术记录手术记录:肱骨大结节撕脱骨折修复术患者信息:姓名:李先生年龄:45岁性别:男性住院号:2021001手术日期:2021年3月15日手术医生:张医生助理医生:王护士手术目的:本次手术旨在修复李先生肱骨大结节撕脱骨折,恢复其上肢功能。
手术过程:1. 患者经全身麻醉后,采取仰卧位,上肢外展90度,肩关节外旋,并进行无菌铺巾。
2. 按照常规消毒程序,对患者手术部位进行消毒。
3. 随后,进行手术切口。
在肩关节的前上方,切开皮肤和皮下组织,暴露出肱骨大结节骨折部位。
4. 通过适当的牵引和对骨折部位的清理,确保骨折两端充分暴露,并保持骨折端的血液供应。
5. 根据骨折类型,选择合适的内固定装置。
在本例中,我们选择了钢板和螺钉用于固定骨折。
6. 将钢板沿着骨折线形状进行塑形,并用螺钉稳固在肱骨上。
确保钢板与骨折部位紧密贴合,固定牢靠。
7. 完成内固定后,进行术区冲洗,清除手术部位的残留血液和骨碎片。
8. 逐层缝合切口,进行伤口包扎,并进行适当的固定。
9. 手术结束后,将患者转入恢复室,监测患者生命体征和术后伤口情况。
术后处理:1. 术后患者需要严格遵守医嘱,保持伤口清洁干燥。
2. 术后第二天开始进行早期功能锻炼,包括主动和被动的关节活动。
3. 定期复查X光片,观察骨折愈合情况,并根据情况进行进一步康复指导。
4. 术后3个月后,患者可逐渐开始进行肩关节负重活动,以恢复上肢功能。
5. 术后康复期间,患者需密切配合康复科的指导,进行有针对性的康复训练。
术后效果:该手术针对李先生肱骨大结节撕脱骨折进行了修复,手术过程顺利。
术后患者恢复良好,伤口愈合良好,未出现感染等并发症。
根据术后X光片显示,钢板和螺钉固定良好,肱骨大结节骨折愈合良好。
经过康复训练,李先生的上肢功能逐渐恢复,生活质量得到明显改善。
总结:肱骨大结节撕脱骨折手术是一种有效的治疗方法,能够帮助患者恢复受伤部位的功能。
本次手术中,我们采用了内固定技术,成功修复了李先生的骨折。
肱骨干骨折:局部解剖、手术入路、固定及手术全面精讲!1.肱骨干骨折好发于骨干的中部,其次为下部,上部较少,中下1/3骨折易合并桡神经损伤,下1/3骨折易发生不连接,约占全身骨折的3%。
今天,我们针对其局部解剖、手术入路、固定策略及手术方案进行全面讲解,值得学习借鉴!(一)解剖与手术入路定位:外科颈下1~2cm至髁上2cm处骨折。
1.解剖生理:肱骨干三角肌止点以上骨折:•近端因胸大肌、背阔肌、大圆肌的牵拉向前、向内移位;•远端因三角肌、喙肱肌、肱二头肌和肱三头肌的牵拉向上、向外移动。
肱骨干三角肌止点以下骨折:•近端因三角肌和喙肱肌牵拉而向外、向前移位;•远端因肱二头肌和肱三头肌的牵拉而向上移动。
肱骨干远端增宽与肱骨髁相连接。
肱骨干后方的桡神经沟为明显的解剖标志。
尸体研究显示:桡神经在肱骨外上髁近端14cm处从后向前绕过桡骨,和肱骨后表面的距离约6.5cm。
在肱骨外上髁近端约10cm处,桡神经向前进入肌间隙。
由于桡神经与肱骨的解剖位置关系比较密切,肱骨干骨折时易损伤。
2.手术入路一般根据桡骨干骨折的解剖位置来选择手术入路(表1)。
前外侧入路:是肩部胸三角肌入路的远方扩展入路,需劈开肱肌,手术过程中需要向外牵开保护桡神经,在手术切口远端切开时必须显露和保护桡神经。
后方入路:可以很好的显露肱骨干远端骨折。
通过劈开肱三头肌牵开桡神经,该入路可以暴露76%的肱骨。
Gerwin研究显示采用改良肱骨后方入路几乎可以暴露94%的肱骨干。
在传统的肱三头肌切开入路时,需切开剥离肱三头肌。
而改良的方法则可以将肱三头肌从外向内牵开(部分切开)。
外侧入路:是利用肱三头肌外侧束和外侧肌间隙。
该入路可以避免损伤肌肉,减少术后粘连、疤痕形成以及肌肉的去神经失营养。
在不移开桡神经的情况下,外侧入路只能显露55%的远端肱骨。
但是牵开神经和肱三头肌外侧束之后,通过劈开肱三头肌就可以显露76%的肱骨干。
在整个手术过程中都必须非常小心桡神经。
肱骨骨折手术步骤
肱骨骨折手术的步骤可能会因骨折的类型、位置和严重程度而有所不同,以下是一般情况下肱骨骨折手术的基本步骤:
1. 术前准备:患者通常需要接受全面的身体检查,包括血液检查、心电图等。
医生会对骨折部位进行 X 光和其他影像学检查,以确定骨折的类型和程度。
2. 麻醉:手术通常在全身麻醉或臂丛神经阻滞麻醉下进行。
3. 切口:根据骨折的位置,医生会在肩部或肘部做一个适当的切口,以暴露骨折部位。
4. 复位:医生使用牵引、撬拨等手法,将骨折端复位到正常位置。
5. 固定:复位后,医生会使用钢板、螺钉、髓内钉或其他固定装置将骨折固定在正确的位置。
这些固定装置可以帮助骨折愈合,并保持骨骼的稳定性。
6. 缝合:固定完成后,医生会仔细检查伤口有无出血,然后将切口缝合。
7. 术后处理:手术后,患者的手臂通常会被固定在石膏或支具中,以帮助骨折愈合。
患者需要遵循医生的指示进行康复锻炼,以恢复手臂的功能。
需要注意的是,每个人的身体状况和骨折情况都不同,因此手术步骤可能会有所调整。
在手术前,医生会详细向患者解释手术过程和风险,并根据患者的具体情况制定个性化的手术方案。
『8分钟创伤』肱骨大结节骨折分型及治疗策略解剖•肱骨大结节位于肱骨头最高处外下方6-8mm,是肱骨干外侧皮质的延续。
•大结节分为上、中、下三个面。
•早期解剖研究证实冈上肌止于大结节上部面和中部面的上1/2,冈下肌止于全部的中部面,覆盖部分冈上肌。
而近期的一篇研究显示冈上肌止于上部面的前内侧,冈下肌止于上部面的前外侧和中部面。
这可能与解剖变异有关。
•大结节骨折移位的方向与肌腱的附着密切相关,冈上肌和冈下肌的上部会造成大结节向近端移位,冈下肌的下部和小圆肌会造成骨折向后移位。
•大结节的血供主要来源于旋肱后动脉,还有弓型动脉、干骺端动脉和大小结节之间的动脉构成了大结节丰富的血供,十分利于骨折愈合。
分型•肱骨大结节骨折最常用的分型是2014年提出的Mutch分型,分为a撕脱骨折39%,b压缩骨折20%和c劈裂骨折41%。
损伤机制•撕脱骨折是肩袖对抗肱骨头脱位或与肩胛盂分离时导致的骨折;•劈裂骨折被认为是脱位时大结节后部分撞击肩胛盂前部分,或脱位时以关节盂前方为支点肩袖撕脱所致;•压缩骨折被认为是过度外展时肩峰撞击大结节所致。
检查•肱骨大结节骨折合并肩关节脱位神经损伤比率可高达34%,因此查体要注意有无麻木、刺痛感和无力症状,如果疼痛允许可进行恐惧试验检查肩关节稳定性。
•X线是常规检查,但对于移位不明显的大结节骨折可能漏诊。
肩关节外旋状态肩关节正位片被认为能够避免漏诊,因为只有外旋状态下大结节才能够在X线清楚显示。
但需要指出的是正位和Grashey位不能准确评估大结节的后方移位,因此腋位和Y位评估也是同样必要的。
•CT能够准确评估大结节移位的情况。
超声检查可用于排除是否合并肩袖损伤,MRI检查可用于排除肩袖损伤、盂唇损伤,Hill–Sachs等,并可以确诊隐匿性肱骨大结节骨折。
一项712例肩关节研究显示,MRI检查发现了11例漏诊的肱骨大结节骨折和3例肩袖撕裂。
大结节移位超过1cm被认为是肩袖纵向撕裂的征象。
10《当代医药论丛》Contemporary Medical Symposium2021年第19卷第7期•综述・性颅内出血的风险问。
武子霞等[20]研究指出,进行TEG 检查在预测外科重症监护病房(SICU)患者抗凝治疗的风险方面具有较高的应用价值。
许运堂等[21]研究证实,进行TEG检查在诊治缺血性脑卒中患者下肢深静脉血栓中具有较高的应用价值,除了能评估患者下肢深静脉血栓的发生风险外,还能评估其抗凝治疗的效果。
国外的研究指出,进行TEG检查在评估新型抗凝药物治疗脑梗死的效果方面具有较好的应用效果[22-231o刘佳豪等[24]对80例急性下肢深静脉血栓形成(DVT)患者进行研究,采用利伐沙班对这些患者进行抗凝治疗,在治疗前后分别对其进行TEG检查,结果显示,治疗前后其TEG中的反应时间、弹力图最大切角、凝固时间、图中两侧曲线的最宽距离、LY30等指标相比差异有统计学意义(P V0.05)通过以上研究可知,在对脑梗死患者进行抗凝治疗前后对其实施TEG检查有助于评估其疗效。
2.4TEG检查在脑梗死患者并发症监测中的应用对脑梗死患者进行TEG检查能评估其发生脑出血的风险。
陈彦如、罗海彦[251研究指出,对脑梗死患者进行TEG 检查可监测其梗死病灶是否发生出血性转化。
3小结对脑梗死患者进行TEG检查可监测其凝血功能的动态变化,进而可辅助诊断其病情、评估其疗效及预测其预后。
由此可见,TEG检查在脑梗死患者的临床治疗中具有较高的应用价值,值得临床上推广应用。
参考文献[1]Wang W.Jiang B,Sun H,e t a1.Prevalence,Incidence,andMortality of Stroke in China:ResuIts from a Nationwide Popula t i o n.Based Survey of480687Adu Its J I[J].Circula t i on,2017,135(8):759-771.[2]张西亭,杨琳琳,王祥森.大剂量阿司匹林联合阿托伐他汀钙对急性脑梗死患者临床疗效观察及对血栓弾力图和C反应蛋白的影响[J].中国卒中杂志,2017,12(10):916-920.[3]朱驰,赵皇伟,赵晓明,等.血栓弾力图与常规凝血试验对急性脑梗死短期预后的应用价值研究[J].中华神经医学杂志,2018,17(11):1111-1119.[4]陈勇,陈道文,陈飞,等.血栓弾力图评价脑梗死患者阿司匹林、氯吡格雷及其联合应用抗血小板治疗的作用研究[J].临床神经病学杂志,2018,31(5):348-350.[5]林就孟,韦赐秋.血栓弾力图与急性脑梗死患者血小板聚集功能的关系研究[J].国际检验医学杂志,2018,39(9):1080-1082,1086.[6]倪贵华,梁晨,赵卫东,等.血栓弾力图评价大动脉粥样硬化性脑梗死患者氯吡格雷抗栓效果和预测血管事件的价值[J].中华老年 心脑血管病杂志,2017,19(5):513-516.[7]李园园,刘改玲.急性脑梗死病人血栓弾力图与脂蛋白(a)和凝血功能相关性研究[J].中西医结合心脑血管病杂志,2017,15(9):1113-1115.[8]白瑞,郝兴华.血栓弾力图在临床疾病诊断中的应用[J].实验与检验医学,2018,36(1):42-45[9]苏茜,梁玉君.血栓弾力图的临床应用及发展[J].世界临床医学,2017,11(3):105,109.[10]蔡松泉,张慧君.急性脑梗死患者血栓弾力图与血小板聚集率、D-二聚体水平的相关性[J].中外医学研究,2017,15(3):42-43. [11]Jaueh EC,Saver JL,Adams HP Jr,el a1.Guidelines for theearly management of patients with acute ischemic stroke:a guideline for health-care professionals from the American Heart Association/American Stoke Association^].Stroke,2013,44(3):870-947.[12]范晓理,王海喋,潘曙明,等.血栓弹力图在急性脑梗死患者溶栓前后的差异性研究[J].临床误诊误治,2014,27(4):58—60.[13]韦慧玲,蒋翠霞,师勇.急性缺血性脑梗死患者静脉溶栓过程中的血栓弹力图与凝血试验的相关分析[J].实验与检验医学,2018,36(3):378-380.[14]Schmalbach B,Stepanow O,Jochens A,et al.Determinants ofplatelet-leukocyte aggregation and platelet activation in stroke[J].Cerebrovasc Dis,2015,39(3-4):176-180.[15]袁咏梅,杨庆伟,陈宝娜,等.血栓弹力图在急性脑梗死患者阿司匹林治疗效果监测中的应用价值[J].数理医药学杂志,2020,33(9):1339-1341.[16]侯蒙.血栓弹力图评价阿司匹林及氯吡格雷在缺血性卒中患者中血小板抑制效应的价值[J].实用医技杂志,2019,26(11):1431-1432.[17]李传峰,刘玉娟,付冰.血栓弹力图的方法评价抗血小板治疗的疗效观察[J].中国保健营养,2019,29(33):58.[18]刘庆春.血栓弹力图评价脑梗死患者应用阿司匹林、氯吡格雷及其两药联合的治疗作用[J].血栓与止血学,2020,26(1):20-22. [19]Sandercock P,Counsell C,Kamal A,et al AK.Anticoagulantsfor acute ischemic stroke[J/CD].Cochrane Database Syst Rev,2008(4):CD24.[20]武子霞,刘志永,张伟,等.血栓弹力图预测SICU患者抗凝治疗的风险[J].中华危重病急救医学,2018,30(7):658-661.[21]许运堂,刘婷婷.血栓弹力图在缺血性脑卒中患者下肢深静脉血栓诊治中应用价值分析[J].健康大视野,2018,2(22):73.[22]Fuhrer H,Schlger A,Niesen W-D,et al.Transcranial Sonography toDifferentiate Primary Intracerebral Hemorrhage from Cerebral Infarction with Hemorrhagic Transformation[J].Journal of neur oimaging,2018,28(4):370-373.[23]Mizutani,Kenmei,Sonoda,et al.Ritanserin,a serotonin-2receptorantagonist,inhibits functional recovery after cerebral infarction[J].Neuroreport,2018,29(1):54-58.[24]刘佳豪,杨涛,续慧民,等.血栓弹力图对静脉血栓栓塞症患者口服利伐沙班抗凝效果的观察[J].中华血管外科杂志,2019,4(2):102-106.[25]陈彦如,罗海彦.血栓弹力图与急性脑梗死后出血性转化的相关性研究[J].国际检验医学杂志,2017,38(8):1040—1042.肱骨大结节骨折的手术治疗进展香钰鸿,方康权(广西钦州市中医医院骨伤科,广西钦州535099)[摘要]肱骨大结节骨折是一种特殊类型的肱骨近端骨折。
肱骨骨折手术步骤器械护士操作流程下载提示:该文档是本店铺精心编制而成的,希望大家下载后,能够帮助大家解决实际问题。
文档下载后可定制修改,请根据实际需要进行调整和使用,谢谢!本店铺为大家提供各种类型的实用资料,如教育随笔、日记赏析、句子摘抄、古诗大全、经典美文、话题作文、工作总结、词语解析、文案摘录、其他资料等等,想了解不同资料格式和写法,敬请关注!Download tips: This document is carefully compiled by this editor. I hope that after you download it, it can help you solve practical problems. The document can be customized and modified after downloading, please adjust and use it according to actual needs, thank you! In addition, this shop provides you with various types of practical materials, such as educational essays, diary appreciation, sentence excerpts, ancient poems, classic articles, topic composition, work summary, word parsing, copy excerpts, other materials and so on, want to know different data formats and writing methods, please pay attention!一、术前准备1. 准备手术室环境。
1.1. 确保手术室温度适当,湿度适中。
两种入路治疗肱骨大结节撕脱骨折的疗效比较李乾;谢勇;李雪莲【摘要】目的:比较经三角肌入路和经三角肌胸大肌入路治疗肱骨大结节撕脱骨折的临床疗效.方法:收集2014年1月至2015年1月在我院接受手术治疗的单侧肱骨大结节撕脱骨折患者20例,根据手术入路的不同将其分为经三角肌入路组(A 组)11例和经三角肌胸大肌入路组(B组)9例,比较2组患者的手术时间、术中出血量、手术切口长度及术后随访肩关节Neer评分优良率.结果:A组的术中出血量、手术切口长度均较B组为优.结论:2种手术入路均可治疗肱骨大结节撕脱骨折,以经三角肌入路方式术中出血量更少,切口更小.鉴于此,临床中对身体状况不佳、基础疾病较多及对手术切口美观程度要求较高患者可选择经三角肌入路.【期刊名称】《现代临床医学》【年(卷),期】2017(043)003【总页数】2页(P197-198)【关键词】肱骨大结节;撕脱骨折;临床疗效【作者】李乾;谢勇;李雪莲【作者单位】成都市大邑县中医医院,四川成都 611330;成都市大邑县中医医院,四川成都 611330;成都市大邑县中医医院,四川成都 611330【正文语种】中文【中图分类】R683.41肱骨大结节撕脱骨折是骨科常见且多发的关节内骨折[1],多由于高能量损伤引起,一般伴随肩关节脱位、关节囊撕裂等。
对该类骨折的治疗国内外有大量文献报道。
我院目前对肩关节脱位患者治疗首先进行手法复位术,然后再对大结节撕脱骨折采用可吸收螺钉固定,稳定性可靠,免除再次取内固定的手术风险[2]。
本文回顾分析本院收治的经三角肌入路和经三角肌胸大肌入路治疗的20例肱骨大结节撕脱骨折患者的临床疗效,旨在为临床针对该类骨折手术治疗时手术入路的选择提供参考。
2组患者术后均予口服藤黄健骨片补肝肾强筋骨,给予热敷改善局部循环等常规理疗,并及时指导患者进行肩关节功能锻炼。
2组的手术时间无显著性差异(P>0.05),即2种手术入路的手术时间相当;2组的出血量、手术切口的长度具有显著性差异(均P<0.05),表明经三角肌入路手术方式较经三角肌胸大肌入路手术方式的时间较短、手术切口较小。
肱骨大结节骨折手术入路
肱骨大结节骨折常用以单侧前(腕前方)、双侧前或双侧后入路进行手术,有时也采用单侧后入路,选择入路依据病情。
一般情况下,要求尽量避免内收肌腱和神经结构损伤,并有助于手术工作的便利。
1、单侧前(腕前方)入路:该方法是目前常见的肱骨骨折治疗方法,其优势在于简单,创伤小,几经操作可快速完成手术,减少了术中凝血。
通常,在笔直剖开肱骨垂直运动处放入一个牵引钉,以稳定骨块,或对骨块安放钢钉,待骨髓充分纳血后,拆除牵引钉完成创伤的恢复。
2、双侧前入路:该方法也叫包克多入路,是一种相对复杂的手术入路,通过双侧前方腕前室的皮下切口来狭窄的剖腕部位,以此安放多根外固定装置,如:钢钉、螺杆、牵引等。
3、双侧后入路:使用双侧后入路时,可通过椎骨–肱骨结合处双侧延伸至腕后方的凹陷处,安放一根外固定支架,以固定骨块,保证骨块的调整精确性和外固定延长使用期。
4、单侧后入路:单侧后入路只需在腕后方安放一根外固定支架,以固定损伤的肱骨大结节部分,比较适合处理少数完整性较好的骨折。