2021年高中化学 2.2.2离子反应及其发生的条件课时作业 新人教版必修1
- 格式:doc
- 大小:97.50 KB
- 文档页数:8
训练4离子反应及其发生的条件[基础过关]题组一四种基本反应与离子反应的判断1.离子反应、复分解反应、置换反应之间可用集合关系来表示,其中正确的是()2.下列各组物质间的反应中,不属于离子反应的是()A.Zn和H2SO4(稀)反应B.NaCl溶液和AgNO3溶液反应C.C和O2反应D.Fe和CuSO4溶液反应3.下列物质混合后,不会发生离子反应的是()A.NaOH溶液和FeCl3溶液B.Na2CO3溶液和稀硫酸C.Na2SO4溶液和MgCl2溶液D.CuSO4溶液和Ba(OH)2溶液题组二离子反应方程式的书写及正误判断4.下列反应可以用同一离子方程式表示的是()A.HCl溶液+Na2CO3溶液,HCl溶液+NaHCO3溶液B.NaOH溶液+HCl溶液,Ba(OH)2溶液+H2SO4溶液C.BaCl2溶液+H2SO4溶液,Ba(OH)2溶液+Na2SO4溶液D.CaCO3+HCl溶液,Na2CO3溶液+H2SO4溶液5.下列反应的离子方程式正确的是()A.碳酸氢钙溶液跟稀硝酸反应:HCO-3+H+===H2O+CO2↑B.饱和石灰水跟稀硝酸反应:Ca(OH)2+2H+===Ca2++2H2OC.钠与水反应:Na+H2O===Na++OH-+H2↑D.稀硫酸滴在铜片上:Cu+2H+===Cu2++H2↑6.下列离子方程式正确的是()A.铜与硝酸银溶液反应Cu+Ag+===Cu2++AgB.CH3COOH溶液与NaOH溶液反应H++OH-===H2OC.碳酸镁与稀H2SO4反应MgCO3+2H+===Mg2++H2O+CO2↑D.石灰乳与稀盐酸反应H++OH-===H2O题组三离子共存7.如表是某矿物质饮用水的部分标签说明,则该饮用水中还可能较大量存在()A.OH-B.Ag+C.Na+D.Ca2+8.下列碱性透明溶液中,能大量共存的离子组是()A.K+、Na+、MnO-4、Cl-B.K+、Ag+、NO-3、Cl-C.Ba2+、Na+、Cl-、SO2-4D.Na+、Cu2+、NO-3、Cl-9.下列各组离子能在强酸性溶液中大量共存的是()A.K+、Na+、SO2-4、NO-3B.OH-、Na+、Cl-、SO2-4C.Ba2+、K+、Cl-、SO2-4D.K+、NH+4、HCO-3、Cl-[能力提升]10.用一种试剂除去下列各物质中的杂质(括号内为杂质),并写出离子方程式。
2021年高中化学第二章第2节第2课时离子反应及其发生的条件课时作业新人教版必修11.下列反应属于离子反应的是( )A.氢气还原氧化铜B.胆矾失去结晶水C.酸碱中和反应D.二氧化硫与氧化钙的反应【解析】离子反应一般指溶液中的离子之间的反应。
【答案】 C2.下列各组物质不能发生离子反应的是( )A.硫酸与CuCl2溶液B.氢氧化钠溶液与氯化铁溶液C.碳酸钠溶液与稀硝酸D.澄清石灰水与稀盐酸【解析】硫酸与CuCl2混合不能生成沉淀、气体或H2O,故二者不能反应。
【答案】 A3.下列情况中属于离子反应的是( )A.H2和O2反应生成了H2OB.Zn粒投入稀硫酸中C.KMnO4加热制O2D.C和O2反应生成CO2【解析】离子反应是有离子参加或生成的反应,一般在溶液中进行的反应属于离子反应。
A项中H2和O2反应,C项中KMnO4加热分解,D项中C和O2反应都没有离子参加或生成。
因此,都不属于离子反应。
B项实质是Zn与H+的反应,因此属于离子反应。
【答案】 B4.钾元素可以调节体液平衡,维持肌肉和神经的功能代谢。
一种医用补钾化合物的水溶液能跟硝酸银溶液反应生成不溶于稀硝酸的白色沉淀,该化合物是( ) A.KOH B.K2CO3C.KCl D.KNO3【解析】能与硝酸银溶液反应生成白色不溶于稀硝酸的沉淀,该沉淀应是AgCl沉淀,故该化合物阴离子是Cl-。
【答案】 C5.(xx·三明高一检测)能用H++OH-===H2O表示的是 ( )A.Ba(OH)2溶液和稀硫酸的反应B.NaOH溶液和盐酸的反应C.Cu(OH)2和稀硫酸的反应D.NaOH溶液和CO2的反应【解析】A项,离子反应产物中含有BaSO4沉淀;C项,Cu(OH)2不能拆写成Cu2+和OH-;D项,CO2与OH -反应生成CO2-3和H2O。
【答案】 B6.下列离子方程式中,正确的是 ( )A.稀硫酸滴在铜片上:Cu+2H+===Cu2++H2↑B.硫酸钠溶液与氯化钡溶液混合:Ba2++SO2-4===BaSO4↓C.盐酸滴在石灰石上:CaCO3+2H+===H2CO3+Ca2+D.氧化铜与硫酸混合:Cu2++SO2-4===CuSO4【解析】A项,Cu与H+不反应;C项,H2CO3分解为CO2和H2O;D项,CuO不能拆写,CuSO4应拆写。
第2课时离子反应及其发生的条件[对点训练]题组一离子反应1.下列各组物质间的反应中,不属于离子反应的是()A.锌和稀硫酸反应B.氯化钠溶液和硝酸银溶液反应C.木炭和氧气反应D.烧碱溶液和氯化铁溶液反应答案 C解析选项C中的反应不在溶液中进行且无离子参加或生成,不属于离子反应。
2.下列溶液混合后,不能发生离子反应的是()A.氢氧化钠溶液和氯化铁溶液B.碳酸钠溶液和稀硫酸C.硫酸钠溶液和氯化镁溶液D.硫酸铜溶液和氢氧化钡溶液答案 C解析选项C中的溶液混合无沉淀、气体和难电离物质生成,不能发生离子反应。
3.对于离子反应的表述正确的是()A.离子反应中一定有沉淀生成B.反应中有气体生成的反应一定是离子反应C.复分解离子反应发生的条件之一是有难电离物质生成D.非电解质二氧化碳与足量烧碱溶液的反应不属于离子反应答案 C解析离子反应不一定都有沉淀生成,有气体或难电离物质生成的也是离子反应;有气体生成的不一定是离子反应,如碳酸钙加热分解生成二氧化碳气体的反应不是离子反应;二氧化碳与烧碱溶液反应有碳酸根离子和水生成,该反应属于离子反应。
4.离子反应、复分解反应、置换反应之间可用集合关系来表示,其中正确的是()答案 C解析置换反应与复分解反应没有相交的关系,离子反应与置换反应和复分解反应分别有相交的关系。
题组二离子反应方程式5.下列离子方程式书写正确的是()A.碳酸钙与盐酸反应:CO2-3+2H+===CO2↑+H2OB.硫酸钠和氯化钡溶液反应:Ba2++SO2-4===BaSO4↓C.澄清石灰水中通入少量的二氧化碳:2OH-+CO2===CO2-3+H2OD.铁钉放入硫酸铜溶液中:2Fe+3Cu2+===2Fe3++3Cu答案 B解析选项A中碳酸钙应写化学式;选项C中生成的碳酸钙应写化学式;选项D中应生成Fe2+。
6.下列离子方程式书写不正确的是()A.铁跟稀硫酸反应:Fe+2H+===Fe2++H2↑B.铜片插入硝酸银溶液中:Cu+Ag+===Cu2++AgC.铁与氯化铜溶液反应:Fe+Cu2+===Fe2++CuD.碳酸钙跟稀盐酸反应:CaCO3+2H+===Ca2++H2O+CO2↑答案 B解析选项B中电荷不守恒,正确的离子方程式为Cu+2Ag+===Cu2++2Ag。
课时作业10离子反应及其发生的条件时间:45分钟满分:100分一、选择题(每小题4分,共48分)1.关于离子方程式Cu2++2OH-===Cu(OH)2↓的说法正确的是()A.可表示所有铜盐和强碱的反应B.可表示某一个具体的反应,也可以表示一类反应C.离子方程式中的OH-可代表弱碱或强碱D.该反应可看到Cu(OH)2白色沉淀解析:该离子方程式不能表示如CuSO4和Ba(OH)2的反应,A 错;OH-只能代表强碱,C错;Cu(OH)2为蓝色沉淀,D错。
答案:B2.下列离子方程式中正确的是()A.澄清的石灰水与稀盐酸反应:Ca(OH)2+2H+===Ca2++2H2O B.氢氧化钡与硫酸反应:OH-+H+===H2OC.铜片插入硝酸银溶液中发生反应:Cu+Ag+===Cu2++Ag D.氯化镁溶液与氢氧化钠溶液发生反应:Mg2++2OH-===Mg(OH)2↓E.铁片投入稀盐酸中:2Fe+6H+===2Fe3++3H2↑F.氨水与盐酸反应:OH-+H+===H2OG.碳酸氢钠与盐酸反应:CO2-3+H+===H2O+CO2↑H.Na2O与水反应:O2-+H2O===2OH-解析:离子方程式的正误判断方法是“三查”:一查电荷是否守恒,原子数是否守恒;二查物质化学式拆分是否正确;三查物质间的反应是否正确。
据此可知A中石灰水是澄清的,Ca(OH)2应拆写成离子的形式;B中遗漏了参加反应的Ba2+和SO2-4;C中离子电荷不守恒。
E中产物应为Fe2+;F中氨水为弱碱,不应拆写成离子形式;G中碳酸是弱酸,因此HCO-3不应拆写成CO2-3;H中氧化物在离子方程式书写时,不应拆写。
答案:D3.下列各组离子在溶液中能大量共存,加入OH-有沉淀生成,加入H+有气体生成的一组离子是()A.K+、Mg2+、Cl-、HCO-3B.K+、Cu2+、SO2-4、Na+C.NH+4、CO2-3、NO-3、Na+D.NH+4、Cl-、HCO-3、K+解析:解答离子共存题的关键,是要看清题目,审准题意,挖出隐含条件。
离子反应及其发生的条件时间:45分钟满分:100分一、选择题(每小题4分,共48分)1.关于离子方程式Cu2++2OH-===Cu(OH)2↓的说法正确的是( B )A.可表示所有铜盐和强碱的反应B.可表示某一个具体的反应,也可以表示一类反应C.离子方程式中的OH-可代表弱碱或强碱D.该反应可看到Cu(OH)2白色沉淀解析:该离子方程式不能表示如CuSO4和Ba(OH)2的反应,A错;OH-只能代表强碱,C 错;Cu(OH)2为蓝色沉淀,D错。
2.下列离子方程式中正确的是( D )A.澄清的石灰水与稀盐酸反应:Ca(OH)2+2H+===Ca2++2H2OB.氢氧化钡与硫酸反应:OH-+H+===H2OC.铜片插入硝酸银溶液中发生反应:Cu+Ag+===Cu2++AgD.氯化镁溶液与氢氧化钠溶液发生反应:Mg2++2OH-===Mg(OH)2↓E.铁片投入稀盐酸中:2Fe+6H+===2Fe3++3H2↑F.氨水与盐酸反应:OH-+H+===H2OG.碳酸氢钠与盐酸反应:CO2-3+H+===H2O+CO2↑H.Na2O与水反应:O2-+H2O===2OH-解析:离子方程式的正误判断方法是“三查”:一查电荷是否守恒,原子数是否守恒;二查物质化学式拆分是否正确;三查物质间的反应是否正确。
据此可知A中石灰水是澄清的,Ca(OH)2应拆写成离子的形式;B中遗漏了参加反应的Ba2+和SO2-4;C中离子电荷不守恒。
E 中产物应为Fe2+;F中氨水为弱碱,不应拆写成离子形式;G中碳酸是弱酸,因此HCO-3不应拆写成CO2-3;H中氧化物在离子方程式书写时,不应拆写。
3.下列各组离子在溶液中能大量共存,加入OH-有沉淀生成,加入H+有气体生成的一组离子是( A )A.K+、Mg2+、Cl-、HCO-3B.K+、Cu2+、SO2-4、Na+C.NH+4、CO2-3、NO-3、Na+D.NH+4、Cl-、HCO-3、K+解析:解答离子共存题的关键,是要看清题目,审准题意,挖出隐含条件。
课时作业10离子反应及其发生的条件时间:45分钟满分:100分一、选择题(每小题4分,共48分)1.关于离子方程式Cu2++2OH-===Cu(OH)2↓的说法正确的是()A.可表示所有铜盐和强碱的反应B.可表示某一个具体的反应,也可以表示一类反应C.离子方程式中的OH-可代表弱碱或强碱D.该反应可看到Cu(OH)2白色沉淀解析:该离子方程式不能表示如CuSO4和Ba(OH)2的反应,A 错;OH-只能代表强碱,C错;Cu(OH)2为蓝色沉淀,D错。
答案:B2.下列离子方程式中正确的是()A.澄清的石灰水与稀盐酸反应:Ca(OH)2+2H+===Ca2++2H2O B.氢氧化钡与硫酸反应:OH-+H+===H2OC.铜片插入硝酸银溶液中发生反应:Cu+Ag+===Cu2++Ag D.氯化镁溶液与氢氧化钠溶液发生反应:Mg2++2OH-===Mg(OH)2↓E.铁片投入稀盐酸中:2Fe+6H+===2Fe3++3H2↑F.氨水与盐酸反应:OH-+H+===H2OG.碳酸氢钠与盐酸反应:CO2-3+H+===H2O+CO2↑H.Na2O与水反应:O2-+H2O===2OH-解析:离子方程式的正误判断方法是“三查”:一查电荷是否守恒,原子数是否守恒;二查物质化学式拆分是否正确;三查物质间的反应是否正确。
据此可知A中石灰水是澄清的,Ca(OH)2应拆写成离子的形式;B中遗漏了参加反应的Ba2+和SO2-4;C中离子电荷不守恒。
E中产物应为Fe2+;F中氨水为弱碱,不应拆写成离子形式;G中碳酸是弱酸,因此HCO-3不应拆写成CO2-3;H中氧化物在离子方程式书写时,不应拆写。
答案:D3.下列各组离子在溶液中能大量共存,加入OH-有沉淀生成,加入H+有气体生成的一组离子是()A.K+、Mg2+、Cl-、HCO-3B.K+、Cu2+、SO2-4、Na+C.NH+4、CO2-3、NO-3、Na+D.NH+4、Cl-、HCO-3、K+解析:解答离子共存题的关键,是要看清题目,审准题意,挖出隐含条件。
第2课时离子反应及其发生的条件练基础落实1.下列反应属于离子反应的是()A.氢气还原氧化铜B.胆矾失去结晶水C.酸碱中和反应D.二氧化硫与氧化钙的反应2.下列叙述中正确的是()A.凡是盐,在离子方程式中都要以离子形式表示B.离子互换反应总是向着溶液中反应物离子浓度减小的方向进行C.酸碱中和反应的实质是H+与OH-结合生成水,故所有的酸碱中和反应的离子方程式都可写成H++OH-===H2O的形式D.复分解反应必须同时具备离子反应发生的三个条件才能进行3.下列各组的两种物质在溶液中的反应,可用同一离子方程式表示的是()A.氢氧化铜与盐酸、氢氧化铜与硫酸B.氯化钡溶液与硫酸钠溶液、氢氧化钡溶液与稀硫酸C.碳酸钠溶液与盐酸、碳酸钙与盐酸D.石灰石与硝酸、石灰石与硫酸4.只能表示一个化学反应的离子方程式的是()A.H++OH-===H2OB.CO2-3+2H+===H2O+CO2↑C.Zn(OH)2+2H+===Zn2++2H2OD.Cu2++2OH-+Ba2++SO2-4===BaSO4↓+Cu(OH)2↓5.下列离子方程式中正确的是()A.澄清石灰水与稀盐酸反应Ca(OH)2+2H+===Ca2++2H2OB.氢氧化钡与硫酸反应OH-+H+===H2OC.铜片插入硝酸银溶液中Cu+Ag+===Cu2++AgD.氯化镁溶液与氢氧化钠溶液反应Mg2++2OH-===Mg(OH)2↓6.指出下列离子方程式错误的原因。
(1)2Fe+6H+===2Fe3++3H2↑________________________________________________________________________;(2)Cu+2H+===Cu2++H2↑________________________________________________________________________;(3)氢氧化铜溶于稀硫酸:H++OH-===H2O________________________________________________________________________;(4)CaCO3溶于醋酸溶液:CaCO3+2H+===Ca2++H2O+CO2↑________________________________________________________________________;(5)Fe3++Cu===Cu2++Fe2+________________________________________________________________________;(6)氧化铜与盐酸反应:O2-+2H+===H2O________________________________________________________________________。
(人教版必修1)第二章《化学物质及其变化》教学设计第二节离子反应(第二课时:离子反应极其发生条件)【引入】三国时,诸葛亮为了擒拿南王孟获(历史上有名的七擒七纵),率军南征至云南西洱河,遇四口毒泉,其中一口为哑泉。
时逢天气好生炎热,人马饮用了哑泉水后,全都中毒,将士们都说不出话来。
后来幸得一智者指教,复饮安乐泉水,“随即吐出恶涎,便能言语”,为什么饮用哑泉水后会说不出话来呢?其实,哑泉水是一种含铜盐的泉水,即硫酸铜(胆矾)的水溶液,称为胆水。
这种胆水饮用后会使人恶心、呕吐、腹泻,言语不清,直至虚脱、痉挛而死。
解毒的简单方法是掺进大量石灰水,使与之发生离子反应生成不溶于水的氢氧化铜和硫酸钙沉淀。
那么,什么是离子反应呢?【过渡】电解质在水溶液中发生了电离,产生了能自由移动的离子,所以电解质在水溶液中发生的反应就必然有离子参加,这一节课我们就来学习离子反应及其发生的条件。
【回顾】酸、碱、盐溶解性,并完成小表内容:【交流1】【交流2】特点:(1)四种微溶物是指Ag2SO4、CaSO4、MgCO3、Ca(OH)2。
(2)AgCl、AgBr、AgI、BaSO4及微溶的CaSO4、Ag2SO4都难溶于稀强酸。
【板书】二、离子反应及其发生的条件【板书】活动一、离子反应【实验探究】教材P31实验2-1,并将实验现象及结论填在下列表格中。
①②【交流】酸与碱反应的实质是酸电离出的H+与碱电离出的OH-反应生成水的过程,即为酸碱中和反应的实质,对于强酸与强碱并生成可溶性盐的中和反应可用 H++OH- H2O 式子表示。
【实验】完成教材实验P33实验2—3,填写下表内容。
【交流】实验操作实验现象有蓝色沉淀生成溶液红色褪去有无色气泡产生反应实质Cu2++2OH-===Cu(OH)2↓H++OH-===H2O CO2-3+2H+===H2O+CO2↑【典例】1.下列不能发生离子反应的是_______________________。
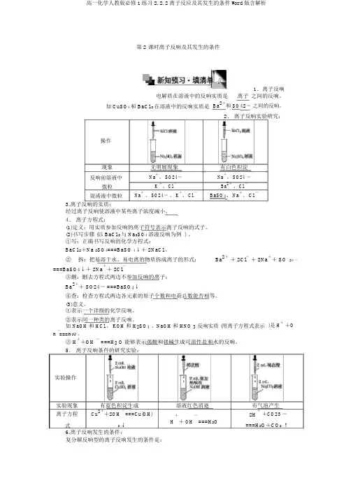
第 2 课时离子反响及其发生的条件1.离子反响电解质在溶液中的反响实质是离子之间的反响。
如CuSO4和 BaCl 2在溶液中的反响实质是Ba2+和 SO42-之间的反响。
2.离子反响实验研究:操作现象无明展现象有白色积淀反响前溶液中Na+、 SO24-Na+、 SO24 -微粒K +、 Cl -Ba2+、 Cl -混淆液中微粒Na+、 SO24-、 K+、 Cl -BaSO4、 Na+、 Cl -3.离子反响的实质:经过离子反响使溶液中某些离子浓度减小。
4.离子方程式:(1)定义:用实质参加反响的离子符号表示离子反响的式子。
(2)书写步骤 (以BaCl 2与 Na2SO4溶液反响为例 ) 。
①写:正确书写反响的化学方程式:BaCl 2+Na 2SO4===BaSO 4↓+ 2NaCl 。
②拆:把易溶于水、易电离的物质拆成离子的形式:Ba2++ 2Cl-+ 2Na++ SO24 -===BaSO4↓+ 2Na++ 2Cl-③删:删去方程式两边不参加反响的离子:Ba2++ SO24- ===BaSO4↓④查:检查方程式两边各元素的原子个数和电荷总数能否相等。
(3)意义。
①表示一个详细的化学反响。
②表示同一种类的离子反响。
)是 H++O 如 NaOH 和 HCl 、 KOH 和 H2SO4、NaOH 和 HNO 3反响实质 (用离子方程式表示-H ===H2O。
③ H++OH - ===H2 O能够表示强酸和强碱生成可溶性盐和水的反响。
5.离子反响条件的研究实验:实验操作实验现象有蓝色积淀生成溶液红色消逝有气泡产生离子方程Cu2++2OH -===Cu(OH)H ++ OH-2H++CO23 -式 2 ↓===H2O===H2O+CO2↑6.离子反响发生的条件:复分解反响型的离子反响发生的条件是:温馨提示:化学方程式是书写离子方程式的基础,但它只好表示一个特定的化学反响,而离子方程式不单能表示某一个反响,并且能表示某一类反响,更能揭露反响的实质。
离子反应时间:45分钟一、选择题1.下列不是离子反应的是( A )A.氢气与氧气点燃生成水B.硝酸银溶液中加入氯化钠溶液生成白色沉淀C.CuO与稀盐酸反应D.二氧化碳使澄清石灰水变浑浊解析:A项,氢气与氧气的反应是分子之间的反应,没有离子参加或生成,不属于离子反应,符合题意;B项,发生反应AgNO3+NaCl===AgCl↓+NaNO3,有离子参加和生成,能写成离子反应,不符合题意;C项,发生反应CuO+2HCl===CuCl2+H2O,HCl和CuCl2能拆写成离子形式,能写成离子反应,不符合题意;D项,CO2+Ca(OH)2===CaCO3↓+H2O,能写成离子反应,不符合题意。
2.下列离子方程式中只能表示一个化学反应的是( B )①Ag++Cl-===AgCl↓②Ba2++2OH-+2H++SO2-4===BaSO4↓+2H2O③CaCO3+2H+===CO2↑+H2O+Ca2+④Fe+Cu2+===Fe2++Cu⑤Cl2+H2O===H++Cl-+HClOA.①③ B.⑤C.②⑤ D.④解析:①可以表示可溶性银盐与可溶性氯化物或盐酸反应,不符合题意;②可以表示氢氧化钡与硫酸或者硫酸氢盐反应,不符合题意;③可以表示CaCO3与盐酸或者硝酸反应,不符合题意;④可以表示Fe与可溶性铜盐的反应,不符合题意;⑤只能表示Cl2与H2O的反应,符合题意。
3.某无色溶液中,下列离子中能大量共存的一组为( C )A.K+、Mg2+、Cl-、OH-B.K+、Fe3+、SO2-4、Na+C.NH+4、CO2-3、NO-3、Na+D.NH+4、Cl-、HCO-3、H+解析:A项中Mg2+与OH-不能大量共存;B项中含Fe3+使溶液显棕黄色;D项中HCO-3与H+不能大量共存。
4.下列各组离子在同一溶液中一定能大量共存的是( D )A.含大量Ba2+的溶液中:Cl-、K+、SO2-4、CO2-3B.含大量H+的溶液中:Mg2+、Na+、CO2-3、SO2-4C.含大量OH-的溶液中:K+、NO-3、SO2-3、Cu2+D.含大量Na+的溶液中:H+、K+、SO2-4、NO-3解析:含大量Ba2+的溶液中硫酸根离子、碳酸根离子均不能大量存在,A错误;含大量H+的溶液中碳酸根离子不能大量存在,且镁离子与碳酸根离子不能大量共存,B错误;含大量OH-的溶液中Cu2+会转化为氢氧化铜沉淀而不能大量存在,C错误;含大量Na+的溶液中,H+、K+、SO2-4、NO-3、Na+之间均不反应,可以大量共存,D正确。
课时分层作业(九)(建议用时:40分钟)1.离子方程式CO2-3+2H+===H2O+CO2↑中的CO2-3代表的物质可以是()A.CaCO3B.NaHCO3C.Na2CO3D.BaCO3[答案]C2.下列叙述中正确的是()A.凡是盐在离子方程式中都要以离子形式表示B.离子互换反应总是向着溶液中反应物离子浓度减小的方向进行C.酸碱中和反应的实质是H+与OH-结合生成水,故所有的酸碱中和反应的离子方程式都可写成H++OH-===H2O的形式D.复分解反应必须同时具备离子反应发生的三个条件才能进行[答案]B3.下列离子方程式改写成化学方程式正确的是()A.Cu2++2OH-===Cu(OH)2↓CuCO3+2NaOH===Cu(OH)2↓+Na2CO3 B.CO2-3+2H+===CO2↑+H2O BaCO3+2HCl===BaCl2+CO2↑+H2OC.Zn+2H+===H2↑+Zn2+Zn+2CH3COOH===H2↑+Zn(CH3COO)2D.H++OH-===H2O2KOH+H2SO4===K2SO4+2H2OD[A项,CuCO 3不能拆写为“Cu2++CO2-3”;B项,BaCO3难溶不能拆分;C项,CH3COOH为弱酸不能拆分。
]4.离子方程式与一般化学方程式的本质区别在于一般化学方程式表示的是一个具体的化学反应,而离子方程式表示的是一类反应,而且是一类反应的实质。
从这个角度讲,可用离子方程式2H++CO2-3===H2O+CO2↑表示的反应是() A.碳酸盐与盐酸反应B.可溶性碳酸盐与稀硫酸反应C.二氧化碳与酸溶液反应D.盐酸与可溶性银盐溶液反应[答案]B5.下列反应不能用离子方程式H++OH-===H2O表示的是()A.稀硝酸与稀NaOH溶液反应B.稀硫酸与稀KOH溶液反应C.醋酸溶液与NaOH溶液反应D.NaHSO4溶液与NaOH溶液反应C[醋酸CH3COOH为弱酸,不可拆分为CH3COO-和H+。
2021年高中化学 2-2-2离子反应及其发生的条件课后作业新人教版必修1一、选择题(每小题3分,共39分。
)1.能正确表示下列反应的离子方程式是( )A.硫酸铝溶液中加入过量氨水Al3++3OH-===Al(OH)3↓B.碳酸钠溶液中加入澄清石灰水Ca(OH)2+CO2-3===CaCO3↓+2OH-C.冷的氢氧化钠溶液中通入氯气Cl2+2OH-===ClO-+Cl-+H2OD.稀硫酸中加入铁粉2Fe+6H+===2Fe3++3H2↑2.下列对应现象的描述与离子方程式都正确的是( )A.金属镁与稀盐酸反应:有气体生成Mg+2H+2Cl-===MgCl2+H2↑B.氯化钡溶液与硫酸反应:有白色沉淀生成Ba2++SO2-4===BaSO4↓C.碳酸钠溶液与盐酸反应:有气泡逸出Na2CO3+2H+===2Na++CO2↑+H2OD.过量铁粉与氯化铜溶液反应:溶液由蓝色变成浅绿色,同时有红色固体生成Fe+Cu2+===Fe3++Cu3.下列离子在溶液中能大量共存,加入OH-能产生白色沉淀的是( )A.Na+、Ca2+、SO2-4、Cl-B.H+、Mg2+、CO2-3、S2-C.K+、Mg2+、SO2-4、NO-3D.K+、Na+、NO-3、SO2-34.下列各组溶液间的反应,可用同一个离子方程式表示的是( )A.盐酸与碳酸钠,盐酸与碳酸钙B.氯化钡与硫酸钠,氢氧化钡与硫酸镁C.氢氧化钠与盐酸,氢氧化钠与醋酸D.硝酸钙与碳酸钠,氯化钙与碳酸钾5.(双选)在酸性溶液中能大量共存而且为无色、透明的溶液的一组是( )A.NH+4、Al3+、SO2-4、NO-3B.K+、Na+、NO-3、SO2-4C.K+、MnO-4、NH+4、NO-3D.Na+、K+、HCO-3、NO-36.对于离子反应的表述正确的是( )A.离子反应中一定有沉淀生成B.反应中有气体生成的反应一定是离子反应C.复分解型离子反应是一定有沉淀、气体和水生成的反应D.Fe2O3与稀硫酸的反应一定属于离子反应7.下表是某矿物质饮用水的部分标签说明( )主要成分钾离子K+20~27.3 mg·L-1氯离子Cl-30~34.2 mg·L-1镁离子Mg2+20.2~24.9 mg·L-1硫酸根离子 SO2-424~27.5 mg·L-1A.OH-B.Ag+C.Na+D.Ca2+8.有四位同学分别对四种溶液中所含的离子进行检测,所得结果如下,其中所得结果错误的是( )A.K+、Na+、Cl-、NO-3B.OH-、CO2-3、Cl-、K+C.Ba2+、Na+、OH-、NO-3D.Cu2+、NO-3、OH-、Cl-9.某同学在实验室中进行如下实验:实验现象没有明显变化,溶液仍为无色有白色沉淀生成,溶液为蓝色有无色气体放出A.Ⅰ中无明显变化,说明两溶液不反应B.Ⅱ中的白色沉淀为CuCl2C.Ⅲ中的离子方程式为2H++Zn===Zn2++H2↑D.Ⅲ中发生的反应不是离子反应10.下表中评价合理的是( )选项化学反应及其离子方程式评价A Fe3O4与稀硝酸反应:2Fe3O4+18H+===6Fe3++H2↑+8H2O正确B 向碳酸镁中加入稀盐酸:CO2-3+2H+===CO2↑+H2O 错误,碳酸镁不应该写成离子形式C 向硫酸铵溶液中加入氢氧化钡溶液:Ba2++SO2-4===BaSO4↓正确D FeBr2溶液与等物质的量的Cl2反应:2Fe2++2Br-+2Cl2===2Fe3++4Cl-+Br2错误,Fe2+与Br-的化学计量数之比应为1∶2课后作业1.C。
课时跟踪检测(十) 离子反应及其发生的条件1.下列反应中,属于离子反应的是( )A .H 2和O 2反应生成水B .锌片投入稀硫酸中C .木炭在高温下与CO 2反应生成COD .2KClO 3=====MnO 2,△2KCl +3O 2↑解析:选 B 离子反应是有自由离子参加的反应.提供离子的是电解质,提供自由离子的是电解质的水溶液或熔融状态下的电解质,并且符合离子反应发生的条件。
2.下列各组离子能在溶液中大量共存的是( )A .Ag +、K +、Cl -、NO 错误!B .Ba 2+、Cl -、H +、SO 错误!C .H +、CO 2-,3、Cl -、Na +D .Na +、Ba 2+、OH -、NO 错误!解析:选D A 项,Ag ++Cl -===AgCl↓;B 项,Ba 2++SO 2-4===BaSO 4↓;C 项,2H ++CO 错误!===CO 2↑+H 2O 。
3.离子方程式H ++OH -===H 2O 所表示的反应是( )A .所有酸和碱之间的中和反应B .所有强酸和强碱之间的中和反应C .所有可溶性酸和可溶性碱的反应D .强酸与强碱生成可溶性盐和水的反应解析:选D 离子方程式H ++OH -===H 2O ,反应物用H +、OH -表示,说明反应物为强酸和强碱,离子方程式中生成物只有H 2O,说明生成的盐为可溶性盐,D 项正确.4.能正确表示下列化学反应的离子方程式的是( )A .小苏打溶液中加入少量NaOH 溶液:H++OH-===H2OB.NaHCO3溶液中加入稀HCl:CO错误!+2H+===CO2↑+H2OC.硫酸铜溶液与氢氧化钡溶液混合:Cu2++2OH-===Cu(OH)2↓D.氧化铁与稀硫酸反应:Fe2O3+6H+===2Fe3++3H2O解析:选D A项,小苏打为NaHCO3,与NaOH溶液反应的离子方程式为HCO错误!+OH-===CO2-3+H2O;B项,应为HCO错误!+H+===CO2↑+H2O;C项,漏掉Ba2++SO错误! ===BaSO4↓的反应。
第二节离子反响第2课时离子反响及其产生的条件学习方针:1.了解离子反响的概念2.把握离子方程式的书写办法,了解离子方程式的含义3.把握复分化型离子反响产生的条件4.把握一些常见离子能否共存的判别办法学习重、难点:离子反响的概念及其产生的条件, 离子反响方程式的书写方教育进程:1.导入新课[引进]三国时期,诸葛亮在七擒孟获的进程中,蜀军因为误饮哑泉流、个个不能言语,生命危在旦夕,偶遇老叟,指点迷津——饮用万安溪安泰泉流、总算化险为夷,渡过难关,哑泉流为何能致哑,万安溪安泰泉流又是什么灵丹妙药呢?本来哑泉流中含有较多的硫酸铜,人喝了含铜盐较多的水就会中毒。
而万安溪安泰泉流中含有较多的碱,铜离子遇氢氧根离子产生离子反响生成沉积而失去了毒性。
那么什么叫离子反响?离子反响要产生具有什么条件呢?下面咱们一起来进行探求。
推动新课教育环节一:离子反响的概念[板书]一.离子反响( ionic reaction ):有离子参加的反响。
[演示试验2-1]1.CuSO4溶液中滴加NaCl溶液2.CuSO4溶液中滴加BaCl2溶液[设问]试验1无显着现象,原因是什么呢?[答复]仅仅CuSO4溶液电离出的Cu2+和SO42-与NaCl溶液电离出的Na+ Cl-的简略混合[提问]试验2中反响说明晰什么?[定论]试验2说明晰CuSO4溶液电离出的SO42-和BaCl2溶液电离出的Ba2+产生了化学反响生成了BaSO4白色沉积。
而CuSO4溶液电离出的Cu2+与BaCl2电离出的Cl-并没有产生化学反响,在溶液中仍以Cu2+和Cl-的离子方式存在。
[总结]由试验2可以看出,电解质在水溶液中所电离出的离子并没有悉数产生了化学反响,而只要部分离子产生了化学反响生成其他物质。
[剖析]上述试验“2”的反响本质:②BaCl2溶液与CuSO4溶液混合反响本质:Ba2++SO42-=====BaSO4↓[小结]上述用实践参加反响的离子符号表明离子反响的式子叫做离子方程式。
2021年高中化学 2.2.2离子反应及其发生的条件课时作业新人教版必修1一、选择题(每小题4分,共48分)1.关于离子方程式Cu2++2OH-===Cu(OH)2↓的说法正确的是( ) A.可表示所有铜盐和强碱的反应B.可表示某一个具体的反应,也可以表示一类反应C.离子方程式中的OH-可代表弱碱或强碱D.该反应可看到Cu(OH)2白色沉淀解析:该离子方程式不能表示如CuSO4和Ba(OH)2的反应,A错;OH-只能代表强碱,C错;Cu(OH)2为蓝色沉淀,D错。
答案:B2.下列离子方程式中正确的是( )A.澄清的石灰水与稀盐酸反应:Ca(OH)2+2H+===Ca2++2H2OB.氢氧化钡与硫酸反应:OH-+H+===H2OC.铜片插入硝酸银溶液中发生反应:Cu+Ag+===Cu2++AgD.氯化镁溶液与氢氧化钠溶液发生反应:Mg2++2OH-===Mg(OH)2↓E.铁片投入稀盐酸中:2Fe+6H+===2Fe3++3H2↑F.氨水与盐酸反应:OH-+H+===H2OG.碳酸氢钠与盐酸反应:CO2-3+H+===H2O+CO2↑H.Na2O与水反应:O2-+H2O===2OH-解析:离子方程式的正误判断方法是“三查”:一查电荷是否守恒,原子数是否守恒;二查物质化学式拆分是否正确;三查物质间的反应是否正确。
据此可知A中石灰水是澄清的,Ca(OH)2应拆写成离子的形式;B中遗漏了参加反应的Ba2+和SO2-4;C中离子电荷不守恒。
E中产物应为Fe2+;F中氨水为弱碱,不应拆写成离子形式;G中碳酸是弱酸,因此HCO-3不应拆写成CO2-3;H中氧化物在离子方程式书写时,不应拆写。
答案:D3.下列各组离子在溶液中能大量共存,加入OH-有沉淀生成,加入H+有气体生成的一组离子是( )A.K+、Mg2+、Cl-、HCO-3B.K+、Cu2+、SO2-4、Na+C.NH+4、CO2-3、NO-3、Na+D.NH+4、Cl-、HCO-3、K+解析:解答离子共存题的关键,是要看清题目,审准题意,挖出隐含条件。
有的离子虽然在选项中没有出现,但在条件中已隐蔽出现。
答案:A4.下列各组离子一定能大量共存的是( )A.含有大量Ba2+的溶液中:Cl-、K+、SO2-4、CO2-3B.含有大量H+的溶液中:Mg2+、Na+、CO2-3、SO2-4C含有大量OH-的溶液中:Cu2+、NO-3、SO2-4、CO2-3D.含有大量Na+的溶液中:H+、K+、SO2-4、NO-3解析:A项中Ba2+与SO2-4、CO2-3反应产生沉淀;B项中H+与CO2-3反应产生气体;C项中OH-与Cu2+反应产生沉淀;D项中四种离子均不发生反应,可大量共存。
答案:D5.将下列各组溶液混合,不能发生离子反应的是( )A.NaOH溶液、稀盐酸B.NaCl溶液、KNO3溶液C.Na2CO3溶液、澄清石灰水D.Na2CO3溶液、稀硝酸解析:A、C、D项的离子方程式分别为H++OH-===H2O,Ca2++CO2-3===CaCO3↓,CO2-3+2H+===H2O+CO2↑。
上述反应中分别有H2O、难溶物和气体生成,符合离子反应发生的条件;只有B项中的NaCl溶液和KNO3溶液混合后,既没有难溶物,也没有水或气体生成,不符合离子反应发生的条件。
答案:B6.下列两种物质的溶液混合后,能发生离子反应,且溶液的总质量不会发生改变的是( )A.石灰水中和稀盐酸混合B.小苏打溶液和柠檬水混合制汽水C.人工盐(含有硫酸钠、碳酸氢钠、氯化钠、硫酸钾,常用于治疗牲口消化不良)溶液与BaCl2溶液混合D.喝氯化钠溶液和蔗糖水的混合液治拉肚子解析:A项中生成水,发生了离子反应,但溶液质量不变,符合题意。
B项,HCO-3与酸反应产生了CO2气体,发生了离子反应,但CO2逸出,使溶液减轻,不符合题意。
C项,SO2-4与Ba2+生成了BaSO4沉淀,发生了离子反应,但BaSO4脱离溶液,使溶液质量减轻,不符合题意。
D项,NaCl与蔗糖不反应。
答案:A7.下列各组中两种溶液间的反应,不可用同一离子方程式表示的是( )A.H2SO4+Na2CO3,H2SO4+NaHCO3B.Cu(OH)2+H2SO4,Cu(OH)2+HNO3C.BaCl2+Na2SO4,Ba(OH)2+Na2SO4D.KOH+CH3COONH4,Ba(OH)2+NH4Cl解析:A选项中CO2-3和HCO-3不同,其他均可以用同一离子方程式表示。
答案:A8.下列离子方程式改写成化学方程式正确的是( )A.Zn2++2OH-===Zn(OH)2↓ZnCO3+2NaOH===Zn(OH)2↓+Na2CO3B.Ba2++SO2-4===BaSO4↓Ba(OH)2+H2SO4===BaSO4↓+2H2OC.Ag++Cl-===AgCl↓AgNO3+NaCl===AgCl↓+NaNO3D.Cu+2Ag+===Cu2++2AgCu+2AgCl===Cu2++2Cl-+2Ag解析:A中ZnCO3为难溶物,B中OH-和H+生成H2O,D中AgCl难溶于水。
答案: C9.下列反应中,可用离子方程式H++OH-===H2O表示的是( )A.NH4Cl+NaOH NaCl+NH3↑+H2OB.Mg(OH)2+2HCl===MgCl2+2H2OC.NaOH+NaHCO3===Na2CO3+H2OD.NaOH+HNO3===NaNO3+H2O解析:A项表示为NH+4+OH-NH3↑+H2O;B项表示为Mg(OH)2+2H+===Mg2++2H2O;C项表示为OH-+HCO-3===CO2-3+H2O;D项表示为OH-+H+===H2O。
答案:D10.甲、乙、丙、丁四位同学分别进行实验,测定四份不同澄清溶液的成分,记录结果如下:甲:K2SO4、BaCl2、NaCl乙:NaCl、Ba(OH)2、K2CO3丙:HCl、K2CO3、NaCl丁:K2SO4、Na2CO3、KCl其中记录结果合理的是( )A.甲B.乙C.丙D.丁解析:甲会形成BaSO4沉淀而不能共存;乙会形成BaCO3沉淀而不能共存;丙会产生CO2气体而不能共存。
答案:D11.下列离子方程式中,只能表示一个化学反应的是( )①CO2-3+2H+===CO2↑+H2O②Ba2++2OH-+2H++SO2-4===BaSO4↓+2H2O③Ag++Cl-===AgCl↓④Fe+Cu2+===Fe2++Cu⑤Cl2+H2O===H++Cl-+HClOA.①③ B.②④C.②⑤ D.只有⑤解析:①表示可溶性碳酸正盐与强酸的反应,表示一类反应;②表示Ba(OH)2与H2SO4、Ba(OH)2与足量NaHSO4(KHSO4等)反应;③表示可溶性银盐(如AgNO3)与盐酸或可溶性氯盐间的反应;④表示Fe与可溶性铜盐溶液间的一类反应;⑤只表示Cl2和H2O的反应。
答案:D12.某同学在实验室中进行如下实验:编号ⅠⅡⅢ实验现象没有明显变化,溶液仍为无色有白色沉淀生成,溶液为蓝色有无色气体放出A.Ⅰ中无明显变化,说明两溶液不反应B.Ⅱ中的白色沉淀为CuCl2C.Ⅲ中的离子方程式为2H++Zn===Zn2++H2↑D.Ⅲ中发生的反应不是离子反应解析:Ⅰ中虽无明显现象,但发生了离子反应:H++OH-===H2O,A错误;Ⅱ中发生反应为:Ba2++SO2-4===BaSO4↓,白色沉淀为BaSO4,B错误;Ⅲ中的反应是离子反应,离子方程式为Zn+2H+===Zn2++H2↑,C正确,D错误。
答案:C二、非选择题(共52分)13.(10分)用一种试剂除去下列各物质的杂质(括号内为杂质),并写出离子方程式。
(1)BaCl2(HCl):试剂________,离子方程式为__________________________________________________________________________。
(2)O2(CO2):试剂________,离子方程式为__________________________________________________________________________。
(3)SO2-4(CO2-3):试剂________,离子方程式为__________________________________________________________________________。
(4)盐酸(硫酸),试剂________,离子方程式______________________________________________________________________________(5)NaOH(Na2CO3),试剂________,离子方程式______________(6)NaCl(CuCl2),试剂________,离子方程式________________________________________________________________________。
解析:除杂的基本原则是试剂不与被提纯物质反应,不引入新的杂质,转化生成更多的被提纯物质。
答案:(1)BaCO3BaCO3+2H+===Ba2++H2O+CO2↑(2)NaOH溶液CO2+2OH-===CO2-3+H2O(3)稀H2SO42H++CO2-3===H2O+CO2↑(4)适量BaCl2溶液Ba2++SO2-4===BaSO4↓(5)适量Ba(OH)2溶液Ba2++CO2-3===BaCO3↓(6)适量NaOH溶液Cu2++2OH-===Cu(OH)2↓(其他合理答案也可)14.(10分)(1)选择适宜的物质完成下列反应,并写出有关反应的化学方程式。
①CO2-3+2H+===CO2↑+H2O______________________________________________________。
②Cu2++2OH-===Cu(OH)2↓______________________________________________________。
③Zn+2H+===Zn2++H2↑_____________________________________________________。
(2)完成离子反应,并改写成化学方程式。
①________+Ag+===________+Ag_____________________________________________________。
②Fe2O3+________===Fe3++_____________________________________________________________。