起重机安装过程记录.docx
- 格式:docx
- 大小:191.73 KB
- 文档页数:18
起重机安装工作见证表1. 项目简介本次起重机安装工作是在某新建物流园区进行的,涉及到三台起重机的安装,分别为50吨、75吨、100吨。
本项目的目标是在建成后的物流园区内为企业提供起重作业服务,同时也可以作为临时租赁业务。
2. 见证人员见证员:XXX监理单位:XXX3. 安装时间起重机安装工作于XX年XX月XX日至XX月XX日进行,历时XX天。
4. 安装过程及见证情况4.1 基础施工在安装起重机前,需要进行基础施工。
首先需要测量安装位置,然后挖掘基坑,按照设计图纸进行混凝土浇注。
在此过程中,见证员认真记录了浇注混凝土的比例、混凝土坍落度等信息。
4.2 起重机安装安装起重机前,需要将各个部件组装好。
一般情况下,起重机主要由大臂、小车、吊钩等部件组装而成。
在组装过程中,见证员认真核对了零部件的型号、规格、数量等信息,保证了各个部件的正常装配。
在起重机各部件安装完毕后,还需要进行吊装。
在此过程中,监理单位对起重机的吊装高度、速度、重量等参数进行了详细记录,并进行了多方位监督。
同时,见证员也进行了仔细核对。
4.3 试运行在安装完毕后,还需要进行试运行。
在试运行过程中,起重机运转状态和各项指标需要进行测量和记录。
见证员针对测量结果进行了详实记录,并进行了核对。
5. 安装质量按照相关标准,本次起重机安装工作达到了规定的标准和质量要求,各项指标均符合要求。
6. 其他在安装过程中,安全是首要考虑因素。
所有安装工作都在严格遵守安全规则的情况下进行,未发生任何安全事故。
同时,各项工作也在规定的时间内按照计划完成。
7.通过本次见证,项目的起重机安装工作达到了规定的标准和质量要求,同时也保证了施工过程中的安全。
欢迎阅读桥(门)式起重机安装改造维修
(一)、起重机安装基本情况
检查人员:
(二)、设备选型及产品技术文件、资质证件检查表
编号:
检查人员:
(三)、开箱检查记录
编号:
续表
(四)、基础复查记录
基础地点:编号:
(五)、部件施工前检查记录(表一)
编号:
(六)、部件施工前检查记录(表二)
(主要受力构件主要几何尺寸)
编号:
(七)、部件施工过程与施工后检查记录(表一)(主要受力构件焊接检查)
编号:
(八)、部件施工过程与施工后检查记录(表二)(主要受力构件螺栓连接检查)
编号:
检查人员:
(九)、部件施工过程与施工后检查记录(表三)
(施工后主要受力构件几何尺寸检查)
编号:
检查人员:
(十)、部件施工过程与施工后检查记录(表四)
(施工后其它部件检查)
编号:
(十一)、电气与控制系统检查记录表
检查人员:
(十二)、安全保护和防护装置记录表
(十三)、起重机性能试验记录表。
起重机安装施工记录表编制:审核:审定:批准:中国一冶集团有限公司目录1起重机械安装开工报告2施工图纸会审记录3起重机安装(维修)施工技术交底记录4设备开箱记录5施工设备、机具及现场条件检查记录6起重机主要零部件及机构检验记录7起重机安全装置及防护措施检验记录8起重机轨道梁检测记录9起重设备轨道测量记录10起重机轨道安装检测记录11通用桥(门)式起重机组装桥架检测记录12通用桥(门)式起重机大(小)车运行机构组装检测记录13电动机检查试运行记录14起重机电气设备安装记录15起重机配线安装记录16软电缆和自由悬吊滑接线安装记录17滑接线安装记录18起重机保护装置安装记录19接地电阻测试记录20试运(试车)记录21起重设备空载试验记录22起重设备静载试验记录23起重设备动载负荷试验记录起重机械安装(维修)开工报告HC-01项目经理:施工技术员:建设单位代表:起重机械安装(维修)施工技术交底记录交底日期:年月日 HC-02施工技术员:班组长:设备开箱记录施工设备、机具、现场条件检查记录质检员:施工员:检验日期:质检员:施工员:检验日期:起重机电气检验记录质检员:施工员:检验日期:起重机安全装置及防护措施检验记录质检员:施工员:检验日期:起重机轨道梁检测记录起重设备轨道测量记录HC-09起重机轨道安装检测记录通用桥(门)式起重机组装桥架检测记录通用桥(门)式起重机组装大、小车运行机构检测记录2、M1、M2……M8,为运行机构工作级别。
电动机检查试运行记录起重机电气设备安装记录起重机配线安装记录软电缆和自由悬吊滑接线安装记录滑接线安装记录起重机保护装置安装记录接地电阻测试记录年月日 HC-19试运(试车)记录起重设备动载负荷试验记录。
起重机安装过程检验记录使用单位: 设备名称: 设备型号: 出厂编号: 安装地点: 制造单位: 安装单位:设 备 选 型 记 录检验员检验日期经检查:符合法规和合同的选型要求。
□符合 □不符合序号 检查内容检查结果1产品技术文件与选购合同是否相符2起重机的机构级别选用是否满足使用单位使用工况要求监检方式:□资料核查□现场监督□实物检查监检人员:确认日期: 年 月 日负责人签字:年月日(单位章)负责人签字:年月日开箱检查记录检验员检验日期经检查:(文字说明部分)一开箱地点到货时间开箱时间二1 开箱前产品存放情况(□露天或□室内)2 开箱前产品包装是否有破损、开启3 供货清单是否符合合同约定4 实物是否与供货清单相符5 实物是否有损坏三清点记录:1、清单与实物完全相符(以下空白):□2、清单与实物不相符(以下说明不符原因):□监检方式:□资料核查□现场监督□实物检查监检人员:确认日期:年月日参与开箱人员负责人签字: 年 月 日(单位章)负责人签字:年 月 日(单位章)资 料 自 检 核 查 记录 检验员检验日期序号 检查内容检查结果1 起重机基础和轨道验收合格证明(由使用单位提供)2 制造单位提供的资料审核制造许可证明文件3 起重机整机型式试验合格证书或者报告书4 起重机产品质量证明书5设计文件,至少包括总图、主要受力结构件图、机械传动图、电气和液压系统原理图6 安装及使用维护说明书7 制造监督检验证书(实施监督检验的产品)8 焊缝探伤报告9安装单位应提供的资料特种设备安装改造维修许可证或受理书(原件或者复印件)10《特种设备安装改造维修告知书》(原件或者复印件)11施工单位质量保证手册、程序文件或管理制度,监检方式:□资料核查□现场监督□实物检查监检人员:确认日期: 年 月 日审核施工组织机构、质量保证机构和质量控制系统责任人的任命文件,现场施工人员的资格证件12 施工合同(复印件)施工计划、施工质量计划、施工作业(工艺)文件、载荷试验方案及其相应的工作见证、13 主要零部件合格证、铭牌14 施工过程记录和自检报告15 变更设计证明文件16施工过程中质量或者人身伤亡事故记录与处理报告17 安装质量证明文件18改造(大修)设备应提供的资料审核改造(大修)施工情况记录19 自检报告20 安装过程中事故记录与处理报告21安装过程中经制造单位同意的变更设计的证明文件22 改造(大修)部分的清单23 改造(大修)主要部件合格证24改造部分经改造单位批准并签章的图样和计算资料25 设备注册登记资料26 使用运行管理制度27 设备技术档案(包括设备制造、安装资料,维修保养、常规检查和故障与事故的记录等)使用单位意见:负责人签字:年月日(单位章)安装单位意见:负责人签字:年月日土建检查记录检验员检验日期经检查:符合土建施工技术规定要求。
起重机安装过程检验记录
使用单位:
设备名称:
设备型号:
出厂编号:
安装地点:
制造单位:
安装单位:
监检方式:□资料核查□现场监督□实物检查监检人员:
确认日期:年月日
监检方式:□资料核查□现场监督□实物检查监检人员:
确认日期:年月日
监检方式:□资料核查□现场监督□实物检查监检人员:
确认日期:年月日
监检方式:□资料核查□现场监督□实物检查监检人员:
确认日期:年月日
监检方式:□资料核查□现场监督□实物检查监检人员:
确认日期:年月日
监检方式:□资料核查□现场监督□实物检查监检人员:
确认日期:年月日
监检方式:□资料核查□现场监督□实物检查监检人员:
确认日期:年月日
监检方式:□资料核查□现场监督□实物检查监检人员:
确认日期:年月日
监检方式:□资料核查□现场监督□实物检查监检人员:
确认日期:年月日
.
监检方式:□资料核查□现场监督□实物检查
监检人员: 确认日期: 年 月 日
.
监检方式:□资料核查□现场监督□实物检查
监检人员: 确认日期: 年 月 日
1、普通桥架型起重机提供附录1
2、门座起重机提供附录2
3、塔式起重机提供附录3
4、施工升降机提供附录4
5、固定式起重机提供附录5
单位与设备信息
单位与设备信息。
塔式起重机安装记录该塔吊于2015年3月06日开始安装,用于茌平县正泰·枣乡家园4#楼使用,由山东明威起重设备有限公司生产,由技术负责人员:史书玉安拆人员:周正芳、李民昌、杨培忠、范支全1、安装前的准备1、安装人员10人2、钢丝绳6*19+1——ф15mm4根,6*19+1——ф10mm2根3、 卡环3T4只,0.5T4只4、 经纬仪一台、水准仪一台。
5、 专用扳手4把,锤子2把。
2、 安装步骤1、安装前对塔吊基础用水准仪进行水平度测试和校正,其误差不大于11‰。
2、复查砼基础强度,达到设计要求方可进行底座安装。
3、安装底盘并用水准仪四角测试水平度,其误差不大于1‰,同时紧固脚地螺栓。
4、安装基础节,对角紧固螺栓。
5、安装四角支撑同时销钉并及时开口。
6、安装两节标准节,对角紧固螺栓。
7、安装上、下旋体同时紧固螺栓。
8、安装塔帽并紧固螺栓。
9、安装驾驶室同时紧固螺栓,同时安装启动阀。
10、安装平衡臂及时拉好拉索。
11、地面拉接好悬臂,装好小车,穿好走绳,同时检查开口销是否全部开口。
12、选择好重心,捆绑好悬臂,起吊悬臂棕指定高度进行安装,及时销号并及时开口,然后装好拉杆。
13、接通驾驶室的线。
14、按图纸要求穿起起重绳。
15、安装平衡重16、用经纬仪测量垂直度偏差,不大于4‰三、调试1、按设计要求校正和调试好高度限位器、重量限制器、交幅限位器及旋转限位装置,并经多次试验达灵活可靠的程度。
2、作负荷试验(1)空载试验:吊钩上下三次,小车行走三次吊臂旋三交,然后检查各部是否正常。
(2)静载试验:作超25%负荷试验,高度为100-200mm,高处停留时间不小于10min。
(3)超载试验:作超载民定重量10%试验。
记录人:2015年3月6日。
桥(门)式起重机四川华园金属建设工程有限公司安装、改造、维修施工计划表安装改造重大维修过程记录施工类别:施工单位:使用单位:设备种类:设备品种:设备型号:设备代码:安装日期:四川华园金属建设工程有限公司四川华园金属建设工程有限公司桥(门)式起重机安装改造维修技术资料审核记录表产品型号:产品编号:四川华园金属建设工程有限公司产品型号:产品编号四川华园金属建设工程有限公司零部件清点记录产品型号:产品编号四川华园金属建设工程有限公司基础复验记录产品型号:产品编号:四川华园金属建设工程有限公司施工前主要受力结构件主要几何尺寸检查记录产品型号:产品编号:检验员: 施工单位质量技术负责人:20 年月日 20 年月日四川华园金属建设工程有限公司并记 录: 件施工过程与施工后主要受力结构件连接检查记录产品型号:产品编号:检验员:施工单位质量技术负责人:20 年月日20 年月日四川华园金属建设工程有限公司施工后主要受力结构件的主要几何尺寸检查记录产品型号:产品编号:检验员:施工单位质量技术负责人:20 年月日20年月日四川华园金属建设工程有限公司施工后钢丝绳及其连接、吊具、滑轮组等检查记录产品型号:产品编号:四川华园金属建设工程有限公司施工过程与施工后安全警示标识设置检查记录产品型号:产品编号:四川华园金属建设工程有限公司电气设备与控制系统安装记录四川华园金属建设工程有限公司电气保护装置记录产品型号:产品编号:四川华园金属建设工程有限公司电气保护装置记录产品型号:产品编号:四川华园金属建设工程有限公司安全保护和防护装置检查记录产品型号:产品编号:四川华园金属建设工程有限公司安全保护和防护装置检查记录产品型号:产品编号:四川华园金属建设工程有限公司安全保护和防护装置检查记录产品型号:产品编号:四川华园金属建设工程有限公司起重机性能试验记录产品型号:产品编号:。
起重机施工过程记录使用单位施工单位施工日期工程性质 新安装 大修 改造 移装:说明1、本报告适用于桥、门式起重机(以下简称起重机)的安装、改造、大修、移装工程施工过程记录。
专用的起重机中相同或类似的部分亦可参照使用。
2、检验依据《起重机械安装改造重大维修监督检验规则》TSGQ7016-2008《起重机械安全规程》GB6067《起重设备安装工程施工及验收规范》GB50278《电气装置施工及验收规范》GB50256《通用桥式起重机》GB/T14405《电动葫芦桥式起重机》JB/T3695设计文件及相关产品合同以上文件和标准均为现行有效版本3、此施工过程记录,当每个阶段自检完毕后,应提交监检员进行必要确认。
4、如起重机施工仅为局部改造或大修,则表1、表2、表3可针对施工内容作部分填写,并加以必要说明。
5、运行试验结束后,检验员应及时完成最终施工过程记录,并提交监检机构和施工单位存档。
6、所有表中的“检验结果”栏如有测量数据要求时应填写实测数据,无如数据要求时应采用“√”、“×”和“/”分别表示“合格”、“不合格”和“无此项”。
7、检验用仪器设备应完好并在计量检定期内。
8、检验员应对自检结果进行核对,对检测数据负责,施工单位对自检结果负责。
表1 设备开箱检验记录注;1、此表中第8、9、10项可附加具体零部件的核查记录表。
2、改造、大修施工主要核查已改造的结构件和更换零部件的相关资料,并加以说明。
起重机安装基础与土建验收证明使用单位(甲方)产品编号施工单位(乙方)施工位置基础、牛腿、承重梁等土建工程符合设计图纸、土建施工技术规定要求。
能够满足起重机的各种性能要求。
使用单位负责人:施工单位负责人:(单位章)(单位章)基础隐蔽工程验收证明使用单位(甲方)产品编号施工单位(乙方)施工位置由隐蔽工程施工单位或监理单位提供的隐蔽工程检查记录符合设计技术要求。
使用单位负责人:施工单位负责人:(单位章)(单位章)起重机预期用途和预期工作环境说明使用单位(甲方)产品编号施工单位(乙方)施工位置起重机用途(可多选):□吊运液态熔融金属□吊运熔融非金属物料□吊运炽热固态金属□吊运易燃易爆等危险品□其他:起重机使用环境条件:1.供电电源: (填写电压和相数)2.环境温度是否超过40℃:□是□:否3.使用现场(可多选):□易燃、易爆气体□腐蚀性气体□有毒有害气体□无4.潮湿环境:□是□否(露天工作的起重机作为潮湿环境)5.粉尘环境:□是□否起重机工作级别: (填写A1-A8)使用单位负责人:(单位章)表2大车轨道检查记录注:“※”项主要针对新安装轨道要求表3.1通用桥式起重机组装前主要几何尺寸的检查记录第2页共2页注:1、起重机跨度、跨度相对差、大车车轮水平偏斜、同一端梁下大车车轮同位差在组装大车运行机构时检查,其余在组装桥架时检查。
桥(门)式起重机安装改造维修施工工作记录规格型号:产品编号:施工单位:使用单位:(一)、起重机安装基本情况施工单位安装改造维修许可施工单位负责人证编号(或受理号)施工单位联系人施工单位联系电话使用单位使用单位地址使用单位联系人使用单位联系电话使用单位安全管理使用单位邮政编码人员起重机械施工地点制造单位制造许可证编号(型式试验备案公告号)取证样机□是、□否设备类别起重机械设备品种规格型号设备代码制造日期产品编号额定起重量跨度m起升高度m 起升速度m/s工作级别施工类别设备安装施工告知日期监检开始日期监检结束日期备注检查人员:(二)、设备选型及产品技术文件、资质证件检查表编号:序号项目检查内容及技术要求检查结果1设备选型应与使用工况匹配,符合法规和合同要求总图主要受力结构件产品2技术产品设计文件机械传动图文件电气原理图液压系统原理图安装改造3维修资格施工4作业文件检查人员:产品质量合格证明、安装及其使用维护说明型式试验合格证明制造监督检验书(1)安装改造维修许可证(2)安装改造重大维修告知书(3)现场安装改造维修作业人员的资格书安装维修改造工艺规程安装维修改造检验规程施工方案安全措施应制定作业工艺文件应制定作业检验文件应制定技术要求及方法应制定相应的安装安全措施(三)、开箱检查记录编号:序号名称及规格单位数量检查结果检查日期1桥架台2小车总成台3操作室总成台4大车导电支架件5小车导电支架件6栏杆套7斜梯栏杆套8扫归器件9电阻器架件10小平台件11小工字钢米12安全尺件13电缆滑车件14吨位牌件15行程开关只16舱门开关只17米18电缆线米19米20米21电线米22米23米钢丝绳24米25套26螺栓套27套28箱29电阻器箱30箱31安全滑线米32变电器件33道轨米34压板块35橡胶垫块36螺栓套37夹板付续表序号名称及规格单位数量检查结果检查日期38夹板螺栓套39挡架件40吊钩组件41吊钩组件42合格证明书份43主要零部件说明份书44使用、维护说明份书45安装图纸份46电气原理图份47电气接线图份48易损件图份49其它未尽项目5051525354555657585960616263检查人员:(四)、基础复查记录基础地点:编号:检查结检查日序号项目技术要求果期1基础验收合格证应提供基础验收证明明2轨道型号实际型号是否与安装产品相符3轨道跨度测量实际跨度及跨度偏差两根轨道的接头不能在同一截面上,应错开至少 500 毫米同一轨道接头外的位错、高差均4轨道接头不得大于 1 毫米,间隙应为1-2毫米。
且必须有跨线将两轨紧密地连接起来。
在全长方向不得大于10mm;每 2 5同一轨道高低差度内,不得大于2mm。
同一截面的两轨道的高低差不得6两轨道的高低差大于10mm;不在同一截面的两轨道最大高度差不得大于 15mm。
压板不得有松动现象,压板的位7压板置应使压板能有效的固定轨道。
不应有松动现象,应有防松措施,螺栓备紧后螺纹至少露出螺帽2道丝。
轨道应固定可靠,不得松动,轨9整轨面不得有影响运行的缺陷。
10安全距离起重机械运动部分与建筑物、设施、输电线应按规定留有安全距离。
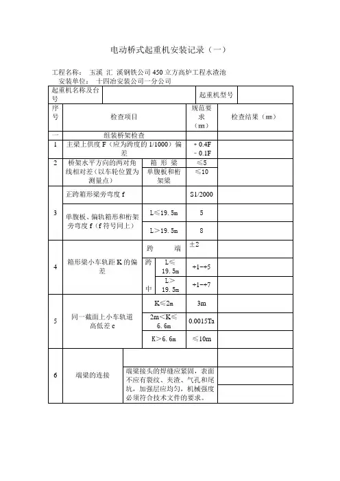
检查人员:(五)、部件施工前检查记录(表一)编号:序号项目主要1零件部件安全2装置检查日内容及技术要求检查结果期减速机铭牌与图纸相符,带合格证电动机铭牌与图纸相符,带合格证卷筒组与图纸相符,带合格证电动葫芦与设计图纸相符,带合格证大车轮组与设计图纸相符,带合格证小车轮组与设计图纸相符,带合格证接触器与设计图纸相符,带合格证继电器与设计图纸相符,带合格证导线、电缆与设计图纸相符,带合格证制动器铭牌与设计图纸相符,带合格证起重量限制器与设计图纸相符,带合格证起升高度(下降深度)限位器与图纸相符,带合格证缓冲器和止档装置与设计图纸相符,带合格证应急断电开关与设计图纸相符,带合格证连锁保护装置与设计图纸相符,带合格证超速保护装置与设计图纸相符,带合格证偏斜显示(限制)装置与设计图纸相符,带合格证防倾翻安全钩与设计图纸相符,带合格证扫轨板是否设置防风防滑装置是否设置防护罩、隔热罩是否设置其他安全保护、防护装置(六)、部件施工前检查记录(表二)(主要受力构件主要几何尺寸)编号:序号项目起重机跨度S 1的极限偏差△S小车轨距 K 2的极限值偏差△ K3主梁拱度主梁水平旁4弯规范与要求S≤ 10m 时,△ S=±2mm;S > 10m 时,△ S= ± [2+0.1 (S-10) ]mm。
在跨端处△ K ≤± 2mm。
在跨中处 S=19.5mm 时,△ K ≤(+1~+5 ) mm;s> 19.5mm 时,△ K ≤( +1~+5 )mm。
在跨度应为(0.9~1.4/1000)S,且最大上拱度在跨中 S/10 的范围内。
对偏轨和对称正轨箱形兴应不大于1/2000S1(S1为两端始于第一块大筋板实测长度,在了上翼缘板约100mm 的大筋测量)。
检查检查结果日期5桥架对角线S1-S2不超过 5mm主梁长、宽、6测量尺寸与图纸是否相符高端梁长、宽、7测量尺寸与图纸是否相符高检查人员:(七)、部件施工过程与施工后检查记录(表一)序号1 2 3(主要受力构件焊接检查)编号:检查项目技术要求检查结果监检日期顶板起重机主底板梁腹板顶板起重机主底板梁1、有探伤位腹板置查看探伤顶板起重机端报告;底板梁2、无明显可4 5腹板顶板起重机端底板梁腹板起重机支腹板见的焊接缺陷。
6脚其他各加强板检查人员:(八)、部件施工过程与施工后检查记录(表二)(主要受力构件螺栓连接检查)编号:序号检查项目主梁、端梁连接法兰螺1检电动机减速机大车运行2制动器机构联轴器车轮组电动机减速机小车运行3制动器机构联轴器车轮组电动机减速机主起升机制动器4构联轴器卷筒轴承座技术要求检查结果检查日期1、连接方式、所用部件规格型号符合设计和相关法规要求;2、螺栓连接应牢固,不得松动;3、高强度螺栓连接应应有足够的顶紧力矩。
钢丝绳压板5支腿与主梁连接6支腿与端梁连接检查人员:(九)、部件施工过程与施工后检查记录(表三)(施工后主要受力构件几何尺寸检查)编号:检查结检查日序号项目规范与要求果期起重机跨度 S S≤10m 时,△ S=± 2mm。
1的极限偏差S> 10m 时,△ S=± [2+0.1△ S(S-10)]mm 。
在跨端处△ K ≤± 2mm。
小车轨距 K在跨中处 S≤ 19.5mm 时,△ K ≤2的极限值偏( +1~+5 ) mm;差△ K S>19.5mm 时,△ K ≤( +1~+5 )mm。
在跨中应为( 0.9~1.4/1000) S,且3主梁拱度最大上拱度在跨中S/10 的范围内。
对偏轨和对称下轨箱形梁应不大于4主梁水平旁1/2000S1( S1为两端始于第一块大筋弯板实测长度,在了上翼缘板约100mm 的大筋测量)。
5桥架对角线S1-S2不超过 5mm。
6主梁长、宽、测量尺寸与图纸是否相符高端梁长、宽、7测量尺寸与图纸是否相符高检查人员:(十)、部件施工过程与施工后检查记录(表四)(施工后其它部件检查)编号:序号项目检查规范与要求检查结果检查日期1、选用品种、违禁物品、结构型式与设计图纸和相关法规相1钢丝绳符全;2、连接固定牢固、无缺陷。
提供质量证明,钩头转动灵活,2吊具制造工艺符合法规标准。
3滑轮组符合设计图纸和法规标准要求4卷筒符合设计图纸和法规标准要求选用符合设计图纸和法规标准5配重、压重要求,固定牢固。
安全警示危险部位应有黄黑相间标志或6标志警示牌检查人员:(十一)、电气与控制系统检查记录表编号:序检查检查项目规范与要求号结果日期电气设备控制系统符合GB50256-1996的相关要求,控制1施工功能有效。
用整体金属结构做接地干线,非焊接处时,应另设接地干线或跨接线。
起重机上所有电气设备正常不带电的接电气设备接地金属外壳、变压器铁芯及金属隔离层、地2穿线金属管槽、电缆金属护层等均应保与金属结构间有可靠的接地联接。
护供电电源为中性点直接接地的低压系金属结构接地统时,整体金属结构的接地型式采用TN或TT 接地系统,零线重复非接地的接地电阻不大于4Ω;零线重复接地的接地电阻不大于10Ω。
采用 TT 接地系统时,起重机金属结构的接地电阻与漏电保护器动作电流的乘积应不大于 50V。
额定电压不大一于500V 时,电气线3绝缘保护路对地的绝缘电阻,一般环境中不低于 0.8MΩ,潮湿环境下不低于 0.4 MΩ。
总电源回路至少应有一级短路保护,4短路保护短路保护应由自动断路器或熔断器来实现。
总电源应有失压保护,当供电电源中断时,必须能够自动断开总电源回路,5失压保护恢复供电时,不经手动操作,总电源回路不能自行接通。
必须设有零位保护(机构运行采用按钮控制的除外),开始运转和失压后恢6零位保护复供电时,必须先将控制器手柄置于零位后,该机构或所有机构的电机才能启动。
7过流(过载)保护每个机构均应单独设置过流保护8供电电源短错相保有断错相保护的起重机械供电电源,护断开供电电源任意一根相线或将任意两相换接的断错相保护应有效,总电源接触器不能接通。
用于吊运熔融金属(非金属)和炽热正反向接触器故障9金属的起重机应有的正反向接触器故保护障保护。
检查人员:(十二)、安全保护和防护装置记录表序号1 2 3安全装置名称制动器起重量限制器高度限制器编号:检技术要求检查查结果日期(7)工作制动与安全制动器的设置应当符合《桥式起重机安全技术监察规程》(TSGQ0002-2008)第六十七条要求;(8)起升和动臂变幅枫树铁制动器,回转机构、运行机构、小车变幅机构的制动器能够保证起重机械动时平稳性要求;(9)制动器的推动器无漏油现象;(10)制动器打开时制动轮与摩擦片没有摩擦现象,制动器闭合时制动轮与摩擦片接触均匀,没有影响制动性能的缺陷和油污;(11)制动器调整适宜,制动平稳可靠;(12)制动轮无裂纹(不包括制动轮表面淬硬层微裂纹),没有摩擦片固定铆钉引起的划痕,凹凸不平度不大于 1.5mm。
(3)起升额定载荷,以额喧速度起升、下降,全过程中正常制动 3 次,起重量限制器不动作;(4)保持载荷离地面 100mm~200mm,逐渐无冲击继续加载至 1.05 倍的额定起重量,检查是否先发出报警信号,然后切断上升方向动作,但机构可以做下降方向的运动。
检查是否按照规定均设置起升高度(下降深度)限制器,并且对其试验进行监督,当吊具起升(下降)到极限位置时,是滞能够自动切断动力源。
4缓冲器和止档装置行程限位5器6应急断电开关7超速保护装置续表检查大、小车运行机构的轨道端部缓冲器或端部止档完好,缓冲器与端部止档装置或与另一台起重机运行机构的缓冲器对接良好,端部止档固定牢固,能够两边同时接触缓冲期。