螺纹车削教案
- 格式:doc
- 大小:508.00 KB
- 文档页数:4
教 师 活 动 内 容
学生活动内容
设计意图 3.车削三角形内螺纹(视频演示)
车削三角形内螺纹的方法和车削外螺纹的方法基本相同,只是车削内螺纹要比车削外螺纹困难的多,因为车内螺纹时(尤其是直径较小的螺纹),存在刀柄细长、刚性差、切屑不易排出、切削液不易注入及不变观察等特点。
内螺纹工件形状常见有三种,即通孔、盲孔和阶台孔。
由于工件形状不同,因此车削方法及所用的螺纹车刀也不同。
(1)车刀的选择(展示车刀)
车削通孔内螺纹时可选如图7-14(a)、(b)所示形状的车刀,车削盲孔或阶台孔内螺纹时可选如图(c)、(d)所示形状的车刀。
(2)车刀的安装
安装内螺纹车刀时,应使刀尖对准工件中心,同时使两刃夹角中线垂直于工件轴线,可采用如图7-12所示用样板对刀的方法。
装好刀后,还应摇动床鞍,使车刀在孔中试车一遍,检查刀柄是否与孔口相碰。
(3)车螺纹前孔径的计算
在车内螺纹时,一般先钻孔或扩孔。
由于切削时的挤压作用,内径直径会缩小,所以车螺纹前孔径略大于小径的基本尺寸,一般按下列公式计算:
车削塑形金属时:D 孔=D-P 车削脆形金属时:D 孔 D-1.05P 活动设计:计算车削M30×1.5的内螺纹,孔径应为多大? 五、布置作业 (1)课外作业
(2)预习作业: 车削三角形螺纹的方法 观看视频
观测车刀
自我计算
预习下节课内容
学习车削内螺纹的方法
了解如何选择车刀
学会公式的运用
培养学生预习书本的好习惯。
螺纹加工课题一车三角形外螺纹一、高速钢外三角形螺纹车刀及其刃磨内容图例与说明高速钢外三角形螺纹车刀高速钢外螺纹车刀( 图6—1) 刃磨方便, 切削刃锋利, 韧性好, 车削时刀尖不易崩裂, 车出螺纹的表面粗糙度值小. 但其热稳定性差, 不宜高速车削, 常用在低速切削,加工塑性材料的螺纹或作为螺纹的精车刀。
高速钢外三角螺纹车刀的刃磨刃磨要求1.刀尖角ε r 应等于牙型角α ,即ε r =α 。
车普通螺纹时,ε r =60°;车英制螺纹时,ε r =55°。
2.当螺纹车刀的径向前角γ P =0°时,车刀前面上的刀尖角ε ′ r =ε r =α ;当螺纹车刀的径向前角γ P >0°时, 车刀前刀面上的刀尖角ε ′ r <ε r =α ,ε ′ r 按表6—1进行修正。
3.螺纹车刀的两个切削刃必须刃磨平直,不允许出现崩刃。
4.螺纹车刀的切削部分不能歪斜,刀尖半角ε ′ r ∕2应对称。
5 .螺纹车刀的前面与两个主后面的表面粗糙度值要小。
高速钢外三角螺纹车刀的刃磨刃磨注意事项1.粗磨有径向前角的螺纹车刀时,应使刀尖角略大于牙型角,待磨好前角后,再修磨两刃夹角。
2.刃磨高速钢螺纹车刀时, 应选用细粒度砂轮( 如粒度号80的氧化铝砂轮)。
3.刃磨时车刀对砂轮的压力应小于一般车刀,并常浸水冷却,以防过热引起退火。
4.螺纹车刀在刃磨过程中,应在砂轮表面水平方向缓慢移动,这样容易使车刀刃口刃磨平直,表面粗糙度值小。
5.刃磨车削窄槽或高台阶螺纹的螺纹车刀时,应将螺纹车刀进给方向一侧的刀刃磨短些( 图6—2), 以有利于车削时退刀。
图6-2 车削窄槽、高台阶螺纹的车刀高速钢外三角螺纹车刀的刃磨刃磨步骤以6×16×200mm高速钢刀片刃磨图6—1精车刀为例1.刃磨左侧进给方向后刀面,控制刀尖半角εr/2 及后角αOL(αO+ψ)。
此时刀杆与砂轮圆周夹角约εr/2,刀面向外侧倾斜α+ψ,刀头上翘5°。
普通车床车螺纹教程
车螺纹是车床加工中常见的操作之一,下面将详细介绍普通车床车螺纹的操作步骤。
1. 准备工作:选择合适的车刀、切削液和螺纹规格。
根据需要,选择合适的螺距和螺纹类型。
2. 将工件固定在车床的夹持装置上。
确保工件稳固,并根据需要进行适当的夹紧和支撑。
3. 调整车床的转速和进给速度。
根据工件材料和螺纹规格,选择合适的车削参数。
4. 使用车刀将工件端面削平,确保车削开始时刀具与工件的接触面积充分。
5. 将车刀切削边缘与工件端面垂直对齐。
开始车削前,注意刀具的朝向和位置。
6. 缓慢向工件表面进给车刀,保持适当的切削深度。
同时,使用适量的切削液进行冷却和润滑。
7. 轻轻地转动手轮,同时保持车刀沿着工件轮廓移动,形成螺纹的切削。
8. 控制进给速度,使车床给进床移动的距离等于螺纹螺距。
一圈结束后,及时调整车床床的位置,开始下一圈的车削。
9. 继续进行车削,直到螺纹的长度满足要求。
10. 完成车削后,停止车床的运转。
使用刷子清除工件表面的切削屑,并进行必要的修整和磨光。
11. 检查车削的螺纹是否符合规格要求,可以使用螺纹量规进行测量。
12. 若需要进行下一步工序,及时清洁工件和车床。
若不需要继续加工,可以拆卸工件,并妥善保管。
以上是普通车床车螺纹的简要步骤,希望对您有所帮助。
班级15数控(2)班授课日期2016-10-9 授课时数 1实习课题练习车削普通三角螺纹课题内容1、普通三角螺纹的车削加工方法2、车削螺纹时车床的调整方法3、螺纹量规对工件进行检验的方法。
教学目的1、清楚三角螺纹的用途,能正确选用三角形螺纹车刀并牢记装夹要点。
2、掌握三角螺纹尺寸计算方法,能按基本操作步骤对工件进行正确车削加工。
3、掌握用螺纹量规对工件进行检验的方法。
4、培养学生认真严谨的工作态度,树立安全生产意识,加强动手操作能力。
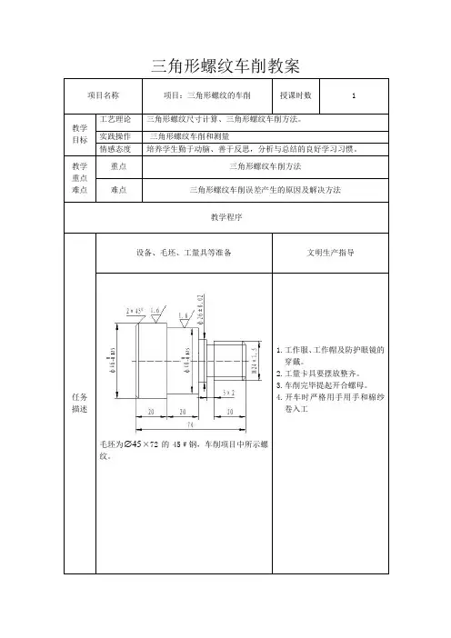
教学重点掌握正确车削三角形螺纹的方法教学难点掌握正确车削三角螺纹的方法及对工件的检验教学方法讲授法演示法练习法指导法工件图:实习前准备材料:A3钢零件若干工具:1、60°螺纹车刀、切断刀、90°45°车刀;2、对刀样板;3、钢尺;4、游标卡尺;5、零件图组织教学1、在教室点人数,检查穿戴情况,集中讲解理论知识;2、根据本班人数先定人定岗;3、示范、讲解;4、巡回指导、并总结容易产生的问题及注意事项。
讲解提要1、普通三角形螺纹车刀装夹;2、CA6136车床的调整及查车床螺纹进给量调配表。
演示内容1、普通三角形螺纹车刀装夹;2、CA6136车床的调整及查车床螺纹进给量调配表;3、空刀练习车削普通螺纹的动作。
巡回指导内容1、指导学生安生及文明生产,杜绝发生事故;2、随时纠正操作错误和失误。
结束指导1、总结车削螺纹方法取得的经验、存在的不足和实习纪律情况;2、展示优秀工件。
教学环节教学内容在教室点人数,检查穿戴情况及课前准备集中讲解理论知识(22分钟)演示、讲授讲授一、课题导入:在机械制造业中,三角形螺纹应用非常广泛,下面就找同学说一下在以往的教学和实习中你所看到的三角螺纹及用途。
在上次课中我们已经讲过车螺纹前对工件的准备,并对工件进行了加工,下面我们再来巩固一下上节课的内容。
二、授课内容:(一)、车螺纹前对工件应做的准备1、螺纹大径:螺纹大径一般应车的比基本尺寸小0.2~0.4mm(约0.1P)。
三⾓形外螺纹的车削教案设计
课题:三⾓形外螺纹的车削
姓名:黄⽴斌
单位:⼴东省佛⼭市顺德区职业技术学校
联系地址:⼴东省佛⼭市顺德区勒流镇港⼝路1号邮编:528322
三⾓形外螺纹的车削教案设计
【设计意图】:通过完任务分析,了解学⽣《机械制图》基本知识,识读零件图的能⼒、相关的⼯艺要求,在实际加⼯过程中遇到的问题,从⽽激发学⽣学习本课题的欲望。
【教师活动】:同学们今天我们来学习三⾓形外螺纹的车削,现在让我们先了解车削螺纹相关的理论知识。
1、螺纹的应⽤、分类;
{1、⽛型 2、螺纹的直径:⼤径d ,中径
导程(L)和螺距(P) 5、旋向 6、⽛型⾼度
7、注意安全事项。
【设计意图】:通过螺纹的相关知识链接学习,使学⽣了解和掌握螺纹加⼯的相关知识,为后⼀课节的实操作充分的准备。
【学⽣活动1】:车削三⾓形螺纹前准备(车螺纹⼤径、退⼑槽、倒⾓、装⼑等)拓展知识:
1、什么是车槽?
附:教学评价表。
教案首页教学过程及教学内容[课前组织]1.检查学生出勤情况,填写教学日志。
2.检查学生装束是否整齐3.讲述要求:纪律、卫生、学习方法、如何作笔记4.宣布本项目的学习任务与目的要求:任务一螺纹基础知识(1)了解螺纹的形成及其相关术语。
(2)了解螺纹的方法。
(3)掌握普通三角螺纹的尺寸计算与查表方法。
(4)掌握内外三角螺纹车刀的选择方法。
任务二三角螺纹的车削(1)掌握切断和切槽的方法。
(2)掌握切断和切槽的加工工艺。
[新课引入]导语:螺纹件是机器中常用的联接件。
通过该项目的训练,学会螺纹刀具的选择、刃磨、装夹,掌握螺纹的车削、检测方法。
[入门指导]任务一螺纹基础知识●活动一认识三角螺纹1.了解螺纹的分类螺纹按用途可分为联接螺纹和传动螺纹;按牙形可分为三角形、矩形、圆形、梯形和锯齿形;按螺旋线方向两分为右旋和左旋;按螺旋线线数可分为单线(单头)和多线(多头)螺纹;按母体形状可分为圆柱螺纹和圆锥螺纹等。
2.熟悉螺纹的术语螺纹是指在圆柱面(或圆锥面)上,沿着螺旋线所形成的,具有相同剖面的连续凸起和沟槽。
车工常用螺纹术语如图示(1)牙型角(a):在通过螺纹轴线的剖面上,相邻两牙侧间的夹角称为牙型角。
大多数螺纹的牙型角对称于轴线垂直线,即牙型半角(a/2)相等。
(2)外螺纹大径(d):亦称外螺纹顶径。
(3)外螺纹小径(d1):亦称外螺纹底径。
(4)内螺纹大径(D):亦称内螺纹底径。
(5)内螺纹小径(D1):亦称内螺纹顶径。
(6)公称直径(d、D):代表螺纹尺寸的直径。
(7)中径(d2、D2):中径是一个假想圆柱的直径,该圆柱的母线通过牙型上沟槽和凸起宽度相等的地方,外螺纹中径与内螺纹中径相等。
(8)原始三角形高度(H):是牙型两侧相交而得的尖角的高度。
(9)基本牙型:截去原始三角形顶部和底部所形成的螺纹牙型,该牙型具有螺纹的基本尺寸。
(10)牙型高度(h):在螺纹牙型上,牙顶到牙底之间,垂直于螺纹轴线的距离。
车削螺纹教案车削螺纹教案一、教学目标:1.了解螺纹的概念和基本知识。
2.学会使用车床车削螺纹。
3.了解常见的螺纹规格和车削方法。
二、教学重难点:1.螺纹的概念和基本知识。
2.车削螺纹的方法和技巧。
三、教学过程:1.螺纹的概念和基本知识通过图示和实物示范,向学生介绍螺纹的概念和基本知识,包括内螺纹和外螺纹的区别、螺纹的表示方法、常见的螺纹规格等。
2.车削螺纹的方法和技巧2.1 外螺纹的车削方法首先,向学生展示车床的操作原理和基本部件,包括主轴、滑座、刀架等;然后,向学生介绍外螺纹的车削方法,包括选择刀具、调整刀具高度和角度、设置进给速度和深度等。
2.2 内螺纹的车削方法首先,向学生介绍内螺纹的车削方法和注意事项,包括选择合适的刀具、调整刀具高度和角度、设置进给速度和深度等;然后,向学生演示内螺纹的车削步骤和技巧,包括用标尺测量螺纹孔的直径和长径、选择合适的进给速度和深度、用合适的刀具车削螺纹等。
3.实践操作让学生分成小组进行实践操作,先从简单的螺纹开始练习,逐渐增加难度,直至能够熟练地车削各种规格的螺纹。
四、教学评估:1.观察学生实践操作的过程和结果,检查其是否按照正确的方法和技巧进行;2.通过提问测试学生对螺纹概念和基本知识的理解程度;3.布置作业,要求学生自行选择材料进行螺纹车削,并将结果汇报给教师。
五、教学资源:1.车床和配套刀具;2.螺纹材料和测量工具;3.教师准备的教案和示范材料。
六、教学延伸:1.可以邀请专业技术人员来给学生讲解螺纹车削的实践应用和注意事项;2.可以组织学生参观车削螺纹的工厂或实验室,了解实际生产过程和现代化设备的使用技术。
七、教学反思:通过本节课的教学,学生能够了解螺纹的概念和基本知识,学会使用车床车削螺纹,并能够运用所学的方法和技巧进行实践操作。
同时,也培养了学生的动手能力和创新思维,并且帮助学生了解相关行业的实践应用和发展前景。
课题车削外螺纹【教学目标】1.知识目标了解外螺纹相关参数及螺纹计算掌握外螺纹刀的结构、刃磨及安装掌握外螺纹的加工2.技能目标掌握外螺纹刀的刃磨及安装掌握外螺纹的加工3.发展目标学习外螺纹的车削,为后续单件及组合件的加工打基础。
【教学重点】外螺纹的加工【教学难点】外螺纹刀的刃磨及安装【教学设想】螺纹加工是车削工艺中重要项目之一。
它包括内、外螺纹的加工,在此只介绍外螺纹的加工,对于内螺纹将作链接知识介绍。
整个项目的教学设计围绕“理论知识讲授→观看教学录相→车间操作演示→实践练习→发现问题→分析问题→解决提高”的主线展开,通过教师讲授、演示,学生讨论、练习,借助于视频、动画等多媒体手段,全方位调动学生学习的主动性、积极性,引导学生层层深入,激发其好奇心及求知欲,主动地去探究问题。
课时安排:【教学准备】图纸、螺纹刀、60º角度样板、车床、工件【教学过程】(展示螺纹图片,介绍螺纹的参数)1.螺纹参数:(可由学生自学后,老师整理讲授)1)牙型:平面图形的形状,螺纹分三角螺纹、梯形螺纹、矩形螺纹、锯齿形螺纹等,三角螺纹主要用来联接,后几种螺纹主要作用是传动。
本次课主要介绍三角螺纹的加工。
2)直径:螺纹有三个直径,分别为大径、小径、中径。
上图中M22×1.5—6g中的22代表所需加工螺纹的大径。
3)线数(n)螺旋线的数目。
螺纹可分为单线螺纹和多线螺纹,为了制造方便,螺纹的线数一般不超过4。
4)螺距(p)和导程(s)S=np(如图所示)5)旋向螺纹分左旋螺纹和右旋螺纹,在机械制造中,一般采用右旋螺纹,有特别要求时,才使用左旋螺纹。
2.螺纹刀(分发、展示三角螺纹刀,介绍其结构):(如图所示)三角形普通螺纹有前刀面、主后刀面、副后刀面,有主切削刃,副切削刃,刀尖,刀尖角应等于60°。
3.外螺纹的加工方法外螺纹常用的加工方法有开合螺母法及倒顺车法。
(在实训车间,由教师演示、讲解,学生观察)1.刃磨螺纹车刀螺纹车刀的刃磨分粗磨和精磨两步完成:1)粗磨在氧化铝粗粒度砂轮上刃磨刃磨主后刀面刃磨副后刀面刃磨前刀面磨刀尖圆弧2)精磨在氧化铝细粒度砂轮上精磨。
数控车削编程与加工技术授课教案NO:0702
课题数控车削螺纹的编程方法课型
教具螺纹轴、教学课件课时 1
教学目标掌握螺纹加工指令G92、G76的编程格式及特点。
明确内/外圆柱、圆锥螺纹在加工编程上的区别。
能合理选用数控车削加工螺纹的切削用量。
教学重点教学难点熟悉了解螺纹的相关基础知识及相关参数,为后面的螺纹实训加工做准备。
重点为三角螺纹的相关参数的掌握。
教学方法讲授、课件演示
教学过程主要教学内容
螺纹固定车削编程指令简介
一、螺纹固定循环指令G92
G92为简单螺纹循环,该指令可以切削圆柱螺纹和圆锥螺纹。
指令F为导程值。
(1)加工圆柱螺纹(直螺纹)。
指令格式:G92 X(U)_____Z(W)_____F______;
其中 X、Z ------螺纹终止点坐标值;
U、W ------螺纹终点相对循环起点的坐标增量;
F ------螺纹的导程
(2)加工圆锥螺纹
指令格式:G92 X(U)_____Z(W)_____R______F______;
其中 R --------圆锥螺纹切削起点和切削终点的半径差,其
余参数含义同直螺纹。
例:
车削一个M30x2-6G的螺纹,公称直径为30mm,大径取29.8mm,根据公式计算螺纹小径约取27.4mm.
程序语句
N01 T0202
N02 M03 S300
N03 G00 X35.0 Z5.0
N04 G92 X28.8 Z-47.0 F2
N05 X28.2
N06 X27.7
N08 X27.4
N09 G00 X100.0 Z100.0 T0200
N10 M30
用G92指令加工圆锥螺纹程序,导程为2mm,圆锥大端是底径为47mm,用G92指令加工。
程序语句
N01 T0202
N02 G97 M03 S300
N03 G00 X80.0 Z5.0
N04 G92 X49.6 Z-45.0 R-5.0 F2.0
N05 X48.7
N06 X48.1
N07 X47.5
N08 X47.0
N09 G00 X200.0 Z200.0
N10 T0200
N11 M30
二、复合螺纹切削循环指令G76
G76螺纹切削复合循环指令G92指令简捷,可节省程序设计与计算时间,只需指定一次有关参数,则螺纹加工过程自动进行。
G76螺纹切削指令的格式需要同时用两条指令来定义。
格式:G76 P(m)(r)(a)Q(△d min)R(d)
G76 X(U)____Z(W)____R(i)P(k)Q(△d)F(L) m —精车重复次数,从01~99,用两位数表示,该参数为模态量;
r —螺纹尾端倒角值,该值的大小可设置在0.0~9.9L之间,系数应为0.1的整倍数,用00~99之间的两位整数来表示,其中L 为导程,该参数为模态量;
a —刀尖角度,可从80°、60°、55°、30°、29°、0°六个角度中选择,用两位整数来表示,该参数为模态量;
m、r、a用地址P同时指定,例如,m=2,r=1.2L,a=60°,表示为P021260;
△d min —最小车削深度,用半径编程指定,单位为微米。
该参数为模态量;
d —精车余量,用半径编程指令,单位为微米,该参数为模态量;
X(U)、Z(W)—螺纹终点绝对坐标或相对坐标;
i—螺纹锥度值,用半径编程指定。
如果i=0则为直螺纹,可省略;
k —螺纹高度,用半径编程指定,单位为微米;
△d —第一次车削深度,用半径编程指定,单位为微米;
L —螺纹的导程。
例:用G76指令加工零件轴上的一段直螺纹,螺纹高度为3.68mm,螺距为6mm,螺纹尾端倒角为1.0L,刀尖角为60°,第一次车削深度1.8mm,最小车削深度0.1mm。
程序语句
…
N15 G00 X80 Z130
N16 G76 P011060 Q100 R200
N18 G76 X60.64 Z25.0 P3680 Q1800 F6
…。