第1章 二次电气图的基本知识
- 格式:ppt
- 大小:7.38 MB
- 文档页数:61
P3 第一章电工基础知识本章介绍电工理论基本知识,这些知识是学习电气专业知识所必需的基础。
主要内容包括:直流电路及基本物理量,磁场及电磁感应、正弦交流电路、三相正弦交流电路。
第一节直流电路及基本物理量一、直流电路电路是由电气设备和电器元件按一定方式组成的,它为电流的流通提供了路径。
根据电路中电流的性质不同,电路可分为直流电路和交流电路。
电路中,电流的大小及方向都不随时间变化的电路,称为直流电路;电流的大小及方向随时间变化的电路,称为交流电路。
电路的种类很多,不论结构简单还是复杂,电路都包含以下三个基本组成部分。
1. 电源电路中,供给电路能源的装置称为电源,如蓄电池、发电机等.电源可以将非电能转换成电能。
2。
负载电路中,使用电能的设备或元器件称为负载,也叫负荷,如电灯泡、电炉等。
负载可以将电能转换为光能、热能等其他形式的能量。
3。
中间环节电路中连接电源和负载的部分称为中间环节,最简单的中间环节是开关和导线。
导线也叫电线,是电源与负载之间的连接线,它把电流由电源引出来,通过负载再送回电源,构成电流的完整回路.图1—1就是一个简单电路的示意图。
电路由外电路和内电路两部分组成。
外电路:图1-1中,由电源引出端1经导线、负载、仪表等环节,至返回端2的电路叫外电路。
内电路:电源本身电流的通路为内电路。
在图1-1中,指电源引出端1和2间,由发电机组成的电路。
电流在外电路被认为是从电源的正极流向负极,而在电源内部则相反,是由电源负极流向正极.在电源和外电路形成闭合回路后,电流才能产生。
如果电路断开,如图12所示,导线1点和2点间断开了,电流就不能流通了,此时称电路为断路或开路状态。
二、电流金属导体内的自由电子或电解液内的正负离子,通常都处在不规则的运动状态,因此在任一瞬间通过导体任一截面的电量能相互抵消,即导体内没有电流流过。
当导体内的自由电子受到电场力的作用后,电子就以一定方向移动。
在这种情况下,导体的任何截面(在任一瞬间),将有一定的电量通过,也就是说导体内有电流流动。
第章电气图基本知识与图形、文字符号-V1
电气图是电气工程中必不可少的图形表达方式。
在电气图中,电气符号的正确使用是十分重要的。
在接下来的内容中,我将为大家介绍电气图的基本知识和常用的图形、文字符号。
一、电路图
电路图是指用电气符号表示电路元件,代表各种电路的图。
根据电路图的表示要求可分为:
1、研究电路特性和工作原理的具体电路图,包括电源电路、放大器电路、振荡器电路、滤波器电路等;
2、工作图,包括开关控制电路、定时器电路等;
3、接线图,描述某一设备内部各部件之间的连线情况。
二、电气图形符号
在图形符号的表示中,大部分符号的具体形状已经非常固定。
在电气图中,通常采用以下符号:
1、电压源符号
2、电流源符号
3、电阻符号
4、电感符号
5、电容符号
6、晶体管符号
7、二极管符号
8、开关符号
9、变压器符号
10、电源符号
11、电表符号
三、电气图文字符号
在电气图的表示中,文字符号也是十分重要的。
以下为常见的电气图文字符号:
1、R:电阻,单位是欧姆(Ω);
2、C:电容,单位是法拉(F);
3、L:电感,单位是亨利(H);
4、V:电压,单位是伏特(V);
5、I:电流,单位是安培(A)。
四、小结
以上是电气图的基本知识和常用的图形、文字符号。
在电气工程领域,电气图是一项极其重要的工作。
正确的电气符号使用,对于保证电路
的正常运行和故障排除都十分重要。
为了更好地理解和运用电气图,
我们需要继续学习和掌握相关的电气知识和理论。
第一章电气图基本知识第一节图纸一、图纸幅面与格式1.图纸图纸是工程技术界的共同语言。
设计部门用图纸表达设计思想;施工部门用图纸编制施工计划、准备材料、组织施工;生产部门用图纸指导加工与制造;使用部门用图纸指导使用、维护和管理等。
当今社会如果一个人缺乏一定的读图能力和一些必要的绘图能力,那就会成为“图盲”,很难从事工程技术方面的任何工作。
图纸的种类很多,我们常见的工程图主要有三大类,即机械图、建筑图和电气图。
每类图纸都有各自的特点,各自的表达形式和表示方法。
但也有许多基本的规定和格式是各种图纸都应共同遵守的,如图纸的幅面、图标,图线等。
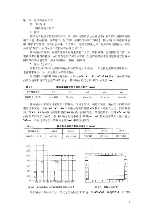
2.幅面尺寸及代号绘制工程图样时所用的图纸幅面按标准规定分为两类:一类是优先采用的图纸幅面,也称基本幅面;另一类是加长后的图纸幅面。
电气图纸采用的基本幅面有五种,分别用AO、A1、A2、A3和A4表示。
各种图纸幅面的短边和长边均分别用B和L表示。
基本幅面的代号和相应尺寸见表1—1。
基本幅面不够用时可采用加长的幅面。
为便于晒图、装订和保管,幅面加长的图纸应遵守以下规定:①对A0、A2、A4三种幅面的加长量按AO幅面长边的八分之一的倍数增加,对A1、A3两种幅面的加长量按A0幅面短边的四分之一的倍数增加;②对AO、A1幅面也允许同时加长两边,但A0幅面短边不超过1051mm,A1幅面短边的加长量不超过743mm,长短边同时加长的幅面见图1—1中的虚线部分。
加长幅面不再另给代号,其尺寸仍为短边X长边,如420~743,105]X1338。
在ISO标准中,为了使用方便,对某些加长图纸也给出幅面代号,其幅面代号和相应尺寸见表1—2。
3.图纸幅面的选择在保证幅面布局紧凑、清晰和使用方便的前提下,图纸幅面的选择还应考虑:①所设计对象的规模和复杂程度;②由简图种类所确定的资料的详细程度;⑧尽量选用较小幅面;4.图纸幅面的分区为了便于确定图上的内容、补充、更改及组成部分等的位置,可以在各种幅面的图纸上分区,如图1—2所示。
电气图纸制图规范及电气图纸的识读方法电气图纸制图规范及电气图纸的识读方法(一)前言:本文来自于多个单位的电气工程技术人员,现场施工人员等与三峡十年的信息交流,意见反馈等方式取得的大量电气图第一手信息资料,以供大家在现实生活中参考学习!本文共分为十九个章节,分三篇。
第一篇共计九个章节介绍。
一、电气图定义:用电气图形符号、带注释的围框或简化外形表示电气系统或设备中组成部分之间相互关系及其连接关系的一种图。
广义地说表明两个或两个以上变量之间关系的曲线,用以说明系统、成套装置或设备中各组成部分的相互关系或连接关系,或者用以提供工作参数的表格、文字等,也属于电气图之列。
二、电气图分类:1、系统图或框图:用符号或带注释的框,概略表示系统或分系统的基本组成、相互关系及其主要特征的一种简图。
2、电路图:用图形符号并按工作顺序排列,详细表示电路、设备或成套装置的全部组成和连接关系,而不考虑其实际位置的一种简图。
目的是便于详细理解作用原理、分析和计算电路特性。
3、功能图:表示理论的或理想的电路而不涉及实现方法的一种图,其用途是提供绘制电路图或其他有关图的依据。
4、逻辑图:主要用二进制逻辑(与、或、异或等)单元图形符号绘制的一种简图,其中只表示功能而不涉及实现方法的逻辑图叫纯逻辑图。
5、功能表图:表示控制系统的作用和状态的一种图。
6、等效电路图:表示理论的或理想的元件(如R、L、C)及其连接关系的一种功能图。
7、程序图:详细表示程序单元和程序片及其互连关系的一种简图。
8、设备元件表:把成套装置、设备和装置中各组成部分和相应数据列成的表格其用途表示各组成部分的名称、型号、规格和数量等。
9、端子功能图:表示功能单元全部外接端子,并用功能图、表图或文字表示其内部功能的一种简图。
10、接线图或接线表:表示成套装置、设备或装置的连接关系,用以进行接线和检查的一种简图或表格。
⑴单元接线图或单元接线表:表示成套装置或设备中一个结构单元内的连接关系的一种接线图或接线表。
基本二次回路第一节电流与电压回路一 电流回路以一组保护用电流回路(图2.1)为例,结合上一章的编号,A 相第一个绕组头端与尾端编号1A1,1A2,如果是第二个绕组则用2A1,2A2,其他同理。
二、电压回路母线电压回路的星形接线采用单相二次额定电压57V 的绕组,星形接线也叫做中性点接地电压接线。
以变变电站高压侧母线电压接线为例,如图2.2(1)为了保证PT 二次回路在莫端发生短路时也能迅速将故障切除,采用了快速动作自动开关ZK 替代保险。
(2)采用了PT 刀闸辅助接点G 来切换电压。
当PT 停用时G 打开,自动断开电压回路,防止PT 停用时由二次侧向一次侧反馈电压造成人身和设备事故,N600不经过ZK 和G 切换,是为了N600有永久接地点,防止PT 运行时因为ZK 或者G 接触不良, PT 二次侧失去接地点。
端子箱端子排图2.1图2.2(3)1JB是击穿保险,击穿保险实际上是一个放电间隙,正常时不放电,当加在其上的电压超过一定数值后,放电间隙被击穿而接地,起到保护接地的作用,这样万一中性点接地不良,高电压侵入二次回路也有保护接地点。
(4)传统回路中,为了防止在三相断线时断线闭锁装置因为无电源拒绝动作,必须在其中一相上并联一个电容器C,在三相断线时候电容器放电,供给断线装置一个不对称的电源。
(5)因母线PT是接在同一母线上所有元件公用的,为了减少电缆联系,设计了电压小母线1YMa,1YMb,1YMc,YMN(前面数值“1”代表I母PT。
)PT的中性点接地JD选在主控制室小母线引入处。
(6)在220KV变电站,PT二次电压回路并不是直接由刀闸辅助接点G来切换,而是由G去启动一个中间继电器,通过这个中间继电器的常开接点来同时切换三相电压,该中间继电器起重动作用,装设在主控制室的辅助继电器屏上。
对于双57V绕组的PT,另一组用于表计计度,接线方式与上面完全一致,公用一个击穿保险1JB,只是编号略有不同,可以参见上一章的讲解。
第一章继电保护工作基本知识第一节电流互感器电流互感器(CT)是电力系统中很重要的电力元件,作用是将一次高压侧的大电流通过交变磁通转变为二次电流供给保护、测量、录波、计度等使用,本局所用电流互感器二次额定电流均为5A,也就是铭牌上标注为100/5,200/5等,表示一次侧如果有100A或者200A 电流,转换到二次侧电流就是5A。
电流互感器在二次侧必须有一点接地,目的是防止两侧绕组的绝缘击穿后一次高电压引入二次回路造成设备与人身伤害。
同时,电流互感器也只能有一点接地,如果有两点接地,电网之间可能存在的潜电流会引起保护等设备的不正确动作。
如图1.1,由于潜电流I X的存在,所以流入保护装置的电流I Y≠I,当取消多点接地后I X=0,则I Y=I。
在一般的电流回路中都是选择在该电流回路所在的端子箱接地。
但是,如果差动回路的各个比较电流都在各自的端子箱接地,有可能由于地网的分流从而影响保护的工作。
所以对于差动保护,规定所有电流回路都在差动保护屏一点接地。
图1.1电流互感器实验1、极性实验功率方向保护及距离保护,高频方向保护等装置对电流方向有严格要求,所以CT必2、变比实验须做极性试验,以保证二次回路能以CT的减极性方式接线,从而一次电流与二次电流的方向能够一致,规定电流的方向以母线流向线路为正方向,在CT本体上标注有L1、L2,接线盒桩头标注有K1、K2,试验时通过反复开断的直流电流从L1到L2,用直流毫安表检查二次电流是否从K1流向K2。
线路CT本体的L1端一般安装在母线侧,母联和分段间隔的CT本体的L1端一般都安装在I母或者分段的I段侧。
接线时要检查L1安装的方向,如果不是按照上面一般情况下安装,二次回路就要按交换头尾的方式接线。
CT需要将一次侧电流按线性比例转变到二次侧,所以必须做变比试验,试验时的标准CT是一穿心CT,其变比为(600/N)/5,N为升流器穿心次数,如果穿一次,为600/5。
对于二次是多绕组的CT,有时测得的二次电流误差较大,是因为其他二次回路开路,是CT 磁通饱和,大部分一次电流转化为励磁涌流,此时应当把其他未测的二次绕组短接即可。
电气设计基础知识大全《电气设计基础知识大全》导言:电气设计是现代工程中不可或缺的一部分,涉及到许多重要的概念和原则。
本篇文章将为读者提供一份全面的电气设计基础知识大全,帮助读者了解电气设计的基本原理和流程。
第一章:电流与电压1. 电流的定义和单位2. 电压的定义和单位3. 电阻与电流关系4. 电阻与电压关系5. 电流与电压的功率关系第二章:电路基础1. 电路的定义和分类2. 串联电路和并联电路3. 电路中的电阻、电感和电容4. 交流电路和直流电路5. 电路中的欧姆定律和基尔霍夫定律第三章:电气元件1. 电阻器的种类和应用2. 电容器的种类和应用3. 电感器的种类和应用4. 整流器和稳压器的原理和应用5. 开关和继电器的原理和应用第四章:电气安全1. 电气安全规范和标准2. 电击和触电事故的预防措施3. 地线和保护接地的原理和作用4. 绝缘和防护措施的重要性5. 现场检测和测试设备的使用第五章:电气图纸和符号1. 电气图纸的类型和常用符号2. 线路图和布线图的绘制方法3. 电路图和原理图的说明与解读4. 控制电路图和接线图的设计方法5. 常见电气故障和故障排除的图纸分析第六章:电气系统设计1. 功率和能量的计算与分配2. 变压器和输电系统的设计与选型3. 配电系统和配电盘的设计原理4. 照明系统和照明设计的考虑因素5. 防雷和接地系统的设计与布置结语:本篇文章从电流与电压的基本概念开始,逐渐展开了关于电气设计的基础知识大全。
电路基础、电气元件、电气安全、电气图纸和符号以及电气系统设计都是电气工程师必备的基本知识。
读者在阅读完本篇文章之后,应该对电气设计的基本原理和流程有了更深入的了解。
希望本篇文章能够对电气工程师的学习和实践有所帮助。
目录第一章电气图的基本知识第一节电气图的分类第二节电气图的主要特点第三节电气制图与电气图形符号国家标准第四节电气识图的基本要求和基本步骤第二章常用电气图形符号第一节电路图常用文字符号第二节常用电气图用图形符号第三节常用电气设备用图形符号第三章电气图和连接线的表示方法第一节电路的多线表示法和单线表示法第二节电气元件的集中表示法和分开表示法第三节元件接线端子的表示方法第四节连接线的一般表示方法第五节导线的识别标记及其标注第六节接线文件第四章电气制图与识图第一节电力输配电系统第二节电气主接线第三节电气控制线路图第五章* CAD第一章电气图的基本知识电气图的制图者必须遵守制图的规则和表示方法,读图者掌握了这些规则和表示方法,就能读懂制图者所表达的意思,所以不管是制图者还是读图者都应当掌握电气线路图的制图规则和表示方法。
第一节电气图的分类电气图是电气工程中各部门进行沟通、交流信息的载体,由于电气图所表达的对象不同,提供信息的类型及表达方式也不同,这样就使电气图具有多样性。
同一套电气设备,可以有不同类型的电气图,以适应不同使用对象的要求。
对于供配电设备来说,主要电气图是指一次回路和二次回路的电路图。
但要表示清楚一项电气工程或一种电气设备的功能、用途、工作原理、安装和使用方法等,光有这两种图是不够的。
例如,表示系统的规模、整体方案、组成情况、主要特性,用概略图;表示系统的工作原理、工作流程和分析电路特性,需用电路图;表示元件之间的关系、连接方式和特点,需用接线图。
在数字电路中,由于各种数字集成电路的应用,使电路能实现逻辑功能,因此就有反映集成电路逻辑功能的逻辑图。
根据各电气图所表示的电气设备、工程内容及表达形式的不同,电气图通常可分为以下几类:一、系统图或框图系统图或框图(也称概略图)就是用符号或带注释的框概略表示系统或分系统的基本组成、相互关系及其主要特征的一种简图。
它通常是某一系统、某一装置或某一成套设计图中的第一张图样。