关于楼梯踏步板配筋怎么计算方法
- 格式:doc
- 大小:57.50 KB
- 文档页数:6
bt型楼梯钢筋计算BT型楼梯的钢筋计算主要包括楼梯踏步和楼梯扶手两部分。
1. 楼梯踏步的钢筋计算:楼梯踏步通常需要两层钢筋,即上层钢筋和下层钢筋。
a) 上层钢筋计算:- 根据楼梯踏步的长度和宽度,确定每条躯干梁中的数量。
- 根据楼梯的高度和每层楼梯踏步的高度,计算躯干梁的长度。
- 根据楼梯的长度和宽度,确定梁上的水平梁数量。
- 根据楼梯的高度和每层楼梯踏步的高度,计算水平梁的长度。
- 根据上述计算结果,确定每个水平梁的钢筋支撑数量和长度。
- 根据楼梯的宽度和每条楼梯踏步的宽度,计算每个钢筋支撑的长度和数量。
b) 下层钢筋计算:- 根据楼梯的高度和每层楼梯踏步的高度,计算下层踏步的高度。
- 根据下层踏步的高度和躯干梁的高度,计算下层躯干梁的高度。
- 根据楼梯的长度和宽度,确定下层躯干梁的数量。
- 根据楼梯的高度和每层楼梯踏步的高度,计算下层躯干梁的长度。
- 根据下述计算结果,确定每个躯干梁的钢筋支撑数量和长度。
- 根据楼梯的宽度和每条楼梯踏步的宽度,计算每个钢筋支撑的长度和数量。
2. 楼梯扶手的钢筋计算:楼梯扶手通常需要两层钢筋,即上层钢筋和下层钢筋。
a) 上层钢筋计算:- 根据楼梯的高度和每层楼梯踏步的高度,计算上层扶手的高度。
- 根据上层扶手的高度和躯干梁的高度,计算上层躯干梁的高度。
- 根据楼梯的长度,确定上层躯干梁的数量。
- 根据楼梯的高度和每层楼梯踏步的高度,计算上层躯干梁的长度。
- 根据上层躯干梁的长度和数量,确定每个躯干梁的钢筋支撑的长度和数量。
b) 下层钢筋计算:- 根据楼梯的高度和每层楼梯踏步的高度,计算下层扶手的高度。
- 根据下层扶手的高度和躯干梁的高度,计算下层躯干梁的高度。
- 根据楼梯的长度,确定下层躯干梁的数量。
- 根据楼梯的高度和每层楼梯踏步的高度,计算下层躯干梁的长度。
- 根据下层躯干梁的长度和数量,确定每个躯干梁的钢筋支撑的长度和数量。
以上是BT型楼梯钢筋计算的简单步骤,具体的计算需要根据具体建筑工程的要求和设计规范进行调整和计算。
起步距离为50 包步距离为S煌毎个賂步一根分布筋文用负筋_r K度•-」I —尸高端支座负筋-梯板顶筋根数支座负筋的分布叭刁根数I---------------- *■ r起步距离为50「起步航离为列2楼梯钢筋楼梯要计算哪些钢筋量在实际工程中楼梯有很多种,这里只讲最简单的AT型楼梯,AT型楼梯要计算的钢筋量如图 1.6.1所示: 楼梯要计算的钢筋量受力筋------ 根数长度受力筋的分布筋1g紳----------------------- ----------低端支庫负筋每个踏步一根分布筋图1.6.1楼梯钢筋的计算原理楼梯的休息平台和楼梯梁可参考板和梁的算法。
这里只讲解楼梯斜跑的算法。
(一)、梯板底筋1、受力筋(1)、长度计算AT型楼梯第斜跑受力筋长度按图162〜4进行计算非光圆筋无弯勾(其它同)bs L低端梯粱,严,梯板投影净跨Ln (踏步段水平净KLns=bg Xu)bAT楼梯梯板受力筋长度计算图图162〜4 第一跑与底板或基础连接第一跑与楼梯地梁连接根据图162〜4我们推到出受力筋的长度计算公式如表 1.6.1思考与练习1、请用手工计算一号写字楼一层楼梯斜跑的底部受力筋长度。
(2)、根数计算楼梯受力筋根数根据图 1.6.5进行计算受力筋楼梯斜跑梯板受力筋根数计算图图1.6.5根据图165可以推导出楼梯斜跑梯板受力筋根数计算如表16 21、请用手工计算一号写字楼一层楼梯斜跑的底部受力筋根数。
2、受力筋的分布筋(1)、长度计算楼梯斜跑梯板分布筋长度根据图166进行计算梁边线受力筋分布筋踏步边线梯板投影净长山梯板受力筋的分布筋长度计算图图1.6.6根据图1.6.6我们推导出楼梯斜跑梯板底受力筋的分布筋长度计算如表 1.6.3表1.6.3:梯板底受力筋的分布筋长度计算表1、请用手工计算一号写字楼一层楼梯斜跑的底部分布筋的长度。
(2)、根数计算梯板分布筋根数根据图167进行计算。
楼梯梯梁配筋计算楼梯梯梁是楼梯和楼板之间连接的结构,承受楼梯的重量和楼板的荷载。
为了确保楼梯梯梁的强度和稳定性,需要进行配筋计算。
配筋计算包括梁的几何参数计算和配筋面积计算两个部分。
1.梁的几何参数计算楼梯梯梁的几何参数包括梁的宽度、高度和长度。
宽度和长度可以根据建筑设计要求确定。
高度取决于楼梯的踏步高度和楼板的厚度。
首先,根据楼梯设计要求计算出楼梯的踏步高度,即楼梯的垂直高度与楼梯的台阶数之比。
然后,根据建筑设计要求确定楼板的厚度。
梯梁的高度等于楼梯踏步高度加上楼板的厚度。
梁的宽度等于楼梯的宽度加上两侧楼板的厚度乘以2,再加上楼梯的开间乘以22.配筋面积计算梁的配筋面积需要根据结构设计要求和混凝土的强度等级进行计算。
一般情况下,梯梁的配筋面积可以按照受拉筋和受压筋进行计算。
受拉筋一般位于梁的底部,承受楼梯上行荷载的拉力。
受拉筋的数量、直径和间距可以根据受拉筋的截面积和抗拉强度来确定。
一般情况下,受拉筋的直径为12mm,间距为150-200mm。
受压筋一般位于梁的顶部,承受楼板荷载的压力。
受压筋的数量、直径和间距可以根据受压筋的截面积和抗压强度来确定。
一般情况下,受压筋的直径为12mm,间距为200-300mm。
为了确保梁的强度和稳定性,受拉筋和受压筋的截面积应满足以下要求:-受拉筋的截面积不得小于受拉强度除以混凝土的抗拉强度乘以梁的宽度和高度。
-受压筋的截面积不得小于受压强度除以混凝土的抗压强度乘以梁的宽度和高度。
根据楼梯梯梁的几何参数和配筋面积计算结果,可以确定楼梯梯梁的尺寸和配筋方案。
在实际施工中,还需要根据具体情况进行工程验算和调整,并遵守相关设计规范和标准。
AT型楼梯板配筋构造计算AT型楼梯的适用条件AT型楼梯的适用条件为:两梯梁之间的矩形梯板全部由踏步段构成,即踏步段两端均以梯梁为支座,凡是满足该条件的楼梯均可为灯型,如:双跑型梯(二个梯段中间加一楼梯休息中间平台)、双分平行型楼梯(一分二平行上楼)和剪刀型楼梯(一分二双向上楼)等,双端均支撑在梯梁上。
AT型楼梯平面注写方式集中注写的内容有5项:第1项为梯板类型代号与序号ATxx;第2项为梯板厚度h;第3项为路步段总高度Hs/踏步级数(m+l),m为踏步数;第4项为上部纵筋及下部纵筋;第5项为梯板分布筋,梯板的分布钢筋可直接标注,也可统一说明。
如:ATl,h=120,1800/12,三级筋10(5)200;三级筋12@150分布筋一级8@250AT型楼梯板配筋构造上部纵筋锚固长度≥0∙35Iab(≥0.6lab),用于设计按较接的情况,括号内数据0∙6Iab用于设计考虑充分发挥钢筋抗拉强度的情况,具体工程中设计应指明采用何种情况。
上部纵筋需伸至支座对边再向下弯折15d o3,上部纵筋有条件时可直接伸入平台板内锚固,从支座内边算起总的锚固长度要不小于Ia方可,否则仍按伸入支座梁外侧角筋内缘计算。
地面标高为未做面层时的地面标高下部纵筋锚入梯梁≥5d且至少至支座中线钢筋混凝土基础或底板。
AT型楼梯的钢筋计算梯梁TLl宽200mm,AT3,h=120,1800/12,三级筋10@200;三级筋12@150,分布筋一级8@250斜长系数k=SQRt(bs人2+hs八2)/bs斜长L=bs*kbs=280,hs=150,k=1.134梯板下部纵筋三级12:大于5d=5*12=60mm,梯梁宽200mm,至少至梁中线,换算成斜长3080*1.134+2max(5d,100*1.134)=3720mm计算根数:1600-2*15=1570,1570/150+1=11根单位重量:3.279kg/m总重(kg):3.72*11*3.279=134.177kg下梯梁端上部纵筋三级筋10圆,120-15*2=90;15d=15*10=150 (3080/4+200-20)*1.134+90+150=1318mm计算根数:1600-2*15=1570,1570/200+1=9Ig下梯端部上部分布钢筋一级8圆:(同上梯端部上部分布筋一级8圆) 长度:1600-2*15=15701570+12.5*d=1670mm根数:上部分布筋从弯钩一侧起不扣50mm起算距,只在梯梁一侧扣50mm起算距(3080/4*1.134-50)/250=4根梯段底部分布钢筋一级8圆:长度:1600-2*15=15701570+12.5*d=1670mm根数:(3080*1.134-2*50)/250+1=25根上梯梁端上部纵筋三级筋10圆120-15*2=90;15d=15*10=150 (3080/4+200-20)*1.134+90+150=1318mm计算根数:1600-2*15=1570,1570/200+1=9Ig。
楼梯钢筋用量计算公式嘿,咱今儿就来聊聊楼梯钢筋用量的计算公式这档子事儿。
说起楼梯,那可是咱们生活中常见的建筑结构,不管是家里的小复式,还是学校、商场的大楼梯,都少不了钢筋的支撑。
那要算出楼梯钢筋得用多少量,这可得有点小窍门。
先来说说纵向受力钢筋,它就像楼梯的“脊梁骨”,撑起了整个结构。
计算公式大概是这样:As = M / (fy × ζ × h0) 。
这里的 M 是弯矩设计值,fy 是钢筋的抗拉强度设计值,ζ 是相对受压区高度,h0 是截面有效高度。
给您说个我之前遇到的事儿,有一次去一个新小区,看到工人们正在修建楼梯。
我好奇地凑过去,跟一个老师傅攀谈起来。
老师傅拿着图纸,一边比划一边跟我讲:“你看这楼梯,要是钢筋用量算不对,那可就麻烦大了!”他指着一处说:“就像这里,如果钢筋少了,承受不住重量,以后可容易出问题。
”咱们再讲讲分布钢筋。
分布钢筋主要是用来抵抗混凝土收缩和温度变化产生的裂缝。
它的用量计算公式相对简单一些,一般是根据构造要求和经验来确定的。
比如说,间距不能太大,要保证混凝土能被有效地约束。
就拿我曾经参观的一个学校建设工地来说,当时负责的工程师特别强调了分布钢筋的重要性。
他说:“可别小看这分布钢筋,少了它,楼梯表面容易开裂,影响美观不说,还可能影响使用寿命。
”计算楼梯钢筋用量的时候,还有一些细节得特别注意。
比如说,要考虑楼梯的坡度、踏步的尺寸、楼梯的跨度等等。
这些因素都会影响到钢筋的受力情况,从而影响用量的计算。
有一回,我在一个建筑设计公司,看到设计师们对着电脑上的楼梯模型,反复计算和修改钢筋用量。
他们眉头紧锁,专注的神情仿佛在雕琢一件珍贵的艺术品。
总之,楼梯钢筋用量的计算可不是一件简单的事儿,需要综合考虑各种因素,运用正确的公式和方法,才能确保楼梯的安全和稳定。
这就好比我们做任何事情,都得认真仔细,考虑周全,才能把事情做好,您说是不是这个理儿?希望我今天讲的这些能对您有所帮助,让您在面对楼梯钢筋用量计算的时候心里更有底!。
.楼梯钢筋楼梯要计算哪些钢筋量在实际工程中楼梯有很多种,这里只讲最简单的AT型楼梯,AT型楼梯要计算的钢筋量如下图:图楼梯钢筋的计算原理楼梯的休息平台和楼梯梁可参考板和梁的算法。
这里只讲解楼梯斜跑的算法。
1 / 13〔一〕、梯板底筋1、受力筋〔1〕、长度计算AT型楼梯第一斜跑受力筋长度按图~4进展计算图~42 / 13根据图表:AT楼梯第一跑梯板底受力筋长度计算表梯板底受力筋长度=梯板投影净长×斜度系数+伸入左端支座长度+伸入右端支座长度+弯勾×2〔弯勾只光圆筋有〕梯板投影净长斜度系数伸入左端支座长度伸入右端支座长度弯勾Ln k=max〔5d,h〕max〔5d,h〕 6.25d 梯板底受力筋长度=Ln×k+max〔5d,h〕×2+6.25d×2〔弯勾只光圆筋有〕思考与练习1、请用手工计算一号写字楼一层楼梯斜跑的底部受力筋长度。
〔2〕、根数计算楼梯受力筋根数根据图进展计算图根据图表:楼梯斜跑梯板受力筋根数计算表3 / 13梯板受力筋根数=〔梯板净宽-保护层×2〕/受力筋间距+1梯板净宽保护层受力筋间距Kn C S梯板受力筋根数=〔Kn-2C〕/S+1(取整)思考与练习1、请用手工计算一号写字楼一层楼梯斜跑的底部受力筋根数。
2、受力筋的分布筋〔1〕、长度计算楼梯斜跑梯板分布筋长度根据图进展计算图根据图表:梯板底受力筋的分布筋长度计算表分布筋长度=梯板净宽-保护层×2+弯勾×24 / 13梯板净宽保护层弯勾Kn C 6.25d分布筋长度=Kn-2C+6.25d×2思考与练习1、请用手工计算一号写字楼一层楼梯斜跑的底局部布筋的长度。
〔2〕、根数计算梯板分布筋根数根据图进展计算5 / 13图根据图思考与练习1、请用手工计算一号写字楼一层楼梯斜跑的底局部布筋的根数。
〔二〕、梯板顶筋1、支座负筋〔1〕、长度计算楼梯支座负筋长度根据图~10进展计算6 / 13图~107 / 13根据图8 / 131、请用手工计算一号写字楼一层楼梯斜跑的支座负筋的长度〔2〕、根数计算楼梯支座负筋根数根据图进展计算9 / 13图根据图表:楼梯斜跑梯板支座负筋根数计算表梯板受力筋根数=〔梯板净宽-保护层×2〕/受力筋间距+1梯板净宽保护层受力筋间距Kn C S梯板受力筋根数=〔Kn-2C〕/S+1(取整)思考与练习1、请用手工计算一号写字楼一层楼梯斜跑的支座负筋的根数1、支座负筋的分布筋〔1〕、长度计算楼梯斜跑梯板分布筋长度根据图进展计算10 / 13图根据图表:楼梯斜跑梯板分布筋长度计算表分布筋长度=梯板净宽-保护层×2+弯勾×2梯板净宽保护层弯勾Kn C 6.25d分布筋长度=Kn-2C+6.25d×21、请用手工计算一号写字楼一层楼梯斜跑的支座负筋分布筋的长度〔2〕、根数计算梯板分布筋根数根据图进展计算11 / 13图根据图表:楼梯斜跑梯板支座负筋的分布筋根数计算表12 / 1313 / 13。
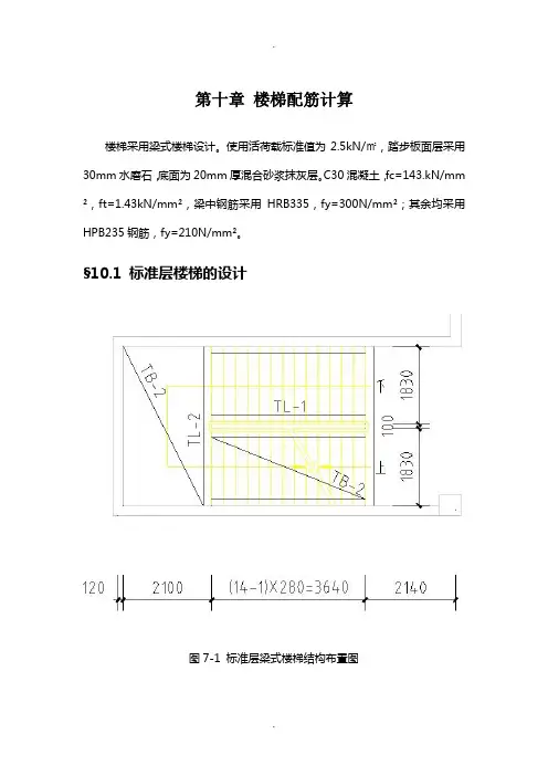
第十章楼梯配筋计算楼梯采用梁式楼梯设计。
使用活荷载标准值为2.5kN/㎡,踏步板面层采用30mm水磨石,底面为20mm厚混合砂浆抹灰层。
C30混凝土,fc=143.kN/mm ²,ft=1.43kN/mm²,梁中钢筋采用HRB335,fy=300N/mm²;其余均采用HPB235钢筋,fy=210N/mm²。
§10.1 标准层楼梯的设计图7-1 标准层梁式楼梯结构布置图§10.1.1 踏步板(TB-1)计算<1>、荷载计算踏步尺寸240mm ×150mm ,斜板厚度取t=40mm ,848.0)240()150(240cos 22=+=mm mm mm ϕ,则截面平均高度为mm mm mm h 120848.0402150=+=。
恒荷载:踏步板自重: 1.2×0.12m ×0.24m ×25kN/m ³=0.864kN/m 踏步面层重: 1.2×(0.24m+0.15m )×0.65kN/㎡=0.304kN/m 踏步抹灰重: 1.2×0.309m ×0.02m ×17kN/m ³=0.13kN/m g=1.29kN/m 使用活荷载: q=1.3×2.5kN/㎡×0.24m=0.84kN/m 总计: g+q=2.13kN/m<2>、内力计算斜梁截面尺寸选用b ×h=150mm ×300mm ,则踏步板计算跨度为:m b l 875.115.0-025.2l n 0==+=踏步板跨中弯矩:m kN m m kN l q g M ⋅=⨯⨯=+=936.0)875.1(/13.281)(81220 <3>、截面承载力计算踏步板计算截面尺寸:b ×h=240mm ×120mmmm mm mm a h h s 100201200=-=-=027.0/3.141002400.110936.02226201=⨯⨯⨯⋅⨯==mm N mm mm mm N f bh M c s αα 028.0211=--=s αξ ∴2221085.50/210/3.140.1100240028.0mm mmN mm N mm mm f f bh A y c s =⨯⨯⨯⨯==αξ 2min 2.43120240%15.0mm mm mm bh =⨯⨯=<ρ故踏步板应按构造配筋,每踏步采用)101(822mm A s =Φ,取踏步内斜板分布钢筋300@8Φ。
2.10楼梯配筋计算2.10.1梯段板设计混凝土等级:C30, 214.3/cf N mm =,踏步300150b h ⨯=⨯mm ,平台板厚120mm ,cos α=0.894。
取1m 宽板带计算。
1、荷载计算:梯段板的施工材料自重荷载计算于表2.27。
表2.27梯段板的荷载荷载荷载标准值 (kN/m )恒载水磨石面层0.650.150.30/0.300.953⨯+=() 踏步 0.5360.270.1725/0.30 2.05⨯⨯⨯=梯段板 0.1225/0.894 3.36⨯= 板底抹灰 0.0217/0.8940.347⨯=栏杆自重 0.2 小计 6.91 活载3.5总荷载m kN P /18.135.34.191.62.1=⨯+⨯=2、截面设计:板水平计算跨度n l =3.6-0.1=3.5m ,弯矩设计 M=1/10p n l 2=m kN ⋅=⨯⨯15.165.318.131.02 该楼板的有效高度0h =150-20=130mm 。
22.01303003.140.11015.1626201=⨯⨯⨯⨯==bh f M c s αα ()87.02115.0=-+⨯=s s αγ2min 2107.13715030000306.042.4542703.140.113030022.0m m bh m m f f bh A ycs =⨯⨯=>=⨯⨯⨯⨯==ραζ,选ф10@120,s A =654mm 2分布筋每级踏步1根φ8。
2.10.2平台板的设计1、荷载计算表2.28平台板的荷载荷载荷载标准值 (kN/m )恒载水磨石面层 0.65120厚平台板 0.12253⨯= 板底抹灰 0.02×17=0.34小计3.99 活载2.5则总荷载设计值m kN P /68.105.24.199.38.1=⨯+⨯=平台板的计算跨度0l =1.8-0.20/2=1.7m ,弯矩设计值M=1/10p 0l 2=0.1×10.68×1.72=3.087kN m ⋅ 板的有效高度0h =120-20=100mm 。
板式楼梯配筋计算书说明:xxxxxxxxx中学现浇板式楼梯,楼梯平面布置图如下:层高3.600米踏步尺寸150mmx300mm。
采用混凝土强度等级C25,钢筋为Ⅰ级。
楼梯上均布活荷载标准值q=3.5KN/m2.(1)楼梯板计算板倾斜度tgα=150/300=0.5 cosα=0.894设板厚h=130mm,约为板斜长的1/30.取1m宽板带计算1)荷载计算荷载分项系数γg =1.2 γq=1.4梯段板的荷载荷载种类荷载标准值(KN/m)恒载水磨石面层三角形踏步斜板板底抹灰(0.3+0.15)x0.65x1/0.3=0.9750.13x25x1/cosα=3.6350.02x17x1/cosα=0.380小计 6.87活载 3.5基本组合的总荷载设计值2)截面设计板水平计算跨度Ln=3.3m弯矩设计值 M=1/8pL n 2=1/8x13.144x3.32=17.892KN.m h 0=130-20=110mmαs =M/f cm bh 02=17.892x106/11.9x1000x1102 =0.124 查表得γs =0.933As=M/γs f y h 0=17.892x106/0.933x210x110 =830.17mm2选φ12@125 A s =904mm 2分布筋φ8,每级踏步下一根(2)平台板计算设平台板厚h=100mm,取1m 宽板带计算。
平台板的荷载荷载种类荷载标准值(KN/m)恒 载水磨石面层 100厚混凝土板 板底抹灰 0.65 0.1x25=2.5 0.02x17=0.34小 计 3.49 活 载3.51)荷载计算 总荷载设计值 2)截面设计 板的计算跨度L 0=2.220-0.2/2+0.12=2.24m 弯矩设计值 M=1/8pL 022=5.70KN.m h 0=100-20=80mmαs =M/f cm bh 02=5.70x106/11.9x1000x802 =0.0748 查表得γs =0.9611As=M/γs f y h 0=5.7x106/0.9611x210x80 =353.02mm2选φ8@125 A s =402mm 2 (3)平台梁(TL-1)计算设平台梁截面 b=200mm h=350mm平台梁的荷载荷载种类荷载标准值(KN/m)恒 载梁 自 重 梁侧,梁底粉刷 平台板传来 梯段板传来 0.2x(0.35-0.1)x25=1.25小 计 16.488活 载3.5x(3.3/2+2.1/2)=9.45 1)荷载计算 总荷载设计值 2)截面设计梁的计算跨度L 0=1.05L n =1.05x(4.2-0.37)=4.0215m 内力设计值 M=1/8pL 022=66.743KN.m V=1/2pL n 截面按倒L 形计算b f '=b+5h f '=200+5x100=700mm h 0=350-35=315mmαs =M/f cm bh 02=66.743x106/11.9x700x3152 =0.08075 查表得γs =0.9577As=M/γs f y h 0=66.743x106/0.9577x300x315 =737.47mm2 选用Ⅱ钢筋选3ф18 A s =763.5mm 2 斜截面受剪承载力计算 配置箍筋ф6@200则 Vcs=0.07f c bh 0+1.5f yv A sv h 0/s=60898.145N >15806N 满足要求 配箍率ρsv =nxA sv1/bs=2x28.3/200x200=0.1415% 最小配箍率ρsvmin =0.02xf c /f yv <ρsv (可以)。
楼梯钢筋计算一、楼梯钢筋计算的步骤1.确定楼梯的使用条件,包括楼梯所在的建筑物类型、楼层高度、使用频率等因素。
2.根据楼梯的设计要求,确定楼梯的尺寸和结构形式,包括楼梯的高度、台阶宽度、踏步深度等。
3.根据楼梯的设计要求,确定楼梯的荷载情况,包括楼梯台阶和楼梯承重板所受的静态荷载和动态荷载。
4.根据楼梯的负荷情况,计算出楼梯所需的弯曲钢筋数量,包括楼梯的水平曲率钢筋和垂直曲率钢筋。
5.根据楼梯的结构形式和布置方式,确定楼梯的钢筋布设方式,包括水平曲率钢筋和垂直曲率钢筋的布设间距和间隔。
二、楼梯钢筋计算的常用公式1.楼梯台阶的弯曲钢筋计算:楼梯台阶的弯曲钢筋包括水平曲率钢筋和垂直曲率钢筋。
水平曲率钢筋主要承担台阶的水平拉力,垂直曲率钢筋主要承担台阶的垂直压力。
- 水平曲率钢筋的数量计算公式:Ah= 0.18bdh/fy其中,Ah为水平曲率钢筋的总面积(㎜²),b为每个台阶的宽度(㎜),d为水平曲率钢筋的有效高度(㎜),fy为钢筋的抗拉强度(N/㎜²)。
- 垂直曲率钢筋的数量计算公式:Av= 0.15bh/fy其中,Av为垂直曲率钢筋的总面积(㎜²),b为每个台阶的宽度(㎜),h为楼梯的台阶高度(㎜),fy为钢筋的抗拉强度(N/㎜²)。
2.楼梯承重板的弯曲钢筋计算:楼梯承重板的弯曲钢筋包括水平曲率钢筋和垂直曲率钢筋。
水平曲率钢筋主要承担承重板的水平拉力,垂直曲率钢筋主要承担承重板的垂直压力。
- 水平曲率钢筋的数量计算公式:Ah=0.36bTh/fy其中,Ah为水平曲率钢筋的总面积(㎜²),b为每个承重板的宽度(㎜),T为承重板的厚度(㎜),h为楼梯的台阶高度(㎜),fy为钢筋的抗拉强度(N/㎜²)。
- 垂直曲率钢筋的数量计算公式:Av= 0.4bh/fy其中,Av为垂直曲率钢筋的总面积(㎜²),b为每个承重板的宽度(㎜),h为楼梯的台阶高度(㎜),fy为钢筋的抗拉强度(N/㎜²)。
楼梯配筋计算§ 1 楼梯设计该楼梯为现浇整体板式楼梯,楼梯踏步尺寸150mm×280mm ,楼梯采用C30混凝土2/3.14mm N f c =,板和梁纵筋采用HRB335钢筋2/300mm N f y =,楼梯活荷载标准值为2.5kN/㎡,平面图如下:图 1 楼梯平面图§ 2踏步板计算§ 2.1 荷载计算取1米板宽带进行计算,踏步尺寸150mm×280mm ,斜板的厚度取t=40mm , 则截面的平均角度:()()88.028*******cos 22=+=mm mm mmϕ截面平均高度 :mm h 12088.0402150=+=恒荷载:踏步板自重: m kN m kN m m /08.1/253.012.02.13=⨯⨯⨯ 踏步面层重: ()m kN m kN m m /34.0/65.015.028.02.12=⨯+⨯ 踏步抹灰重 m kN m kN m m /19.0/1703.0318.02.13=⨯⨯⨯ g=1.61kN/m 使用活荷载 q=1.4×2.5kN/㎡×0.28=0.98kN/m 总计: g+q=2.59kN/m§ 2.2内力计算斜梁截面尺寸选用b×h=150mm×300,则踏步板计算跨度为:mm mm mm b l l n 150015013500=+=+=踏步板跨中弯矩:()m kN l q g M ⋅=⨯⨯=+=73.05.159.2818122§ 2.3截面承载力计算踏步板计算截面尺寸: mm mm h b 120300⨯=⨯mm a h h 100201200=-=-=2min 2221022260172120300002.043.2/210/43.10.1100300017.0017.0211017.0/3.141003000.11073.0mm mm mm bh mm mm N mm N mm mm f f bh A a mm N mm mm mmN f bh M a yc s s c s =⨯⨯=<=⨯⨯⨯⨯===--==⨯⨯⨯⋅⨯==ραξξα所以踏步板按构造配筋,每踏步采用28φ(2101s A mm =),取踏步内斜板分布钢筋8@300φmm 。
楼梯计算1#楼梯一、TB(一)、TB-1梯板=1l 5100mm , =t 180mm ,=A 150mm ,=B 300mm 梯板配筋计算1、梯板恒载=+=+=2222300150300cos B A Bα0.891)、踏步板重=⎪⎭⎫ ⎝⎛+=2cos 11A t r G α=⎪⎭⎫ ⎝⎛+⨯2150.089.018.025 6.92m /KN 2)、上面层做法重()=+=B B A r G 22()=+⨯3003001508.0 1.22m /KN 3)、下20厚水泥砂浆抹面重89.0/02.020cos /02.033⨯=⨯=αr G =0.452m /KN 楼板恒载=++=321G G G G =++45.02.19.68.55 2m /KN2、楼板活载=Q 3.52m /KN3、线荷载设计值q=1.2G+1.4Q=1.2×8.55+1.4×3.5=15.2m /KN4、配筋计算 ==2181ql M =⨯⨯21.52.158149.4m KN • ()=-=15t f r M A y S S ()=-⨯⨯⨯2018030085.0104.49612112mm 楼梯底部选用D14@100(15392mm ),上部选用D12@200(5652mm )(二)、TB-2、TB-3梯板=1l 3900mm , =t 150mm ,=A 150mm ,=B 300mm 梯板配筋计算1、梯板恒载 =+=+=2222300150300cos B A Bα0.891)、踏步板重=⎪⎭⎫ ⎝⎛+=2cos 11A t r G α=⎪⎭⎫ ⎝⎛+⨯2150.089.015.025 6.12m /KN 2)、上面层做法重()=+=B B A r G 22()=+⨯3003001508.0 1.22m /KN 3)、下20厚水泥砂浆抹面重89.0/02.020cos /02.033⨯=⨯=αr G =0.452m /KN楼板恒载=++=321G G G G =++45.02.11.67.75 2m /KN2、楼板活载=Q 3.52m /KN3、线荷载设计值q=1.2G+1.4Q=1.2×7.75+1.4×3.5=14.2m /KN4、配筋计算 ==2181ql M =⨯⨯29.32.148127.0m KN • ()=-=15t f r M A y S S ()=-⨯⨯⨯2015030085.0100.2768142mm 楼梯底部选用D12@100(11312mm ),上部选用D12@200(5652mm )二、TL(一)、TL-1梯梁=2l 3250mm ,=a 250mm ,=h 400mm梯梁上墙高度=0h 0m梯梁配筋计算1、梯梁恒载1)、板传到梯梁上的线荷载 =1q Gl 21=1.755.821⨯⨯=30.4m KN / 2)、梯梁自重==ah r q 12=⨯⨯40.025.025 2.5m KN /3)、墙传到梯梁上的线荷载=3q 0m KN /梯梁恒载=++=321D q q q q =++05.24.3032.9m KN /2、梯梁活载==Ql q 21L =⨯⨯1.75.32112.4m KN / 3、梯梁上线荷载设计值=+=L D q q q 4.12.1=⨯+⨯4.124.19.322.156.8m KN /4、配筋计算==2281ql M =⨯⨯225.38.568175.0m KN • ()=-=25h f r M A S S ()=-⨯⨯⨯3040030085.0100.7567952mm 梯梁下部选用3D20(9422mm ),上部选用2D16(4022mm ) kN bh f kN ql V c n 3313702503.1425.025.08.8395.28.5621210=⨯⨯⨯=<=⨯⨯== 截面符合要求。
滑动支座楼梯配筋计算方法首先,我们需要确定滑动支座楼梯的荷载情况。
通常楼梯的荷载可以分为以下几种:1.自身重量:即楼梯本身的重量。
2.桥梁荷载:如果楼梯是作为通道或过道使用,我们需要考虑人员和货物的荷载。
3.风荷载:如果楼梯处于室外,我们需要考虑风对楼梯的荷载。
4.地震荷载:如果楼梯位于地震带,我们需要考虑地震对楼梯的荷载。
根据不同的荷载情况,我们可以按照相关的规范和标准来确定所需的配筋量。
下面以自身重量和桥梁荷载为例进行配筋计算。
1.自身重量楼梯本身的重量可以通过材料密度和几何参数来计算。
在计算中,我们需要考虑楼梯的踏步和踏面的重量。
踏步的重量可以通过以下公式计算:Weight = Density × Volume其中Density是楼梯材料的密度,Volume是踏步的体积。
踏面的重量可以通过以下公式计算:Weight = Density × Area × Thickness其中Density是楼梯材料的密度,Area是踏面的面积,Thickness是踏面的厚度。
2.桥梁荷载如果楼梯是作为通道或过道使用,我们需要考虑人员和货物的荷载。
这种荷载可以根据设计人数、货物重量和使用情况来确定。
一般来说,设计人数和货物重量都会有规定的标准值。
根据规范,可以确定每平米楼梯平面的人员和货物荷载。
这个荷载值可以乘以楼梯的平面面积得到总的荷载。
除了自身重量和桥梁荷载,我们还需要考虑滑动支座楼梯的弯矩和剪力。
这些参数是确定楼梯所需配筋量的关键。
根据楼梯的几何参数,我们可以计算出楼梯中心线上每个剖面的剪力。
剪力可以通过以下公式计算:Shear = Load × Moment Arm其中Load是荷载,Moment Arm是荷载作用点到剖面的距离。
根据楼梯的几何参数和荷载,我们可以计算出楼梯中心线上每个剖面的弯矩。
弯矩可以通过以下公式计算:Moment = Load × Moment Arm其中Load是荷载,Moment Arm是荷载作用点到剖面的距离。
楼梯钢筋计算一、AT型楼梯钢筋见下示意图:如果钢筋级别为一级钢筋,则计算公式中需要‘+12.5*d’或‘+6.25*d’数据项。
即两端弯勾加上'12.5*d',一端加‘+6.25*d’(1)梯板下部纵筋长度=梯板斜长+2*梯板厚梯板下部纵筋根数=(梯板净宽-2*保护层)/梯板纵筋间距+1(2)下梯梁端上部纵筋长度=梯板斜长/4+梯板厚-保护层+锚固(LAE)下梯梁端上部纵筋根数=(梯板净宽-2*保护层)/下端负筋间距+1(3)上梯梁端上部纵筋=梯板斜长/4+梯板厚-保护层+锚固(0.4*LAE+15*D)上梯梁端上部纵筋根数=(梯板净宽-2*保护层)/下端负筋间距+1(4)梯板分布钢筋长度=梯板净宽-2*保护层+ 12.5*D梯板分布钢筋根数=(梯板斜长-2*保护层)/梯板分布筋间距+1+【(梯板斜长/4-2*保护层)/梯板分布筋间距+1】*2二、普通楼梯在我们现在接触的楼梯平法施工图纸中,也有一部分设计院并不是按03G101-2的板式楼梯类型来出楼梯图,仍然在沿用以前的楼梯设计,我们称之为普通楼梯.共有四种类型.无休息平台,有上休息平台,有下休息平台,有上下休息平台.无休息平台(以该类楼梯为例介绍普通楼梯的钢筋计算)如果钢筋级别为一级钢筋,则计算公式中需要‘+12.5*d’或‘+6.25*d’数据项。
即两端弯勾加上'12.5*d',一端加‘+6.25*d’(1)梯板下部纵筋长度=梯板斜长+2*梯板厚梯板下部纵筋根数=(梯板净宽-2*保护层)/梯板纵筋间距+1(2)下梯梁端上部纵筋长度=850*系数+梯板厚-保护层+锚固(LAE)下梯梁端上部纵筋根数=(梯板净宽-2*保护层)/下端负筋间距+1(3)上梯梁端上部纵筋=850*系数+梯板厚-保护层+锚固(0.4*LAE+15*D)上梯梁端上部纵筋根数=(梯板净宽-2*保护层)/下端负筋间距+1(4)梯板分布钢筋长度=梯板净宽-2*保护层+ 12.5*D梯板分布钢筋根数=(梯板斜长-2*保护层)/梯板分布筋间距+1+【(850*系数-2*保护层)/梯板分布筋间距+1】*2(一)、有上休息平台(二)、下休息平台(三)、有上下休息平台。
关于楼梯踏步板配筋怎么计算方法
新人,请教关于楼梯踏步板配筋怎么计算方法,知道的回复一下
满意答案
热心问友 2012-06-20
可以将踏步板当个简支斜梁来计算,首先要统计好上面的荷载量,恒载和活载,然后八分之一QL2简支弯矩公式,二分之一QL剪力公式,求出弯矩和剪力(我们注意,这里Q均布力由于踏步板是倾斜的,要分解为两个分力,一个如果我们与踏步板平行,使踏步受压,对踏步有利,在设计时不考虑,结构上只考虑造成踏步受弯的力,另一个与踏步垂直的力,就是使踏步受弯。
),然后按混凝土理论公式或翻混凝土结构计算图表,套路走,直接求出板底配筋,求出来后,再加上分布构造钢筋。
由于踏步是按简支计算的,实际上踏步和平台梁是整体连接,所以通常还要在支座处加构造负筋,负筋一端勾进楼梯梁,另一端伸进楼梯板四分之一或三分之一的踏步板跨度。
踏步板不包括在板厚中,但统计恒荷载时要统计进去。
圆形楼梯踏步计算方法高是3.6米宽是2米有知道的高手请把怎么算的公式了留给我 20
满意答案诺贝尔团队合作高级团合作回答者:1人 2011-11-21
你打算弄多少层,宽两米是直径吗?
追问:
是的你说的多少层是踏步还是楼的高度
回答:
踏步的,如果是踏步就用3.6除以步数。
再用楼梯所转过的角度除以步数。
就可以算出每节台阶的旋转角度,这种问题转化为平面问题很好解决的。
追问:
折叠我会做的 3折叠我也会就是你说的转过来的角度我还是不懂没做过360度旋转的楼梯麻烦你了老师
回答:
你设想一下把楼梯从上向下压缩,这样楼梯就成了一个半径为两米的圆,这样就可以根据需要的节数和楼梯转过的角度来确定每节楼梯的旋转角了。
这就像切大饼。
试试把立体问题化简成平面问题.
****************************************************************计算楼梯踏步 10
楼梯间长3.4 M宽 2.2M
转身台 80CM
下坡.3.4米长,上坡只有173 谁给算下多少踏步能上去
1.家装楼梯一个要讲究安全,另一方面又要讲究经济。
其中经济包括经费上的经济和空间的经济,家装楼梯的踏步高度一般设计在180mm-200mm 之间,只有公共场所的楼梯踏步高度才会设计在130mm-160mm之间。
其次是踏步中心距,即所为的进深,一般设计在230mm-250mm之间,最小不要小于220mm,踏步进深设计到300mm一步迈不到,两步还不够走起来很累。
2.踏步宽度的选择,一般家装楼梯的踏步宽度选择800mm,可根据洞口空间适量增加。
针对你的楼梯洞口可以设计为:
1。
踏步高度为192.86mm,踏步数为13踏,走起来14踏(最后一踏直接迈到二层地面上,也就是楼梯行里的“下跨”)。
2.延1950mm的边有5个标准踏步,踏步中心距离为230mm,然后是一个800mm的平台(或是两个大三角或两个小三角带一个中心鱼头)作为90度转弯,下面接上7个标准踏步,中心距为230mm就可以了。
(如果是两个大三角转90度,下面接6个就可以了;如果是两个小三角带一个中心鱼头下面接5个标准踏步就可以了。
希望对你有用。
楼梯踏步、级数计算
10
高:3600
宽:1800
长:4420
双跑楼梯住宅用
请问这个楼梯该设多少级多少台阶
满意答案
中间一个台阶,11级。
步踏每级标准高度为;150CM
补充:踏步宽270mmX300mm
补充:帮你算过;平台1200mm,11级,踏步高163mmX272mm宽。
住宅楼梯,踏每级标准高度为;150mm—180mm
宽为;25mm—300mm
根据工程建设标准强制性条文《民用建筑通则》规定:
1、楼梯休息平台上部与下部过道部分净高不应小于2m,梯段净高不应小于2.2m的要求;
2、每段楼梯的踏步不应超过18阶,也不应小于3阶;
另根据工程建设标准强制性条文《住宅设计规范》规定:
1、楼梯踏步宽度不应小于260mm,踏步高不应大于175mm;
2、楼梯休息平台不应小于900mm,进户平台不应小于900mm。
根据以上规范规定,此楼梯的阶数为:按照踢步高171mm,踏步宽270mm 计算:
1、踏步;第一跑10阶,第二跑11阶,合计21阶;
2、踢步:第一跑10阶,第二跑11阶,合计21阶。
一般楼梯踏步设计参考尺寸
名称踏步高/mm 踏步宽/mm
( 最大值常用值最小值常用值)
住宅 175 150~175 260 260~300
中小学校 150 120~150 260 260~300
办公楼 160 140~160 280 280~340
幼儿园 150 120~140 260 260~280
疗养院 150 300
剧场、会堂 160 130~150 280 300~350(注:可编辑下载,若有不当之处,请指正,谢谢!)。