常用钻铤数据及钻压计算
- 格式:xlsx
- 大小:12.10 KB
- 文档页数:1
钻井现场常用数据1.井低压力:Pm=9.8*10-3P m-- H 其中:Pm-井地压力Mpa, pm-钻井液密度g/cm3 , H-液柱垂直深度m.2.井底有效压力(平衡压力):Pb=Pm+△P 其中:Pb --井底有效压力Mpa, Pm --井地压力, △P--压力附加值。
油井:△P=1.5∽3.5 Mpa,气井:△P=3.0∽5.0 Mpa.3.压井钻井液密度计算: P m1= P m+102Pd /H 其中:P m1--压井所需钻井液密度g/cm3, P m-原始钻井液密度g/cm3 , Pd-关井时立压Mpa, H-井涌地层的垂直井身m.4.钻具中性截面的位置: Ln=Pb/(Qa*Kb) 其中:Ln --中性截面距井底的高度m, Pb-钻压N, Qa-钻铤在空气中的每米重量N/m, Kb -浮力系数。
5.钻具出现一次弯曲的临界压力:钻柱钻具直径(mm)临界钻压钻铤外径内径Φ203.2 Φ100 72.0Φ75 80.0Φ177.8 Φ80 52.0Φ75 55.0Φ70 55.0Φ158.8 Φ57.15 41.1钻杆Φ127.0 8.83Φ88.9 4.806.卡点计算: L1=K×△L/△P [k=21×F] 其中:△L-平均伸长cm,△P--平均拉力 t, F-管体截面积 cm2.各种常用管具K值表:各种常用管具K值表:直径mm 壁厚mm 截面积cm2 K值内容积l/m钻杆?127 9.19 34.03 715 9.27?88.9 9.35 23.36 491 3.87?73 9.19 18.44 387 2.34套管?244.5 10.03 74.02 1554 38.5011.05 81.04 1702 38.4411.99 87.65 1841 38.17?177.8 8.05 42.93 902 20.539.19 48.73 1023 19.9610.36 54.45 1143 19.3811.51 60.08 1262 18.82?139.7 7.72 31.93 671 12.149.17 37.53 788 11.5710.54 42.81 899 11.047.钻杆允许扭转圈数:N=K×H其中:N---允许扭转圈数圈,H-卡点深度m, K-扭转系数圈/米。
常 用 公 式一、配泥浆粘土用量二、加重剂用量W 加=)()(加重后加重剂原浆加重后泥浆量加重剂ρρρρρV三、稀释加水量Q 水=)()(水稀释后稀释后原浆原浆量水ρρρρρV四、泥浆上返速度V 返=)d (7.1222钻具井径 D Q五、卡点深度(1) L=9.8ke/P (㎝、KN) (2)L=eEF/105P=Ke/P(㎝,t ,K=21F=EF/105 ,E=2.1×106 ㎏/㎝2) 5”壁厚9.19 K=715 3 1/2壁厚9.35 K=491)()(水土水泥浆泥浆量土土ρρρρρ V W六、钻铤用量计算 L t. =m.q.kp 式中p ---钻压,公斤,q --钻铤在空气中重,量公斤/米,K ---泥浆浮力系数, L t ---钻铤用量, 米, m---钻铤附加系数(1.2至1.3) 七、 泵功率 N=7.5Q p (马力)式中p -实际工作泵压(k g /cm 2), Q –排量(l /s ) 八、钻头压力降 p咀=4e 22 d c Q .827.0ρ (kg /cm 2)式中ρ-泥浆密度(g /cm 3), Q –排量(l /s ), C ---流量系数(取0.95-0.985) d e ---喷咀当量直径(cm ),d e =232221 d d d九、喷咀水功率 N咀=7.5 Q p 咀=4e 23d c Q .11.0十、喷射速度过 v 射=2e dQ 12.74c 十一、冲击力 F 冲 =2e 2d Q .12.74ρ十二、环空返速V=22 d DQ 12.74-式中ρ-泥浆密度(g /cm 3), Q –排量(l /s ), C ---流量系数(取0.95-0.985) d e ---喷咀当量直径(cm ),d e =232221 d d d ++十三、全角变化率—“井眼曲率”公式 COS ⊿E=COSa 1 COSa 2+Sina 1 Sina 2COSB 或⊿E=(a 12+ a 22-2 a 1 a 2 COSB )1/2式中:⊿E —上下两测点为任意长度时计算出的“井眼曲率”a 1—上测点的井斜角,度。
现场实用钻井数据、常用单位换算表、干水泥和清水混合量备注:1。
干水泥浆密度3.15 ;2。
每袋水泥重50Kg三、API 套管规范38三、环容数据表(一)各尺寸井眼容积与套管的环空容积(L/m)(二)各尺寸井眼容积与钻具的环空容积(L/m)(三)特殊钻具使用参数特殊钻具使用参数(四)部分常用尺寸和长度的钻杆钢材体积(排代量)四、钻井泥浆泵排量与压力表(一)3NB1300C钻井泵排量与压力关系表六、弯接头的测量与检查1.如图所示,弯接头公扣端的中心线与弯接头本体的中心线偏离一定 角度,此角度即为弯接头的度数k 。
富接头赤薰图式中:a ----- 长边长度,毫米b ---- 短边长度,毫米d ——本体直径,毫米 k ——弯接头度数,度七、API 钻具技术参数(一)、钻杆允许扭转系数表钻杆外径(英寸)扭转系数(圈/米)APID 级E 级G105S1352 7/8 0.007 0.0095 0.0134 0.0173 '/2 0.006 0.0078 0.0110 0.0145 0.004 0.0055 0.0077 0.009 5 1/20.0036 0.005 0.0070 0.0092•弯接头度数计算公式如下:t=5?_ 3<a-b)(五)、钻具抗拉、抗扭、及挤毁数据八、现场常用计算公式(一)钻井液循环一周所需时间T=(V 井一V 柱)/60 QV井——井筒容积,升;V柱——钻柱体积,升;Q ---- 钻井液排量,升/秒;T ------------ 循环一周的时间,分。
(二)配制1m3水泥浆需要的干水泥量T=p c x(p —1)/(c—1)p 干灰密度,g/cm3; p s 水泥浆密度,g/cm3。
(三)卡点计算:L=K(e/p) L ――卡点深度,米E――钻杆连续提升时平均伸长,厘米P ---- 钻杆连续提升时平均拉力,吨K ――计算系数钻杆计算系数K值表(四)浮重计算公式浮重=悬重x(1-泥浆密度/铁的密度),铁密度=7.85g/cm3,九、井控有关计算'(一)、压井有关计算a. 1关井立管压力P d=P t-P c (1)式中:P d-—关井立管压力(MPa);P t—压井排量循环时的立管压力值(MPa);P c—压井低泵速下循环泵压(MPa)。
'.第四节钻井常用计算公式一、井架根底的计算公式〔一〕根底面上的压力nQ+QP 基 =OB4式中: P 基——根底面上的压力,MPa;n——动负荷系数〔一般取 1.25~1.40 〕;Q O——天车台的负荷=天车最大负荷 +天车重量, t;Q B——井架重量, t;〔二〕土地面上的压力P 地=P 基+W式中: P 地——土地面上的压力,MPa;P 基——根底面上的压力,MPa;W ——根底重量, t〔常略不计〕。
〔三〕根底尺寸P 基1、顶面积 F1=B1式中: F1——根底顶面积, cm2;B1——混凝土抗压强度〔通常为 28.1kg/cm2=0.281MPa)P 地2、底面积 F2=B2式中: F2——根底底面积,cm2;B2——土地抗压强度,MPa ;P 地——土地面上的压力,MPa。
3、根底高度式中: H——根底高度, m;F2、 F1 分别为根底的底面积和顶面积,cm2;P 基——根底面上的压力,MPa;B3——混凝土抗剪切强度〔通常为2=0.351MPa 〕。
〔二〕混凝土体积配合比用料计算1、计算公式'.配合比为1∶ m∶ n=水泥∶砂子∶卵石。
根据经验公式求每1m3混凝土所需的各种材料如下:2、混凝土常用体积配合比及用料量,见表1-69。
表 1-69混凝土常用体积配合比及用料量每立方米混凝每立方米砂子每立方米石子每 1000 公斤水土尼混凝土体积混凝混凝混凝用途配合比水泥砂子石子水泥石子水泥砂子砂子石子土土土kg m3m3kg m3kg m3m3m3m3m3m3 1.坚硬土壤上的井架脚,小基墩井架脚,基墩的上局部。
2.厚而大的突出基墩。
3.支承台、浇灌坑穴及其他。
4.承受很大负荷和冲击力的小基墩。
5.承受负荷不大的基墩。
1∶ 2∶ 4 335 0.45 0.90 7442 1∶∶ 5 276 0.46 0.91 6082 1∶ 3∶ 6 234 0.46 0.93 5042 1∶ 1∶ 2 585 0.39 0.78 15002 1∶ 4∶ 8 180 0.48 0.96 3752二、井身质量计算公式〔一〕直井井身质量计算1、井斜角全角变化率△ L ab——测量点 a 和 b 间的井段长度,m;α——测量点 a 点处的井斜角,°;aαb——测量点b 点处的井斜角,°;△ Φab——测量点 a 和 b 之间的方位差,△ Φab=Φb-Φa,°。
英吋毫米1吋= 25.4mm 1/8吋=3.175mm2吋= 50.8mm 1/4吋=6.350mm3吋= 76.2mm 3/8吋=9.525mm4吋=101.6mm 1/2吋=12.70mm5吋=127.0mm 5/8吋=15.875mm6吋=152.4mm 3/4吋=19.050mm7吋=177.8mm 7/8吋=22.225mm8吋=203.2mm9吋=228.6mm10吋=254.0mm 11吋=279.4mm12吋=304.8mm 13吋=330.2mm14吋=355.6mm 15吋=381.0mm16吋=406.4mm 17吋=431.8mm18吋=457.2mm 19吋=482.6mm井筒容积吋方/米吋方/米6 0.01824 12 1/4 0.076048 1/2 0.03661 13 5/8 0.094079 1/2 0.04573 17 1/2 0.15518井眼与5吋钻杆环容(5吋外容12.67)井眼mm环容L/M井眼mm环容L/M 216 24 250 36.4220 25.34 260 40.4225 27 315 65.2230 28.9 345 80.8241 33 350 83.54 245 34.5 445 142.86常用钻具套管外容积(升/米)φ88.9钻杆 6.22 φ127钻杆 12.67 φ114.3钻铤10.22 φ165钻铤 21.38 φ139.7套管15.33 φ177.8套管24.82 φ244.5套管46.95 φ273套管 58.56 φ339.7套管90.63方钻杆对边宽上/下扣型3″(76.2)反430/正2113 1/2″(88.9)反430/正3115 1/4″(133.35)反630/正521API钻铤外径扣型4 3/4″(120.65) 311/3106 1/4″ (158) 411/4106 1/2″ (165.1) 411/4106 3/4″ (171.4) 411/4107″ (177.8) 411/4108″ (203.2) 631/6309″ (228.6) 631/630φ311扶正器 631/630G105钻杆参数外径壁厚重(磅/呎)抗拉t扭矩KN/m扣型2 7/8 5.52 6.85 68 12 211(73.02) 9.19 10.4 104 16 2113 1/2 6.45 9.5 95 21 311(88.9) 9.34 13.3 133 27 31111.4 15.5 155 30 3115 9.19 19.5 195 61 411(127) 12.7 25.6 256 77 411API接头型号公末端母鏜口IF 211(NC26) 73.05 74.6311(NC38) 102 103.6411(NC50) 133.4 134.9511 162.4 163.9FH 321 101.5 102.8421(NC40) 108.7 110.34A11 121.7 123.8521(NC56) 148.0 150.0621 171.5 173.8REG230 66.6 68.3330 88.9 90.5430(NC44) 117.5 119.1530 140.2 141.7630 152.2 154730 177.8 180.2830 201.9 204.4 常用套管外径钢级壁厚内径内容积l/m抗拉t抗挤扭矩KN.M 5 J55 6.43 114.1 10.22 82. 291 2.5J55 7.52 112.0 9.85 101 390 3.0N80 7.52 112.0 9.85 141 509 4.3N80 9.20 108.6 9.26 179 737 5.55 1/2J55 7.72 124.3 12.13 112 345 3.0N80 7.72 124.3 12.13 157 441 4.8N80 9.17 121.4 11.57 194 620 6.0N80 10.54 118.6 11.05 227 784 7.07 J55 8.05 161.7 20.54 142 229 4.3N80 8.05 161.7 20.54 200 269 6.1J55 9.19 159.4 19.96 166 303 5.0N80 9.19 159.4 19.96 235 380 7.1P110 9.19 159.4 19.96 314 400 9.5N80 10.36 157.1 19.38 270 493 8.2P110 10.36 157.1 19.38 361 521 11.09 5/8J55 8.94 226.6 40.33 178 6.4J55 10.03 224.4 39.55 205 7.2常用套管外径钢级壁厚内径内容积l/m抗拉t抗挤扭矩KN.MN80 10.03 224.4 39.55 334 10.2N80 11.05 222.4 38.85 374 11.410 3/4J55 8.89 255.3 51.18 190 6.8J55 10.16 252.7 50.17 223 7.513 3/8J55 9.65 320.4 80.63 233 8.2J55 10.92 317.9 79.37 270 9.3套管强度计算抗拉安全系数=该种套管抗拉强度/实际受拉吨数抗挤安全系数=该种套管抗挤强度/0.098*ρ*H注:国产套管抗拉安全系数要大于2.0,抗挤要大于1.5进口套管抗拉安全系数要大于1.5,抗挤要大于1.2.常用螺杆参数型号扣型压降扭矩6 1/4(LZ165*3.5Y) 430/430 2.5 9357 3/4(LZ197*3.5Y) 520/630 2.5 15326 1/4(LZ165*7Y) 430/430 4.1 18177 3/4(LZ197*7Y) 520/630 4.1 2928计算卡点深度L=K*E/P127钻杆K=714 88.9钻杆K=490K=21*F(管体截面积)E=平均伸长量CM P=平均拉力T全角变化率:G ab=25/ΔL ab ESP[(αa-αb)∧2+△фab∧2* SIN(αa+αb)/2* SIN(αa+αb)/2] DC指数:DC=lg(3.282/N/T)/lg(0.0684W/D)*ρn/ρm N=转/分T=分/米W=钻压KN D=钻头直径mm 油气上窜速度:V=(H油-H钻头/T迟*T)/T静V =米/秒H油=油气层深度H钻头=循环时钻头深度T迟=钻头位置迟到时间分钟T=从开泵到见到油气显示的时间分T静=纯静止时间分直径Dmm与容积V升的关系D V D V D V30 0.71 130 13.27 230 41.55 35 0.96 135 14.31 235 43.37 40 1.26 140 15.39 240 45.24 45 1.59 145 16.51 245 47.14 50 1.96 150 17.67 250 49.09 55 2.38 155 18.87 255 51.07 60 2.83 160 20.11 260 53.09 65 3.32 165 21.38 265 55.15 70 3.85 170 22.70 270 57.26 75 4.42 175 24.05 275 59.40 80 5.03 180 25.45 280 61.58 85 5.68 185 26.88 285 63.79 90 6.36 190 28.35 290 66.05 95 7.09 195 29.86 295 68.35 1007.85 200 31.42 300 70.69 1058.66 205 33.01 305 73.06 110 9.50 210 34.64 310 75.48 115 10.39 215 36.31 315 77.93 120 11.31 220 38.01 320 80.42 125 12.27 225 39.76 325 82.95 400 122.66 450 159.04 500 196.35。
钻头水利参数计算公式:1、 钻头压降:dc QP eb 422827ρ= (MPa ) 2、冲击力:VF Q j02.1ρ= (N)3、 喷射速度:dV eQ201273=(m/s)4、 钻头水功率:d c QN eb 42305.809ρ= (KW )5、比水功率:DNN b 21273井比= (W/mm 2)6、 上返速度:D DV Q221273杆井返=- (m/s )式中:ρ-钻井液密度 g/cm 3Q-排量 l/sc -流量系数,无因次,取0.95~0.98de -喷嘴当量直径 mmd d d de 2n 2221+⋯++= d n :每个喷嘴直径 mmD 井、D 杆 -井眼直径、钻杆直径 mm全角变化率计算公式:()()⎪⎭⎫ ⎝⎛∂+∂+∆=-∂-∂225sin 222b a b a b a L K abab ϕϕ 式中:a ∂ b ∂ -A 、B 两点井斜角;a ϕ b ϕ -A 、B 两点方位角套管强度校核:抗拉:安全系数 m =1.80(油层);1.60~1.80(技套) 抗拉安全系数=套管最小抗拉强度/下部套管重量 ≥1.80 抗挤:安全系数:1.12510ν泥挤H P= 查套管抗挤强度P c ' P c'/P挤≥1.125按双轴应力校核:Hn P ccρ10=式中:P cc -拉力为T b 时的抗拉强度(kg/cm 2) ρ -钻井液密度(g/cm 3) H -计算点深度(m ) 其中:⎪⎭⎫⎝⎛--=T T KPP b b ccc K 223T b :套管轴向拉力(即悬挂套管重量) kg P c :无轴向拉力时套管抗挤强度 kg/cm 2K :计算系数 kg σs A K 2=A :套管截面积 mm 2 σs :套管平均屈服极限 kg/mm 2 不同套管σs 如下:J 55:45.7 N 80:63.5 P 110:87.9地层压力监测:⎪⎭⎫⎝⎛⎪⎭⎫ ⎝⎛=D W NT R R d m n c 0671.0lg 282.3lg (d c 指数)100417.04895.8105⎪⎭⎫ ⎝⎛+⨯-=H cn ddR d Rcmcnp= (压力系数)式中:T –钻时 min/m N –钻盘转数 r/minW -钻压 KN D -钻头直径 mmR n -地层水密度 g/cm 3 R m -泥浆密度 g/cm 3压漏实验:1、 地层破裂压力梯度:HPG Lm f 10008.9+=ρ KPa2、 最大允许泥浆密度:HP Lm 102max +=ρρ g/cm 3为安全,表层以下[]06.0max-=ρρm g/cm 3 技套以下[]12.0max-=ρρmg/cm 33、 最大允许关井套压:[]8.01000'max ⨯⎪⎭⎫ ⎝⎛--=gHm R a P P ρρ式中:P L -漏失压力(MPa ) PR-破裂压力(MPa )ρm-原泥浆密度(g/cm 3) H -实验井深(m )ρ'm ax-设计最大泥浆密度(g/cm 3) 10008.9mHP PL ρ+=漏10008.9HmR P P ρ+=破井控有关计算:最大允许关井套压经验公式:表层套管[Pa]=11.5%×表层套管下深(m )/10 MPa 技术套管[Pa]=18.5%×技术套管下深(m )/10 MPa地层破裂压力梯度:HPG RR 1000=KPa/m最大允许关井套压:8.000981.01000max ⨯⎪⎪⎭⎫⎝⎛-=H H G P R a 套套ρ Mpa 最大允许钻井液密度:81.9'max G R=ρ-0.06 (表层)81.9'maxGR=ρ-0.12 (技套)套管在垂直作用下的伸长量:10724854.7-⨯-=∆LmL ρ式中:ρm -钻井液密度 g/cm 3 L ∆ -自重下的伸长 m L -套管原有长度 m 套管压缩距:()ρρmL LLE L 总钢固自-⨯=∆10式中:L ∆ -下缩距 m L自-自由段套管长度 mL固-水泥封固段套管长度 mL总-套管总长 mρ钢-钢的密度 7.85g/cm 3ρm-钻井液密度 g/cm 3E -钢的弹性系数 (2.1×106kg/cm 3)泥浆有关计算公式:1、加重剂用量计算公式:()rr r r r 重加原重原加加-=-V W 式中:W 加 -所需加重剂重量 吨 V 原 -加重前的泥浆体积 米3r 原、r 重、r 加-加重前、加重后、加重材料比重 g/cm 32、泥浆循环一周时间:QT V V 60柱井-=式中:T -泥浆循环一周时间 分 V 井、V 柱 -井眼容积、钻柱体积 升 Q -泥浆泵排量 升/秒 3、井底温度计算公式:1680HT T += 式中:T 、T 0 -井底、井口循环温度 o C H -井深 米 4、配制泥浆所需粘土和水量计算:粘土量 ()rr r r r 水土水泥泥泥土-=-V W 水量r土土泥水-=W VQ 式中:W 土 -所需粘土的重量 吨 V 泥 -所需泥浆量 米3r 水、r 土、r 泥 -水、土和泥浆的比重 g/cm 3 Q 水 -所需水量 米35、降低比重所需加水量:()rrrrr水稀水稀原原水=--VQ式中:Q水-所需水量米3V原-原泥浆体积米3r原、r稀、r水-原泥浆、稀释后泥浆和水的比重g/cm3。
钻井现场常用数据1、井底压力P m=9.8×10-3ρm H其中:P m—井底压力 MP aρm—钻井液密度 g/cm3H—液柱垂直深度 m2、钻具中性截面的位置L n=P b/(Q a* K b)其中:L n—中性截面距井底的高度 mP b—钻压 NQ a—钻铤在空气中的每米重量 N/mK b—浮力系数3、钻柱出现一次弯曲的临界压力4、卡点计算L1=K*△L/△P [K=21*F]其中:△L—平均伸长 cm△P—平均拉力 tF—管体截面积 cm2各种常用管具K植表:5、钻杆允许扭转圈数N=K * H其中:N—允许扭转圈数, 圈;H—卡点深度,m;K—扭转系数,圈/米;各种钻杆K值:(API.E级)Φ127mm K=0.00551Φ89mm K=0.00787Φ73mm K=0.009576、泥浆循环一周时间T=(V井-V柱)/60*Q其中:T一循环一周所需时间min;V井一井眼容量,L;V柱一管柱体积,L;Q一泥浆排量L/s7、泥浆上返速度V返=12.7*Q/( D井2- D柱2)其中:V返一泥浆上返速度m/s;Q一泥浆排量L/s;D井一井径cm;D柱一钻柱外径cm;8、常用钻铤、钻杆基本数据9、益都3NB-1300泵排量表10、常用井眼容积量10、单弯钻具结构与性能参数11. API接头扣型与国内名称对照注意:1.某些NC型扣型可以与FH、IF型接头互换2.国内的接头加工尺寸与API标准略有误差3.IF=内平扣;FH=贯眼扣;REG=正规扣12、钻具尺寸***各类井眼钻具组合。
钻头水利参数计算公式:1、 钻头压降:dc QP eb 422827ρ= (MPa) 2、冲击力:VF Q j02.1ρ= (N)3、 喷射速度:dV eQ201273=(m/s)4、 钻头水功率:d c QN eb 42305.809ρ= (KW)5、比水功率:DNN b 21273井比= (W/mm 2)6、 上返速度:D DV Q221273杆井返=- (m/s)式中:ρ-钻井液密度 g/cm 3Q-排量 l/sc -流量系数,无因次,取0、95~0、98de -喷嘴当量直径 mmd d d de 2n 2221+⋯++= d n :每个喷嘴直径 mmD 井、D 杆 -井眼直径、钻杆直径 mm全角变化率计算公式:()()⎪⎭⎫ ⎝⎛∂+∂+∆=-∂-∂225sin 222b a b a b a L K abab ϕϕ 式中:a ∂ b ∂ -A 、B 两点井斜角;a ϕ b ϕ -A 、B 两点方位角套管强度校核:抗拉:安全系数 m =1、80(油层);1、60~1、80(技套) 抗拉安全系数=套管最小抗拉强度/下部套管重量 ≥1、80抗挤:安全系数:1、12510ν泥挤H P =查套管抗挤强度P c ' P c'/P挤≥1、125按双轴应力校核:Hn P ccρ10=式中:P cc -拉力为T b 时的抗拉强度(kg/cm 2) ρ -钻井液密度(g/cm 3) H -计算点深度(m) 其中:⎪⎭⎫ ⎝⎛--=T T KPP b b ccc K 223T b :套管轴向拉力(即悬挂套管重量) kg P c :无轴向拉力时套管抗挤强度 kg/cm 2K:计算系数 kg σs A K 2=A:套管截面积 mm 2 σs :套管平均屈服极限 kg/mm 2 不同套管σs 如下:J 55:45、7 N 80:63、5 P 110:87、9地层压力监测:⎪⎭⎫⎝⎛⎪⎭⎫⎝⎛=DW NT R R d m n c0671.0lg 282.3lg (d c 指数)100417.04895.8105⎪⎭⎫ ⎝⎛+⨯-=H cnddR d R cmcnp =(压力系数)式中:T –钻时 min/m N –钻盘转数 r/minW -钻压 KN D -钻头直径 mmR n -地层水密度 g/cm 3 R m -泥浆密度 g/cm 3压漏实验:1、 地层破裂压力梯度:HPG Lm f 10008.9+=ρ KPa2、 最大允许泥浆密度:HP Lm 102max +=ρρ g/cm 3为安全,表层以下[]06.0max-=ρρmg/cm 3技套以下[]12.0max-=ρρmg/cm 33、 最大允许关井套压:[]8.01000'max ⨯⎪⎭⎫ ⎝⎛--=gH m R a P P ρρ式中:P L -漏失压力(MPa) PR-破裂压力(MPa)ρm-原泥浆密度(g/cm 3) H -实验井深(m)ρ'm ax-设计最大泥浆密度(g/cm 3) 10008.9mHP P L ρ+=漏10008.9HmR P P ρ+=破井控有关计算:最大允许关井套压经验公式:表层套管[Pa]=11、5%×表层套管下深(m)/10 MPa 技术套管[Pa]=18、5%×技术套管下深(m)/10 MPa 地层破裂压力梯度:HPG RR 1000=KPa/m最大允许关井套压:8.000981.01000max ⨯⎪⎪⎭⎫⎝⎛-=H H G P R a 套套ρ Mpa 最大允许钻井液密度:81.9'max GR=ρ-0、06 (表层)81.9'maxGR=ρ-0、12 (技套)套管在垂直作用下的伸长量:10724854.7-⨯-=∆LmL ρ式中:ρm -钻井液密度 g/cm 3 L ∆ -自重下的伸长 m L -套管原有长度 m 套管压缩距:()ρρmL LLE L 总钢固自-⨯=∆10式中:L ∆ -下缩距 m L自-自由段套管长度 mL固-水泥封固段套管长度 mL总-套管总长 mρ钢-钢的密度 7、85g/cm 3ρm-钻井液密度 g/cm 3E -钢的弹性系数 (2、1×106kg/cm 3)泥浆有关计算公式:1、加重剂用量计算公式:()rr r r r 重加原重原加加-=-V W式中:W 加 -所需加重剂重量 吨 V 原 -加重前的泥浆体积 米3r 原、r重、r 加-加重前、加重后、加重材料比重 g/cm 32、泥浆循环一周时间:QT V V60柱井-=式中:T -泥浆循环一周时间 分 V 井、V 柱 -井眼容积、钻柱体积 升 Q -泥浆泵排量 升/秒 3、井底温度计算公式:1680HT T += 式中:T 、T 0 -井底、井口循环温度 o CH -井深 米 4、配制泥浆所需粘土与水量计算:粘土量 ()rr r r r 水土水泥泥泥土-=-V W 水量r土土泥水-=W VQ 式中:W 土 -所需粘土的重量 吨 V 泥 -所需泥浆量 米3r 水、r 土、r 泥 -水、土与泥浆的比重 g/cm 3 Q 水 -所需水量 米35、降低比重所需加水量: ()rr r r r 水稀水稀原原水=--V Q式中:Q 水 -所需水量 米3 V 原 -原泥浆体积 米3r 原、r 稀、r 水 -原泥浆、稀释后泥浆与水的比重 g/cm 3。
一、直井下部钻具组合设计方法(一)钻铤尺寸及重量的确定1.钻铤尺寸的确定(1)为保证套管能顺利下入井内,钻柱中最下段(一般不应少于一立柱)钻铤应有足够大的外径,推荐按表1选配。
表1:与钻头直径对应的推荐钻铤外径钻头直径钻铤外径142.9~152.4 104.7~120.6158.8~171.4 120.6,127.0190.5~200.0 127.0~158.8212.7~222.2 158.8~171.4241.3~250.8 177.8~203.2269.9 177.8~228.6311.2 228.6~254.0374.6 228.6~254.0444.5 228.6~279.4508.0~660.4 254.0~279.4(2)钻铤柱中最大钻铤外径应保证在打捞作业中能够套铣。
(3)在大于190.5mm的井眼中,应采用复合(塔式)钻铤结构(包括加重钻杆),相邻两段钻铤的外径差一般不应大于25.4mm。
最上一段钻铤的外径不应小于所连接的钻杆接头外径。
每段长度不应少于一立柱。
(4)钻具组合的刚度应大于所下套管的刚度。
2.钻铤重量的确定:根据设计的最大钻压计算确定所需钻铤的总重量,然后确定各种尺寸钻铤的长度,以确保中性点始终处于钻铤柱上,所需钻铤的总重量可按式(1)计算:Wc= PmaxKs/K f (1)其中:K f=1-ρm/ρs式中:Wc——所需钻铤的总重力,kN;Pmax——设计的最大钻压,kN;Ks——安全系数,一般条件下取1.25,当钻铤柱中加钻具减振器时,取1.15;K f——钻井液浮力减轻系数;ρm——钻井液密度,g/cm3;ρs——钻铤钢材密度,g/cm3。
(二)钟摆钻具组合设计1.无稳定器钟摆钻具组合设计:为了获得较大的钟摆降斜力,最下端1~2柱钻铤应尽可能采用大尺寸厚壁钻铤。
2.单稳定器钟摆钻具组合设计(1)稳定器安放高度的设计原则:a.在保证稳定器以下钻铤在纵横载荷作用下产生弯曲变形的最大挠度处不与井壁接触的前提下,尽可能高地安放稳定器。
钻井常用计算公式•、地层压力计算1、静液柱压力(MPa)=P(粘井液密度)*0.00981*H(垂深m)2、压力梯度值(MPa)=p(钻井液密度)*0.009813、单位内容积(r∩3Λn>=7.854*10-5*内径2(Cm)4、单位环空容积(m3∕m)=7.854*10^5*(井径2cm-管柱外径2cm)5、容积(m?)=单位内容积(m3∕m)*长度(m)管柱单位排音量(mVm)=7.854*10^5*(外径2cm内径2cm)6、地层压力(MPa)=钻具静液柱压力+关井立压7、压井钻井液密度(g∕c11p>=(关井立压Mpa/O.00981/11(m))+当前井液P(gcm3)8、初始循环压力=关井立压+底泵速泵压9、终止循环压力=(压力井液p/当前井液p)*低泵速泵压10、溢流长度m;钻井液增量m3/环空单位容积m3∕m11、溢流密度p(g∕cm3)=当前井液P-[(套压MPa-立压Mpa)/(溢流长度m*0.00981)]12、当量循环密度p(g/cm3)-(环空循环压力损失Mpa/O.00981/垂深m)+当前井液P13、当量钻井液P(g4zm3)-总压力Mpa/O.00981/垂深m14、孔隙压力MPa=9.81*Wf(地瓜水平均密度g∕cmυ*H(垂高m)15、上覆岩层压力(Mpa)=(岩石基质重量+流体重量)/面积[9.81*[(卜-。
岩石孔隙度%)*pm岩石基颓密度Hem3+4>*p岩石孔隙中流体密度g/cnP]16、地层破裂压力梯度(Mpa)=Pf(破裂地层压力Mpa)/H(破裂地层垂直深度m>Pf(破裂地层压力Mpa)=Ph(液柱压力Mpa)+P(破裂实验时的立管压力MPa)二、喷射钻井计算公式1、射流喷射速度计算相同直径喷嘴VOU1.2.73*Q(通过喷嘴液体排量1.∕S)∕n(喷嘴个数)*dc>2(喷嘴直径Cm)不相同直径喷喷Vo=12.73*Q(通过喷嘴液体排量1.∕S)/de?(喷嘴当量直径Cm)试中:de喷喷当量直径(cm)计算等喷嘴直径de-(根号n喷嘴个数)*d。
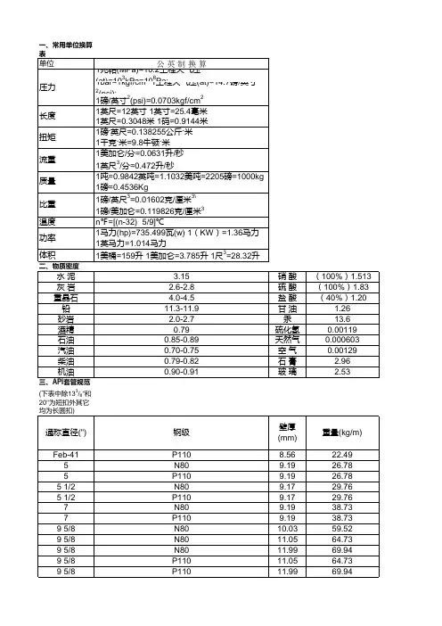
现场实用钻井数据一、常用单位换算表二、干水泥和清水混合量备注:1。
干水泥浆密度3.15;2。
每袋水泥重50Kg。
三、API套管规范(下表中除133/8"和20"为短扣外其它均为长圆扣)三、环容数据表(一)各尺寸井眼容积与套管的环空容积(L/m)(二)各尺寸井眼容积与钻具的环空容积(L/m)(三)特殊钻具使用参数(四)部分常用尺寸和长度的钻杆钢材体积(排代量)四、钻井泥浆泵排量与压力表(一)3NB1300C钻井泵排量与压力关系表(二)、3NB1600钻井泵排量与压力关系表五、常用套铣管数据表六、弯接头的测量与检查1.如图所示,弯接头公扣端的中心线与弯接头本体的中心线偏离一定角度,此角度即为弯接头的度数k。
2.弯接头度数计算公式如下:式中:a--长边长度,毫米b--短边长度,毫米d--本体直径,毫米k--弯接头度数,度七、API钻具技术参数(一)、钻杆允许扭转系数表钻杆外径(英寸)扭转系数(圈/米) APID级E级G105 S1352 7/8 0.007 0.0095 0.0134 0.0173 1/2 0.006 0.0078 0.0110 0.0145 0.004 0.0055 0.0077 0.009 5 1/2 0.0036 0.005 0.0070 0.009(三)加重钻杆(四)API钻铤规范(五)、钻具抗拉、抗扭、及挤毁数据八、现场常用计算公式(一)钻井液循环一周所需时间T=(V井—V柱)/60×QV井——井筒容积,升;V柱——钻柱体积,升;Q——钻井液排量,升/秒;T——循环一周的时间,分。
(二)配制1m3水泥浆需要的干水泥量T=ρc x(ρS—1)/(ρc—1) ρc——干灰密度,g/cm3;ρS——水泥浆密度,g/cm3。
(三)卡点计算:L=K(e/p) L——卡点深度,米E——钻杆连续提升时平均伸长,厘米P——钻杆连续提升时平均拉力,吨K——计算系数(四) 浮重计算公式浮重=悬重×(1-泥浆密度/铁的密度),铁密度=7.85g/cm3,九、井控有关计算(一)、压井有关计算a. 1 关井立管压力P d=P t-P c (1)式中:P d-—关井立管压力(MPa);P t—压井排量循环时的立管压力值(MPa);P c—压井低泵速下循环泵压(MPa)。
常用钻井计算公式压力梯度(Mpa/m)=0.00981×钻井液密度(g/cm3)钻井液密度(g/cm3)=压力梯度(Mpa/m)/0.00981静液压力(Mpa)=0.00981×钻井液密度(g/cm3)×垂深(m)地层压力(Mpa)=钻柱内静液压力(Mpa)+关井立管压力(Mpa)等效钻井液密度(g/cm3)=102×地层压力(Mpa)/垂深(m)泵的输出排量(l/min)=泵输出(l/冲)×泵速(冲/min)初始循环压力(Mpa)=低泵速循环压力(Mpa)+关井立力(Mpa)终了循环压力(Mpa)=低泵速循环压力(Mpa)×压井液密度/原浆密度压井液密度(g/cm3)= 原浆密度+102×关井立力(Mpa)/垂深(m)关井套压(Mpa)=(钻井液压力梯度-溢流压力梯度)×溢流垂深+关井立压等效循环密度(g/cm3)= 102×环空压耗(摩阻)/垂深(m)+原浆密度溢流高度(m)=井涌量(升)/环空容积(升/m)溢流压力梯度(Mpa/m)=0.00981×钻井液密度-(关井套压-关井立压)/溢流垂深最大允许钻井液密度(g/cm3)= 钻井液密度+102×漏失压力/套管鞋垂深(m)改变泵速的新泵压(Mpa)=旧泵压×(新泵速/旧泵速)2压井后的新安全余量(Mpa)=0.00981×(最大允许钻井液密度-压井密度)×套管鞋垂深(m)加重所需重晶石量(kg/m3)=4200×(压井液密度-原浆密度)/(4.2-压井液密度) 溢流上窜速度(m/h)=立压增量(Mpa/h)/0.00981×钻井液密度干起钻每米压力降(Mpa/m)=0.00981×钻井液密度×钻具排替量×(套管容积-钻具排替量)湿起钻(钻具水眼堵)每米压力降(Mpa/m)=0.00981×钻井液密度×(钻具排替量+钻具内容积)/环空容积起出钻铤液面下降(m)=钻铤长×钻铤排替量/套管容积保持井底压力的放浆量(升)=压力增量×原井涌量(升)/(地层压力-压力增量)开始溢流前起出钻具的最大量(m)=过平衡量×(套管容积-钻具排替量)/(钻井液密度×0.00981×钻具排替量)。
井 号:Any_well 日 期:Anytime 制 表:Anyone井眼直径(mm)216螺旋扶正器直径(mm)214摩擦系数(取值0.2-0.3)0.25螺旋钻铤直径(mm)165螺旋钻铤内径(mm)57.2钻压(KN)60井斜角(°)5钻井液密度(g/cm 3) 1.2螺旋钻铤的重量(Kg/m)142浮力系数0.85钻铤的在泥浆的重量(kN/m)1.20弹性模量kpa(KN/m 2)206850000惯性矩(m4)0.00003586EI钻铤的抗弯刚度(KN.m 2)7417.25钻具不弯曲的最大可用钻压KN17.95一次弯曲长度(m)37.67二次弯曲长度(m)74.79一次临界钻压(KN)44.39 二次临界钻压(KN)88.120.080.120.03L(m)22.67下扶正器安装位置(m)20.40井径(mm)216钻杆在空气中的线重Kg/m32钻杆直径mm 127钻杆内径mm 108.6井斜角(°)45钻杆在泥浆中的线重(kN/m)0.27惯性矩(m 4)0.00000594弹性模量kpa(KN/m 2)206850000EI(KN/m 2)1229.08钻杆与井径的间隔一半(m)0.0445正旋弯曲力(KN)144.11螺旋弯曲力(KN)203.80WOODS(KN)218.97DELLINGER(KN)147.95YU-CHE CHEN(KN)203.92JIANG WU(KN)263.00MITCHELL(KN)407.11*白格为输入数据*黄格为自动计算数据*定向井钻具屈曲计算螺旋弯曲不同计算方法结果*有建议请到QQ群9270878交流*上钻台能干懂实际*下钻台会算明理论*表格设计*DRILLNEW*2015-12-01*直井钟摆钻具计算一次临界弯曲钻头处的倾角(°)二次弯曲出现前的瞬间钻头处的倾角(°)二次临界弯曲钻头处的倾角(°)钻具受力分析计算一次弯曲二次弯曲多次弯曲■钻柱呈直线状态所需条件。
钻头水利参数计算公式:1、 钻头压降:dc QP eb 422827ρ= (MPa ) 2、冲击力:VF Q j02.1ρ= (N)3、 喷射速度:dV eQ201273=(m/s)4、 钻头水功率:d c QN eb 42305.809ρ= (KW )5、比水功率:DNN b 21273井比= (W/mm 2)6、 上返速度:D DV Q221273杆井返=- (m/s )式中:ρ-钻井液密度 g/cm 3Q-排量 l/sc -流量系数,无因次,取0.95~0.98de -喷嘴当量直径 mmd d d de 2n 2221+⋯++= d n :每个喷嘴直径 mmD 井、D 杆 -井眼直径、钻杆直径 mm全角变化率计算公式:()()⎪⎭⎫ ⎝⎛∂+∂+∆=-∂-∂225sin 222b a b a b a L K abab ϕϕ 式中:a ∂ b ∂ -A 、B 两点井斜角;a ϕ b ϕ -A 、B 两点方位角套管强度校核:抗拉:安全系数 m =1.80(油层);1.60~1.80(技套) 抗拉安全系数=套管最小抗拉强度/下部套管重量 ≥1.80 抗挤:安全系数:1.12510ν泥挤H P= 查套管抗挤强度P c ' P c'/P挤≥1.125按双轴应力校核:Hn P ccρ10=式中:P cc -拉力为T b 时的抗拉强度(kg/cm 2) ρ -钻井液密度(g/cm 3) H -计算点深度(m ) 其中:⎪⎭⎫⎝⎛--=T T KPP b b ccc K 223T b :套管轴向拉力(即悬挂套管重量) kg P c :无轴向拉力时套管抗挤强度 kg/cm 2K :计算系数 kg σs A K 2=A :套管截面积 mm 2 σs :套管平均屈服极限 kg/mm 2 不同套管σs 如下:J 55:45.7 N 80:63.5 P 110:87.9地层压力监测:⎪⎭⎫⎝⎛⎪⎭⎫ ⎝⎛=D W NT R R d m n c 0671.0lg 282.3lg (d c 指数)100417.04895.8105⎪⎭⎫ ⎝⎛+⨯-=H cn ddR d Rcmcnp= (压力系数)式中:T –钻时 min/m N –钻盘转数 r/minW -钻压 KN D -钻头直径 mmR n -地层水密度 g/cm 3 R m -泥浆密度 g/cm 3压漏实验:1、 地层破裂压力梯度:HPG Lm f 10008.9+=ρ KPa2、 最大允许泥浆密度:HP Lm 102max +=ρρ g/cm 3为安全,表层以下[]06.0max-=ρρm g/cm 3 技套以下[]12.0max-=ρρmg/cm 33、 最大允许关井套压:[]8.01000'max ⨯⎪⎭⎫ ⎝⎛--=gHm R a P P ρρ式中:P L -漏失压力(MPa ) PR-破裂压力(MPa )ρm-原泥浆密度(g/cm 3) H -实验井深(m )ρ'm ax-设计最大泥浆密度(g/cm 3) 10008.9mHP PL ρ+=漏10008.9HmR P P ρ+=破井控有关计算:最大允许关井套压经验公式:表层套管[Pa]=11.5%×表层套管下深(m )/10 MPa 技术套管[Pa]=18.5%×技术套管下深(m )/10 MPa地层破裂压力梯度:HPG RR 1000=KPa/m最大允许关井套压:8.000981.01000max ⨯⎪⎪⎭⎫⎝⎛-=H H G P R a 套套ρ Mpa 最大允许钻井液密度:81.9'max G R=ρ-0.06 (表层)81.9'maxGR=ρ-0.12 (技套)套管在垂直作用下的伸长量:10724854.7-⨯-=∆LmL ρ式中:ρm -钻井液密度 g/cm 3 L ∆ -自重下的伸长 m L -套管原有长度 m 套管压缩距:()ρρmL LLE L 总钢固自-⨯=∆10式中:L ∆ -下缩距 m L自-自由段套管长度 mL固-水泥封固段套管长度 mL总-套管总长 mρ钢-钢的密度 7.85g/cm 3ρm-钻井液密度 g/cm 3E -钢的弹性系数 (2.1×106kg/cm 3)泥浆有关计算公式:1、加重剂用量计算公式:()rr r r r 重加原重原加加-=-V W 式中:W 加 -所需加重剂重量 吨 V 原 -加重前的泥浆体积 米3r 原、r 重、r 加-加重前、加重后、加重材料比重 g/cm 32、泥浆循环一周时间:QT V V 60柱井-=式中:T -泥浆循环一周时间 分 V 井、V 柱 -井眼容积、钻柱体积 升 Q -泥浆泵排量 升/秒 3、井底温度计算公式:1680HT T += 式中:T 、T 0 -井底、井口循环温度 o C H -井深 米 4、配制泥浆所需粘土和水量计算:粘土量 ()rr r r r 水土水泥泥泥土-=-V W 水量r土土泥水-=W VQ 式中:W 土 -所需粘土的重量 吨 V 泥 -所需泥浆量 米3r 水、r 土、r 泥 -水、土和泥浆的比重 g/cm 3 Q 水 -所需水量 米35、降低比重所需加水量:()rrrrr水稀水稀原原水=--VQ式中:Q水-所需水量米3V原-原泥浆体积米3r原、r稀、r水-原泥浆、稀释后泥浆和水的比重g/cm3。
常用钻铤数据及钻压计算钻铤数据是钻井施工中非常重要的参数,可以帮助工程师进行安全、高效地钻井作业。
常用的钻铤数据包括钻铤直径、钻头速度、钻压、旋转速度等。
1.钻铤直径:钻铤直径是指钻铤的外径尺寸,常见的钻铤直径有3.5英寸、4.75英寸、6.25英寸等。
钻铤直径的选择通常取决于井口直径、钻井目标以及工程要求等因素。
2.钻头速度:钻头速度是指钻铤与地层接触时的旋转速度。
钻头速度的选择要根据地层硬度、钻铤尺寸以及循环系统流量等因素综合考虑。
一般来说,对于软层地质,钻头速度可以适当提高;而对于硬岩地层,钻头速度则需要适当降低,以减少钻头磨损。
3.钻压计算:钻压是指施加在钻头上的力,也是钻井过程中的重要参数。
钻压的计算通常包括静态钻压和动态钻压。
静态钻压:静态钻压是钻井过程中,完全停止旋转时,杆柱自身重量作用下施加在钻头上的力。
静态钻压可以通过以下公式计算:P=(m*g*h)/A其中,P是静态钻压;m是钻铤每米的单位质量;g是重力加速度;h 是杆柱长度;A是钻铤的截面积。
动态钻压:动态钻压是指钻井过程中,钻铤旋转时施加在钻头上的力。
动态钻压可以通过以下公式计算:P=(m*a*L)/(A*N)其中,P是动态钻压;m是钻铤每米的单位质量;a是加速度;L是钻铤长度;A是钻铤的截面积;N是转速。
4.旋转速度:旋转速度是指钻铤每分钟的旋转次数。
旋转速度的选择要根据地层硬度、钻铤尺寸、钻头类型等因素进行调整。
通常,对于软层地质,可以适当提高旋转速度;而对于硬岩地层,旋转速度则需要适当降低,以减轻钻头磨损。
总结:钻铤数据和钻压计算是钻井施工的基础,通过合理选择钻铤直径、钻头速度、旋转速度以及计算钻压等参数,可以提高钻井作业的效率和安全性。
工程师在钻铤数据的应用中还应考虑到井型、地质特征以及工程需求等因素,综合分析并进行合理调整,以满足钻井作业的要求。