钻杆常用数据表
- 格式:doc
- 大小:743.50 KB
- 文档页数:18
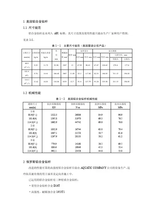
1 美国铝合金钻杆1.1 尺寸规范铝合金钻杆还未列入API标准,其尺寸范围及使用性能只能由生产厂家和用户得到。
见表1-1。
表1-1 主要尺寸规范(美国雷诺公司产品)1.2 机械性能表1-2 美国铝合金钻杆机械性能2 俄罗斯铝合金钻杆改进的性能可靠的高强度铝合金钻杆目前由AQUA TIC COMPANY公司的设备生产,这些钻具被有效的用于深井及定向井施工中。
已运用的铝合金钻杆有三种轻质合金钻杆:﹡常用合金钻杆合金D16T﹡高强度、耐腐蚀合金1953T1﹡特殊耐热合金AK4-1T1以上三种合金的基本物理机械性见表1-3。
表1-3 俄罗斯铝合金物理机械性能注:AK4-1T1合金钻杆只根据需要生产。
且其强度性能与D16T合金钻杆相似,所以AK4-1T1性能未做进一步介绍。
2.1俄罗斯铝合金钻杆几何性能俄罗斯铝合金钻杆有内加厚钻杆(图1-1)和具有相同过流面积的外加厚钻杆(图1-2)两种。
图2-1 图2-2表 1-4和表1-5为俄罗斯内外加厚和外加厚铝合金钻杆的几何性能。
表1-49000mm钻杆是按要求生产的外加厚钻杆(见图1-2):表1-52.2 表1-6、表1-7为俄罗斯D16T和1953T1铝合金钻杆内加厚和外加厚性能:表1-6 D16T铝合金钻杆强度性能表1-7 1953T1铝合金钻杆强度性能3 铝合金钻杆与钢钻杆的比较3.1 硬度比较铝合金的标准布氏硬度是135,E级钢钻杆的布氏硬度是200,所以铝合金钻杆容易产生刻痕,擦伤与凹痕等。
钻井时更易受井壁上的坚硬物的刮削,钻井液中的尖角钢颗粒会楔入铝合金钻杆体而产生疲劳破坏源,所以应经常用磁性装置清除钻井液中钢质颗粒。
由于钻井液中研磨性颗粒的存在,还容易使橡胶护箍的上面与下面产生侵蚀。
3.2 弹性比较铝的弹性模数是7.31×104MPa,比钢小,这就使铝有较大的柔性和较大的拉伸度,这给操作带来麻烦。
如同时吊起几根铝合金钻杆要用双套绳,用隔棒隔开3m左右,或用与钢丝绳相连有橡胶包裹的两个钩子钩在同一钻杆的两端起吊一根,以防绳套改变位置。
现场实用钻井数据手册三、API套管规范(下表中除133/8"和20"为短扣外其它均为长圆扣)螺纹分类及代号四、环容数据表五、处理卡钻事故工具(一)可退式卡瓦打捞筒卡瓦选用表注:蓝瓦、螺瓦内外螺纹为左旋。
捞筒筒体内螺纹为左旋。
(二)可退式打捞矛卡瓦选用表备注:打捞矛的卡瓦内外扣均为左旋。
引锥为正细扣。
(三)开式下击器(四)超级震击器规格备注:目前我油田使用的震击器均为贵州高峰机械厂生产。
(五)随钻震击器规格钻井周期:400-500小时、工作温度范围:0-120度、泥浆PH值:11(六)常用套铣管数据表(七)地面震击器规格和主要参数(八)、加速器规格和主要参数六、钻井泥浆泵排量与压力表(一)3NB1300C钻井泵排量与压力关系表(二)、3NB1600钻井泵排量与压力关系表(三)、干水泥和清水混合量备注:1。
干水泥浆密度3.15;2。
每袋水泥重50Kg。
七、定向井工艺(一)、定向井分类:a、按段制分:常规定向井可分为二、三、四、五段。
b、按井眼轴线形状分:两维定向井、三维定向井。
c、按井斜角分:低斜度定向井:设计最大井斜角不超过15度中斜度定向井:设计最大井斜角不超过15度至45度之间,大斜度定向井:设计最大井斜角在46度至85度之间,水平井:设计最大井斜角在86度至120度之间,并沿水平方向钻进一定长度的井。
根据造斜井段的曲率半径又可细分为长、中、中短、短四种曲率半径的水平井。
(二)大港螺杆常规钻具规格及性能参数表八、API钻具技术参数(一)、API接头丝扣规范(二)、钻杆允许扭转系数表(三)螺纹互换表(四)加重钻杆(五)、钻杆接头扭矩表(六)、API钻铤规范(七)、钻具抗拉、抗扭、及挤毁数据九、现场常用计算公式(一)钻井液循环一周所需时间T=(V井—V柱)/60×QV井——井筒容积,升;V柱——钻柱体积,升;Q——钻井液排量,升/秒;T——循环一周的时间,分。
(二)配制1m3水泥浆需要的干水泥量T=ρc x(ρS—1)/(ρc—1)ρc——干灰密度,g/cm3;ρS——水泥浆密度,g/cm3。
现场实用钻井数据一、常用单位换算表二、干水泥和清水混合量备注:1。
干水泥浆密度; 2。
每袋水泥重50Kg。
三、API套管规范(下表中除133/8"和20"为短扣外其它均为长圆扣)三、环容数据表(一)各尺寸井眼容积与套管的环空容积(L/m)(二)各尺寸井眼容积与钻具的环空容积(L/m)(三)特殊钻具使用参数(四)部分常用尺寸和长度的钻杆钢材体积(排代量)四、钻井泥浆泵排量与压力表(一)3NB1300C钻井泵排量与压力关系表(二)、3NB1600钻井泵排量与压力关系表五、常用套铣管数据表六、弯接头的测量与检查1.如图所示,弯接头公扣端的中心线与弯接头本体的中心线偏离一定角度,此角度即为弯接头的度数k。
2.弯接头度数计算公式如下:式中:a--长边长度,毫米b--短边长度,毫米d--本体直径,毫米k--弯接头度数,度七、API钻具技术参数(一)、钻杆允许扭转系数表钻杆外径(英寸)扭转系数(圈/米) APID级E级G105S1352 7/83 1/255 1/2(二)、螺纹互换表(三)加重钻杆(四)API钻铤规范八、现场常用计算公式(一)钻井液循环一周所需时间T=(V井—V柱)/60×QV井——井筒容积,升; V柱——钻柱体积,升;Q——钻井液排量,升/秒; T——循环一周的时间,分。
(二)配制1m3水泥浆需要的干水泥量T=ρc x(ρS—1)/(ρc—1) ρc——干灰密度,g/cm3;ρS——水泥浆密度,g/cm3。
(三)卡点计算:L=K(e/p) L——卡点深度,米E——钻杆连续提升时平均伸长,厘米P——钻杆连续提升时平均拉力,吨K——计算系数(四) 浮重计算公式浮重=悬重×(1-泥浆密度/铁的密度),铁密度=cm3,九、井控有关计算(一)、压井有关计算a. 1 关井立管压力P d=P t-P c (1)式中:P d-—关井立管压力(MPa);P t—压井排量循环时的立管压力值(MPa);P c—压井低泵速下循环泵压(MPa)。
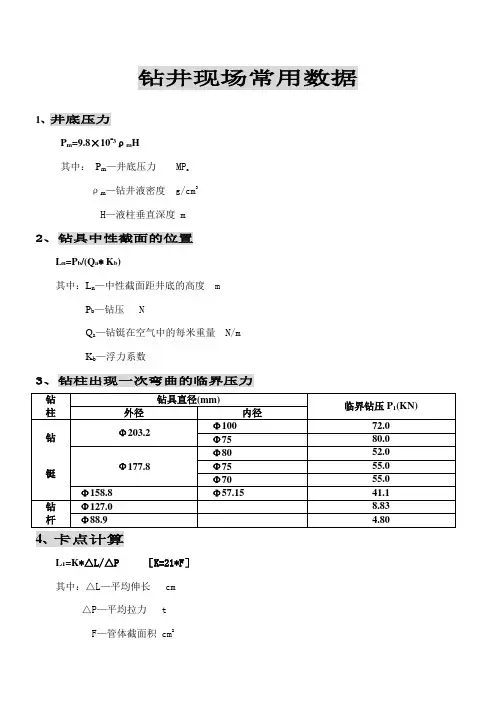
钻井现场常用数据1、井底压力P m=9.8×10-3ρm H其中:P m—井底压力 MP aρm—钻井液密度 g/cm3H—液柱垂直深度 m2、钻具中性截面的位置L n=P b/(Q a* K b)其中:L n—中性截面距井底的高度 mP b—钻压 NQ a—钻铤在空气中的每米重量 N/mK b—浮力系数3、钻柱出现一次弯曲的临界压力4、卡点计算L1=K*△L/△P [K=21*F]其中:△L—平均伸长 cm△P—平均拉力 tF—管体截面积 cm2各种常用管具K植表:5、钻杆允许扭转圈数N=K * H其中:N—允许扭转圈数, 圈;H—卡点深度,m;K—扭转系数,圈/米;各种钻杆K值:(API.E级)Φ127mm K=0.00551Φ89mm K=0.00787Φ73mm K=0.009576、泥浆循环一周时间T=(V井-V柱)/60*Q其中:T一循环一周所需时间min;V井一井眼容量,L;V柱一管柱体积,L;Q一泥浆排量L/s7、泥浆上返速度V返=12.7*Q/( D井2- D柱2)其中:V返一泥浆上返速度m/s;Q一泥浆排量L/s;D井一井径cm;D柱一钻柱外径cm;8、常用钻铤、钻杆基本数据9、益都3NB-1300泵排量表10、常用井眼容积量10、单弯钻具结构与性能参数11. API接头扣型与国内名称对照注意:1.某些NC型扣型可以与FH、IF型接头互换2.国内的接头加工尺寸与API标准略有误差3.IF=内平扣;FH=贯眼扣;REG=正规扣12、钻具尺寸***各类井眼钻具组合。
现场实用钻井数据一、常用单位换算表二、干水泥和清水混合量备注:1。
干水泥浆密度3.15;2。
每袋水泥重50Kg。
三、API套管规范(下表中除133/8"和20"为短扣外其它均为长圆扣)三、环容数据表(一)各尺寸井眼容积与套管的环空容积(L/m)(二)各尺寸井眼容积与钻具的环空容积(L/m)(三)特殊钻具使用参数(四)部分常用尺寸和长度的钻杆钢材体积(排代量)四、钻井泥浆泵排量与压力表(一)3NB1300C钻井泵排量与压力关系表(二)、3NB1600钻井泵排量与压力关系表五、常用套铣管数据表六、弯接头的测量与检查1.如图所示,弯接头公扣端的中心线与弯接头本体的中心线偏离一定角度,此角度即为弯接头的度数k。
2.弯接头度数计算公式如下:式中:a--长边长度,毫米b--短边长度,毫米d--本体直径,毫米k--弯接头度数,度七、API钻具技术参数(一)、钻杆允许扭转系数表钻杆外径(英寸)扭转系数(圈/米) APID级E级G105 S1352 7/8 0.007 0.0095 0.0134 0.0173 1/2 0.006 0.0078 0.0110 0.0145 0.004 0.0055 0.0077 0.009 5 1/2 0.0036 0.005 0.0070 0.009(三)加重钻杆(四)API钻铤规范(五)、钻具抗拉、抗扭、及挤毁数据八、现场常用计算公式(一)钻井液循环一周所需时间T=(V井—V柱)/60×QV井——井筒容积,升;V柱——钻柱体积,升;Q——钻井液排量,升/秒;T——循环一周的时间,分。
(二)配制1m3水泥浆需要的干水泥量T=ρc x(ρS—1)/(ρc—1) ρc——干灰密度,g/cm3;ρS——水泥浆密度,g/cm3。
(三)卡点计算:L=K(e/p) L——卡点深度,米E——钻杆连续提升时平均伸长,厘米P——钻杆连续提升时平均拉力,吨K——计算系数(四) 浮重计算公式浮重=悬重×(1-泥浆密度/铁的密度),铁密度=7.85g/cm3,九、井控有关计算(一)、压井有关计算a. 1 关井立管压力P d=P t-P c (1)式中:P d-—关井立管压力(MPa);P t—压井排量循环时的立管压力值(MPa);P c—压井低泵速下循环泵压(MPa)。
现场实用钻井数据、常用单位换算表、干水泥和清水混合量备注:1。
干水泥浆密度;2。
每袋水泥重50Kg。
三、API 套管规范38三、环容数据表(一)各尺寸井眼容积与套管的环空容积(L/m)(二)各尺寸井眼容积与钻具的环空容积(三)特殊钻具使用参数四、钻井泥浆泵排量与压力表(一)3NB1300C钻井泵排量与压力关系表六、弯接头的测量与检查1.如图所示,弯接头公扣端的中心线与弯接头本体的中心线偏离定角度,此角度即为弯接头的度数耆接头岳薫因2.弯接头度数计算公式如下:式中:a ----- 长边长度,毫米-- 短边长度,毫米――本体直径,毫米――弯接头度数,度七、API钻具技术参数钻杆外径(英寸)扭转系数(圈/米)APID级E级G105 S1352 了/*3 1/2 5 5 1/2八、现场常用计算公式(一)钻井液循环一周所需时间T=(V 井一V柱)/60 XQV井——井筒容积,升;V 柱——钻柱体积,升;Q --- 钻井液排量,升/秒;T ------------- 循环一周的时间,分。
(二)配制im水泥浆需要的干水泥量T=p c x(p S—1)/(p c—1)p c 干灰密度,g/cm3; p S水泥浆密度, g/cm3。
(三)卡点计算:L=K(e/p) L ――卡点深度,米E――钻杆连续提升时平均伸长,厘米P――钻杆连续提升时平均拉力,吨K计算系数(四)浮重计算公式浮重=悬重X( i-泥浆密度/铁的密度),铁密度=cm,九、井控有关计算(一)、压井有关计算a. 1关井立管压力P d=R-R (1)式中:R-—关井立管压力(MPa);R —压井排量循环时的立管压力值(MPa);R—压井低泵速下循环泵压(MPa)。
2地层压力的计算:P P= P d+p m H 式中:P P—地层压力(MPa); p m—关井时钻柱内未侵钻井液密度(g/cm 3);H —钻头所在垂直井深(m)。
3确定压井所需钻井液密度p m1据关井立管压力计算p m1:P m1= p m + +式中: 0.0098H p —钻井液密度附加量,单位 (g/cm 3):油水井r =〜;气井r = 据地层压力计算 p mi4钻柱内外容积的计算钻柱内外总容积VV =V i +V 2式中:V —钻柱内外容积(m 3);V i —钻柱内容积(m 3);V 2—钻柱与裸眼环空容积(m 3);所需压井液量为钻柱内外总容积的〜2倍。
钻井现场常用计算1、井底压力:P m = 9.8 ×10-3ρm HP m -- 井底压力MPaρm -- 钻井液密度g/cm3H -- 液柱垂直深度m2、井底有效压力(平衡压力)P b = P m +ΔPP b -- MPaP m -- MPaΔP -- 压力附加值油井ΔP=1.5~3.5MPa, 气井ΔP=3.0~5.0MPa3、压井钻井液密度计算ρm1=ρm + 102P d/Hρm1-- 压井密度g/cm3ρm -- 原始密度g/cm3P d -- 关井立压MPaH -- 井涌地层垂深m4、钻具中性截面的位置L n = P b (Q a·K b)L n-中性截面距井底的高度mP b-钻压NQ a-钻铤在空中的每米重量N/mK b-浮力系数5、钻柱出现一次弯曲的临界压力6、卡点计算L1 = K·ΔL/ΔP其中:K=21 FΔL -平均伸长cmΔP -平均拉力tonF -管体截面积cm2常用管具K值见下表:7、钻杆允许扭转圈数N=K·HN-扭转圈数K-系数圈/米H-卡点深度m钻杆K值(API E级)Φ127mm K=0.00551Φ89mm K=0.00787Φ73mm K=0.009578、加重剂计算W重=[V原·ρ重(ρ加-ρ原)]/(ρ重-ρ加)W重-重晶石用量tonV原-原浆体积m3ρ加-加重后泥浆密度g/cm3ρ原-原浆密度g/cm3ρ重-重晶石密度g/cm39、泥浆循环一周时间T=(V井-V柱)/60QT-循环一周所需时间minV井-井眼容量lV柱-管体容积lQ-泥浆排量l/s10、泥浆上返速度V返=12.7Q/(D井2-D柱2)V返-泥浆上返速度m/sQ-泥浆泵排量l/sD井2-井径cmD柱2-钻柱外径cm11、油气上窜速度(迟到时间法)V=[H油-(H头/T迟)·T]/T静V-油气上窜速度m/sH油-油气层深度mH头-循环泥浆时钻头所在井深mT迟-井深H头米时的迟到时间minT -从开泵循环到见到显示时间min-静止时间,即上次停泵至本次开泵时间min T静12、常用钻铤、钻杆基本数据13、井眼容积。
常用钻头钻具体积表1、常用钻具与套管内容积、排代量2、方钻杆有关数据3、平均井径的计算方法井深:H ,井段1:厚h 1,井径d 1;井段2:厚h 2,井径d 2; 井段3:厚h 3,井径d 3; . . . . . . 井段n:厚h n ,井径d n ; 平均井径:Hd h d h d h d h D nn 2233222211++++=4、钻井液在井内环空间的上返速度上返速度V:式中:Q-泵排量,m 3/s D-井眼直径,m d-钻具外径,m5、流型指数与稠度系数的计算公式流型指数n:稠度系数K:或6、NaCl 溶液的含量及密度)/()(785.022s m d D QV -=300600lg32.3ΦΦ=n )100/()510()1020(2300600ft lb K nn Φ=Φ=)()510(47849.0)1020(47849.0600600Pa K nn Φ=Φ=7、常见物质比重表8、泥浆“SI”单位换算表9、泥浆专用词汇、代号、单位对比表10、常用化合物化学符号和常用处理剂代表符号12、5″钻杆不同排量时泥浆在不同井眼中上返速度(米/秒)13、5″钻杆不同井眼起钻泥浆液面下降表(米)4、加重[降低]1m3泥浆所需重晶石(4.2/g)[或加淡水]用量表(Kg)[m3]915、加重一立方米泥浆所需石灰石粉(2.7g/cm3)用量表(Kg)16、研究泥浆性能的一些数学公式7、有机化合物官能团名称表18钻具数据19、泥浆泵排量计算公式泥浆泵排量:式中:λ——容积系数,按0.8计;S——活塞冲程,cm;n——每分钟冲数;F——缸套面积,cm2;f——拉杆截面积,cm2;m——计算系数:双缸作用泵m=30,三缸作用泵m=20。
泥浆泵的允许泵压:式中:N泵——输入泵的最大功率(马力)×泵的机械效率;)/(1000)2(slmfFnSQ⋅-⋅⋅=λ)(75.0MPaQNP泵泵压=Q——泵最大冲数时的理论排量(升/秒)。
常用钻具紧扣扭矩表ZQ100液压大钳与扭矩对应关系(Q10Y-M液气大钳:额定流量:107L/min,最高压力:210Kg/cm2,电机功率:40KW)钻杆,加重钻杆上扣扭矩KN·m 液压大钳压力MPa 规格扣型新一级二级新一级二级2 3/8″DP NC26 4.7 4.4 4.1 1.0 0.9 0.827/8″DP NC31 11.8 10.4 9.3 2.1 1.9 1.7 31/2″DP, WDP NC38 18.0 17.1 14.9 3.1 2.9 2.6 4″DP HT40 27.0 4.541/2″DP, WDP NC46 34.5 26.0 21.0 5.8 4.4 3.65″DP, WDP NC50 43.0 38.5 33.4 7.2 5.5 5.65″非标DP NC52T 50.3 39.6 32.2 8.0 6.7 5.5 51/2″DP, WDP 51/2″FH 57.0 46.0 39.0 9.5 7.6 6.5 1Mpa≈4.53KN·m,1KN·m≈0.22072MPa钻铤及稳定器规格扣型上扣扭矩KN·m 液压大钳压力MPa 31/2″DC NC26 6.3 1.2041/8″DC NC31 9.2 1.6043/4″DC NC35 14.7 2.50 61/4″DC (81/2″LF) NC46 24.4 4.107″DC (91/2″LF) NC50 43.4 7.208″DC (121/4″LF) NC56 65.2 10.8 9″DC (16″,171/2″,26″LF) NC61 92.3 15.20 11″DC NC77 142.5 23.30推荐钻头上扣扭矩表钻头规格API正规扣扭矩KN·m(Mpa) 上体外径(mm)37/8″~41/2″23/8″ 4.1~4.7(1.04)8043/4″~5″27/8″8.2~9.5(2.09) 9457/8″~63/4″31/2″9.5~12.2(2.69) 108~12071/2″~83/4″41/2″16.3~21.7(4.79) 146~15291/2″~141/2″65/8″33.03~43.3(9.56) 193~196143/4″~171/2″75/8″46.94~54.2(11.96) 260~266取芯工具外筒紧扣扭矩工具系列尺寸紧扣扭矩KN·m(Mpa) 备注250P(63/4″) 171.45mm×101.6mm 13.4~16.3(2.33~2.84)白棕绳搭上猫头算一圈,二挡3道250P(43/4″) 120.65mm×66.675mm 5.5~6.6(0.91~1.12) 白棕绳搭上猫头算一圈,二挡2道川式川7-4 12.5~13.3(2.13~2.33)白棕绳搭上猫头算一圈,二挡3道川式川5-4 6.0~7.0(1.01~1.22)白棕绳搭上猫头算一圈,二挡2道注:1)扭矩大时:起钻必须上下倒换钻具。
现场实用钻井数据一、常用单位换算表
二、干水泥和清水混合量
备注:1。
干水泥浆密度; 2。
每袋水泥重50Kg。
三、API套管规范
(下表中除133/8"和20"为短扣外其它均为长圆扣)
3
4
三、环容数据表
(一)各尺寸井眼容积与套管的环空容积(L/m)
(二)各尺寸井眼容积与钻具的环空容积(L/m)
v1.0 可编辑可修改(三)特殊钻具使用参数
7
(四)部分常用尺寸和长度的钻杆钢材体积(排代量)
四、钻井泥浆泵排量与压力表
(一)3NB1300C钻井泵排量与压力关系表
(二)、3NB1600钻井泵排量与压力关系表
五、常用套铣管数据表
v1.0 可编辑可修改51/2双级500 41/2双级390
六、弯接头的测量与检查
1.如图所示,弯接头公扣端的中心线与弯接头本体的中心线偏离一
定角度,此角度即为弯接头的度数k。
2.弯接头度数计算公式如下:
式中:a--长边长度,毫米
b--短边长度,毫米
d--本体直径,毫米
k--弯接头度数,度
七、API钻具技术参数(一)、钻杆允许扭转系数表
(二)、螺纹互换表
(三)加重钻杆
(四)API钻铤规范
八、现场常用计算公式
(一)钻井液循环一周所需时间
T=(V井—V柱)/60×Q
V井——井筒容积,升; V柱——钻柱体积,升;
Q——钻井液排量,升/秒; T——循环一周的时间,分。
(二)配制1m3水泥浆需要的干水泥量
T=ρc x(ρS—1)/(ρc—1) ρc——干灰密度,g/cm3;ρS——水泥浆密度,g/cm3。
(三)卡点计算:
L=K(e/p) L——卡点深度,米
E——钻杆连续提升时平均伸长,厘米
P——钻杆连续提升时平均拉力,吨
K——计算系数
钻杆计算系数K值表
(四) 浮重计算公式
浮重=悬重×(1-泥浆密度/铁的密度),铁密度=cm3,
九、井控有关计算
(一)、压井有关计算
a. 1 关井立管压力 P d =P t -P c (1)
式中:P d-—关井立管压力(MPa);
P t —压井排量循环时的立管压力值(MPa); P c —压井低泵速下循环泵压(MPa)。
2 地层压力的计算:
P p = P d +ρm H 式中:P P —地层压力(MPa); ρm —关井时钻柱内未侵钻井液密度(g/cm 3); H —钻头所在垂直井深(m)。
3 确定压井所需钻井液密度ρm1 据关井立管压力计算ρm1: ρm1=ρm +
H
p d
0098.0+ρ
式中:ρ—钻井液密度附加量,单位(g/cm 3
):油水井r = ~;气井r = ~。
据地层压力计算ρm1:
ρm1=
H
P p 0098.0+r 式中:
ρm1—压井所需的钻井液密度 (g/cm 3)。
4 钻柱内外容积的计算 钻柱内外总容积V :
V =V 1+V 2
式中:V —钻柱内外容积(m 3
);
V 1—钻柱内容积(m 3); V 2—钻柱与裸眼环空容积(m 3);
所需压井液量为钻柱内外总容积的~2倍。
5 计算注入压井液的时间t , min
t = t 1+t 2
压井液从地面到钻头所需的时间为t 1:
t 1=
Q
H v 6011
式中:v 1 —钻具容积系数(L/m);
H 1—钻具长度(m); Q —压井排量(L/s)。
压井液充满环空的时间为t 2: t 2=
Q
H v 601
2 式中:v 2 —环空容积系数(L/m)。
6 压井循环时立管总压力的计算 初始循环立管总压力的计算:
P t1 =P d + P ci
式中:P t1— 初始循环立管总压力(MPa);
P ci —压井排量下的循环压力(MPa)。
初始循环立管总压力,也可以通过循环钻井液实际测量,具体测量如下:
a. 关井后记录关井立管压力值;
b. 缓慢启动泵并打开节流阀,控制套压等于关井套压;
c. 使排量达到确定的压井排量,同时调节节流阀,使套压保持关井套压不变;
d. 记录此时的立管压力,既为初始循环立管总压力。
压井液到钻头时的立管终了循环总压力P tf 的计算:
P tf =
m
m ρρ1×P ci
式中:P tf —立管终了循环总压力(MPa)。
7.判断溢流的类型 设G w 为溢流压力梯度,则
G w =G m
式中G m ——钻具内钻井液压力梯梯度度,MPa/m ;
h w ——井底溢流高度,m ; Pa —关井套管压力,MPa ; Pd —关井立管压力,MPa ; h w = v 1/v 2
式中 v 1——溢流体积,m 3
;v 2——环空容积系数,m 3
/m 。
若G w 在~m 之间,则为盐水溢流; 若G w 在~m 之间,则为天然气溢流; 若G w 在~m 之间,则为油或混合流体溢流。
(二)、油气上窜速度计算
静
迟钻头油t t t
H H V ⨯-=
式中:V 油气上窜速度,米/分;
H 钻头 循环钻井液时钻头所在井深,米; t 迟 井深(H 钻头)米时的迟到时间,分; t 从开始循环至见油气显示的时间,分;
t 静 静止时间,既上次起钻停泵至本次开泵的时间,分。
(三)、地层破裂当量密度计算
U=ρ+
H
p 0098.0漏
U —地层破裂压力密度,g/cm 3
; ρ—钻井液密度,g/cm 3
;
P 漏—地层漏失时立管压力,MPa ; H — 漏失地层深度,米。