白酒日常监督检查要点表
- 格式:doc
- 大小:64.50 KB
- 文档页数:4
白酒小作坊日常监督检查结果记录表
填表说明:
1.编号:由四位年度号+四位流水号组成,如2022--0001。
2.对食品小作坊的检查,应为全项目检查。
3.该表一式两份,食品小作坊和监管部门各留存一份。
4.食品小作坊应在显著位置对该表进行公示。
5.结果处理:对未发现不符合项的,勾选“通过检查”一栏;对发现不符合项,但情节显著轻微不影响食品安全的,勾选“责令整改”一栏;对发现不符合项,影响食品安全的,勾选“调查处理”一栏。
发现违反《河南省食品小作坊、小经营店和小摊点管理条例》第七章法律责任规定的,应当依法予以处置。
6.说明:逐项描述发现的问题并详细记录处置措施,可附页。
食品(白酒)生产经营日常监督检查要点表告知页被检查单位:地址:检查人员及执法证件名称、编号:1. 2.检查时间:年月日检查地点:告知事项:我们是监督检查人员,现出示执法证件。
我们依法对你(单位)进行日常监督检查,请予配合。
依照法律规定,监督检查人员少于两人或者所出示的执法证件与其身份不符的,你(单位)有权拒绝检查;对于监督检查人员有下列情形之一的,你(单位)有权申请回避:(1)系当事人或当事人的近亲属;(2)与本人或本人近亲属有利害关系;(3)与当事人有其他关系,可能影响公正执法的。
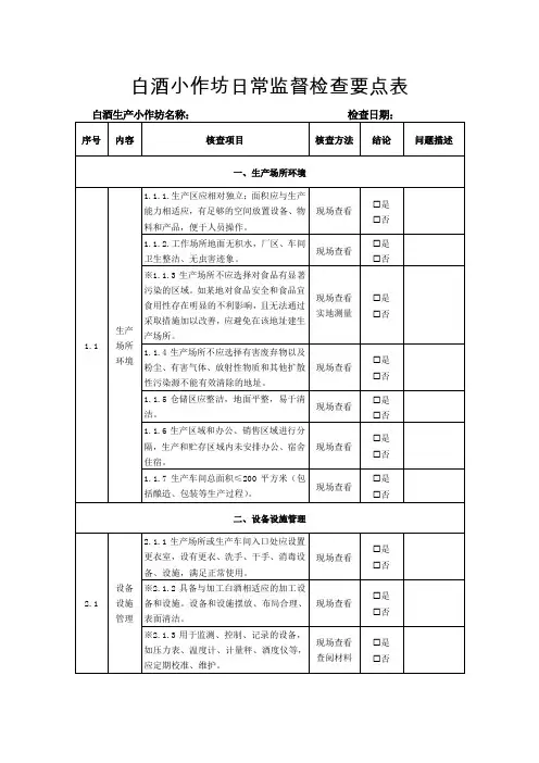
问:你(单位)是否申请回避?答:被检查单位签字:检查人员签字:年月日年月日表1-1食品(白酒)生产日常监督检查要点表说明:1.上表中打*号的为重点项,其他为一般项。
2.每次检查抽查重点项不少于10个,总检查项目不少于20个。
3.如果检查项目存在合理缺项,该项无需勾选“是或否”,并在备注中说明,不计入不符合项数Q表1-2食品(白酒)销售日常监督检查要点表食品通用检查项目:重点项(*)10项,一般项28项,共38项。
特殊场所检查项目:共7项。
说明:1.本要点表共分为两个部分:第一部分为通用检查项目,分为重点项目和一般项,重点项目应逐项检查,一般项可视情况随机抽查;第二部分为特殊场所检查项目,不区分重点项和一般项,应逐项检查。
2.检查过程中,被检查的经营者不涉及的项目,可视为合理缺项并在“备注”栏标注为不适用。
表1-3餐饮服务(白酒)日常监督检查要点表重点项(*)7项,一般项29项,共36项说明:1.表中*号项目为重点项,其他项目为一般项。
每次检查的重点项应不少于3项,一般项应不少于7项。
2.检查结果判定方法:①符合:未发现检查的重点项和一般项存在问题;②基本符合:发现检查的重点项存在1项及以下不合格且70%W一般项合格率V1.Oo%;③不符合:发现检查的重点项存在2项及以上不合格,或一般项合格率<70%。
3.当次检查发现的不合格项目,应列入下次检查必查项目。
白酒企业质量控制检查表
简介
白酒企业质量控制检查表是用于检查白酒生产企业质量控制的表格,主要用于
确保企业生产的白酒符合国家相关标准和要求,提高企业产品的品质和市场竞争力。
检查项目
原料质量
•原料购进记录是否齐全?
•原料来源是否符合国家规定?
•原料是否已进行检验?
•原料贮存条件是否符合规定?
•原料是否按照配比放料?
生产加工过程
•是否按工艺流程操作?
•是否按生产批次管理?
•生产设备管理是否有记录?
•是否定期维护检修设备?
•是否定期清洁生产车间?
产品质量
•产品储存条件是否符合规定?
•产品是否分门别类进行储存?
•产品包装是否符合商标注册要求?
•产品包装是否完好无损?
•产品检验是否出现问题?
质量体系要素
•是否编制了质量手册?
•是否编制了质量管理程序文件?
•是否有内审和管理评审程序?
•是否对不符合质量要求的过程和产品进行纠正措施?
•是否定期进行管理评审?
检查结果
•检查结果分为合格和不合格。
•对于合格的企业,应当及时发布合格证书。
•对于不合格的企业,应当及时整改,重新进行检查。
结论
白酒企业质量控制检查表是保证产品质量的有效手段,对于企业的运营和发展起着至关重要的作用。
企业要始终把质量放在第一位,全面落实质量体系要素,为广大消费者提供更好的产品和服务。
双鸭山市餐饮服务(白酒)日常监督检查要点表告知页被检查单位:地址:检查人员及执法证件名称、编号:1. 2.检查时间:年月日检查地点:告知事项:我们是监督检查人员,现出示执法证件。
我们依法对你(单位)进行日常监督检查,请予配合。
依照法律规定,监督检查人员少于两人或者所出示的执法证件与其身份不符的,你(单位)有权拒绝检查;对于监督检查人员有下列情形之一的,你(单位)有权申请回避:(1)系当事人或当事人的近亲属;(2)与本人或本人近亲属有利害关系;(3)与当事人有其他关系,可能影响公正执法的。
问:你(单位)是否申请回避?答:被检查单位签字:检查人员签字:年月日年月日双鸭山市餐饮服务(白酒)日常监督检查要点表重点项(*)8项,一般项35项,共43项检查项目序号检查内容检查结果备注一、许可管理*1 食品经营许可证合法有效。
□是□否2 经营场所、主体业态、经营项目等事项与食品经营许可证一致。
□是□否3 流程、布局、设备设施等项目与食品经营许可条件一致。
□是□否二、信息公示4 在经营场所醒目位置公示食品经营许可,以及“不得向未成年人销售白酒”告示。
□是□否5 监督检查结果记录表公示的时间、位置等符合要求。
□是□否6 在经营场所醒目位置公示量化等级标识。
□是□否7 在经营场所醒目位置公示食品添加剂采购使用情况。
□是□否三、制度管理8 建立从业人员健康管理、食品安全自查等食品安全管理制度。
□是□否*9 餐饮服务企业建立进货查验记录、食品召回等食品安全管理制度。
*10 制定食品安全事故处置方案。
□是□否11是否落实酒类产品专人采购、专位储藏、专人保管、专人使用、专人记录“五专”管理要求□是□否四、人员管理*12 主要负责人知晓食品安全责任。
□是□否13 餐饮服务企业有食品安全管理人员。
□是□否14 从事接触直接入口食品工作的从业人员持有有效的健康证明。
□是□否*15 有碍食品安全疾病的人员从事接触直接入口食品工作。
酿酒设备日常点检记录表酿酒设备日常点检记录表是确保酿酒生产顺利进行的重要工具。
通过对设备进行定期的点检,可以有效地提高设备使用寿命、预防故障发生、降低维修成本,从而保证酿酒过程的稳定性。
以下是关于酿酒设备日常点检的详细内容。
一、酿酒设备日常点检的重要性酿酒设备是酒厂生产的核心组成部分,其运行状态直接影响到产品的质量和产量。
在日常生产过程中,设备会受到物料、温度、压力等多种因素的影响,导致设备性能下降、磨损加剧。
通过日常点检,可以及时发现设备的异常情况,确保设备安全、稳定、高效地运行。
二、酿酒设备日常点检内容1.设备外观检查:检查设备表面是否有破损、变形、锈蚀等现象,以及设备连接部件是否紧固。
2.设备运行状况检查:检查设备的运行速度、振动、噪音等参数,判断设备是否存在异常。
3.设备清洁度检查:检查设备内外部是否有积尘、油污等,确保设备清洁干净。
4.设备安全措施检查:检查设备的安全防护设施是否完好,如限位器、防护罩等。
三、如何进行酿酒设备日常点检1.制定点检计划:根据设备的运行情况和厂内生产计划,制定合理的点检周期和内容。
2.确定点检标准:依据国家相关标准和厂内实际需求,制定点检标准,作为判断设备是否正常的依据。
3.培训点检人员:对点检人员进行专业培训,确保他们具备足够的知识和技能进行点检。
4.建立点检记录制度:将点检结果记录在点检表上,便于管理人员查看和分析,为设备维护提供依据。
四、日常点检对酿酒设备管理的意义1.提高设备使用寿命:通过日常点检,可以及时发现并排除设备隐患,延长设备使用寿命。
2.预防设备故障:日常点检有助于发现设备潜在问题,提前进行维修,避免故障发生。
3.降低维修成本:故障停机损失巨大,通过日常点检降低故障率,从而降低维修成本。
4.确保酿酒过程顺利进行:设备是酿酒生产的基础,只有确保设备运行正常,才能保证产品质量及产量。
总之,酿酒设备日常点检是酒厂管理的重要组成部分。
通过对设备进行定期的检查和维护,可以提高设备运行效率,降低生产成本,确保酿酒过程的顺利进行。
双鸭山市餐饮服务(白酒)日常监督检查要点表
告知页
被检查单位:地址:
检查人员及执法证件名称、编号:1. 2.
检查时间:年月日
检查地点:
告知事项:
我们是监督检查人员,现出示执法证件。
我们依法对你(单位)进行日常监督检查,请予配合。
依照法律规定,监督检查人员少于两人或者所出示的执法证件与其身份不符的,你(单位)有权拒绝检查;对于监督检查人员有下列情形之一的,你(单位)有权申请回避:(1)系当事人或当事人的近亲属;(2)与本人或本人近亲属有利害关系;(3)与当事人有其他关系,可能影响公正执法的。
问:你(单位)是否申请回避?
答:
被检查单位签字:检查人员签字:年月日年月日
双鸭山市餐饮服务(白酒)日常监督检查要点表
重点项(*)8项,一般项35项,共43项
检查项目序号检查内容检查结果备注
一、许可管理*1 食品经营许可证合法有效。
□是□否
2 经营场所、主体业态、经营项目等事项与食品经营许可证一致。
□是□否
3 流程、布局、设备设施等项目与食品经营许可条件一致。
□是□否
二、信息公示4 在经营场所醒目位置公示食品经营许可,以及“不得向未成年人销售白酒”告示。
□是□否
5 监督检查结果记录表公示的时间、位置等符合要求。
□是□否
6 在经营场所醒目位置公示量化等级标识。
□是□否
7 在经营场所醒目位置公示食品添加剂采购使用情况。
□是□否
三、制度管理
8 建立从业人员健康管理、食品安全自查等食品安全管理制度。
□是□否*9 餐饮服务企业建立进货查验记录、食品召回等食品安全管理制度。
*10 制定食品安全事故处置方案。
□是□否11
是否落实酒类产品专人采购、专位储藏、专人保管、专人使用、专人记录“五专”
管理要求
□是□否
四、人员管理*12 主要负责人知晓食品安全责任。
□是□否
13 餐饮服务企业有食品安全管理人员。
□是□否
14 从事接触直接入口食品工作的从业人员持有有效的健康证明。
□是□否*15 有碍食品安全疾病的人员从事接触直接入口食品工作。
□是□否
16 餐饮服务企业具有从业人员食品安全培训记录。
□是□否
17 从业人员穿戴清洁的工作衣帽,双手清洁,保持个人卫生。
□是□否
检查项目序号检查内容检查结果备注
五、环境卫生18 食品经营场所保持清洁、卫生。
□是□否
19 烹饪场所配置排风设备,定期清理。
□是□否
20 用水符合生活饮用水卫生标准。
□是□否
21 卫生间保持清洁、卫生,定期清理。
□是□否
六、原料控制(含食品添加剂)*22
查验供货者的许可证和食品出厂检验合格证或者其他合格证明,餐饮服务企业如实
记录有关信息并保存相关凭证。
□是□否23
原料外包装标识符合要求,按照外包装标识的条件和要求规范贮存,并定期检查,
及时清理变质或者超过保质期的食品。
销售散装白酒,是否在散装食品的容器、外
包装上标明白酒的名称、厂家、生产许可证编号或核准证号、配料表、购进数量、
生产日期或者生产批号、酒精度以及生产经营者名称、地址、联系方式等内容。
□是□否24 食品添加剂由专人负责保管、领用、登记,并有相关记录。
□是□否
七、加工制作
过程25 食品原料、半成品与成品在盛放、贮存时相互分开。
□是□否
26 制作食品的设施设备及加工工具、容器等具有显著标识,按标识区分使用。
□是□否
27 专间内由明确的专人进行操作,使用专用的加工工具。
□是□否
28 食品留样符合规范。
□是□否
29 中央厨房、集体用餐配送单位配送食品的标识、储存、运输等符合要求。
□是□否
30 有毒有害物质不与食品一同贮存、运输。
□是□否
八、设施设备
及维护31 专间内配备专用的消毒(含空气消毒)、冷藏、冷冻、空调等设施,设施运转正常。
□是□否
32 食品处理区配备运转正常的洗手消毒设施。
□是□否
33 食品处理区配备带盖的餐厨废弃物存放容器。
□是□否*34 食品加工、贮存、陈列等设施设备运转正常,并保持清洁。
□是□否
检查项目序号检查内容检查结果备注
35 储存散装白酒的容器及储存条件符合国家食品卫生要求,不存在污染问题。
□是□否
36 储存散装酒类或盛装散装酒类流转容器、工具是否有明显的标签标识,并定期消毒
或清洗。
□是□否
37 如使用酒精助燃剂类物品,是否添加蓝色染色剂等易于辨别物质,不与其他产品混
放、混用。
□是□否
38 没有经营无生产许可标识包装酒行为□是□否
39 没有经营自制泡酒、自行勾兑酒情况□是□否
40 餐饮服务单位自酿、调配或泡制酒类原料及产品是否符合相关要求。
自酿酒(含传
统泡酒)只限于本店销售,不使用压力容器,并取得有资质的检验机构出具的检验
合格报告,明示自酿酒材料原辅料相关信息,
□是□否
九、餐饮具
清洗消毒41 集中消毒餐具、饮具的采购符合要求。
□是□否
42 具有餐具、饮具的清洗、消毒、保洁设备设施,并运转正常。
□是□否*43
餐具、饮具和盛放直接入口食品的容器用后洗净、消毒,炊具、用具用后洗净,保
持清洁。
□是□否
说明:1. 表中*号项目为重点项,其他项目为一般项。
每次检查的重点项应不少于3项,一般项应不少于7项。
2. 检查结果判定方法:①符合:未发现检查的重点项和一般项存在问题;②基本符合:发现检查的重点项存在1项及以下不合格且70%≤一般项合格率<100%;③不符合:发现检查的重点项存在2项及以上不合格,或一般项合格率<70%。
3. 当次检查发现的不合格项目,应列入下次检查必查项目。
4.存在合理缺项时,一般项合格率的计算方法为:合格项目数/(检查的项目数-合理缺项的项目数)×100%。