桥梁图纸会审记录
- 格式:doc
- 大小:34.50 KB
- 文档页数:3
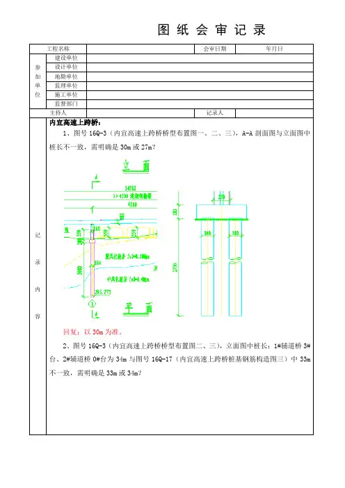
图纸会审记录内宜高速上跨桥:1、图号16Q-3(内宜高速上跨桥桥型布置图一、二、三),A-A剖面图与立面图中桩长不一致,需明确是30m或27m?回复:以30m为准。
2、图号16Q-3(内宜高速上跨桥桥型布置图二、三),立面图中桩长:1#辅道桥3#台、2#辅道桥0#台为34m与图号16Q-17(内宜高速上跨桥桩基钢筋构造图三)中33m 不一致,需明确是33m或34m?回复:34m为准。
3、图号16Q-10(内宜高速上跨桥桥墩承台钢筋构造图二)为1#、2#辅道桥①和②桥墩承台计4个,工程数量表中只有2个承台数量,需要增加钢筋数量?回复:增加工程量,按四个计算。
4、图号16Q-10(内宜高速上跨桥桥台台帽钢筋构造图三、四)中钢筋网片大样图为Φ6钢筋,工程数量表中未Φ10钢筋,需要明确?回复:按Φ10。
5、图号16Q-12(内宜高速上跨桥桥台台帽钢筋构造图三、四)桩柱台台帽无C20砼垫层,是否需要设置C20砼垫层?回复:需设置C20混凝土垫层。
6、图号16Q-12(内宜高速上跨桥台帽钢筋构造图三、四)、图号16Q-13(内宜高速上跨桥耳墙、背墙钢筋构造图一、二、三、四)中混凝土均采用C30,说明中要求垫石、挡块一起浇筑,是否统一采用C40浇筑,需明确?回复:统一采用C40。
7、图号16Q-09(内宜高速上跨桥墩柱及盖梁构造图二、三、六)工程数量表中混凝土采用C50,总说明中要求墩身、盖梁均采用C40浇筑,需明确?回复:以图纸为准,采用C50。
8、图号16Q-09(内宜高速上跨桥桥墩、盖梁钢筋构造图七)为1#、2#辅道桥①和②桥墩盖梁计4个,工程数量表中只有2个盖梁数量,需要增加钢筋数量?回复:增加工程量,按四个计算。
9、图号16Q-08(内宜高速上跨桥桥墩盖梁预应力钢束布置图)中无锚下加强钢筋网片,是否需要设置?回复:需设置锚下加强钢筋网片。
酒都大道上跨桥:1、图号17Q-03(酒都大道上跨桥桥型布置图)中P2桩长9m与图号17Q-24(酒都大道上跨桥桥墩一般构造图二)参数表中P2桩长6m不符,需明确6m或9m?回复:按6m施工。
昌都市农村公路整体承包项目八宿县郭庆乡那塔自然村通达工程(K0+000-K8+444)图纸会审昌都市农村公路整体总承包项目施工第一标段龙建路桥股份有限公司2017年8月30日图纸会审记录时间:2017年8月20日地点:第六项目部会议室主持人:孟庆鑫记录:崔斌参加人员:见参加图纸会审人员签到薄项目总工孟庆鑫:今天把大家组织在一起,主要对我项目部承建的昌都市农村公路整体总承包项目施工第一标段郭庆乡那塔自然村通达工程的施工图进行审核。
为我项目部编制施工组织设计和以后按施工图施工做好准备,如发现图纸有问题以便及时与业主沟通,防止按施工图施工时出现错误。
为把图纸审核好,做如下分工:1、施工图第一篇《总体设计》由孟庆鑫负责审核。
2、施工图第二篇《路线》由崔斌负责审核。
3、施工图第三篇《路基路面》由杨春宇负责审核。
4、施工图第四篇《桥梁、涵洞》由姜晓龙负责审核。
项目经理马明安:对参加图纸会审的工程技术人员提出以下几点要求:1、无论审核那一册图纸,首先应对施工图中《总说明书、路线、环境保护、其他工程、筑路材料、施工组织设计》进行阅读,然后再审自己负责审核的图纸,在审核图纸时应与自己审核的图纸有联系的图纸也进行审核。
2、参加图纸审核的工程技术人员对图纸的审核一定要在思想上高度重视,审核图纸要认真仔细,对图纸的说明、设计要求、备注、注、图形尺寸、结构形式、工程量等不要有遗漏。
3、审核图纸的时间为8月20日至8月30日,8月30日早8点参加图纸会审的人员在会议室对图纸会审的情况进行汇报。
在审核期间由孟庆鑫负责复核工作。
参加图纸会审人员签到薄图纸会审记录时间:2017年8月30日地点:第六项目部会议室主持人:孟庆鑫记录:崔斌参加人员:见参加图纸会审人员签到薄项目总工孟庆鑫:今天把大家组织在一起,主要是各个技术员把各自图纸会审的情况作个汇报。
汇报的顺序按着图纸的册的顺序。
孟庆鑫:经过10天对施工图第一篇《总体设计》的审核,没有发现该册图纸有问题。
图纸会审记录1. 会审概述本文档记录了图纸会审的过程和结果。
图纸会审是一个重要的过程,通过该过程可以确保项目的图纸设计符合要求,减少后续施工中的变更和纠错工作。
会审过程中,参与方有设计方、客户方和施工方。
2. 会审时间和地点•时间:2021年1月1日•地点:XX会议室3. 参与方本次图纸会审的参与方如下:•设计方:ABC设计公司•客户方:XYZ公司•施工方:123建筑公司4. 会审议程本次图纸会审主要讨论了以下议题:1.项目概述和要求2.设计方案讨论3.设计图纸评审5. 会审过程5.1 项目概述和要求会审开始时,由XYZ公司代表对此项目的概述和要求进行了详细说明。
主要包括项目的规模、用途、设计风格、施工周期和预算等方面的要求。
5.2 设计方案讨论设计方ABC设计公司介绍了他们的设计方案,并就以下几个方面进行了深入讨论:•结构设计:讨论了楼层结构、梁柱布置、承重墙位置等方面的设计方案。
设计方对于结构的合理性和安全性进行了解释。
•空调系统设计:讨论了空调系统的设计方案,包括主机位置、风管布置、末端设备选型等方面。
•给排水系统设计:讨论了给排水系统的设计方案,包括水管布置、设备选型和排水口位置等方面。
5.3 设计图纸评审设计方向与会人员展示了设计图纸,并一起进行了评审。
评审主要涵盖了以下内容:•建筑平面图:评审了建筑平面图中的布局和标识,确保符合客户的要求。
•结构图:评审了结构图中的各个构件的布局和连接方式,确保结构的安全性和合理性。
•机电图:评审了机电图中的设备选型和布置,确保满足项目的需求。
6. 会审结果经过会审过程,各方一致认为设计方案和图纸符合项目的要求,并决定将图纸作为基准进行后续施工。
7. 会审结论本次图纸会审的结论如下:1.设计方案和图纸符合项目的要求。
2.图纸被确定为后续施工的基准。
8. 下一步工作在图纸会审结束后,各方将根据会审结果共同进行下一步工作,包括根据图纸进行施工准备、材料采购和施工过程的管理等。
01监理办一标图纸审查记录1、《YS01合同第三册第一分册(桥梁工程)》中沙头一号大桥、沙头二号大桥桥梁平面总体布置图中桥头搭板台后(左右幅)分别为8米、6米,图纸说明中为左台后8米,右台后6米,相矛盾。
2、沙头二号大桥总体布置图缺少B-B剖面图。
3、桥梁图纸中桥墩参数设计表中的i是否为该桥墩出桥面的横坡。
4、《YS01合同第三册第一分册(桥梁工程)》中沙头一号大桥、沙头二号大桥桥梁横坡变化处没有边坡点桩号。
5、沙头二号大桥支座垫石及挡块钢筋构造图中支座垫石平面图有误,设计为正交,图为斜交。
6、沙头二号大桥支座垫石标高核算后与设计不符,相差较大。
7、白沙湾大桥支座垫石平面图支座垫石未编号、未给出支座垫石标高。
8、《YS01合同第三册第一分册(桥梁工程)》中桥梁桩基平面分布图及坐标表中未给出桩基设计中心线桩号。
9、沙门互通主线二号桥支座垫石平面图支座垫石未编号、未给出支座垫石标高及设计参数。
10、《YS01合同第一册(总体设计、路线)》与《YS01合同第三册第一分册(桥梁涵洞)》中对于“中央子午线”描述不一致(分别为121度12分和120度12分)。
11、图纸缺失,主要表现在图纸目录齐全,而相关图纸缺失,如:《YS01合同第一册(总体设计、路线)》目录“TL-16-20-1~15”、“TL-16-0-1~13”、“TY-T28-2~24”、“TY-T30-4~52”正文中无对应图纸;《YS01合同第三册第二分册(桥梁涵洞)》中,缺失“S4-6-1-07(基础桩位平面示意及坐标表)”;《YS01合同第四册第七分册(分离式立交)》目录“TL-T20-4~52”、“S-10-4-1~7”、“TY-T25-4~52”、“S-11-3-1~6”、“TY-T28-2~24”、“TY-T30-4~52”、“S-12-3-1~10”正文中无对应图纸等。
12、桥墩桩基声测管兼做压浆管,声测管露出桩顶部0.5m,但图中与桩基底部距离未明确,无单根桩基声测管长度或重量,通过反算单墩材料数量表中声测管长度,表明声测管长度为桩长+0.5m。
图纸会审记录1. 会审背景在项目开展过程中,为了确保施工图纸的准确性和规范性,以及协调各参与方的设计意见,进行图纸会审是必不可少的环节。
本文档记录了图纸会审的过程、讨论的问题以及最终达成的共识。
2. 参与人员•项目经理:张三•结构设计师:李四•建筑设计师:王五•电气工程师:赵六•给排水工程师:钱七•HVAC工程师:孙八3. 会审内容3.1 结构设计图纸•讨论了楼层承重架构的设计方案,结构设计师李四提供了各种方案的比较及优缺点分析。
•张三提出了关于柱和梁连接方式的疑问,李四提供了详细的连接方式,并得到了其他人的认同。
•讨论了地下室的钢筋配筋和梁板连接的细节,达成了一致意见。
3.2 建筑设计图纸•评审了建筑物外观设计方案。
•讨论了大厅的进出口通道设置及安全疏散通道的规划。
•确定了建筑物的主要材料、颜色等。
3.3 电气设计图纸•讨论了照明布置方案,并对每个区域的照明要求进行了梳理。
•确定了配电箱的安装位置及接线方式。
•讨论了紧急照明系统的布置,提出了改进建议,并得到了一致认可。
3.4 给排水设计图纸•讨论了建筑物的供水管道和排水管道的走向及布置。
•确定了疏水排水系统的设计方案,并提出了改善建议。
•讨论了给水设备和排水设备的选择。
3.5 HVAC设计图纸•讨论了供暖和制冷系统的设计方案。
-确定了主要设备的选型,并对送风口和回风口的布置进行了讨论。
•确定了通风系统的设计指标。
4. 问题和解决方案4.1 结构设计问题及解决方案•问题:柱和梁连接方式是否满足强度要求?–解决方案:李四提供了详细的连接方式,并经过计算验证,满足强度要求。
•问题:地下室的钢筋配筋和梁板连接是否符合规范要求?–解决方案:经过讨论,确定了地下室的钢筋配筋方式,并对梁板连接的细节进行了调整。
4.2 建筑设计问题及解决方案•问题:大厅的进出口通道是否满足安全疏散要求?–解决方案:经过讨论,对进出口通道进行了调整,确保符合安全疏散要求。
•问题:建筑物的外观设计是否满足项目要求?–解决方案:经过评审,确定了外观设计方案,并对细节进行了优化。
导语图纸会审是什么?图纸会审是指工程各参建单位(建设单位、监理单位、施工单位、各种设备厂家)在收到设计院施工图设计文件后,对图纸进行全面细致的熟悉,审查出施工图中存在的问题及不合理情况并提交设计院进行处理的一项重要活动。
图纸会审由建设单位负责组织并记录(也可请监理单位代为组织)。
通过图纸会审可以使各参建单位特别是施工单位熟悉设计图纸、领会设计意图、掌握工程特点及难点,找出需要解决的技术难题并拟定解决方案,从而将因设计缺陷而存在的问题消灭在施工之前。
一、图纸会审的程序1、专业会审(1)收到施工图纸后,班组技术员组织班组长施工人员进行专业会审,对本班组施工项目或本单位工程施工图纸进行熟悉和会审,由班组技术员填写和保存图纸、会审签证和会审记录,重要施工项目可邀请专工技术组长设计代表参加;(2)专业工程处技术组长汇总图纸中存在的问题和需澄清的事项,以工作联系单的方式交项目部工程部一份,要求帮助落实;(3)专业工程处技术组长负责图纸会审提出问题的落实,保存记录并传达到相关专工和技术人员;(4)在图纸专业会审提出的问题没有答复或明确之前,其涉及到的单位分部分项工程不能开工。
2、系统会审(1)专业工程处技术组长组织专工技术员班组长施工人员等进行系统图纸会审;(2)专业工程处进行施工图纸的系统会审时,可邀请有关部室专业技术人员、设计代表甲方及其代表参加;(3)专业工程处技术组长负责办理会审签证,并将通过会审发现的问题、建议和需要澄清的事项以工作联系单的方式,交项目部工程部一份,工程处技术组长负责落实。
3、专业间会审(1)对需进行专业间图纸会审的项目见附件02-1由项目部工程部专工负责组织各专业工程处和有关部室技术人员项目总工/副总设计代表及建设单位代表等相关人员参加;(2)项目部工程部专工对收集到的专业会审和系统会审中存在的问题进行审阅并对图纸中各专业间的技术问题如预埋件设备基础管道接口管道及电缆桥架布置等进行核查澄清;(3)项目部工程部专工负责办理会审签证记录会审中提出的问题以工作联系单的方式向有关单位提出并督促解决。
奎阁临港片区排水干管(驴溪口至渠江污水管道)项目施工图设计文件会审会议纪要会议地点:广安经开区管委会518会议室日期:2017年02月22日9:00主持人:李济参会单位:规建局、财政局、经发局、环安局、恒源公司、重庆市政设计研究院、成都交大工程建设集团有限公司、浙江万里建设工程有限公司。
参会具体人员见会议签到表及照片。
会议议程:1、主持人介绍各单位参会人员;2、由施工单位就设计图疑问进行阐述,设计单位交底并答疑,相关单位发表意见,现就施工图设计交底及图纸会审相关问题记录如下:一、管道部分1、Y-1~Y-4段按照原设计施工回填后,覆盖层仅为-0.5m~0.5m厚。
存在问题:该段为新桥乡水磨村6组耕种农田,为不影响该段农田正常耕种,建议将两个倒虹吸处高程下调1.0m。
回复:各参会单位原则同意该处根据现场实际情况下调 1.0m,并由设计单位出具变更图。
2、原设计8#井至K1+600段管道跨越港前大道,并下穿港前大道路基及华蓥市禄市镇地段。
存在问题:我单位在前期测量放线后及业主前期征地过程中,发现8#井~27#井中因涉及港前大道及华蓥市禄市镇地块,为方便协调征地及施工,建议8#井至27#井(K1+600)段管道改线,并沿港前大道路基边线进行调整,需设计重新出图,并确定工程量。
回复:各参会单位同意改线方案,并由设计单位出具变更图,具体工程量根据变更后设计图重新计量。
3、8#井至27#井(K1+600)段按照上述第2条改线后,有310m经过港前大道深挖方段(测量出开挖深度为15m~20m),该段如果按照明挖施工,则会导致征地面积大量增加,还需开挖港前大道路基(宽约15m),且施工难度巨大。
存在问题:为减少征地面积、减小外部协调干扰、确保项目工期,建议该段变更为暗洞施工。
业主单位回复:不同意变更为暗洞施工,考虑在港前大道土石方开挖后再在道路边沟位置开挖,走道路路床下,由委领导协调交投公司解决。
4、经现场实际测量查勘发现,1#井与污水处理厂内计量器坐标对接相差约40m。
图纸会审记录模板一、图纸会审记录的基本信息1、工程名称:_____2、会审日期:_____3、地点:_____4、参加单位及人员:建设单位:_____设计单位:_____监理单位:_____施工单位:_____二、图纸会审的目的和范围本次图纸会审旨在对施工图纸进行全面审查,发现并解决其中存在的问题,确保施工图纸的准确性、完整性和可操作性,为工程的顺利施工提供保障。
会审范围包括建筑、结构、给排水、电气、暖通等各专业图纸。
三、建筑专业图纸会审要点1、建筑总平面图建筑物的定位坐标、标高是否明确。
周边道路、场地的标高与建筑物的关系是否合理。
消防车道、消防登高面的设置是否符合规范要求。
2、建筑平面图轴线、尺寸标注是否清晰准确。
房间的布局、功能是否满足使用要求。
门窗的位置、尺寸、开启方式是否合理。
楼梯、电梯的位置、数量、尺寸是否符合规范。
3、建筑立面图建筑外立面的造型、色彩是否与效果图一致。
外墙装饰材料、做法的标注是否明确。
门窗的样式、位置与平面图是否对应。
4、建筑剖面图建筑物各层的层高、标高是否准确。
梁、板、柱的位置、尺寸与结构图纸是否一致。
楼梯的踏步高度、宽度是否符合规范。
四、结构专业图纸会审要点1、基础平面图基础的类型、埋深、尺寸是否合理。
基础的持力层、承载力特征值是否明确。
桩基础的桩型、桩长、桩径、桩间距是否符合要求。
2、结构平面图梁、板、柱的编号、尺寸、配筋是否清晰准确。
预留孔洞、预埋件的位置、尺寸是否标注清楚。
结构构件的混凝土强度等级是否明确。
3、结构剖面图各层结构的标高、层高是否准确。
梁、板、柱的节点构造是否合理。
楼梯的结构形式、配筋是否符合规范。
4、结构设计说明工程的抗震设防烈度、抗震等级是否明确。
钢材、混凝土等材料的性能要求是否符合规范。
结构计算的主要参数、荷载取值是否合理。
五、给排水专业图纸会审要点室外给排水管网的布置、走向是否合理。
检查井、化粪池的位置、数量是否满足要求。
给排水管道与其他专业管线的交叉处理是否合理。
昆明市滇池湖岸花园市政工程
1-16米施工进场桥梁
图
纸
会
审
纪
要
建设单位:云南堃驰房地产有限公司
设计单位:昆明市规划设计研究院
监理单位:云南省建安水电工程建设监理有限公司
施工单位:四川广安建设集团有限公司
编制日期:二O一一年十月十九日
图纸会审记录
编号:2011-01 表B3-2
由施工单位整理、汇总、各与会单位会签,并经各单位盖章,有关单位保存一份。
共2页第2页
设计交底记录
编号:2011-01 表B3-2-1
由施工单位整理、汇总、各与会单位会签,并经各单位盖章,有关单位保存一份。
设计交底及图纸会审纪要(A2.1)工程名称:昆明市滇池湖岸花园市政工程
Ⅱ-编号3
图纸会审(续页)(A2.2)工程名称:昆明市滇池湖岸花园市政工程
整理人签字:整理单位:四川广安建设集团有限公司Ⅱ-编号4。