钢结构制作安装焊接工程检验批质量验收记录
- 格式:doc
- 大小:81.00 KB
- 文档页数:2
钢结构工程检验批质量验收记录表
施工测量放线报验单工程名称:贡山县丹当公园修复(二期)工程
土方开挖工程检验批质量验收记录表TJ4.1.1
钢结构零件及部件加工工程检验批质量验收记录
GB50202-2001
钢结构零件及部件加工工程检验批质量验收记录
GB 50205-2001
钢结构防火涂料涂装工程检验批质量验收记录
钢结构制作(安装)焊接检验批质量验收记录
钢构件(钢梯、平台及栏杆)安装检验批质量验收记录表
T
防腐涂料涂装检验批质量验收记录表
技术交底记录GJ1.4
注:本记录一式两份,一份交接受交底人,一份存档。
结构工程质量控制资料核查表GJ1.7
钢结构工程观感质量检查记录GJ1.9
焊缝检查记录GJ2.3.1(通用表)(强制性条文检查通用表)。
钢结构制作(安装)焊接分项工程质量验收记录表钢结构制作(安装)焊接工程检验批质量验收记录表GB50205-2001(Ⅰ)钢结构制作(安装)焊接工程检验批质量验收记录表GB50205-2001(Ⅰ)钢结构制作(安装)焊接工程检验批质量验收记录表GB50205-2001(Ⅰ)钢结构制作(安装)焊接工程检验批质量验收记录表GB50205-2001(Ⅰ)钢结构零、部件加工分项工程质量验收记录表钢结构零、部件加工工程检验批质量验收记录表GB50205-2001(Ⅰ)钢结构零、部件加工工程检验批质量验收记录表GB50205-2001(Ⅰ)钢结构零、部件加工工程检验批质量验收记录表GB50205-2001(Ⅰ)钢结构零、部件加工工程检验批质量验收记录表GB50205-2001(Ⅰ)钢构件组装分项工程质量验收记录表钢构件组装工程检验批质量验收记录表GB50205—2001钢构件组装工程检验批质量验收记录表GB50205—2001钢构件组装工程检验批质量验收记录表GB50205—2001钢构件组装工程检验批质量验收记录表GB50205—2001钢构件预拼装分项工程质量验收记录表钢构件预拼装工程检验批质量验收记录表GB50205-2001钢构件预拼装工程检验批质量验收记录表GB50205-2001钢构件预拼装工程检验批质量验收记录表GB50205-2001钢构件预拼装工程检验批质量验收记录表GB50205-2001单层钢构件安装分项工程质量验收记录表单层钢构件安装工程检验批质量验收记录表GB50205-2001单层钢构件安装工程检验批质量验收记录表GB50205-2001钢结构分部分项及检验批质量验收记录(不用打印)单层钢构件安装工程检验批质量验收记录表GB50205-2001单层钢构件安装工程检验批质量验收记录表GB50205-2001高强度螺栓连接分项工程质量验收记录表高强度螺栓连接工程检验批质量验收记录表GB50205-2001(Ⅱ)高强度螺栓连接工程检验批质量验收记录表GB50205-2001(Ⅱ)高强度螺栓连接工程检验批质量验收记录表GB50205-2001(Ⅱ)高强度螺栓连接工程检验批质量验收记录表GB50205-2001(Ⅱ)。
钢结构分部(子分部)工程质量验收记录C 3.6 编号:工程名称结构类型层数施工单位技术部门负责人质量部门负责人分包单位分包单位负责人分包技术负责人序号分项工程名称检验批数施工单位检查评定验收结论12345678质量控制资料齐全安全和功能检验(检测)报告符合设计要求观感质量验收观感质量为“好”说明验收单位分包单位项目经理日期施工单位项目经理日期勘察单位项目负责人日期设计单位项目负责人日期监理单位总监理工程师日期钢结构制作(安装)焊接分项工程质量验收记录C 3.7 编号:工程名称结构类型检验批数施工单位项目经理项目技术负责人分包单位/分包单位负责人/分包项目经理/序号检验批部位、区段施工单位检查评定结果监理(建设)单位验收意见123456789101112备注检查结论钢结构制作安装焊接工程施工质量符合《钢结构工程施工质量验收规范》(GB50205-2001)的规定,钢结构制作安装焊接分项合格。
项目技术负责人:日期:验收结论监理工程师:(建设单位项目专业技术负责人)日期:钢结构制作(安装)焊接工程报验表B 3.5 编号:工程名称施工单位现我方已完成(层)(轴号或房间)(高程)(部位)的工程,经我方检查符合设计、规范要求、请予以验收。
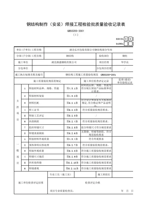
附件:名称页数编号1. □质量控制资料汇总表页2. □隐蔽工程检查记录表页3. □预检记录页4. □施工记录页5. □施工试验记录页6. □分部工程质量检验评定记录页7. □分项工程质量检验评定记录页8. □检验批质量验收记录表页9. □页质量检验员(签字):技术负责人(签字):日期:审查意见:所报隐蔽工程的技术资料齐全,且符合要求,经现场检测,核查合格,同意隐蔽;所报检验批的技术资料齐全,且符合要求,经现场检测、核查合格,同意隐蔽;□不合格审查结论:□合格监理单位:(总)监理工程师(签字):日期:钢结构制作(安装)焊接工程检验批质量验收记录表GB50205-2001(Ⅰ)010901020401单位(子单位)工程名称分部(子分部)工程名称主体结构钢结构验收部位施工单位项目经理分包单位分包项目经理施工执行标准名称及编号《钢结构工程施工质量验收规范》(GB50205-2001)施工质量验收规范的规定施工单位检查评定记录监理(建设)单位验收记录主控项目1 焊接材料品种、规格第4.3.1条焊条、焊丝、焊剂等材料有产品质量合格证明文件,符合设计和相关要求2 焊接材料复验第4.3.2条有见证复验报告,符合设计要求3 材料匹配第5.2.1条焊材与母材相互匹配,并按要求烘焙存放,见烘焙记录,符合设计要求4 焊工证书第5.2.2条操作焊工有上岗证5 焊接工艺评定第5.2.3条为首次采用,有焊接工艺评定报告6 内部缺陷第5.2.4条见超声波探伤检测报告,达到二级焊缝,符合设计要求7 组合焊缝尺寸第5.2.5条焊角尺寸的偏差为0-3mm,符合规范要求8 焊缝表面缺陷第5.2.6条焊缝表面无裂纹、焊瘤、气孔、夹渣等缺陷一般项目1 焊接材料外观质量第4.3.4条焊条药皮完好,焊芯无腐蚀,焊剂未受潮,符合要求2 预热和后热处理第5.2.7条有预热的施工记录,预热区在焊热两侧,每侧宽度200mm3 焊缝外观质量第5.2.8条焊缝外观符合二级焊缝标准4 焊缝尺寸偏差第5.2.9条符合设计要求5 凹形角焊缝第5.2.10条焊缝金属与母材平缓过渡,符合要求6 焊缝感观第5.2.11条外观均匀,成型良好,焊道与基本金属过渡平滑,焊渣和飞溅物已清除干净施工单位检查评定结果专业工长(施工员)施工班组长经检查,主控项目、一般项目均符合设计要求和《钢结构工程施工质量验收规范》(GB50205-2001)的规定,评定合格。
建筑钢结构工程检验批质量验收记录表
项目名称:______________________
建设单位:______________________
施工单位:______________________
监理单位:______________________
检验批次:______________________
以上为建筑钢结构工程检验批质量验收记录表的样本。
根据具体工程情况和技术要求,填写构件名称、规格型号、构件数量、技术要求,并进行逐项检验。
填写检验结果,如合格或不合格。
如有需要,可以在备注栏中添加额外信息。
验收记录表可根据具体工程的要求进行自定义和修改,以满足实际需要。
请注意,本文档仅为样本,具体填写内容需要根据实际工程情况进行调整。
填写时应严格按照项目要求和相关规范进行操作。
钢结构分项工程检验批质量验收记录表钢结构(钢构件焊接)分项工程检验批质量验收记录
钢结构(焊钉焊接)分项工程检验批质量验收记录
钢结构(普通紧固件连接)分项工程检验批质量验收记录
钢结构(高强度螺栓连接)分项工程检验批质量验收记录
钢结构(零件及部件加工)分项工程检验批质量验收记录
钢结构(构件组装)分项工程检验批质量验收记录
钢结构(预拼装)分项工程检验批质量验收记录
钢结构(单层结构安装)分项工程检验批质量验收记录
钢结构(单层结构安装)分项工程检验批质量验收记录
钢结构(网架结构安装)分项工程检验批质量验收记录
钢结构(钢管桁架结构)分项工程检验批质量验收记录
钢结构(预应力索杆及膜结构)分项工程检验批质量验收记录
钢结构(压型金属板)分项工程检验批质量验收记录
钢结构(防腐涂料涂装)分项工程检验批质量验收记录
钢结构(防火涂料涂装)分项工程检验批质量验收记录。
单层纲结构安装检验批质验收记录项目名称:单层纲结构安装检验项目编号:***检验时间:****检验地点:****一、项目概述本次检验是对单层纲结构安装过程进行质量验收,以确保安装质量符合相关要求,保证施工质量和工程安全。
二、检验内容1.单层纲结构安装材料的质量和外观;2.单层纲结构安装是否符合相关规范和要求;3.单层纲结构安装是否牢固、稳定。
三、检验过程1.准备工作在开始检验之前,检验人员先进行了准备工作,包括确认检验所需的工具和设备,准备检验记录表格等。
2.材料质量和外观检验对单层纲结构安装所用材料进行质量和外观检验。
检验人员对主要材料进行了抽样检验,并对样品进行了外观和质量检查。
确认材料质量符合相关要求。
3.安装是否符合相关规范和要求检验对单层纲结构安装过程进行检验,检验人员仔细查看了施工图纸、施工工艺等资料,并对实际施工情况进行了实地检验。
确认施工过程符合相关规范和要求。
4.安装牢固、稳定性检验对单层纲结构的安装进行牢固性和稳定性检验。
检验人员对安装的连接处、固定件、连接件等进行了检查,并进行了相应的测试。
确认单层纲结构安装牢固、稳定。
四、检验结果经过检验,单层纲结构安装质量符合相关要求,通过了本次质量验收。
安装过程中未发现材料、施工等质量问题和隐患,整体质量稳定可靠,符合设计要求和施工规范。
五、存在的问题及处理对策在检验过程中,未发现明显的质量问题或安全隐患。
如果发现任何问题,我们将立即采取措施进行处理,确保施工质量和工程安全。
六、下一步工作根据本次检验结果,我们将及时总结经验,及时整改存在的问题,并进行进一步的施工作业。
同时,继续加强施工现场的管理,做好施工质量的监督和控制。
七、检验记录本次检验的详细记录见附件。
八、检验人员签名检验人员1:检验人员2:以上为单层纲结构安装检验批质验收记录。
SG—T068填写说明
一、本表适用于钢结构(预拼装)分项工程检验批质量的检查验收记录。
钢构件预拼装工程可按钢结构制作工程检验批的划分原则划分为一个或若干个检验批。
二、主控项目中:
高强度螺栓和普通螺栓连接的多层板叠,应采用试孔器进行检查,且应符合下列规定:
(1)当采用比孔公称直径小1.0mm的试孔器检查时,每组孔的通过率不应小于85%;
(2)当采用比螺栓公称直径大0.3mm的试孔器检查时,通过率应为100%。
三、一般项目中:预拼装的允许偏差应符合本规范附录D表D的规定。
施工安全技术交底
编号:
技术负责人:交底人:
钢结构制作安装焊接工程检验批质量验收记录表
普通紧固件连接工程检验批质量验收记录表
高强螺栓连接工程检验批质量验收记录表
钢结构零部件加工工程检验批质量验收记录表
钢构件组装工程检验批质量验收记录表
单层钢结构安装工程检验批质量验收记录表
防腐涂料涂装工程检验批质量验收记录表
钢结构预拼装工程检验批质量验收记录表
钢结构分部工程观感质量检查验收记录表
防火涂料涂装工程检验批质量验收记录表
压型金属板工程检验批质量验收记录表
钢网架安装工程检验批质量验收记录表
多层钢结构安装工程检验批质量验收记录表。