钢结构焊接检验批
- 格式:doc
- 大小:622.00 KB
- 文档页数:27
1 2 3
4
5 6
检验方法:观察检查。
检查数量:每批同类构件抽查10%,且不应少于3件;被抽查构件中,每种焊缝按数量各抽查5%,总抽查处不应少于5处。
检验方法:观察检查。
检查数量:每批同类构件抽查10%,且不应少于3件;被抽查构件中,每种焊缝按条数各抽查5%,但不应少于1条;每条检查1处,总抽查数不应少于10处。
检验方法:用焊缝量规检查。
检验方法:观察检查或使用放大镜、焊缝量规和钢尺检查。
检查数量:按量抽查 1%,且不应少于 10 包。
检验方法:观察检查。
检查数量:全数检查。
检验方法:检查预、后热施工记录和工艺试验报告。
检查数量:每批同类构件抽查10%,且不应少于3件;被抽查构件中,每一类型焊缝按条数抽查5%,且不应少于1条;每条检查1处,总抽查数不应少于10处。
钢结构焊接检验批质量验收记录注:本表内容的填写需依据《现场验收检验批检查原始记录》。
本检验批质量验收的规范依据见本页背面。
填写说明一、填写依据1 《钢结构工程施工质量验收规范》GB50205-2001。
2 《建筑工程施工质量验收统一标准》GB50300-2013。
二、检验批划分钢结构制作(安装)焊接工程可按相应的钢结构制作或安装工程检验批的划分原则划分为一个或若干个检验批。
单层钢结构安装工程可按变形缝或空间刚度单元等划分成一个或若干个检验批。
地下钢结构可按不同地下层划分检验批。
多层及高层钢结构安装工程可按楼层或施工段等划分为一个或若干个检验批。
地下钢结构可按不同地下层划分检验批。
钢网架结构安装工程可按变形缝、施工段或空间刚度单元划分成一个或若干检验批。
压型金属板的制作和安装工程可按变形缝、楼层、施工段或屋面、墙面、楼面等划分为一个或若干个检验批。
三、GB50205-2001规范摘要主控项目4.3.1 焊接材料的品种、规格、性能等应符合现行国家产品标准和设计要求。
检查数量:全数检查。
检验方法:检查焊接材料的质量合格证明文件、中文标志及检验报告等。
4.3.2 重要钢结构采用的焊接材料应进行抽样复验,复验结果应符合现行国家产品标准和设计要求。
检查数量:全数检查。
检验方法:检查复验报告。
5.2.1 焊条、焊丝、焊剂、电渣焊熔嘴等焊接材料与母材的匹配应符合设计要求及国家现行行业标准《建筑钢结构焊接技术规程》JGJ81的规定。
焊条、焊剂、药芯焊丝、熔嘴等在使用前,应按其产品说明书及焊接工艺文件的规定进行烘焙和存放。
检查数量:全数检查。
检验方法:检查质量证明书和烘焙记录。
5.2.2 焊工必须经考试合格并取得合格证书。
持证焊工必须在其考试合格项目及其认可范围内施焊。
检查数量:全数检查。
检验方法:检查焊工合格证及其认可范围、有效期。
5.2.3 施工单位对其首次采用的钢材、焊接材料、焊接方法、焊后热处理等,应进行焊接工艺评定,并应根据评定报告确定焊接工艺。
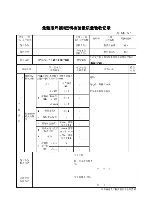
钢结构(钢构件焊接)分项工程检验批质量验收记录工程名称分项工程名称避雷标志针项目经理施工单位验收部位 A 楼顶层监理单位施工执行标准名称及编号分包单位《钢结构工程施工质量验收规范》 (GB50205-2001 )分包项目经理主控项目12345678123456质量验收规范的规定施工单位自检记录合格合格合格合格合格合格合格合格合格合格合格合格合格完整完整焊接材料进场焊接材料复验条)材料匹配条)焊工证书焊接工艺评定条)内部缺陷(5.2。
4 条)组合焊缝尺寸焊缝表面缺陷条)焊接材料进场条)预热和后热处理条)焊缝外观质量条)焊缝尺寸偏差条)凹形角焊缝条)焊缝感观条)(4。
3.1 条)(4.3 。
2(5.2 。
1(5.2.2 条)(5.2 。
3(5.2.5 条)(5.2 。
6(4.3 。
4(5.2.7(5 。
2.8(5.2 。
9(5.2 。
10(5 。
2 。
11施工操作依据质量检查记录(质量证明文件)专业工长(施工员)施工班组长监理(建设)单位验收记录施工单位检查结果评定项目专业质量检查员:项目专业技术负责人:年月日一般项目专业监理工程师:(建设单位项目专业技术负责人)年 月 日监理(建设) 单位验收结论钢结构(焊钉焊接)分项工程检验批质量验收记录(GB50205—2001)表 J.O 。
2 编号: 010902/020402□□□分项工程名称 验收部位 总监理工程师专业工长 (施工员)分包项目经理质量验收规范的规定1 焊接材料进场。
2 焊接材料复验.3 焊接工艺评定.4 焊后弯曲试验。
焊钉和瓷环尺寸。
条)焊缝外观质量。
施 工 操 作 依 据质量检查记录(质量证明文件)施工单位检查 结 果 评 定监理(建设) 单位验收结论钢结构(普通紧固件连接)分项工程检验批质量验收记录工程名称施工单位监理单位施工执行标准 名称及编号分包单位(4。
3.1 条)(4。
3。
2 条)(5.3.1 条)(5。
3.2 条)施工班组长监理(建设)单位验收记录专业监理工程师:(建设单位项目专业技术负责人)(4 。
钢结构焊钉(栓钉)焊接工程检验批质量验收记录
钢构造焊钉(栓钉)焊接工程查验批质量查收记录工程名称分项工程名称查收部位
施工单位项目经理专业工长
施工履行标准
名称及编号
分包单位分包项目经理施工班组长
GB50205-2001 的规定
施工单位监理( 建设) 单检查评定记录位查收记录
1焊接资料的品种、规格、性能等应切合现行国产业品标准和设计要求。
2重要钢构造采纳的焊接资料应进行抽样复验,复验结果应符主
合现行国产业品标准和设计要求。
控
3施工单位对其采纳的焊钉和钢材焊策应进行焊接工艺评定,
项
其结果应切合设计要乞降国家现行相关标准的规定。
瓷环应目
按其产品说明书进行烘焙。
4焊钉焊接后应进行曲折试验检查,其焊缝和热影响区不该有肉眼可见的裂纹。
一1
焊钉及焊接瓷环的规格、尺寸及误差应切合现行国家标准《圆
般柱头焊钉》GB10433中的规定。
项焊钉根部焊脚应平均,焊脚立面的局部未熔合或不足360o的
2
目焊脚应进行修理。
施工单位检查评定结果
年月日
项目专业质量检查员:
监理(建设)单位
专业监理工程师:
查收结论
:年月日
(建设单位项目专业技术负责人)。
1 2 3 4 5 61 2 3 4 5检验数量:全部。
检验方法:检查预热或后热施工记录和工艺试验报告。
检验数量:每批同类构件抽查10%且不应小于3件;被抽查构件中,每一类型焊缝按条数抽查5%,且不应小于1条;每条检查处,总抽查数不应小于10处。
检验方法:观察检查或使用放大镜、焊缝量规和尺量。
检验数量:每批同类构件抽查10%且不应小于3件;被抽查构件中,每一类型焊缝按条数抽查5%,且不应小于1条;每条检查处,总抽查数不应小于10处。
检验方法:用焊缝量规量。
检验数量:每批同类构件抽查10%且不应小于3件。
检验方法:观察。
检验数量:每批同类构件抽查10%且不应小于3件;被抽查构件中,每种焊缝按条数抽查5%,总抽查数不应小于5处。
检验方法:观察。
检验数量:全部。
检验方法:检查焊接工艺评定报告。
检验数量:全部。
检验方法:检查超声波或射线探伤记录。
检验数量:搭接长度≤400,每15个接头,1个产品试板;搭接长度>400~1000,每10个接头,1个产品试板;搭接长度>1000,每5个接头,1个产品试板。
检验方法:检查试验报告。
检验数量:资料全部;同类焊缝抽查10%,且不少于3条。
检验方法:观察检查,用焊缝量规测量。
检验数量:每批同类构件抽查10%且不应小于3件;被抽查构件中,每一类型焊缝按条数抽查5%,且不应小于1条;每条检查处,总抽查数不应小于10处。
检验方法:观察检查或使用放大镜、焊缝量规和尺量。
按设计要求,对不同类型焊缝采用磁粉探伤、超声探伤、X射线照相等项全做或组合选项的无损探伤检查。
一般项目:说明划分原则:检验批可根据施工条件、质量控制和专业验收及施工需要按焊缝等级、焊接形式等划分。
检查数量:每批次,每种类型。
主控项目:检验数量:全部。
检验方法:检查质量证明书和烘焙记录。
引言概述:钢结构是一种常见且重要的建筑结构形式,其安全性对于建筑物的稳定性和耐久性至关重要。
为确保钢结构的质量和安全性,检验批是必不可少的环节。
本文将详细介绍钢结构检验批的相关内容,包括检验批的定义、目的、程序和要求等。
正文内容:一、钢结构检验批的定义1.1什么是钢结构检验批1.2检验批的作用和重要性1.3检验批的法律法规依据二、钢结构检验批的目的2.1确保钢结构质量2.2预防和避免事故发生2.3保障工程安全和建设质量2.4防止违规操作和不合格施工材料使用三、钢结构检验批的程序3.1检验批的计划编制3.2检验批的审核和批准3.3检验批的实施和监督3.4检验批结果的记录和报告四、钢结构检验批的要求4.1检验批的组织与配合4.2检验批的时间和数量4.3检验批的抽查和检测方法4.4检验批的记录和档案4.5检验批的验收标准与结果处理五、钢结构检验批中常见问题及解决方法5.1建设单位的责任与义务5.2监理单位的监督与管理5.3施工单位的配合与执行5.4检测机构的专业能力与信誉5.5相关部门的协作与沟通总结:钢结构的检验批是保证钢结构质量与安全性的重要环节。
通过本文的详细阐述,我们了解了钢结构检验批的定义、目的、程序和要求等内容。
合理制定检验批计划,严格执行相关要求,加强各方配合与沟通,能够有效预防事故发生,确保钢结构工程的质量和安全。
建议在实际工作中加强对钢结构检验批的重视与实施,以确保工程的质量和安全性。
引言:钢结构在现代建筑中扮演着重要的角色,它具有高强度、抗震性能好、施工周期短等优点,因此在各类建筑项目中被广泛应用。
为了确保钢结构的质量和安全性,对其进行检验是至关重要的。
本文将从不同的角度探讨钢结构的检验批,包括检验批的概念、分类以及具体的检验项目,以帮助读者更好地了解钢结构的检验工作。
概述:1.检验批的定义和作用检验批是指在施工过程中按一定的规模、阶段或时间划分而进行的一次性检验,用于验证工程质量的合格性。
SG-T062
钢结构(钢构件焊接)
分项工程检验批质量验收记录
工程名称分项工程名称验收部位
施工单位项目负责人专业工长
分包单位项目负责人
(分包单位)
施工班组长
施工执行标准及编号钢结构工程施工质量验收规范 GB50205-2001
质 量 验 收 规 范 的 规 定施工单位检查评定记录监理(建设)单位验收记
主控项目 1.焊接材料进场 4.3.1条
2.焊接材料复验 4.
3.2条
3.材料匹配 5.2.1条
4.焊工证书
5.2.2条
5.焊接工艺评定 5.2.3条
6.内部缺陷 5.2.4条
7.组合焊缝尺寸 5.2.5条
8.焊缝表面缺陷 5.2.6条
一般项目 1.焊接材料进场 4.3.4条
2.预热和焊后热处理 5.2.7条
3.焊缝外观质量 5.2.8条
4.焊缝尺寸偏差
5.2.9条
5.凹形角焊缝 5.2.10条
6.焊缝感观 5.2.11条
施工单位检查评定结果
施工单位检查
-T062
验收记录。
钢结构制作(安装)焊接工程检验批质量验收记录编号:GA003单位工程名称云南天高镍业有限公司原料堆场挡风抑尘墙分部(子分部)工程名称钢结构分部工程分项工程名称钢结构安装施工单位山西尚风科技股份有限公司验收部位10米钢架项目经理郭志刚施工执行标准名称及编号钢结构工程施工质量验收规范GB50205-2001专业工长(施工员)贺二龙分包单位/ 分包项目经理/ 施工班组长黄柏伟施工质量验收规范的规定施工单位自检记录监理(建设)单位验收结果主控项目1焊接材料的品种、规格、性能等应符合现行国家产品标准和设计要求。
符合要求2焊工必须经考试合格并取得合格证书且在其考试合格项目及其认可范围内施焊。
符合要求3设计要求全焊透的一、二级焊缝探伤检验应符合现行国家标准的规定。
符合要求4重要钢结构采用的焊接材料应进行抽样复验,复验结果应符合现行国家产品标准和设计要求。
/5焊接材料与母材的匹配应符合设计要求及国家现行行业标准的规定。
符合要求6首次采用的钢材、焊接材料、焊接方法、焊后热处理等,应进行焊接工艺评定,并应根据评定报告确定焊接工艺。
符合要求7焊缝表面不得有裂纹、焊瘤等缺陷。
一级、二级焊缝不得有表面气孔、夹渣、弧坑裂纹、电弧擦伤等缺陷;且一级焊缝不得有咬边、未焊满、根部收缩等缺陷。
符合要求8要求熔透的组合焊缝焊脚尺寸允许偏差0~4 mm 1 2 2 1 0 0 0 1 1 2一般项目1焊条外观不应有药皮脱落、焊芯生锈等缺陷;焊剂不应受潮结块。
符合要求2对于需要进行焊前预热或焊后热处理的焊缝,应符国家现行有关标准的规定或通过工艺试验确定。
符合要求3焊出凹形的角焊缝应过渡平缓;加工成凹形的角焊缝,不得有切痕。
/4外形均匀、成型较好,焊道与焊道、焊道过渡过较平滑,焊渣和飞溅物基本清除干净。
符合要求5焊缝外观质量未焊满二级≤0.2+0.02t,且≤1.0mm0 0 0 0 0 0 0 0 1 0三级≤0.2+0.04t,且≤2.0mm0 0 0 1 0 1 1 0 0 0 6根部收缩二级≤0.2+0.02t,且≤1.0mm0 0 1 0 1 1 0 0 0 0三级≤0.2+0.04t,且≤2.0mm1 0 0 0 1 02 0 0 0 7 咬边二级≤0.05t,且≤0.5mm0 0 0 0 0 0 0 0 0 0三级≤0.1t且≤1.0mm0 0 0 0 1 0 0 0 0 1钢结构制作(安装)焊接工程检验批质量验收记录编号:GA004工程名称贵州盘县大为挡风抑尘墙工程验收部位10m钢架施工质量验收规范的规定施工单位自检记录监理(建设)单位验收结果一般项目8焊缝外观质量弧坑裂纹三级≤5.0mm 0 0 0 0 0 0 0 0 0 09电弧擦伤三级允许个别0 1 0 0 1 0 0 0 0 010接头不良二级缺口深度≤0.05t,且≤0.5mm0 0 0 0 0 0 0 0 0 0三级缺口深度≤0.1t,且≤1.0mm0 0 0 0 0 1 0 0 1 011表面夹渣三级深≤0.2t 长≤0.5t,且≤2.0mm0 1 1 0 0 2 0 0 0 112表面气孔三级每50.0mm焊缝长度允许直径≤0.4t,且≤3.0mm数量≤2个,孔距≥6倍孔径0 0 0 1 0 0 0 0 1 013 对接焊缝尺寸允许偏差焊缝余高B<20一级(0.5~2.0)mm/ / / / / / / / / /二级(0.5~2.5)mm0 0 1 0 0 2 0 0 1 0三级(0.5~3.5)mm 2 2 1 0 0 0 1 0 1 1B≥20一级(0.5~3.0)mm/ / / / / / / / / /二级(0.5~3.5)mm/ / / / / / / / / /三级(0~3.5)mm/ / / / / / / / / /14焊缝错边一、二级d<0.10t,且≤2.0mm0 0 0 0 2 0 1 0 0 1三级d <0.15t,且≤3.0mm0 0 2 0 3 0 1 1 2 015部分焊透组合焊缝尺寸允许偏差焊脚尺寸h f≤6mm (0~1.5)mm 1 0 0 1 1 0 0 1 0 0h f>6mm (0~3.0)mm 2 2 1 0 0 0 1 1 0 116角焊缝余高h f≤6mm (0~1.5)mm0 0 1 1 1 1 0 0 0 1h f>6mm (0~3.0)mm 3 1 1 2 2 0 1 2 0 1施工操作依据符合焊接作业指导书和图纸要求质量检查记录无损检测报告施工单位检查评定结果项目专业质量检查员:项目专业技术负责人:年月日监理(建设)单位验收结论专业监理工程师:(建设单位项目专业技术负责人) 年月日。