6膜结构钢结构焊接检验批
- 格式:xls
- 大小:22.50 KB
- 文档页数:12
1 2 3
4
5 6
检验方法:观察检查。
检查数量:每批同类构件抽查10%,且不应少于3件;被抽查构件中,每种焊缝按数量各抽查5%,总抽查处不应少于5处。
检验方法:观察检查。
检查数量:每批同类构件抽查10%,且不应少于3件;被抽查构件中,每种焊缝按条数各抽查5%,但不应少于1条;每条检查1处,总抽查数不应少于10处。
检验方法:用焊缝量规检查。
检验方法:观察检查或使用放大镜、焊缝量规和钢尺检查。
检查数量:按量抽查 1%,且不应少于 10 包。
检验方法:观察检查。
检查数量:全数检查。
检验方法:检查预、后热施工记录和工艺试验报告。
检查数量:每批同类构件抽查10%,且不应少于3件;被抽查构件中,每一类型焊缝按条数抽查5%,且不应少于1条;每条检查1处,总抽查数不应少于10处。
引言概述:钢结构是一种常见且重要的建筑结构形式,其安全性对于建筑物的稳定性和耐久性至关重要。
为确保钢结构的质量和安全性,检验批是必不可少的环节。
本文将详细介绍钢结构检验批的相关内容,包括检验批的定义、目的、程序和要求等。
正文内容:一、钢结构检验批的定义1.1什么是钢结构检验批1.2检验批的作用和重要性1.3检验批的法律法规依据二、钢结构检验批的目的2.1确保钢结构质量2.2预防和避免事故发生2.3保障工程安全和建设质量2.4防止违规操作和不合格施工材料使用三、钢结构检验批的程序3.1检验批的计划编制3.2检验批的审核和批准3.3检验批的实施和监督3.4检验批结果的记录和报告四、钢结构检验批的要求4.1检验批的组织与配合4.2检验批的时间和数量4.3检验批的抽查和检测方法4.4检验批的记录和档案4.5检验批的验收标准与结果处理五、钢结构检验批中常见问题及解决方法5.1建设单位的责任与义务5.2监理单位的监督与管理5.3施工单位的配合与执行5.4检测机构的专业能力与信誉5.5相关部门的协作与沟通总结:钢结构的检验批是保证钢结构质量与安全性的重要环节。
通过本文的详细阐述,我们了解了钢结构检验批的定义、目的、程序和要求等内容。
合理制定检验批计划,严格执行相关要求,加强各方配合与沟通,能够有效预防事故发生,确保钢结构工程的质量和安全。
建议在实际工作中加强对钢结构检验批的重视与实施,以确保工程的质量和安全性。
引言:钢结构在现代建筑中扮演着重要的角色,它具有高强度、抗震性能好、施工周期短等优点,因此在各类建筑项目中被广泛应用。
为了确保钢结构的质量和安全性,对其进行检验是至关重要的。
本文将从不同的角度探讨钢结构的检验批,包括检验批的概念、分类以及具体的检验项目,以帮助读者更好地了解钢结构的检验工作。
概述:1.检验批的定义和作用检验批是指在施工过程中按一定的规模、阶段或时间划分而进行的一次性检验,用于验证工程质量的合格性。
钢结构工程检验批质量验收记录(工程技术)一、项目背景本次钢结构工程位于某城市的商业综合体项目中,总占地面积约5000平方米,包括地下两层和地上五层的建筑。
钢结构是整个建筑的主要承重结构,其质量验收对于保证建筑安全和工程质量具有重要意义。
二、检验批信息检验批名称:钢结构工程检验日期:2022年5月15日检验批编号:GJ建设单位:XXX有限公司监理单位:XXX监理有限公司施工单位:XXX建筑工程有限公司三、检验内容根据工程进度及施工图纸要求,本次钢结构工程检验批的验收内容包括以下几项:1. 钢结构材料检验:对钢材的规格、型号、强度等进行检查,确保其符合设计要求;2. 焊接工艺检验:对焊缝的焊接工艺进行检验,包括焊接电流、焊接参数等;3. 钢结构安装质量检验:对钢结构的安装过程进行检查,包括对节点连接、构配件的检验;4. 防腐防锈处理检验:对钢结构表面的防腐防锈处理进行检验,确保其达到设计要求;5. 钢结构尺寸检验:对钢结构的尺寸进行检验,包括长度、宽度、高度等尺寸准确性的检查。
四、验收方法钢结构工程的验收根据国家相关标准和规范进行,具体验收方法如下:1. 材料检验:抽查材料的样品,进行外观质量、尺寸和力学性能测定;2. 焊接工艺检验:抽查焊接接头,进行焊缝的可视检查和无损检测;3. 安装质量检验:通过抽样检查、现场抽查等方式进行安装质量检验;4. 防腐防锈处理检验:对钢结构表面进行目测和检测,确保防腐防锈层完好;5. 尺寸检验:对钢结构的尺寸进行测量、检查,确保与设计要求一致。
五、验收结果经过以上检验内容的检查,本次验收结果如下:1. 钢结构材料检验合格,各项指标符合设计要求;2. 焊接工艺检验合格,焊缝质量良好,无明显缺陷;3. 钢结构安装质量检验合格,节点连接牢固,构配件符合要求;4. 防腐防锈处理检验合格,钢结构表面防腐防锈层完好;5. 钢结构尺寸检验合格,各项尺寸准确性符合设计要求。
六、问题记录与改进措施在本次验收过程中,未发现任何问题和不合格项。
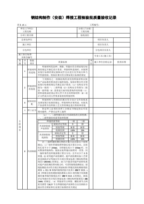
表J.O.1钢结构(钢构件焊接)分项工程检验批质量验收记录
表J.O.2 钢结构(焊钉焊接)分项工程检验批质量验收
记录
表J.O.3 钢结构(普通紧固件连接)分项工程检验批质量
验收记录
表J.O.4 钢结构(高强度螺栓连接)分项工程检验批质量
验收记录
表J.O.5 钢结构(零件及部件加工)分项工程检验批质
量验收记录
表J.O.6 钢结构(构件组装)分项工程检验批质量验收
记录
表J.O.7 钢结构(预拼装)分项工程检验批质量验收
记录
表J.O.8 钢结构(单层结构安装)分项工程检验批质
量验收记录
表J.O.9 钢结构(多层及高层结构安装)分项工程检验
批质量验收记录
表J.O.10 钢结构(网架结构安装)分项工程检验批质
量验收记录
表J.O.11 钢结构(压型金属板)分项工程检验批质量
验收记录
表J.O.12 钢结构(防腐涂料涂装)分项工程检验批质
量验收记录
表J.O.13钢结构(防火涂料涂装)分项工程检验批质量
验收记录。
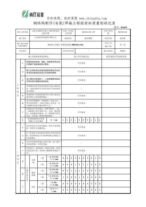
钢结构制作(安装)焊接工程检验批质量验收记录编号:GA003单位工程名称云南天高镍业有限公司原料堆场挡风抑尘墙分部(子分部)工程名称钢结构分部工程分项工程名称钢结构安装施工单位山西尚风科技股份有限公司验收部位10米钢架项目经理郭志刚施工执行标准名称及编号钢结构工程施工质量验收规范GB50205-2001专业工长(施工员)贺二龙分包单位/分包项目经理/施工班组长黄柏伟施工质量验收规范的规定施工单位自检记录监理(建设)单位验收结果主控项目1焊接材料的品种、规格、性能等应符合现行国家产品标准和设计要求。
符合要求2焊工必须经考试合格并取得合格证书且在其考试合格项目及其认可范围内施焊。
符合要求3设计要求全焊透的一、二级焊缝探伤检验应符合现行国家标准的规定。
符合要求4重要钢结构采用的焊接材料应进行抽样复验,复验结果应符合现行国家产品标准和设计要求。
/5焊接材料与母材的匹配应符合设计要求及国家现行行业标准的规定。
符合要求6首次采用的钢材、焊接材料、焊接方法、焊后热处理等,应进行焊接工艺评定,并应根据评定报告确定焊接工艺。
符合要求7焊缝表面不得有裂纹、焊瘤等缺陷。
一级、二级焊缝不得有表面气孔、夹渣、弧坑裂纹、电弧擦伤等缺陷;且一级焊缝不得有咬边、未焊满、根部收缩等缺陷。
符合要求8要求熔透的组合焊缝焊脚尺寸允许偏差0~4 mm 1 2 2 1 0 0 0 1 1 2一般项目1焊条外观不应有药皮脱落、焊芯生锈等缺陷;焊剂不应受潮结块。
符合要求2对于需要进行焊前预热或焊后热处理的焊缝,应符国家现行有关标准的规定或通过工艺试验确定。
符合要求3焊出凹形的角焊缝应过渡平缓;加工成凹形的角焊缝,不得有切痕。
/4外形均匀、成型较好,焊道与焊道、焊道过渡过较平滑,焊渣和飞溅物基本清除干净。
符合要求5焊缝外观质量未焊满二级≤0.2+0.02t,且≤1.0mm0 0 0 0 0 0 0 0 1 0三级≤0.2+0.04t,且≤2.0mm0 0 0 1 0 1 1 0 0 0 6根部收缩二级≤0.2+0.02t,且≤1.0mm0 0 1 0 1 1 0 0 0 0三级≤0.2+0.04t,且≤2.0mm1 0 0 0 1 02 0 0 0 7 咬边二级≤0.05t,且≤0.5mm0 0 0 0 0 0 0 0 0 0三级≤0.1t且≤1.0mm0 0 0 0 1 0 0 0 0 1钢结构制作(安装)焊接工程检验批质量验收记录编号:GA004工程名称贵州盘县大为挡风抑尘墙工程验收部位10m钢架施工质量验收规范的规定施工单位自检记录监理(建设)单位验收结果一般项目8焊缝外观质量弧坑裂纹三级≤5.0mm 0 0 0 0 0 0 0 0 0 09电弧擦伤三级允许个别0 1 0 0 1 0 0 0 0 010接头不良二级缺口深度≤0.05t,且≤0.5mm0 0 0 0 0 0 0 0 0 0三级缺口深度≤0.1t,且≤1.0mm0 0 0 0 0 1 0 0 1 011表面夹渣三级深≤0.2t 长≤0.5t,且≤2.0mm0 1 1 0 0 2 0 0 0 112表面气孔三级每50.0mm焊缝长度允许直径≤0.4t,且≤3.0mm数量≤2个,孔距≥6倍孔径0 0 0 1 0 0 0 0 1 013 对接焊缝尺寸允许偏差焊缝余高B<20一级(0.5~2.0)mm/ / / / / / / / / /二级(0.5~2.5)mm0 0 1 0 0 2 0 0 1 0三级(0.5~3.5)mm 2 2 1 0 0 0 1 0 1 1B≥20一级(0.5~3.0)mm/ / / / / / / / / /二级(0.5~3.5)mm/ / / / / / / / / /三级(0~3.5)mm/ / / / / / / / / /14焊缝错边一、二级d<0.10t,且≤2.0mm0 0 0 0 2 0 1 0 0 1三级d <0.15t,且≤3.0mm0 0 2 0 3 0 1 1 2 015部分焊透组合焊缝尺寸允许偏差焊脚尺寸h f≤6mm (0~1.5)mm 1 0 0 1 1 0 0 1 0 0h f>6mm (0~3.0)mm 2 2 1 0 0 0 1 1 0 116角焊缝余高h f≤6mm (0~1.5)mm0 0 1 1 1 1 0 0 0 1h f>6mm (0~3.0)mm 3 1 1 2 2 0 1 2 0 1施工操作依据符合焊接作业指导书和图纸要求质量检查记录无损检测报告施工单位检查评定结果项目专业质量检查员:项目专业技术负责人:年月日监理(建设)单位验收结论专业监理工程师:(建设单位项目专业技术负责人) 年月日。
注:1.检查方法和检查数量见前页附表一。
2.合格标准:主控项目全部符合要求;一般项目80%及以上的检查点符合要求,且偏差最大不得超出其允许偏差的1.2倍。
表三一、二级焊缝质量等级及缺陷分级注:探伤比例的计数方法按以下原则确定:(1)对工厂制作焊缝,按每条焊缝计算百分比,且探伤长度≥220mm,当焊缝长度不足200mm时,对整条焊缝进行探伤。
(2)对现场安装焊缝,按同一类型、同一施焊条件的焊缝条数计算百分比,探伤长度≥200mm,并不少于1条焊缝。
注:1.检查方法和检查数量见前页附表一。
2.合格标准:主控项目全部符合要求;一般项目80%及以上的检查点符合要求,且偏差最大不得超出其允许偏差的1.2倍。
表三一、二级焊缝质量等级及缺陷分级注:探伤比例的计数方法按以下原则确定:(1)对工厂制作焊缝,按每条焊缝计算百分比,且探伤长度≥220mm,当焊缝长度不足200mm时,对整条焊缝进行探伤。
(2)对现场安装焊缝,按同一类型、同一施焊条件的焊缝条数计算百分比,探伤长度≥200mm,并不少于1条焊缝。
注:1.检查方法和检查数量见前页附表一。
2.合格标准:主控项目全部符合要求;一般项目80%及以上的检查点符合要求,且偏差最大不得超出其允许偏差的1.2倍。
表三一、二级焊缝质量等级及缺陷分级注:探伤比例的计数方法按以下原则确定:(1)对工厂制作焊缝,按每条焊缝计算百分比,且探伤长度≥220mm,当焊缝长度不足200mm时,对整条焊缝进行探伤。
(2)对现场安装焊缝,按同一类型、同一施焊条件的焊缝条数计算百分比,探伤长度≥200mm,并不少于1条焊缝。
注:1.检查方法和检查数量见前页附表一。
2.合格标准:主控项目全部符合要求;一般项目80%及以上的检查点符合要求,且偏差最大不得超出其允许偏差的1.2倍。
表三一、二级焊缝质量等级及缺陷分级注:探伤比例的计数方法按以下原则确定:(1)对工厂制作焊缝,按每条焊缝计算百分比,且探伤长度≥220mm,当焊缝长度不足200mm时,对整条焊缝进行探伤。
表J.O.1钢结构(钢构件焊接)分项工程检验批质量验收记录
表J.O.2钢结构(焊钉焊接)分项工程检验批质量验收记录
表J.O.3钢结构(普通紧固件连接)分项工程检验批质量验收记录
表J.O.4钢结构(高强度螺栓连接)分项工程检验批质量验收记录
表J.O.5钢结构(零件及部件加工)分项工程检验批质量验收记录
表J.O.8钢结构(单层结构安装)分项工程检验批质量验收记录
表J.O.9钢结构(多层及高层结构安装)分项工程检验批质量验收记录
表J.O.10钢结构(网架结构安装)分项工程检验批质量验收记录
表J.O.13钢结构(防火涂料涂装)分项工程检验批质量验收记录。
钢结构焊接检验批质量验收记录记录编号:XXXXX日期:XXXX年XX月XX日一、基本信息:项目名称:XXXXX委托单位:XXXXX监理单位:XXXXX施工单位:XXXXX焊接工程师:XXXXX二、焊接材料检验:1.焊条或焊丝的合格证、质量证明、检验报告等相关文件齐全,并符合项目要求。
2.焊接材料的外观无任何锈蚀、氧化等缺陷。
3.焊接材料的规格、型号、批号、标识等信息与合格证一致。
三、焊工资质:1.所有焊工持有焊工资质证书,并定期进行职业技能培训,保持良好的焊接技能水平。
2.焊工的技术档案齐全,并符合项目要求。
四、工艺规程合格性:1.工艺规程符合相关国家标准和项目要求,并得到了监理单位的审查和批准。
2.对于特殊工艺要求,焊接工程师要进行一对一指导,并监督焊工的操作。
3.工艺规程的填写符合要求,包括焊接方法、参数、预热温度、层间温度控制等内容。
五、焊接设备检验:1.焊接设备具有合法的检验合格证明,并定期进行检验维护。
2.焊接设备的接地和保护措施符合要求。
3.焊机输出电压、电流等参数与工艺规程一致。
六、焊接工艺过程监控:1.焊接工艺过程记录的填写规范、完整,并符合相关国家标准和项目要求。
2.对于每道焊缝,焊接工艺过程记录中包括焊接参数、预热温度、焊后处理等信息。
3.工艺过程监控的记录中包括焊接操作人员的签字和日期,并得到了焊接工程师的确认。
七、可视检验:1.对于每道焊缝,进行可视检验,确保焊缝外观光洁,无裂纹、夹渣、气孔、夹杂物等缺陷。
2.合格的焊缝应符合相关国家标准和项目要求的质量要求。
八、无损检测:1.对于焊缝的关键部位,进行无损检测,包括超声波检测、射线检测等。
2.检测报告齐全,并有资质检验单位的签章和报告编号。
九、力学性能检验:1.从焊接出来的构件中取样,进行拉伸、冲击等力学性能测试。
2.检测报告齐全,并有资质检验单位的签章和报告编号。
十、其他:(根据具体项目要求填写其他相关内容)十一、验收结论:本次焊接检验批的质量验收结果如下:□合格□不合格验收人员(签字):XXX验收日期:XXXX年XX月XX日附:焊接工艺规程、焊接过程记录、焊接设备检验报告、可视检验记录、无损检测报告、力学性能检验报告等相关资料的复印件。
工程编号:电土验表5.11.1单位(子单位)工程名称分部(子分部)工程名称分项工程名称验收部位施工单位项目经理施工执行标准名称及编号专业工长(施工员)分包单位分包项目经理施工班组长类别序号检验项目质量标准单位施工单位检查评定记录监理(建设)单位验收记录主控项目1焊接材料的品种、规格、性能等☆应符合现行国家产品标准和设计要求2 焊工☆必须经考试合格并取得合格证书,且在其考试合格项目及其认可范围内施焊3设计要求全焊透的一、二级焊缝☆探伤检验应符合现行国家标准的规定4重要钢结构采用的焊接材料应进行抽样复验,复验结果应符合现行国家产品标准和设计要求5焊接材料与母材的匹配应符合设计要求及现行有关标准的规定6首次采用的钢材、焊接材料、焊接方法、焊后热处理等应进行焊接工艺评定,并应根据评定报告确定焊接工艺7 焊缝表面质量不得有裂纹、焊瘤等缺陷一级焊缝不得有表面气孔、夹渣、弧坑裂纹,电弧擦伤等到;且不得有咬边、未焊满、根部收缩等缺陷二级焊缝不得有表面气孔、夹渣、弧坑裂纹、电弧擦伤等缺陷8要求熔透的组合焊缝脚尺寸允许偏差4~0 ㎜一般项目1 质焊条外观量不应有药皮脱落、焊芯生锈等缺陷;焊剂不应受潮结块2对于需要进行焊接前预热处理的焊缝应符合国家现行有关标准的规定或通过工艺试验确定3 凹形的角焊缝焊出凹形的角焊缝应过渡平缓;加工成凹形的角焊缝,不得有切痕4 焊缝感观外形均匀、成型较好,焊道与焊道、焊道与基本金属间过渡较平滑,焊渣和飞溅物基本清除干净工程编号:电土验表5.11.1续类别序号检验项目质量标准单位施工单位检查评定记录监理(建设)单位验收记录一般项目5二级、三级焊缝外观质量未焊满二级不大于0.2+0.02t,且不大于1.0㎜三级不大于0.2+0.04t,且不大于2.0㎜6 根部收缩二级不大于0.2+0.02t,且不大于1.0㎜三级不大于0.2+0.04t,且不大于2.0㎜7 咬边二级不大于0.05t,且不大于0.5㎜三级不大于0.1t,且不大于1.0㎜8 弧坑裂纹三级≤5.0 ㎜9 电弧擦伤三级允许个别10接头不良二级缺口深度不大于0.05t,且不大于0.5㎜三级缺口深度不大于0.1t,且不大于1.0㎜11 表面夹渣三级深不大于0.2t,长不大于0.5t,且不大于2.0㎜12 表面气孔三级每50.0㎜焊缝长度允许直径不大于0.4t,且不大于3.0㎜数量不多于2个,孔距不小于6倍孔径13对接焊缝尺寸偏差焊缝余高B<20一级 2.0~0.5 ㎜二级 2.5~0.5 ㎜三级 3.5~0.5 ㎜B≥20一级 3.0~0.5 ㎜二级 3.5~0.5 ㎜三级 3.5~0 ㎜14 焊缝错边一、二级小于0.10t,且不大于2.0㎜三级小于0.15t,且不大于3.0㎜15 部分焊透组合焊缝尺寸偏差焊角尺寸hf≤6mm 1.5~0 ㎜hf >6 mm 3.0~0 ㎜16角焊缝余高hf≤6mm 1.5~0 ㎜hf >6 mm 3.0~0 ㎜施工单位检查结果项目专业质量检查员:项目专业技术负责人:年月日监理(建设)单位验收结论专业监理工程师:(建设单位项目专业技术负责人)年月日工程编号:电土验表5.11.5单位(子单位)工程名称分部(子分部)工程名称分项工程名称验收部位施工单位项目经理施工执行标准名称及编号专业工长(施工员)分包单位分包项目经理施工班组长类别序号检验项目质量标准单位施工单位检查评定记录监理(建设)单位验收记录主控项目1钢材、钢铸件的品种、规格、性能等☆应符合现行国家产品标准和设计要求,进口钢材产品的质量应符合设计和合同规定标准的要求2 原材料的抽样复验☆应符合现行国家产品标准和设计要求3 钢材切割面或剪切面应无裂纹、夹渣、分层和大于1mm的缺棱4 矫正或成型应符合有关现行标准的规定5 边缘加工的刨削量≥2.0 mm 6制孔A、B级孔壁表面粗糙度≤12.5 μm孔径10mm~18mm +0.18~0.00 mm18mm~30mm +0.21~0.00 mm30mm~50mm +0.25~0.00 mm 7C级孔壁表面粗糙度≤25 μm直径+1.0~0.0 mm圆度≤2.0 mm垂直度不大于0.03t,且不大于2.0 mm mm一般项目1钢板厚度、型钢的规格尺寸及允许偏差应符合产品标准的要求2 钢材的表面外观质量应符合现行有关标准的规定3切割气割零件宽度、长度±3.0 mm切割面平面度不大于0.05t,且不大于2.0 mm割纹深度≤0.3 mm局部缺口深度≤1.0 mm 4机械剪切零件宽度、长度±3.0 mm边缘缺棱≤1.0 mm型钢端部垂直度≤2.0 mm工程编号:电土验表5.11.5续类别序号检验项目质量标准单位施工单位检查评定记录监理(建设)单位验收记录一般项目5矫正表面不应有明显的凹面或损伤,划痕深度不得大于0.5㎜,且不应大于该钢材厚度负允许偏差的1/2㎜6钢板的局部平面度t≤14㎜≤1.5 ㎜t>14㎜≤1.0 ㎜7型钢弯曲矢高不大于L/1000,且不大于5.0角钢肢的垂直度≤b1/100,≤90°(双肢栓接)8 翼缘对腹板的垂直度槽钢≤b/80 ㎜9工字刚、H型钢不大于b1/100,且不大于2.0㎜10边缘加工零件宽度、长度±1.0 ㎜11 加工边直线度不大于L/3000,且不大于2.0㎜12 相邻两边夹角±6′13 加工面垂直度不大于0.025t,且不大于0.5㎜14 加工面表面粗糙度≤50 μm15 螺栓孔孔距同一组内任意两孔间距离≤500㎜±1.0 ㎜501~1200㎜±1.2 ㎜相邻两组的端孔间距离≤500㎜±1.2 ㎜501~1200㎜±1.5 ㎜161201~3000㎜±2.0 ㎜>3000㎜±3.0 ㎜施工单位检查结果项目专业质量检查员:项目专业技术负责人:年月日监理(建设)单位验收结论专业监理工程师:(建设单位项目专业技术负责人)年月日工程编号:电土验表5.11.7单位(子单位)工程名称分部(子分部)工程名称分项工程名称验收部位施工单位项目经理施工执行标准名称及编号专业工长(施工员)分包单位分包项目经理施工班组长类别序号检验项目质量标准单位施工单位检查评定记录监理(建设)单位验收记录主控项目1端部铣平两端铣平时构件长度偏差±2.0㎜两端铣平时零件长度偏差±0.5㎜铣平面的平面度≤0.3㎜铣平面对轴线的垂直度≤L2/1500㎜2外形尺寸偏差单层柱受力支托(支承面)表面至第一个安装孔距离偏差±1.0 ㎜构件连接处的截面几何尺寸±3.0 ㎜柱连接处的腹板中心线偏移≤2.0 ㎜受压构件(杆件)弯曲矢高不大于L2/1000,且不大于10.0㎜一般项目1 焊接H型钢接缝应符合规范的规定2 顶紧接触面应有75%以上的面积紧帖3 外露铣平面应防锈保护4焊接H型钢精度截面高度h1≤500 ±2.0 ㎜500<h1≤1000 ±3.0 ㎜h1>1000 ±4.0 ㎜5 截面宽度偏差±3.0 ㎜6 腹板中心偏移≤2.0 ㎜7 翼缘板垂直度不大于b2/100,且不大于3.0mm8弯曲矢高(受压构件除外)不大于L2/1000,且不大于10.0mm9 扭曲不大于b2/250,且不大于5.0mm10腹板局部平面度t<14 ≤3.0 ㎜t≥14 ≤2.0 ㎜工程编号:电土验表5.11.7续类别序号检验项目质量标准单位施工单位检查评定记录监理(建设)单位验收记录一般项目11焊接组装精度对口错边不大于t/10,,且不大于3.0mm12 间隙偏差±1.0 ㎜13 搭接长度偏差±5.0 ㎜14 缝隙≤1.5 ㎜15 高度偏差±2.0 ㎜16 垂直度不大于b3/100,,且不大于3.0mm17 中心偏差±2.0 ㎜18型钢错位连接处≤1.0 ㎜其他处≤2.0 ㎜19箱形截面高度±2.0 ㎜20 宽度±2.0 ㎜21 垂直度不大于b3/200,,且不大于3.0mm22安装焊缝坡口坡口角度±5º钝边±1.0 ㎜21外形尺寸柱底面到柱端与桁架连接的最上一个安装孔距离偏差±L2/1500, ±15.0 ㎜22柱底面到牛腿支承面距离偏差±L2/2000, ±8.0 ㎜23 柱身弯曲矢高≤2.0 ㎜24 牛腿面的翘曲不大于H5/1200,且不大于12.0㎜25柱身扭曲牛腿处≤3.0 ㎜其它处≤8.0 ㎜26 柱截面几何尺寸偏差连接处±3.0 ㎜27非连接处±4.0 ㎜28 翼缘对腹板的垂直度连接处≤1.5 ㎜29 其它处不大于b3/100,,且不大于5.0mm ㎜30 柱脚底板平面度≤5.0 ㎜31柱脚螺栓孔中心对柱轴线的距离≤3.0 ㎜施工单位检查结果项目专业质量检查员:项目专业技术负责人:年月日监理(建设)单位验收结论专业监理工程师:(建设单位项目专业技术负责人)年月日工程编号:电土验表5.11.8单位(子单位)工程名称分部(子分部)工程名称分项工程名称验收部位施工单位项目经理施工执行标准名称及编号专业工长(施工员)分包单位分包项目经理施工班组长类别序号检验项目质量标准单位施工单位检查评定记录监理(建设)单位验收记录主控项目1端部铣平精度的允许偏差两端铣平时构件长度±2.0㎜两端铣平时零件长度±0.5㎜铣平面的平面度≤0.3㎜铣平面对角线的垂直度≤L2/1500㎜2外形尺寸的允许偏差多节柱铣平面至第一个安装孔距离±1.0㎜构件连接处的截面几何尺寸±3.0 ㎜柱连接处的腹板中心线偏移≤2.0㎜受压构件(杆件)弯曲矢高不大于L2/1000,且不大于10.0㎜一般项目1 焊接H型钢接缝应符合规范的规定2 顶紧接触面应有75%以上的面积紧帖3 外露铣平面应防锈保护4焊接H型钢精度截面高度h≤500 ±2.0 ㎜500<h≤1000 ±3.0 ㎜h>1000 ±4.0 ㎜5 截面宽度偏差±3.0 ㎜6 腹板中心偏移≤2.0 ㎜7 翼缘板垂直度不大于b2/100,,且不大于3.0mm8弯曲矢高(受压构件除外)不大于b2/1000,,且不大于10.0mm9 扭曲不大于b2/250,,且不大于5.0mm10腹板局部平面度t<14 ≤3.0 ㎜t≥14 ≤2.0 ㎜工程编号:电土验表5.11.8续类别序号检验项目质量标准单位施工单位检查评定记录监理(建设)单位验收记录一般项目11焊接组装精度对口错边不大于t/10,,且不大于3.0mm12 间隙偏差±1.0 ㎜13 搭接长度偏差±5.0 ㎜14 缝隙≤1.5 ㎜15 高度±2.0 ㎜16 垂直度不大于b3/100,,且不大于3.0mm17 中心偏差±2.0 ㎜18型钢错位连接处≤1.0 ㎜其他处≤2.0 ㎜19箱形截面高度±2.0 ㎜20 宽度±2.0 ㎜21 垂直度不大于b3/200,,且不大于3.0mm22安装焊缝坡口坡口角度±5º钝边±1.0 ㎜23外形尺寸偏差一节柱高度偏差±3.0 ㎜24两端最外侧安装孔距离偏差±2.0 ㎜25 柱身弯曲矢高偏差不大于H5/1500,且不大于5.0㎜26 一节柱的柱身扭曲不大于h5/250,且不大于5.0㎜27牛腿端孔的柱轴线距离偏差±3.0 ㎜28牛腿翘曲(挠曲)≤1000 ≤2.0 ㎜>1000 ≤3.0 ㎜29柱截面几何尺寸偏差连接处±3.0 ㎜其他处±4.0 ㎜30 柱脚底板平面度≤5.0 ㎜31翼缘板对腹板的垂直度连接处≤1.5 ㎜其他处不大于b1/100,且不大于5.0㎜㎜32柱脚螺栓孔对轴线的距离≤3.0 ㎜33箱型截面连接处对角线差≤3.0 ㎜34 箱型柱身板垂直度不大于h1 (b1) /150,且不大于5.0㎜㎜施工单位检查结果项目专业质量检查员:项目专业技术负责人:年月日监理(建设)单位验收结论专业监理工程师:(建设单位项目专业技术负责人)年月日工程编号:电土验表5.11.9单位(子单位)工程名称分部(子分部)工程名称分项工程名称验收部位施工单位项目经理施工执行标准名称及编号专业工长(施工员)分包单位分包项目经理施工班组长类别序号检验项目质量标准单位施工单位检查评定记录监理(建设)单位验收记录主控项目1 吊车梁和吊车桁架☆不应下挠2端部铣平精度的允许偏差两端铣平时构件长度±2.0㎜两端铣平时零件长度±0.5㎜铣平面的平面度≤0.3㎜铣平面对轴线的垂直度≤L2/1500㎜3外形尺寸梁受力支托(支承面)表面至第一个安装孔距离±1.0㎜实腹梁两端最外侧安装孔距离±3.0㎜构件连接处的截面几何尺寸±3.0梁连接处的腹板中心线偏差≤2.0㎜一般项目1焊接H型钢的翼缘板拼接缝和腹板拼接缝应符合规范的规定2 顶紧接触面应有75%以上的面积紧帖3 外露铣平面应防锈保护4焊接H型钢精度截面高度h1≤500 ±2.0 ㎜500<h1≤1000 ±3.0 ㎜h1>1000 ±4.0 ㎜5 截面宽度±3.0 ㎜6 腹板中心偏移≤2.0 ㎜7 翼缘板垂直度不大于b2/100,,且不大于3.0mm8弯曲矢高(受压构件除外)不大于b2/1000,,且不大于10.0mm9 扭曲不大于b2/250,,且不大于5.0mm10腹板局部平面度t<14 ≤3.0 ㎜t≥14 ≤2.0 ㎜工程编号:电土验表5.11.9续类别序号检验项目质量标准单位施工单位检查评定记录监理(建设)单位验收记录一般项目11焊接组装精度对口错边不大于t/10,且不大于3.0mm12 间隙偏差±1.0 ㎜13 搭接长度偏差±5.0 ㎜14 缝隙≤1.5 ㎜15 高度±2.0 ㎜16焊接组装精度垂直度不大于b3/100,且不大于3.0mm17 中心偏差±2.0 ㎜18型钢错位连接处≤1.0 ㎜其他处≤2.0 ㎜19箱形截面高度±2.0 ㎜20宽度±2.0 ㎜垂直度不大于b3/200,且不大于3.0mm2122安装焊缝坡口坡口角度±5º钝边±1.0 ㎜23 梁长度端部有凸缘支座板0~-5.0其他形式±L2/2500, ±10.0 ㎜24端部高度≤2000m ±2.0 ㎜>2000m ±3.0 ㎜25 拱度设计要求起拱±L2/5000 ㎜设计未要求起拱+10~-5.0 ㎜26 扭曲不大于h1/250,且不大于10.0mm㎜27 侧弯矢高不大于L2/2000,且不大于10.0mm㎜28腹板局部平面度t≤14 ≤5.0 ㎜t>14 ≤4.0 ㎜29翼缘板对腹板的垂直度不大于b1/100,且不大于3.0mm㎜30吊车梁上翼缘板与轨道接触面平面度≤1.0 ㎜31 箱形截面对角线差≤5.0 ㎜32箱型截面两腹板到翼缘板中心线距离连接处≤1.0 ㎜其他处≤1.5 ㎜33梁端板的平面度(只允许进)不大于h1/500,且不大于2.0mm㎜34梁端板与腹板的垂直度不大于h1/500,且不大于2.0mm㎜施工单位检查结果项目专业质量检查员:项目专业技术负责人:年月日监理(建设)单位验收结论专业监理工程师:(建设单位项目专业技术负责人)年月日。
A4监理统一用表钢结构焊接检验批报验申请表钢结构制作(安装)焊接工程检验批质量验收记录表GB50205-2001(Ⅰ)020401-钢结构安装(制作)焊接工程施工质量检查表工程名称: 涟钢产品结构调整技术改造轧钢加热炉工程(加热炉厂房钢结构工程)施工单位:日期:A4监理统一用表钢结构焊接检验批报验申请表工程名称:涟钢产品结构调整技术改造轧钢板坯库工程(板坯库厂房钢结构工程)编号:钢结构制作(安装)焊接工程检验批质量验收记录表GB50205-2001(Ⅰ)020401-钢结构安装(制作)焊接工程施工质量检查表工程名称: 涟钢产品结构调整技术改造轧钢板坯库工程(板坯库厂房钢结构工程)检验批号: 020401 - 结构位置:1-C—1-D~1-D—1-E列/1-1~1-6施工单位:日期:A4监理统一用表钢结构焊接检验批报验申请表工程名称:涟钢产品结构调整技术改造轧钢板坯库工程(板坯库厂房钢结构工程)编号:钢结构制作(安装)焊接工程检验批质量验收记录表GB50205-2001(Ⅰ)020401-钢结构安装(制作)焊接工程施工质量检查表工程名称: 涟钢产品结构调整技术改造轧钢板坯库工程(板坯库厂房钢结构工程)检验批号: 020401 - 结构位置:1-E—1-F~1-F—1-G列/1-1~1-6施工单位:日期:A4监理统一用表钢结构焊接检验批报验申请表工程名称:涟钢产品结构调整技术改造轧钢板坯库工程(板坯库厂房钢结构工程)编号:钢结构制作(安装)焊接工程检验批质量验收记录表GB50205-2001(Ⅰ)020401-钢结构安装(制作)焊接工程施工质量检查表工程名称: 涟钢产品结构调整技术改造轧钢板坯库工程(板坯库厂房钢结构工程)检验批号: 020401 - 结构位置:1-G—1-H~1-H—1-J列/1-1~1-6施工单位:日期:A4监理统一用表钢结构焊接检验批报验申请表工程名称:涟钢产品结构调整技术改造轧钢板坯库工程(板坯库厂房钢结构工程)编号:钢结构制作(安装)焊接工程检验批质量验收记录表GB50205-2001(Ⅰ)020401-钢结构安装(制作)焊接工程施工质量检查表工程名称: 涟钢产品结构调整技术改造轧钢板坯库工程(板坯库厂房钢结构工程)施工单位:日期:A4监理统一用表钢结构焊接检验批报验申请表工程名称:涟钢产品结构调整技术改造轧钢板坯库工程(板坯库厂房钢结构工程)编号:钢结构制作(安装)焊接工程检验批质量验收记录表GB50205-2001(Ⅰ)020401-钢结构安装(制作)焊接工程施工质量检查表工程名称: 涟钢产品结构调整技术改造轧钢板坯库工程(板坯库厂房钢结构工程)。