锚杆框架梁技术交底(三级)
- 格式:doc
- 大小:969.00 KB
- 文档页数:7
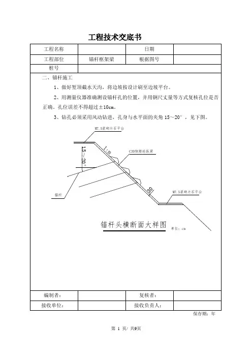
青荣城际铁路Ⅲ标段第二项目部路基工程锚杆施工技术交底锚杆施工技术交底单位工程名称:129+020-132+770路基工程编号:QRCJⅢ-Ⅱ-LJ-JSJD-3-009工程项目路基工程工程部位路基工程接受班组工程数量进度要求验收标准及质量要求一、主要工程量本段路基深路堑边坡采用框架锚杆防护,锚杆采用直径32mm的HRB400级钢筋,于框架节点布设,锚杆长11.0m,锚杆孔径100mm,以20°角下倾,设计钻孔壁与锚固体间粘结强度不小于0.3MPa。
该段路基锚杆总长为119223.42m,具体工程量如下表:序号起止里程锚杆长(m)1 DK130+330.00-DK130+474.00 1152.002 DK131+206.15-DK131+242.15 396.003 DK132+290.00-DK132+671.61 10375.42二、质量标准锚杆施工的允许偏差序号检验项目允许偏差1 锚杆孔深-50mm2 锚杆长-30mm工艺流程及施工先后顺序三、工艺流程图锚杆施工工艺流程图工艺细则及操作要点四、操作要求1、锚杆施工方法(1)施工放样刷坡完成之后,放出锚孔的孔位,孔位误差不超过±0.2m。
放孔位时注意先根据施工段坡长排框架,先排整框架,再将剩余的坡长上下平均分配。
在定锚杆位置过程中用水平线和斜线随时校正锚孔位置。
自检合格报监理工程师检查,检查合格后方可开钻。
(2)钻孔钻机严格按照设计孔位、倾角和方位准确就位,采用测角量具控制角度,孔口坐标误差不得大于10cm,孔斜率误差不得大于3%。
钻孔孔径、孔深要求不得小于设计值,并超钻50cm,钻进达到设计深度后,不能立即停钻,要求稳钻3~5分钟,防止孔底尖灭。
锚杆成孔禁止带水钻进,以确保施工不恶化边坡工程地质条件。
钻进过程中应对每孔地层情况、进尺速度、潮湿程度以及一些特殊情况作现场记录。
如遇塌孔,应采用套管跟进组合钻具作业或注水泥砂浆处理。
施工技术交底书
(2)人员签到表
技术交底会议纪要
2009年7月15日,由工程部长韩国俊主持,组织工区副主任吴广、邓仁兵、质检工程师楚二庆、开挖作业队,在三工区大沟庄斜井会议室针对木寨岭隧道大沟庄斜井斜11+70~11+50 IⅤ级加强围岩段锚杆工序进行了技术交底。
由工程部长韩国俊将该开挖工序的施工方法、工艺流程、质量关键环节控制措施、安全保证措施等进行了详细讲解,并对作业人员提出的疑问进行了解答,会议历时1。
5小时.详细交底内容见施工技术交底书.
参加技术交底会议人员名单附后。
2009年7月15日
技术交底签到表。
技术交底书性能,防止坍孔、缩孔。
钻孔速度要根据使用钻机性能和锚固地层进行严格控制,防止钻孔扭曲和变径,造成下锚困难或其它意外事故发生。
4.4 钻进过程钻进过程中对每个孔的地层变化,钻进状态(钻压、钻速)、地下水及一些特殊情况作好现场施工记录。
如遇塌孔缩孔等不良钻进现象时,须立即停钻,及时进行固壁灌浆处理(灌浆压力0.2MPa),待水泥砂浆初凝后,重新扫孔钻进。
4.5 孔径孔深钻孔孔径ø110mm,锚孔深度要求不得小于设计锚孔深度,也不大于设计锚孔深度的500mm,为确保锚杆孔直径,要求实际使用钻头直径不得小于设计孔径,为确保锚杆孔深度,要求实际钻孔深度大于设计深度0.15 m以上。
4.6 锚杆孔清理钻进达到设计深度后,不能立即停钻,要求稳钻1~2分钟,防止孔底尖面、达不到设计孔径。
钻孔孔壁不得有沉碴及水体粘滞,必须清理干净,在钻孔完成后,使用高压空气(风压0.2~0.4MPa)将孔内岩粉及水体全部清除出孔外,以免降低水泥砂浆与孔壁岩土体的粘结强度。
除相对坚硬完整之岩体锚固外,不得采用高压水冲洗。
若遇锚孔中有承压水流出,待水压、水量变小后方可下安锚筋与注浆,必要时在周围适当部位设置排水孔处理。
如果设计要求处理锚孔内部积聚水体,采用灌浆封堵二次钻进等方法处理。
4.7 锚杆孔检验锚杆孔钻孔结束后,须经现场监理检验合格后,方可进行下道工序。
孔径、孔深检查一般采用设计孔径、钻头和标准钻杆在现场监理旁站的6.1.3绑扎钢筋,用与砼保护层厚度一致的砂浆垫块垫起,与坡面保持一定距离。
6.1.4钢筋绑扎完成后,及时进行砼浇注。
6.2 支立框架梁模板6.2.1模板采用钢模,立模前首先检查钢筋骨架施工质量,并做好记录,然后立模板。
模板立在开挖槽外侧,槽内混凝土要满灌。
6.2.2立模板仍采用挂线法施工,模板顶面要与设计框架梁坡面标高一致,有挡水缘一侧模板应比设计框架梁坡面标高高5cm,安装时要严格控制。
保证纵梁模板由上至下位于一条直线上。
锚杆框架梁施工技术交底锚杆框架梁作为建筑结构中的重要构件,在建筑工程中应用广泛。
它不仅能够有效地分担荷载,提高结构的承载能力,还能够增强结构的稳定性和抗震性能。
因此,在建筑施工过程中,锚杆框架梁的施工质量和施工技术显得尤为重要。
施工准备在进行锚杆框架梁的施工之前,必须进行 Adequate 的准备工作。
施工前应进行现场勘查,确定施工方案,并对焊接、钢筋加工和预埋件进行检查。
在施工之前,还需要进行设备、材料的检查和调试,并确保使用的备品备件充足,以便在施工过程中随时进行更换。
施工流程1. 杆件制作锚杆框架梁杆件的制作一般采用焊接工艺。
制作锚杆框架梁时,必须按照图纸和规格要求进行制作,并对焊接工艺进行把握,以确保焊接牢固、无裂纹、无偏斜、无气孔等缺陷。
同时,还要对焊接前的钢材进行磨削、清理等处理,以确保在焊接过程中减少缺陷。
2. 预埋件安装在锚杆框架梁的施工过程中,预埋件是必不可少的构件。
预埋件的安装必须按照安装图纸和施工方案进行安装,并在加固前进行检测。
同时,在施工过程中还需要注意防止预埋件的移位和变形,避免影响整个结构的稳定性。
3. 筋工安装在完成锚杆框架梁预埋件的安装后,需要安装筋工构件,以固定杆件。
在安装筋工构件时,必须要按照图纸和施工方案进行安装,并且在安装过程中建议使用加固钢筋等辅助工具。
同时,在筋工安装后,要进行检查,确保每个构件都能够牢固固定。
4. 杆件提取在进行锚杆框架梁的提取时,需要根据实际情况进行松动、柔性力和刚性力的破坏,以保证杆件能够正常提取。
在杆件提取过程中,还需要进行随时监控杆件的变形情况,并根据实际情况对提取工艺进行调整,以确保杆件能够安全无事故地被提取出来。
5. 杆件运输在锚杆框架梁的运输过程中,必须要确保运输工具的稳定性,避免在运输中发生意外事故。
同时,在运输过程中还必须要尽可能地减少杆件的变形,特别是对长距离运输的杆件,更要确保各个方向上的平衡和固定。
项目管理对于锚杆框架梁项目的管理,要从保证质量、安全、进度、成本四个方面入手,特别是在安全方面要实施严格的管理,对于可能存在的安全隐患必须要及时进行排查和修整。
锚杆框架梁安全技术交底一、工程概况我分部起止里程为DK345+790.4~DK357+963.62,线路全长12.173公里途经怀化市方石坪村和芷江县罗旧镇管辖范围,其包括路基16段共1747.79m。
工点主要以膨胀岩路基为主。
二、适用范围适用于中铁一局沪昆客专第三项目分部DK345+790.4~DK357+963.62锚杆框架梁施工。
三、准备工作1、施工作业开始前,应进行预应力锚杆的基本试验,并完成预应力锚杆的试验报告,提交有关监理工程师和设计代表,待试验报告批准并经设计锚固参数确认或调整后,方可进行预应力锚杆工程施工作业。
2、试验锚杆的具体位置应由监理和设计代表现场确定,使试验孔可反映工程孔锚固地层的实际情况。
试验孔自由端不注浆,锚固段与自由段之间设置止浆袋,锚固段外侧应设排气管,排气管深入锚固段内5~10cm,其注浆方法和充满标准与正式工程孔相同。
3、施工场地整理及搭设平台时,应对已施工完成的坡面根据设计图纸进行测量后确定预应力锚杆的位置;在安装钻机时,应按照施工设计图采用全站仪进行测量放线确认孔位以及锚孔方位角,并作出标记。
4、原材料进场,并抽样检测。
四、施工工艺及技术要求1、技术措施(1)、施工前,施工人员要熟悉施工图,掌握技术要求。
锚杆正式施工前,施做试验锚杆,对锚杆做拉拔力试验,确定施工参数。
(2)、清除坡面浮石、浮根,平整坡面。
坡面清理应有利于种植混合基材和坡面的自然结合,禁止出现反坡。
(3)、采用全站仪,恢复中心线,并挂出边线,定出框架粱的纵粱和横梁的中心线。
(4)、根据施工图所规定的孔位、长度、倾斜度采用冲击钻钻孔。
钻孔采用干作业法,做好地质记录,成孔孔壁顺直、完整。
钻至要求的深度成孔后,用空压机清孔,将孔内壁及根部废上清除干净。
采用一根聚乙烯管复核孔深,严格控制钻孔倾角和孔位。
(5)、锚杆制作事先在加工厂内制作,采用汽车按需要运输到现场。
锚杆采用 2根HRB335Φ20 (锚杆长度6.0m时)或两根Φ25mm (锚杆长度大于6.0m 时)钢筋点焊并联制作,杆件每隔1.5m设一个对中架。
技术交底书编号:LQLJ2J工程名称施工单位交底人DK322+000.76~DK323+660.00段路基工程路桥架子队交底日期分项工程名称被交底人年月日路基边坡防护工程队长及主要负责人员(名单附后)交底内容:锚杆框架梁1、编制依据及要求1.1编制依据:1.1.1《高速铁路路基工程施工技术指南》铁建设(2010)241号1.1.2《高速铁路路基工程施工质量验收标准》TB10751-20101.1.3《新建铁路西安至成都客运专线西安至江油段施工图路基工程设计图第三册》1.1.4《新建铁路西安至成都客运专线西安至江油段施工图路基通用结构详图》1.2施工要求:按工期保质保量完成施工,满足设计要求。
2、工程概况工点起讫里程:DK322+000.76~DK323+660.00,长659.24m。
工点位于宁强县罗村坝乡张家坪左侧斜坡,宁强南车站内。
主要边坡防护形式为拱形骨架、锚杆框架梁、锚索框架梁、空心砖等。
其中锚杆框架梁护坡主要用于土质、软质岩路堑稳定边坡防护。
侧别边坡级别段落里程DK322+392~DK322+443.5单位工程备注左侧二级边坡DK322+451.5~DK322+486DK322+514~DK322+550DK322+593~DK322+648锚杆框架梁三级边坡DK322+458.5~DK322+485右侧一级边坡二级边坡DK322+470~DK322+520 DK322+151~DK322+4703、施工方案3.1施工流程基础开挖→确定孔位→钻机就位→调整角度→钻孔→清孔→安装锚杆→注浆→框架梁钢筋绑扎→立模板→浇注混凝土。
3.2施工准备施工现场三通一平工作要完成,进入工作面等施工辅道已经修建完毕;各钢筋、砂石材料已经试验抽检合格;各施工机具已进场并满足施工生产要求;根据工程需要及工程划分,技术人员、管理人员及其他人员均已到位。
3.3测量放样确保开挖后断面的复测验收工作已经完成,验坡签收表已签完,开挖坡体在人工修整其坡比等达到要求,然后测放出框架纵梁位置及施作起始范围。
分部、分项工程施工技术交底记录工程名称分部、分项工程名称锚索框格梁施工施工桩号设计要求锚索采用4根直径φ15.2mm、设计长度20.6m,强度1860MPa的高强度低松弛无粘结钢绞线组成注浆采用M30水泥砂浆(水灰比0.4-0.45),注浆压力大于等于0.4-0.6Mpa。
框格梁采用C25钢筋混凝土填充横向肋柱X纵向肋柱为40mmX40mm,配筋见下图:竖向肋柱采用上部6C 22,下部为4C16,箍筋为C 16@200mm横向肋柱采用左部4C 16,右部为6C 22,箍筋为C 16@200mm施工方法 1、锚索框架施工工艺流程锚索框架梁施工工艺流程如下图所示。
2、锚索框格梁施工方法 (1)、 脚手架搭设脚手架搭设场地应平整、结实并设置排水设施,底部清至基岩,确保基础稳定坚固。
脚手架钢管采用φ48x3.5钢管,钢管横向间距1.05m 、纵向间距为1.2m,步距为1.8m 。
脚手架连墙件采用Φ25螺纹钢筋,打入岩层1.0m ,M20砂浆锚固,按两部三跨交错布置。
剪刀撑每隔12~15m 设置一道,剪刀撑应联系3~4根立杆,斜杆与地面夹角为45度至60度;剪刀撑应沿架高连续布置,在相邻两排剪刀撑之间,每隔10~15m 高架设一道长剪刀撑。
剪刀撑的斜杆除两端用旋转扣件与脚手架的立杆或大横杆扣紧外,在其中间应加设2~4个扣节点。
脚手架各杆件连接处相互伸出的端头长度均要大于10cm 以防杆件滑脱。
系统锚杆施工完后,可根据实际情况将脚手架拉结于系统锚杆上。
最下一层纵向连接杆距离地面不大于200mm 。
在施工作业层铺设脚手板,以便于放置锚杆施工机械及施工。
脚手架搭设形式见图4-2图4-2脚手架搭设立面图立杆大横杆爬梯底部竹夹板封闭爬梯扶手管栏杆外侧安全立网封闭爬梯踏步高度h=1.0m1.0爬梯梯梁φ48*3.5mm钢管φ48*3.5mm钢管爬梯扶手立柱22侧立面图40°~50°0.3小横撑的同一节内及设置连墙杆件处的小横杆必须抵紧坡面1.8剪刀撑爬梯立杆1.8≤0.2作业平台防护栏杆纵向扫地杆1.8另见图1.8顶部防护栏杆另见图另见图另见图斜杆1.8横向扫地杆作业平台防护栏杆顶部防护栏杆另见图另见图≤0.20.5φ25mm连墙件,深入岩层1.0m,M20砂浆锚固,按两步三跨交错布置斜撑(与相交横杆采用旋转扣件连接,接点与主节点距离不大于0.15m),由底到顶呈之字形连续布置,两端必须设置,中间每隔6跨设置一道,小横杆,设置斜撑的同一节内及设置连墙杆件处的小横杆必须抵紧坡面1.81.8剪刀撑另见图图4-3 脚手架搭设剖面图图4-4 脚手架安全爬梯剖面图2平面俯视图爬梯转向及休息平台竹夹板满铺爬梯踏步0.60.10.1大横杆小横杆图4-5 脚手架安全爬梯平面图1.0≥0.18作业平台满铺竹夹板挡脚板一块竹夹板通长搭设上栏杆小横杆外立杆大横杆内立杆≥0.1安全网作业平台及防护栏杆搭设详图11扣件图4-6脚手架操作平台架设图一块竹夹板高度1.011安全网外立杆图4-7 作业平台安全防护图脚手架搭设要求如下:1)、在脚手架搭设前,必须先放出锚杆和框格梁的位置,避免与脚手架发生冲突。
三级技术交底记录表记录号:使用编号:项目名称:锚杆框架梁施工技术交底交底地点现场办公室时间年月日交底单位工程处接受单位架子队及一工区主持人主讲人(签字)接受人(签字):见后附签到表交底内容:1. 适用范围锚杆框架梁适用于土质、软质岩、节理裂隙发育的硬质岩路堑稳定边坡防护。
2.锚杆框架梁施工工艺流程施工准备测量框架梁槽开挖钻锚杆孔、清孔安装锚杆锚杆孔灌浆张拉、锚固锚杆锚头处理支设框架梁模板浇筑混凝土梁槽底找平浆液制作制作锚杆3.锚杆框架梁施工(1)锚杆施工1)锚杆孔位置确定锚杆孔位应按设计要求准确放置于坡面上,孔位允许偏差±50mm,锚孔深度不小于设计长度,也不宜大于设计长度的0.5m;锚杆体长度允许偏差-30~100mm;锚杆的钻孔斜度(倾角)允许偏差保持在±1°。
2)钻孔设备钻孔机具的选择,根据锚固地层的类别、锚杆孔径、锚杆深度,以及施工场地等来选择钻孔设备。
3)钻机就位锚杆孔钻进施工,搭设满足相应承载能力和稳固条件的脚手架,根据坡面测放孔位,准确安装固定钻机,并严格认真进行机位调整,确保锚杆孔开钻就位误差不得超过±100mm,钻孔倾角和方向符合设计要求,倾角允许误差为±1.0°。
锚杆与水平面交角为20°~25°。
钻机安装要求水平、稳固,施钻过程中应随时检查。
4)钻进方式钻孔宜采用干钻,特别是在土层或风化层中钻孔时,严禁采用水钻,以确保锚杆施工不至于恶化边坡岩体的工程地质条件和保证孔壁的粘结性能,防止坍孔、缩孔。
钻孔速度要根据使用钻机性能和锚固地层进行严格控制,防止钻孔扭曲和变径,造成下锚困难或其它意外事故发生。
5)钻孔过程钻进过程中对每个孔的地层变化,钻进状态(钻压、钻速)、地下水及一些特殊情况作好现场施工记录。
如遇塌孔缩孔等不良钻进现象时,须立即停钻,及时进行固壁灌浆处理,待水泥砂浆初凝后,重新扫孔钻进。
6)锚杆孔清理锚杆孔应采用空气清孔,排出孔内杂物和积水。
一、适用范围新建铁路衢州至宁德铁路三标段路基框架锚杆防护施工二、材料要求锚杆:Φ28螺纹钢筋长11。
5m注浆材料:注浆材料应依据设计图纸要求确定,采用M30水泥砂浆。
一般宜选用灰砂比为1:2~1:1,水灰比为0。
5的水泥砂浆或水灰比为0.3~0。
45的纯水泥浆,必要时可以加入一定量的外加剂或掺加剂.单元格框架混凝土:C35混凝土,框架梁垫层C20混凝土。
三、施工工艺流程施工方法采用“逆作法"施工,从上到下分台阶施工,逐级放坡,逐级防护,待上级边坡防护完毕后方可开挖下一级边坡。
1)框架锚杆施工工艺流程:施工准备→测量放样→钻机就位及调整角度→造孔→清孔→锚杆孔检验→锚杆制作与安装→砂浆灌注→制作框架梁2)框架梁施工工艺流程:施工准备→测量放样→基础开挖→钢筋制安→模板安装→混凝土浇筑→养护。
四、施工步骤1)框架锚杆施工步骤1、施工准备:施工现场三通一平工作完成,工作面施工道路已经修建完毕;钢筋、砂石材料已经试验抽检合格;各施工机具已进场并满足施工生产要求;施工生产人员已经到位。
2、测量放样:按设计图要求,在框架锚杆施工范围内,起止点用仪器设置固定桩,中间视条件加密,并应保证在施工阶段不得损坏。
其它孔位以固定桩为准钢尺丈量,全段统一放样,孔位误差不得大于200mm。
测定的孔位点,埋设永久性标志,以便施工时检验校核。
锚杆的位置需按等分坡面的长度进行放样,其间距可适当调整。
如遇既有刷方坡面不平顺或特殊困难场地时,需经设计监理单位认可,在确保坡体稳定和结构安全的前提下,适当放宽定位精度或调整锚孔定位。
3、钻机就位及调整角度:利用Φ50钢管搭设脚手架平台,平台用锚杆与坡面固定,钻机用三角支架提升到平台上。
锚杆孔钻进施工,搭设满足相应承载能力和稳固条件的脚手架,根据坡面测放孔位,准确安装固定钻机,并严格认真进行机位调整,确保锚杆孔开钻就位纵横误差不得超过±200mm,高差不得超过±200mm,钻孔倾角和方向符合设计要求,倾角允许误差为±2。
锚杆、锚索框架梁施工安全技术交底
交底内容:
1、进入施工现场人员必须戴好安全帽,系好帽带,高处作业人员必须佩带安全带,并应系牢,不准穿拖鞋,不准喝酒。
2、操作平台搭设要牢固可靠,并用木板满铺,所用钢管规格要一致,不得使用锈蚀严重、有裂缝的钢管。
3、电动机械必须按规定安装漏电保护器,所有设备必须按一机一闸一漏电保护装置进行安装。
4、施工现场用电必须由取得上岗作业证得专业电工操作,非专业人员不得操作。
5、潜孔钻使用前应对各部位进行全面检查:①滑架各部焊缝无开裂,各连接螺丝无松动现象,拉紧装置的各拉杆连接可靠;②回转机构的滑道间隙适中,滑板螺丝无松动,齿轮传动灵活,钻杆接头、轴承压盖和空心主轴的连接牢固可靠;③钻杆接头无开焊、滑扣现象。
冲击器、钎头完好。
合金柱(片)无脱焊、碎裂、掉粒等现象。
钻杆、冲击器、钻头连接可靠;④电缆及其它电气元件绝缘可靠;⑤对各润滑部位加注足够的润滑油;⑥应经常检查风管接头是否固紧,以防脱节伤人。
供风系统的检修工作必须在停风后进行;
6、潜孔钻如较长时间停机,应将冲击器提出孔外,以免孔口塌方阻卡钻具。
7、不得将电缆泡在水中或搁置在金属物上,收放或移动电缆,应戴绝缘手套。
8、潜孔钻操作人员必须严格按照其安全操作规程作业。
9、钻孔过程中加杆需排出杆中浮渣是,操作人员不得把手正对管口,避免高压排渣伤人。
10、加工锚杆操作人员要熟悉钢筋加工机械操作规程,并按操作规程作业。
11、下班时,应清理好现场,拉闸断电。
12、在危险部位挂设安全警示牌。
一、交底目的为确保锚杆施工过程中的安全生产,提高班组人员的安全意识和操作技能,特制定本安全三级技术交底模板。
通过本次交底,使班组全体成员充分了解锚杆施工过程中的安全风险和预防措施,确保施工安全。
二、交底内容1. 工程概况(1)工程名称:______项目(2)施工单位:______(3)施工地点:______(4)施工时间:______2. 安全生产责任制(1)项目经理对本项目安全生产全面负责。
(2)施工队长负责班组安全生产的具体实施。
(3)班组全体成员应严格遵守安全生产规章制度,确保自身及他人安全。
3. 锚杆施工安全注意事项(1)施工前,必须检查施工设备、工具、材料是否符合安全要求,如有问题,应及时更换或报修。
(2)钻孔施工时,施工人员必须佩戴安全帽,系好安全带,并检查脚手架的稳固情况。
(3)锚索体的长度、钻孔深度、孔径、倾角必须满足设计要求,确保锚杆安装质量。
(4)锚索体的张拉必须按设计要求采用分级张拉方式,避免因张拉过快导致锚杆断裂。
(5)注浆时应注意检查锚固段和自由段的饱满情况,确保注浆质量。
(6)如锚索与框架梁箍筋相干扰,可局部调整箍筋间距,确保锚杆安装顺利。
(7)混凝土浇注进,尤其在锚孔周围,钢筋较密集,要求承包人仔细振捣,保证质量。
4. 应急预案(1)发生意外事故时,立即停止施工,组织人员撤离危险区域。
(2)及时拨打救援电话,请求救援。
(3)对受伤人员进行现场急救,并迅速送往医院。
(4)事故发生后,立即启动事故调查程序,查明事故原因,采取措施防止类似事故再次发生。
三、交底要求1. 本模板由施工队长负责向班组全体成员进行交底。
2. 交底过程中,班组全体成员应认真听取,如有疑问,及时提出。
3. 交底结束后,班组全体成员应签字确认,确保安全生产。
4. 施工过程中,班组全体成员应严格遵守安全操作规程,确保施工安全。
5. 施工队长定期对班组安全工作进行检查,确保安全措施落实到位。
四、交底人及日期交底人:______交底日期:______五、接受人及签名接受人:______签名:______备注:本模板仅供参考,具体内容可根据实际施工情况进行调整。
锚杆框架梁技术交底(三级) -标准化文件发布号:(9456-EUATWK-MWUB-WUNN-INNUL-DDQTY-KII
渭武高速路基防护锚杆框架梁施工技术交底(三级)
工程项目名称:兰州至海口国家高速公路渭源至武都段建设项目路基防护工程
钻孔锚杆(孔径5.5cm)要求每米杆长极限抗拔力大于1.0吨,锚杆孔径大于10cm时要求每米杆长的抗拔力大于2.0吨。
实验合格后方可开始绑扎框格钢筋浇筑砼。
框格梁护面法向投影图
框格梁护面侧面墙
锚杆框架防护施工工艺框图
五、施工质量要求
1、施工要求
(1)锚杆孔采用钻机钻孔,高压风清孔。
施工准备
清刷边坡
锚杆制作
钻孔清孔
锚杆运输
安装锚杆
锚固段注浆 抗拔实验 框架钢筋制安及混凝土浇筑
拆模。