汽车配件公司新设备工装和试验设备检查表
- 格式:doc
- 大小:469.50 KB
- 文档页数:17
1设计是否要求a 新材料b 快速换型c 产量波动d 防误2是否已准备好清单,以识别:(包括所有供应商)a 新设备b 新工装c 新的测试设备(包括检查辅具和检查辅具的标准件)d 是否考虑了设备和工站状态的安灯探测3是否以根据顾客要求商定验收准则并将其文件化:(包括所有供应商)a 新设备b 新工装c 新的测试设备(包括检查辅具)4在工装和/或设备制造商处是否会进行初始能力研究5测试设备的可行性和准确性是否已确定6在设备验收期间,是否考虑验证自动化系统之间的通信(即顾客门户、数据收 集、函数捕获、可追溯性、软件兼容性)7设备和工装的预防性维护计划是否完整a 关键工装和机器零件需要最/最大库存水平——长交货期零件8对于无法保留在库存中的交货时间较长的项目(零件),是否制定了应急计划9新设备和工装的设置说明是否完整且易于理解,并且采用作业指导书格式10设备供应商的工厂是否可以使用具备能力的量具来进行初始过程能力研究a 是否分配了足够的资源来支持数据收集b 是否有计划对所有尚未确认的防错设备进行100%检查,直至确认完成11是否为每台设备创建了防错清单(需要完成APQP中的其他过程)12是否会在加工工厂进行初始过程能力研究13是否已识别影响产品特殊特性的过程特性14确定验收标准时是否考虑了产品特殊特性15制造设备是否有足够的产能来处理预测的生产数量和服务数量16测试的产量是否足以提供足够的测试17测量设备是否经过验证并记录在案,表明其符合所需的测量和测试范围18PFMEA是否已被理解并纳入工装和设备设计中19是否已根据顾客要求汇报变更情况*每个“否”项目都必须有批准的行动计划A-3 新设备、工装和测试设备检查表顾客或内部零件编号表。
新产品开发第一阶段审核表(计划和确定项目)新产品开发第二阶段审核表(产品设计和开发)新产品开发第三阶段审核表(过程设计和开发)新产品开发第四阶段审核表(产品和过程确认)新产品开发第五阶段审核表(反馈、评定和纠正措施)A — 1 设计FMEA检查表修订日期第1页,共1页制定人:专业整理分享A — 2 设计信息检查表修订日期第1页,共4页专业整理分享A—2 设计信息检查表(续)修订日期第2页,共4页制定人:专业整理分享A — 2 设计信息检查表(续)修订日期第3页,共4页制定人:专业整理分享A — 2 设计信息检查表(续)修订日期第4页,共4页制定人:专业整理分享A— 3 新设备、工装和试验设备检查表修订日期第1页,共2页制定人:专业整理分享A — 3 新设备、工装和试验设备检查表(续)专业整理分享A — 4 产品 / 过程质量检查表修订日期第1页,共4页本检查表并不打算代替克莱斯勒、福特和通用汽车公司的质量体系评定专业整理分享A — 4 产品 / 过程质量检查表(续)修订日期第2页,共4页专业整理分享A — 4 产品 / 过程质量检查表(续)修订日期第3页,共4页专业整理分享A — 4 产品 / 过程质量检查表(续)修订日期第4页,共4页制定人:专业整理分享A — 5 车间平面布置检查表修订日期第1页,共2页制定人:专业整理分享A — 5 车间平面布置检查表(续)修订日期第2页,共2页制定人:专业整理分享A — 6 过程流程图检查表修订日期第1页,共1页制定人:专业整理分享A — 7 过程FMEA检查表修订日期第1页,共1页制定人:专业整理分享A —8 控制计划检查表修订日期第1页,共1页制定人:专业整理分享专业整理分享。
车辆维修设备日常检查表
1. 设备信息
设备名称:
设备型号:
设备编号:
设备位置:
2. 检查项目
请根据设备的特点和使用情况,制定相应的检查项目,并填写检查结果。
3. 检查人员
检查人员姓名:
检查日期:
4. 备注
(可选) 输入任何额外的备注或发现的问题。
本检查表用于日常对车辆维修设备进行检查,以确保设备的良好状态和正常工作。
检查人员应按照设备的特点和使用要求,逐项进行检查,并记录检查结果。
如发现任何问题或异常情况,应及时
向相关人员报告并采取相应的措施进行修复或替换。
检查人员和检查日期应清晰记录,以便追溯和管理。
同时,可以在备注部分输入任何额外的备注或发现的问题,以便更全面地记录检查情况。
顾客或内部零件编号:______________________是否N/A 评价/要求的措施负责人完成日期1DFMEA在准备过程中是否使用了克莱斯勒、福特、通用汽车公司的潜在失效模式与影响分析(FMEA)参考手册和适用的顾客特殊要求?2是否对过去已发生的事件和保修数据进行了评审?3是否考虑了从相似零件DFMEA中吸取的最佳实践和教训?4DFMEA是否识别特殊特性?5途径特性(见术语)是否受到识别?是否和受影响的供应商一起,就供应链里FMEA的一致和控制,对特性进行评审?6是否和受影响的供应商一起,对由顾客或组织制定的特殊特性进行评审,以保证FMEA 的一致性?7对高风险顺序失效模式有影响的设计特性是否得到识别?8是否对高风险的顺序数制定了适当的纠正措施?9是否对高严重度数制定适当的纠正措施?10在完成纠正措施并验证后,是否对风险顺序进行评审?问题修订等级:_________________修订日期:__________________制定人:____________________A-1设计FMEA检查表顾客或内部零件编号:_________________________是否N/A 评价/要求的措施负责人完成日期1设计是否要求:a 新材料?b 特殊工具?c 新技术或过程?2是否考虑了装配制造变差的分析?3是否考虑了实验设计?4目前对样本是否已有计划?5是否已经完成了DFMEA?6是否已经完成了DFMEA(可制造性和装配设计)?7是否考虑了有关服务和维护的问题?8是否考虑了设计验证计划?9如果是的话,它是否是由一个跨职能小组完成?10是否所有规定的试验、方法、设备和接受准则都被清晰定义和了解?11是否选择了特殊特性?A-2设计信息检查表修订等级:____________________A.一般情况问题12是否完成了材料清单?13特殊特性是否正确地文件化?B.工程图14是否标明了参考尺寸,从而被检查全尺寸时间降低到最小?15为了设计功能量具,是否明确了足够的控制点和基准平衡?16公差是否与可接受的制造标准一致?17现存和可得到的检查技术是否能测量所有的设计要求?18是否用顾客指定的工程变更管理过程来管理工程变更?C.工程性能规格19特殊特性是否被识别?20试验参数是否足够应对要求的使用条件,即:生产确认和最终使用?21以最小和最大规格制造的零件是否按照要求来试验?22所有产品试验是否都在厂内进行?23如果不是,则是否是由授权供应商执行?24规定的过程中性能试验抽样大小和/或频次,是否和制造容量一致?25要求时,是否获得顾客批准?例如:要求的试验和文件记录。
新产品试产样机评审检查表项目名称:评审项评审要素检查结果评审操作指导备注是否免结构1. 功能样机评审的遗留结构设计问题是否已全部解决?要求解决。
2、小试样机生产中结构验证问题是否全部解决?1)对出现的方案性或严重问题,要求修正;2)细节性问题要求有明确的解决措施和方法;允许存在部分的采购问题。
3、结构物料是否经过IQC检验?1)如果结构物料经过IQC正确检验,则认为合格;4、小试样机结构是否符合热测试试验要求?以专业试验室的实验报告为判定依据。
5、小试样机结构是否符合环境试验要求?以专业试验室的实验报告为判定依据。
6、小试样机包装是否符合包装试验的设计要求?以专业实验室的实验报告为依据。
7、小试样机结构是否符合安规试验的设计要求?以专业实验室的实验报告为依据。
8、小试样机结构是否符合EMC试验的设计要求?以专业实验室的实验报告为依据。
硬件1. 功能样机评审的遗留硬件设计问题是否已全部解决?要求解决。
2、小试样机试制中硬件问题是否全部解决?1)对出现的方案性或严重问题,要求修正;2)细节性问题要求有明确的解决措施和方法;3、硬件物料是否经过IQC检验?1)如果硬件物料经过IQC正确检验,则认为合格;4、小试样机硬件是否符合热测试试验要求?以专业试验室的实验报告为判定依据。
5、小试样机硬件是否符合环境试验要求?以专业试验室的实验报告为判定依据。
6、小试样机硬件是否符合安规试验的设计要求?以专业实验室的实验报告为依据。
7、小试样机硬件是否符合EMC试验的设计要求?以专业实验室的实验报告为依据。
评审项评审要素检查结果评审操作指导备注是否免工装与设备1、生产工装与设备是否已提供?工装与设备应全部提供。
2、对操作人员使用工装与设备的培训是否已完成?所有操作人员是否已经得到培训或者过去已经得到过如何操作这些设备的培训3、已到位的工装与设备是否符合设计、使用要求?测试流程和测试方法是否合理?主要评估工装与设备是否能满足测试要求,是否考虑生产线人机工程。
APQP新产品设计开发全套表格模板(含部分范本)XXXXXXX 有限公司 APQP 全套表单APQP 设计开发过程全套记录表格清单序号编号名称1 TTQR8.1-01 运行策划和控制方案2 TTQR8.1-02 质量计划书3 TTQR8.1-03 保密检查情况记录4 TTQR8.3-01 设计和开发总策划5 TTQR8.3-02 产品开发项目立项书6 TTQR8.3-03 新品开发计划7 TTQR8.3-04 设计任务书8 TTQR8.3-05APQP 小组成员及职责技能表9 TTQR8.3-06 初始材料清单10 TTQR8.3-07APQP 计划阶段评审报告11 TTQR8.3-08 产品设计开发输入评审12 TTQR8.3-09 DFMEA13 TTQR8.3-10 产品特殊特性清单14 TTQR8.3-11 产品标准规范15 TTQR8.3-12 总成图、零件图、装配图16 TTQR8.3-13 设计和开发评审17 TTQR8.3-14 产品保证计划18 TTQR8.3-15 设计验证计划19 TTQR8.3-16 初始过程流程图20 TTQR8.3-17 样件控制计划21 TTQR8.3-18 样品验证报告22 TTQR8.3-19 新设备工装检测设备检查表及开发计划进度表23 TTQR8.3-20 产品安全防护表24 TTQR8.3-21 产品材料用量规格表(BOM)25 TTQR8.3-22 工程规范审查确认26 TTQR8.3-23 产品防错一览表27 TTQR8.3-24 可制造性和装配性设计28 TTQR8.3-25 模具配置申请表29 TTQR8.3-26 模具设计任务书30 TTQR8.3-27 模具制造报价单31 TTQR8.3-28 模具供方评定表32 TTQR8.3-29 模具加工合同33 TTQR8.3-30 模具跟踪评审验收记录34 TTQR8.3-31 设计和开发验证记录35 TTQR8.3-32 小组可行性承诺36 TTQR8.3-33 产品设计和开发输出评审XXXXXXX 有限公司 APQP 全套表单序号编号名称37 TTQR8.3-34 APQP 产品设计阶段评审报告38 TTQR8.3-35 产品/过程质量体系评审39 TTQR8.3-36 过程设计和开发输入评审40 TTQR8.3-37 产品特性重要度分级表41 TTQR8.3-38 产品和过程特殊特性清单42 TTQR8.3-39 特性矩阵图43 TTQR8.3-40 过程流程图44 TTQR8.3-41 车间平面定置管理图及检查表45 TTQR8.3-42 PFMEA 表46 TTQR8.3-43 试生产控制计划47 TTQR8.3-44 生产设备清单48 TTQR8.3-45 检测设备清单49 TTQR8.3-46 工艺规范及评审报告50 TTQR8.3-47 过程作业指导书51 TTQR8.3-48 测量系统分析计划52 TTQR8.3-49 初始过程能力研究计划53 TTQR8.3-50 包装作业指导书(包装规范)54 TTQR8.3-51 OTS 样件全尺寸报告55 TTQR8.3-52 OTS 样件材质试验结果56 TTQR8.3-53 OTS 样件性能试验结果57 TTQR8.3-54 过程设计开发输出评审58 TTQR8.3-55 APQP 设计阶段评审报告59 TTQR8.3-56 试生产计划60 TTQR8.3-57 试生产准备检查表(确认设备、工装、人员)61 TTQR8.3-58 试过程工艺参数检测记录62 TTQR8.3-59 试生产验证测试报告63 TTQR8.3-60 试生产总结报告64 TTQR8.3-61 节拍产能分析报告65 TTQR8.3-62 初始过程能力研究报告66 TTQR8.3-63 生产控制计划67 TTQR8.3-64 设计开发确认表68 TTQR8.3-65 零件提交保证书69 TTQR8.3-66 产品质量策划总结和认定70 TTQR8.3-67 APQP 试生产阶段评审报告71 TTQR8.3-68 工程变更申请单72 TTQR8.3-69 工程变更通知单73 TTQR8.3-70 嵌入式软件开发评估表XXXXXXX 有限公司 APQP 全套表单嵌入式软件开发评估表项目名称:一、推进流程应用工作量TQR8.3-70NO.序号阶段1 项目准备2 系统配置3 流程调研4 设定流程5 模拟调试6 管理员培训7 用户培训8 系统启用工作内容现有系统配置情况检查系统相关模块的基本数据情况检查制定实施阶段计划,约定每个阶段的时长,准确划分各阶段时间节点预定培训实施期间培训日期安排建立相关组织结构, 建立相关角色调整全局配置项建立权限分配方案落实需要上线的流程列表,这些流程主要包括:党委发文流程、纪委发文流程、公司发文流程、部门发文流程(报告、函、请示、通知)、公司收文流程,以及:用印申请流程、出差申请流程、会议管理流程等培训流程图的标准画法收集流程图,交流流程信息、修改流程图、流程图定稿建立流程,谁提交,谁批准,谁执行建立流程表单,及相应说明, 建立流程处理签建立存档管理,配置相关归档目录建立权限管理对所有流程进行模拟测试,特别是各个重要公文流程,必须进行遍历测试根据模拟测试发现的情况,对流程设置进行检讨和调整对流程管理员进行培训,使其掌握流程异常情况处理、流程微调技巧根据项目实际整理培训资料落实培训人员、场地、时间安排三场用户培训,需用户积极配合协调建立起与系统运行相适应的管理规章制度发布正式启用系统的通知系统检查与实施补充问题收集、反馈、调整阶段评估验证9 项目收尾项目回顾、权限收回总评XXXXXXX 有限公司 APQP 全套表单二、新功能开发流程序号 1 2 3 4 5 67阶段工作内容需求调研、分析需求确认了解用户业务,获取用户对功能、性能等方面的需求用户方、开发方对需求进行审核确认这些功能包括:安全认证、电子印章、规章制度管理、业务整合总体设计系统初步设计总体设计评审详细设计详细设计评审用户方、开发方对总体设计审核确认对系统功能、操作界面、处理逻辑、数据库、代码体系等进行详细设计开发组对详细设计方案审核确认编写程序、单元测试系统管理(设置,备份还原)操作人员管理及权限管理编程、单元测试安全认证电子印章规章制度管理业务整合(初步)业务整合(深入)8集成测试系统集成测试、系统测试,编程与测试可以交叉进行到用户现场安装调试开发好的系 9 安装调试统,并与用户一起试走业务流程,对系统进行功能确认测试10系统初始化将系统初始化;准备业务基础数据并录入系统;11 用户培训对用户操作人员、系统管理人员进行详细培训12项目跟踪与总结系统 bug 控制,操作指导合计阶段评估验证XXXXXXX 有限公司 APQP 全套表单设计评审报告产品名称:研制单位:产品负责人:拟制日期:XXXXXXX 有限公司 APQP 全套表单设计评审申请表部门评审项目名称评审日期设计所 XXXxx 年 xx 月 xx 日产品研发工程师产品内部代号评审地点技术中心三楼会议室一、建议参加评审单位及人员设计所:模具中心:工艺技术部:技术管理部:品质中心:检测中心:企划部:车载事业部:营销中心:物流部:财务部:设备部:其它:二、申请评审内容三、室主任审批意见四、总工程师审批意见XXXXXXX 有限公司 APQP 全套表单提供评审的文件、资料清单序号1 2 3 4 5 6 7 8 9 10文件资料名称产品立项书新品开发计划产品设计任务书初始材料清单初始过程流程图初始特殊特性清单产品三维草图DFMEA 试验计划其它(如:顾客要求)编审人或资料来源营销中心企划部研发工程师研发工程师研发工程师研发工程师研发工程师研发工程师研发工程师备注评审意见汇总及问题解决措施一、评审意见汇总(请研发工程师根据评审意见表上所列各项建议和意见进行汇总,未列入的评审意见视为不采纳)==由于设计评审意见太过随意,此处对其进行汇总,未列入里头的意见视为不采纳XXXXXXX 有限公司 APQP 全套表单二、存在问题及解决措施一览表序号问题内容1 2 3 4 5 6 7 8 9 10 11 12 13 14 15 16措施建议要求完成追踪负责人日期结论XXXXXXX 有限公司 APQP 全套表单评审结果1、评审结论:2、研制单位意见:评审组组长:3、主管领导复审决定:主管:签字:年月日年月日年月日XXXXXXX 有限公司 APQP 全套表单评审组名单姓名职务/职称XXX 设计室主任高工XXX 工艺技术部经理高工XXX 模具副主任工程师单位设计所工艺技术部模具中心签名是否有评审意见是否√√√备注:未提交《设计评审意见表》视为“同意该产品的所有设计”XXXXXXX 有限公司 APQP 全套表单附件 1设计评审意见表评审项目名称产品内部代号序号存在问题描述评审日期措施建议评审者/单位:XXXXXXX 有限公司 APQP 全套表单产品开发项目立项书项目名称: (例如:XXXXX) 项目类别: (例如:汽车继电器)XXXXXXX 有限公司 APQP 全套表单项目来源及概况项目名称项目来源申请部门申请人承办部门承办人一、市场调研与分析、顾客输入(公司决策的会议纪要等文件或销售人员市场调查、出差报告可作为附件): 1. 开发背景(基于何种目的):2. 市场需求情况(产品的年预计需求量、主要针对怎样的客户或市场等):3. 特定的客户需求(希望的目标价格、开发进度等):4.市场竞争情况:5.竞争对手样品、样本、安全认证或专利等资料的提供(可作为附件)。
汽修设备检查表一、引言汽修设备检查表是一份非常重要的文档,它可以帮助汽车修理厂对其设备进行定期的检查和维护,确保这些设备的正常运转和使用寿命。
本文将详细介绍汽修设备检查表的内容和使用方法。
二、汽修设备检查表的内容1. 设备名称:列出所有需要检查的设备名称。
2. 检查日期:记录每次检查日期。
3. 检查人员:记录进行检查的人员姓名。
4. 设备状况:对每个设备进行详细的状况描述,包括是否有损坏、是否需要更换零件等。
5. 维护情况:记录上次维护时间以及下次维护计划时间。
三、如何使用汽修设备检查表1. 制定计划:根据汽车修理厂实际情况制定一个合理的计划,如每月或每季度进行一次全面检查。
2. 分配任务:将任务分配给具有丰富经验和专业知识的工作人员,并确保他们充分了解如何使用检查表。
3. 进行检查:按照制定好的计划进行设备检查。
在填写检查表时,应尽可能详细地描述每个设备的状况。
4. 维护设备:根据检查结果制定维护计划,及时对设备进行维护和修理,以确保其正常运转和使用寿命。
四、检查表的优点1. 保证设备安全:通过定期检查,可以发现并及时解决设备存在的问题,避免因设备故障导致的安全事故。
2. 延长设备寿命:及时维护和修理可以延长设备的使用寿命,并减少因更换损坏零件而造成的成本。
3. 提高工作效率:正常运转的设备能够提高工作效率,减少因停机而造成的生产损失。
五、注意事项1. 定期更新检查表:随着汽车修理厂业务量增加或新设备投入使用,需要不断更新检查表以反映实际情况。
2. 严格执行计划:制定好计划后一定要严格执行,并及时调整计划以适应实际情况。
3. 做好记录:每次检查后要认真填写检查表,并保存好记录。
这样可以方便后续查询和比对。
六、总结汽修设备检查表是汽车修理厂必不可少的一份文档,通过定期检查和维护可以确保设备的正常运转和使用寿命,提高工作效率和安全性。
在使用检查表时需要注意制定合理的计划、分配任务、严格执行计划以及做好记录等方面。
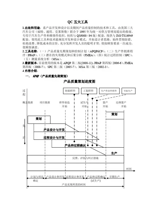
广州三洋汽车电子有限公司品质管理系统文件1.目的通过产品过程开发与策划,导入新型机种的有效生产,以滿足顾客需求;并以最低成本及时提供优质产品,在产品/过程导入的早期进行全面策划,使策划的结果更加完善。
2.适用范围适用于广州三洋汽车电子有限公司签约的或指定的供应商引进的新型产品/改型产品以及产品过程的策划和量试活动。
3.术语及定义过程策划——一种结构化方法,用来确定能够制造使顾客满意的产品所需要的策划过程,以及对生产所需资源如工装、设备、工艺、方法、人员和存储运输等进行策划规定,确保制造过程得以顺利实施。
CFT——Cross Functional Team(跨功能小组):特定的产品开发和问题解决的方法。
4.实施事项4.1定点前活动⑴本公司的采购部门主导与品质保证部门进行产品定点策略会议参与选定产品项目的先期采购过程,以制定和理解采购定点过程⑵目前进行交易的供应商,本公司按照供应商管理规定及供应商质量历史记录(供应商月度&年度评价表或其他记录)进行供应商的选定。
⑶供应商提交初期的工程流程图、设备清单、分供方清单、初始PFMEA等的报价基础资料及产品BOM表。
⑷采购定点按照品质、价格、纳期、服务的评价原则、按以上的3项内容及现场审核的结果综合评价来决定。
⑸APQP流程图见附件一。
4.2计划与定义⑴ APQP启动会议在获得新产品开发过程通知或采购定点通知后,供应商根据顾客提供的新机种开发进度表召集相关人员召开APQP启动会议,会议的主要目的为引导资源,使顾客满意、促进对所需更改的早期识别、避免晚期更改、以最低的成本及时提供优质产品、会议中确定CFT小组成员、并选出项目小组负责人负责监督策划过程(策划循环中小组负责人轮流担任可能更为有利)、确定每个代表的角色和职责确定顾客—内部和外部确定顾客的要求(如适用、适用AIAG APQP附录B所述的QFD)确定小组职能及小组成员,那些个人或分供方应被加入到小组,哪些可以不需要。
新设备工装和试验设备检
查表(A-3)
产品型号:KBJP28 产品名称: 涡轮增压器 (包括6个零件)
编制人/日期: 审核人/日期:
批准人/日期:
新设备工装和试验设备检查表(A-3)
零件号:KBJP28 零件名称:
编制人/日期: 审核人/日期:
批准人/日期:
新设备工装和试验设备检查表(A-3)
零件号:KBJP28 零件名称:
编制人/日期: 审核人/日期:
批准人/日期:
新设备工装和试验设备检查表(A-3)
零件号:KBJP28 零件名称:
编制人/日期: 审核人/日期:
批准人/日期:
新设备工装和试验设备检查表(A-3)
零件号:KBJP28 零件名称:
编制人/日期: 审核人/日期:
批准人/日期:
新设备工装和试验设备检查表(A-3)
零件号:KBJP28 零件名称:
编制人/日期: 审核人/日期:
批准人/日期:
新设备工装和试验设备检查表(A-3)
零件号:KBJP28 零件名称:
编制人/日期: 审核人/日期:
批准人/日期:
产品/过程质量检查表(A-4)
产品件号: 产品名称: 编
产品/过程质量检查表(A-4)
产品件号: 产品名称: 编
产品/过程质量检
查表(A-4)
产品件号: 产品名称: 编号:Q/BL3-2.02-A
批准人/日期:
车间平面布置图检
查表(A-5)
产品件号: 产品名称:
编制人/日期: 审核人/日期: 批准人/日期:
过程流程图检查表(A-6)
产品件号: 产品名称:
批准人/日期:
过程FMEA检查表(A-7)
产品件号: 产品名称:
编制人/日期: 审核人/日期:
批准人/日期:
控制计划检查表
(A-8)
产品件号: 产品名称:
批准人/
控制图QR.P13-17 No。